Содержание
Принцип работы
Любой металлоискатель работает по простому принципу взаимодействия собственного магнитного поля (МП) с магнитным полем Земли. Взаимодействие строится на обнаружении металлических предметов. Металл, который имеет свойство к намагничиванию, попадает в поле действия металлоискателя за счет разницы магнитных полей.

Такие металлы, как золото, серебро, медь, обладают ферритным свойством. Они просто не намагничиваются. По этой причине, детектор не может определить их магнитное поле. Фиксация происходит по принципу определения вихревых электромагнитных потоков, проходящих сквозь металл и образующих на его поверхности элементы «Фуко», или завихрения с определенной частотой. Импульсные детекторы определяют ферритный предмет по его электрической проводимости. Чем проводимость больше, тем выше колебательная частота от его поверхности.
Современные металлоискатели оснащаются разными типами функции дискриминации. Каждый тип, позволяет определять ферритный сплав, и при этом он может отсеивать “промышленный мусор”.
- Дискриминация переменного типа. В ее основу заложена обработка полученных сигналов от предмета по степени его электрической проводимости. Для большей точности, пользователь самостоятельно проводит настройку прибора. Настройка позволяет делать отбор самых перспективных сигналов. Металлодетекторы с подобной функцией, оснащаются визуальным индикатором, на котором имеется шкала с четким разделением по типам сигнала и соответствующим им металлам. Переменная дискриминация позволяет определять только предметы размером более 1–3 сантиметров. Различные вкрапления, мелкие самородки, песок, обрывки цепочек так далее, подобные приборы не находят.
- Селективный тип. Детекторы с этой функцией можно настроить на прием только определенного сигнала. Таким образом, прибор не будет реагировать, например, на медь, алюминий, серебро, выявляя в грунте только золото. Этот тип очень полезен при работе на замусоренных участках. Большое количество мелкого металлического мусора не станет помехой, позволяя выявлять только необходимые частотные сигналы.
- Двухмерный тип. Самая современная технология. Позволяет определить ферритные сплавы, вокруг которого образованно скопление черного металла. За распознавание отвечает блок управления, который производит предварительный расчет электропроводимости всего объекта на сканируемом участке.
Также стоит учитывать общую влажность почвы, ее состав, жесткость.
Металлоискатели с дискриминатором более энергоемкие и функциональные. Относятся к импульсным приборам. Дополнительная функция делает устройства более мощными. Рабочая частота варьируется от 9 до 25 кГц. Импульсный принцип работы позволяет таким приборам выявлять ферритные сплавы на глубине до 2 и более метров.
Принцип работы устройства
В отличие от детекторов грунта, работающих с использованием волн различной частоты или ультразвука, металлоискатель (фабричный, или созданный своими руками), работает с индуктивностью.

Катушка излучает электромагнитное поле, которое затем анализируется приемником. Если в зоне действия оказывается любой предмет, который проводит электроток, либо имеет ферромагнитные свойства — формат поля искажается. Точнее сказать, под действием активного поля катушки, объект формирует собственное. Это событие фиксируется приемником, и генерируется оповещение: перемещается стрелка прибора, звучит тональный сигнал, загораются световые индикаторы.
Зная методику работы, можно рассчитать электрическую схему, и создать мощный металлоискатель своими руками. Сложность конструкции зависит только от наличия элементной базы и вашего желания. Рассмотрим несколько популярных вариантов, как собрать самодельный металлоискатель:
«Терминатор 3» своими руками
Если вам нужен самодельный металлоискатель с дискриминацией металлов, обратите внимание на эту модель. Схема достаточно сложная, но ваши труды окупаются найденными монетами, которые могут оказаться золотыми

Особенность «Терминатора» состоит в разнесении приемной и передающей катушек. Для испускания сигнала изготавливается кольцо 200 мм. Для него укладывается 30 витков провода, затем он разрезается, в итоге мы получаем 2 полу-катушки общей емкостью 60 витков (смотреть схему).
Приемная катушка располагается внутри, 48 витков диаметром 100 мм.
Настройка производится с помощью осциллографа, после достижения оптимальных результатов по амплитуде, обмотки фиксируются в корпусе с помощью заливки эпоксидной смолой.

Затем производится опытная практическая настройка переключателя дискриминации. Для этого используются реальные объекты из различных металлов, а на переключателе режимов наносится их тип (после проверки).
Радиолюбителями прорабатывается усовершенствованный вариант «Терминатор 4», но практического экземпляра еще нет.
Как сделать металлоискатель своими руками?
Исходя из того, что стоимость подобных детекторов очень высока, имеет смысл разобраться с возможностью сделать простой металлоискатель своими руками в домашних условиях. Самоделки, практически не требуют никаких затрат, кроме, конечно, небольшого количества времени.
Так как схема металлоискателя достаточно проста, для работы понадобится наличие двух дисков (CD и DVD), наушников, обычного калькулятора, элемента питания на 9 вольт («крона»), изоленты и клея, а собираете вы ее практически «на коленке».
Итак, подробная инструкция по сборке металлоискателя своими руками.
Чтобы собрать металлоискатель из дисков, нужно придерживаться следующего алгоритма действий:
- Штекер наушников не потребуется, а потому он срезается, а провода зачищаются на длину около 1 см.
- Каждый зачищенный провод делится на две равные части, одна из которых пойдет к зеркальной части диска, а вторая к питающему элементу.
- При условии, что зеркальная поверхность дисков находится с двух сторон, при помощи клея одна из частей провода крепится на нее по отдельности. Если же диски односторонние — то по тут все проще. Контактной является пишущая сторона.
- Изолентой крепятся провода на самих CD и DVD дисках.
- Калькулятор во включенном состоянии крепится той же изолентой между дисками, а на поверхности DVD закрепляется элемент питания.

На этом работа окончена и металлоискатель из подручных средств готов. Как можно убедиться, процесс это совершенно несложный и незатратный, как в финансовом плане, так и по времени.
Конечно, если делать металлоискатель, схемы которого настолько просты, то его характеристики не сравнятся с профессиональными устройствами, но элементарные конструкции в грунте с его помощью можно найти.
Если же требуется более устройство, мощнее, чем простейший металлоискатель, его можно сделать из старого радиоприемника.
Работа схемы
Схема металлоискателя на основе платы Arduino Nano представлена на следующем рисунке.
Плата Arduino используется для управления всеми процессами в схеме. Светодиод и зуммер используются как индикаторы обнаружения металла. Катушка и конденсатор используются для обнаружения металла. Импульсный диод используется для уменьшения напряжения. Резистор используется для ограничения тока на контакте платы Arduino.

Работа схемы достаточно проста. На выходе контакта платы Arduino мы формируем прямоугольную волну (импульсы), которая подается на LR фильтр верхних частот. В связи с этим при каждом переходе уровня катушка будет генерировать короткий остроконечный импульс, длительность которого будет пропорциональна величине индуктивности катушки. Поэтому измеряя ширину этих остроконечных импульсов можно определить индуктивность катушки. К сожалению, с помощью платы Arduino это сделать достаточно сложно поскольку импульсы очень короткие – около 0,5 микросекунды.

Вместо этого мы будем использовать конденсатор, который будет заряжаться этими импульсами. Необходимо всего лишь несколько импульсов чтобы зарядить конденсатор до такого уровня, чтобы напряжение на нем можно было считать с помощью аналогового контакта A5 платы Arduino. Это аналоговое значение напряжения плата Arduino преобразует в цифровое с помощью аналого-цифрового преобразования (АЦП), доступном на данном контакте. После считывания напряжения мы быстро разряжаем конденсатор подавая на контакт A5 напряжение низкого уровня (логический «0») – перед этим его нужно перевести из режима ввода данных в режим вывода данных. Весь этот процесс занимает около 200 микросекунд. Для достижения большей точности результатов мы можем производить подобную операцию несколько раз и затем использовать среднее значение полученных результатов. Таким образом мы получаем приближенное значение индуктивности катушки. После анализа этого результата мы выдаем соответствующие управляющие сигналы на светодиод и зуммер.
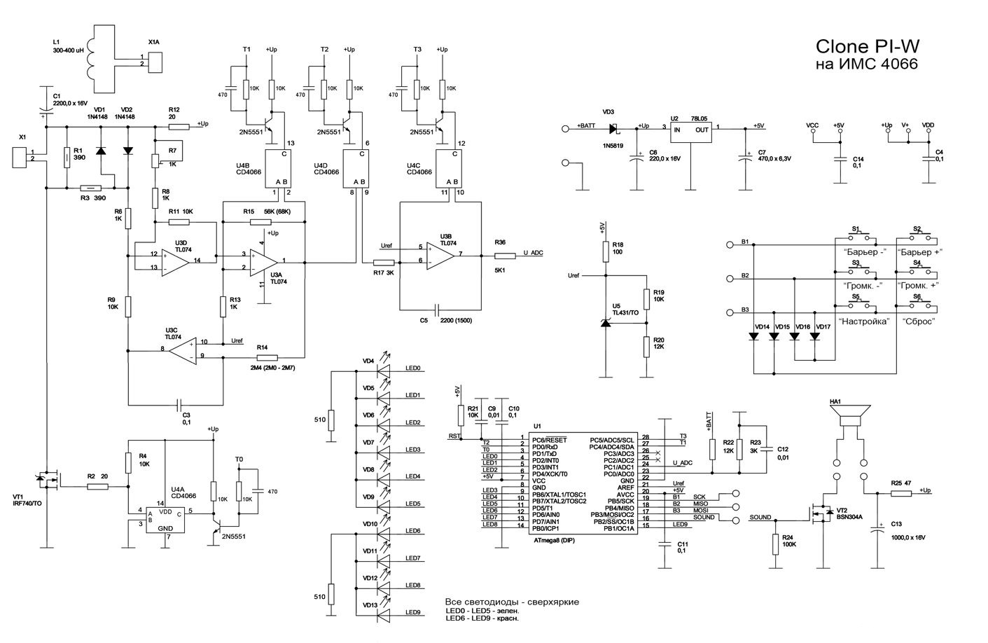
Металлоискатель Clone PI W своими руками
По сути, это удешевленный вариант профессионального искателя Clone PI-AVR, только вместо ЖК дисплея применяется линейка светодиодов. Это не так удобно, но по-прежнему позволяет контролировать глубину залегания артефактов.

Разумеется, под это решение есть и макет печатной платы, только кнопки управления выносятся на отдельную панель.

Программирование ATmega8 — это тема отдельной статьи, если вы работали с такими контроллерами, никаких сложностей не возникнет.
Мощный металлоискатель Clone PI W, сделанный своими руками, позволяет находить металл не глубине более метра, правда без дискриминации.
Универсальный детектор проводки
Можно сделать универсальный индикатор скрытой проводки своими руками, при условии, что есть некоторые навыки в составлении радиосхем.
Искатель содержит два независимых блока: искателя скрытой проводки под напряжением и металлодетектора. Это позволяет обнаруживать электропроводку, когда она проложена в стальных рукавах или отсутствует напряжение в сети. Дополнительно детектор ищет и находит старую обесточенную проводку, арматуру, гвозди и другие металлические предметы.

Основу детектора составляют два операционных усилителя КР140УД1208. Блок искателя скрытой проводки представляет собой практически то же, что и предыдущий прибор только без звукового оповещения.
Блок металлоискателя работает следующим образом.
На транзисторе КТ315 собран высокочастотный генератор, который с помощью переменного сопротивления R6 вводится в режим возбуждения. Выходной сигнал генератора выпрямляется диодом КД522 и переводит собранный на операционном усилителе КР140УД1208ОУ компаратор в состояние, когда генератор звуковых сигналов, собранный на цифровой микросхеме К561ЛЕ5 находится в режиме ожидания, а светодиод гаснет.
Вращением переменного сопротивления R6 изменяется режим работы транзистора КТ315 таким образом, чтобы он находился на пороге генерации. Контроль состояния осуществляется с помощью светового индикатора и генератора звукового сигнала. Они должны отключиться. Для обнаружения скрытой проводки нужно поднести прибор к стене, при сближении антенны (катушек индуктивности L1, L2) с металлом, магнитное поле меняется, происходит срыв генерации, компаратор запускается, светодиод загорается. Пьезоизлучатель начинает издавать звук с частотой 1 КГц.
Плюсы и минусы самодельного импульсного металлоискателя “Пират”

Готовый металлоискатель Пират, изготовленный в домашних условиях
Минусы такого прибора ручной сборки очевидны:
- Данный тип металлоискателя не оснащен дискриминацией. И это основной минус для тех, кто занимается поиском исключительно определенного типа металла. МД будет реагировать и на чермет, и на цветмет – режим “все металлы”;
- Проблематично так же определять глубину залегания предмета и его размеры. Хотя этот пункт можно немного скорректировать настройкой.
Но плюсы металлоискателя, собранного в домашних условиях, заставляют пытливые умы и “очумелые ручки” вновь и вновь собирать прибор в спокойно домашней обстановке:
- Первым главным плюсом такого прибора в первую очередь является его стоимость. Все необходимые детали для его изготовления продаются в любом специализированном магазине. Стоят они в основном копейки. Самыми дорогими частями являются переменные резисторы (“крутилки”) и динамик. Но их можно смело снять со старых, ненужных приборов, как впрочем и остальное;
- Различить выпаянные из другой техники детали можно при помощи указанных на них специальных меток (кодов, цветовой маркировки);
- Важным преимуществом самодельного металлодетектора является простота его изготовления. Собирается прибор буквально за несколько часов;
- Использовать такое устройство одно удовольствие! “Пират” не дает ложных срабатываний, имеет неплохую чувствительность и соотношение цена-качество. Практика показывает, что приборный поиск с самодельным металлоискателем является весьма прибыльным делом;
- И если вы не готовы выложить внушительную сумму на покупку готового прибора, обязательно попробуйте собрать его сами!
• • • • •
Самодельный металлоискатель «Пират»: схема и подробное описание сборки
Самоделки на базе металлоискателя серии «Пират» одни из самых востребованных среди радиолюбителей. Благодаря хорошим рабочим качествам прибора, он может «засечь» предмет на глубине от 200 мм (для мелких вещей) и 1500 мм (крупные элементы).
Детали для сборки металлоискателя
Металлодетектор «Пират» является прибором импульсного типа. Для изготовления прибора вам потребуется приобрести:
- Материалы для изготовления корпуса, штанги (можно использовать пластиковую трубу), держателя и так далее.
- Проводы и изоленту.
- Наушники (подойдут от плейера).
- Транзисторы – 3 штуки: ВС557, IRF740, ВС547.
- Микросхемы: К157УД2 и NE
- Керамический конденсатор − 1 нФ.
- 2 плёночных конденсатора − 100 нФ.
- Электролитные конденсаторы: 10 мкФ (16 В) – 2 штуки, 2200 мкФ (16 В) – 1 штука, 1 мкФ (16 В) – 2 штуки, 220 мкФ (16 В) – 1 штука.
- Резисторы – 7 штук на 1; 1,6; 47; 62; 100; 120; 470 кОм и 6 штук на 10, 100, 150, 220, 470, 390 Ом, 2 штуки на 2 Ом.
- 2 диода 1N148.
Схемы металлодетектора для изготовления своими руками
Классическая схема металлоискателя серии «Пират» построена по микросхеме NE555. Работа устройства зависит от компаратора, один выход которого присоединён к генератору импульсов ИМС, второй − к катушке, а выход − к динамику. В случае обнаружения металлических предметов сигнал от катушки поступает на компаратор, а после − на динамик, который оповещает оператора о наличии искомых предметов.
Приёмный узел на микросхеме Пират
Плату можно разместить в простой распределительной коробке, которую возможно купить в магазине электрики. Если вам недостаточно такого инструмента, вы можете попробовать сделать прибор более совершенного плана, в помощь вам схема для изготовления металлоискателя с ориентиром на золото.
Схема сверхчувствительного металлодетектора Пират–4
Как собрать металлоискатель без использования микросхем
В этом устройстве для генерирования сигналов используются транзисторы советского образца КТ-361 и КТ-315 (можно воспользоваться аналогичными радиодеталями).
Как собрать печатную плату металлоискателя своими руками
Импульсный генератор собирается на микросхеме NE555. Через подбор С1 и 2 и R2 и 3 производится регулировка частоты. Полученные в результате сканирования импульсы передаются на транзистор Т1, а он передаёт сигнал транзистору Т2. Усиление звуковой частоты происходит на транзисторе ВС547 к коллектору, и подключаются наушники.
Плата металлоискателя Пират с динамиком
Для размещения радиодеталей используется печатная схема, которую можно легко изготовить самостоятельно. Для этого используем кусок листового гетинакса, покрытого медной электротехнической фольгой. На неё переносим соединяющие детали, размечаем места креплений, просверливаем отверстия. Дорожки покрываем защитным лаком, а после высыхания опускаем будущую плату в хлорное железо для травления. Это необходимо для удаления незащищённых участков медной фольги.
Как сделать катушку для металлоискателя своими руками
Для основы потребуется кольцо с диаметром порядка 200 мм (в качестве основания могут использоваться обычные деревянные пяльцы), на которое наматывается проволока 0,5 мм. Чтобы повысить глубину обнаружения металлов, каркас катушки должен быть в пределах 260−270 мм, а количество витков – 21−22 об. Если у вас нет под рукой ничего подходящего, можно намотать катушку на деревянной основе.
Катушка из медной проволоки на деревянной основе
| Иллюстрация | Описание действия |
| Для намотки приготовьте доску с направляющими. Расстояние между ними равно диаметру основания, на которое вы будете крепить катушку. | |
| Намотайте проволоку по периметру креплений в 20−30 витков. Скрепите обмотку изолентой в нескольких местах. | |
| Снимите обмотку с основания и придайте ей округлую форму, при необходимости скрепите дополнительно обмотку ещё в нескольких местах. | |
| Подсоедините контур к устройству и протестируйте его работу. |
Катушка из витой пары за 5 минут
Нам понадобятся: 1 витая пара 5 cat 24 AVG (2,5 мм), нож, паяльник, припой и мультитестер.
| Иллюстрация | Описание действия |
| Сверните провод в два мотка косичкой. Оставляем по 10 см с каждой стороны. | |
| Зачистите обмотку и освободите жилы для соединения. | |
| Соединяем жилы согласно схеме. | |
| Для лучшего крепления спаяйте их паяльником. | |
| Протестируйте катушку в том же порядке, что и устройство из медной проволоки. Выводы обмотки нужно припаять к многожильному проводу с диаметром в пределах 0,5−0,7 мм. |
Как работает металлодетектор
Техническая реализация принципа действия МИ основывается на применении двух базовых функциональных элементов модульного типа:
- поисковых катушек для генерации первичного электромагнитного поля направленного характера и приема переотраженных вторичных радиосигналов;
- блоков управления для обработки информации от поисковых катушек и выдачи оператору результата обработки.
В зависимости от предназначения МИ, поисковые катушки работают в следующих частотных диапазонах:
- низкочастотном диапазоне в пределах 2,5-6,6 кГц – для выявления золота, серебра, меди и их сплавов на глубине до 4 метров;
- в среднечастотном диапазоне – для поиска металлов любого типа;
- в высокочастотном диапазоне – для поиска алюминия, никеля и обнаружения мелких мишеней на малой глубине.
Параметры магнитного поля, наведенного на поверхности металлической мишени, изменяются следующим образом:
- амплитуда сигнала уменьшается по мере удаления от передатчика;
- фаза наведенного поля определяется удельной электропроводностью металла.
По разнице амплитуды аппаратура МИ вычисляет расстояние до цели, по сдвигу фазы определяется тип металла.
На рис. ниже показана условная схема анализа информации МИ.

Схема анализа информации МИ
Возможные трудности и методы решения
Основной трудностью при работе самодельного металлоискателя выступает отсутствие реакции на металл. Это может быть обусловлено поломкой транзистора, плохим контактом спайки или выходом из строя других мини-деталей сборки.Перегрев прибора – также частая проблема, которая возникает из-за большого сопротивления. Для её решения необходимо установить резистор с меньшим сопротивлением.
Как спрятать телефон от металлоискателя?Если речь идёт о ручном детекторе, то шансы остаться инкогнито есть. Для этого необходимо выключить гаджет и спрятать его подальше. Тут всё будет зависеть от человеческого фактора, который может сыграть вам на руку.А вот пронести телефон через арочный металлоискатель так же невозможно, как и найти металлы через приложения на гаджете
Эффективность поискового прибора из телефона равняется нулю.Любая нелепая попытка остаться незамеченным, завернув телефон в фольгу, не только не увенчается успехом, но и привлечёт пристальное внимание правоохранительных органов
Как сделать своими руками металлоискатель «Терминатор 3»: подробная инструкция
Модель «Терминатор 3» давно пользуется популярностью среди радиолюбителей, и за много лет существования прибор получил много усовершенствований. Предлагаем пошаговую инструкцию, как самому сделать металлоискатель в домашних условиях. Прибор отличается низким энергопотреблением, возможна настройка на поиск определённых типов металла и неплохие глубинные характеристики.
Внешний вид электронного блока управления
Инструменты
Перед тем как сделать самодельный металлоискатель, нужно подготовить следующие инструменты:
- паяльник или паяльная станция;
- припой, олово, канифоль;
- пассатижи, круглогубцы, бокорезы;
- набор отвёрток;
- ножовка по металлу;
- осциллографии и другие контрольно-измерительные приборы.
Набор инструментов для радиолюбителя
Схема, подбор деталей и монтажная плата
Для изготовления блока управления необходимо сделать монтажную плату, на которой будут размещаться все необходимые радиокомпоненты. Схему, представленную ниже, нужно перенести на гетинаксовую пластину с покрытием из медной фольги и изготовить монтажную плату таким же образом, как описано выше в статье для металлодетектора «Пират». Размер схемы должен быть в пределах 104×66 мм, а заготовка для платы на 10 мм больше с каждой стороны.
Принципиальная схема металлоискателя «Терминатор 3»Перечень необходимых радиодеталейПечатная плата металлоискателя
Как подготовить печатную плату для металлоискателя подробно расскажем в пошаговой инструкции:
Катушка металлоискателя
Это, собственно, самая чувствительная часть прибора. Она отвечает за сканирование пространства под землей. Рассмотрим этапы создания простой катушки для металлоискателя:
| Иллюстрация | Описание процесса |
| На куске фанеры очерчиваем два круга, соответствующих диаметрам катушек – внутренне и наружной. Вбиваем по периметру окружности гвозди.
Диаметр внешней обмотки TX должен быть в пределах 200 мм. Катушка делается из двух сложенных проводов. Наматываем на гвозди 30 витков. |
|
| Перевязываем обмотку по окружности нитками. Вытаскиваем гвозди, полученную катушку покрываем лаком, и после того как он высохнет, обматываем изолентой и фольгой.
Точно таким же образом изготавливаем внутреннюю обмотку RX, которая в два раза меньше TX и содержит 48 витков проволоки. |
|
| Помещаем катушки в корпус и проводим распайку проводов, которые будут присоединены к блоку управления. | |
| Вот так будет выглядеть готовая рамка металлоискателя. |
Самодельный металлоискатель: подробное описание схемы сборки и настройка
Подробно этапы сборки платы и основные элементы металлоискателя мы рассматривали ранее, сейчас нам предстоят самые последние и ответственные шаги: сборка корпуса и настройка прибора.
Предлагаемое видео поможет с настройкой металлодетектора.
Принцип работы
Проходя через катушку индуктивности, электрический ток генерирует вокруг нее магнитное поле. А колебания значений поля создают уже поле электрическое. По закону Фарадея изменения электрического поля создают разность потенциалов.
Последняя благодаря свойству индуктивности катушки активно препятствует изменениям магнитного поля: свойство не дает нарастать току. Для измерения индуктивности служит системная единица Генри, вычисляемая по формуле:
Где:
- L — значение индуктивности в Генри;
- μο — магнитная проницаемость;
- N — количество витков катушки;
- A — площадь сечения провода;
- L — длина намотанного на катушку провода в метрах.
При наличии металла рядом с катушкой индуктивность меняется:
- немагнитные металлы ее снижают;
- магнитные, наподобие железа — увеличивают.
На этом свойстве основаны селективные металлоискатели, способные по изменению индуктивности определять тип попавшего в поле действие металла. Реализация такой дискриминации требует высокочувствительной катушки с большим числом витков, соответствующего контроллера и прошивки. Поэтому недорогие модели (в том числе DIY) свойство селективности обычно не поддерживают, но встречаются и варианты с ней. У образцов на Ардуино дискриминация встречается редко, хотя существуют схемы так называемых пинпойнтеров — способных различать металлы на небольших расстояниях детекторов.
Уровень индуктивности зависит от сердечника. Бессердечниковые катушки с небольшим количеством витков имеют сравнительно невысокую итоговую чувствительность.

Для получения высоких значений нужны варианты на ферритовом сердечнике и с несколькими десятками (а лучше — сотнями) витков.

Но при создании простого бытового детектора достаточно и катушки первого типа. Ее можно сделать, намотав 30–40 витков на подходящий предмет — например, пустую пластиковую «шайбу» от изоленты.






