Содержание
Краткое резюме
В этой статье мы с вами рассмотрели только небольшую часть огромного ассортимента всевозможных устройств, расширяющих функциональность ардуино. Платы расширения позволяют сосредоточиться на самом главном – логике вашей программы. Создатели шилдов предусмотрели правильный и надежный монтаж, необходимый режим питания. Все, что вам остается, это найти нужную плату, используя заветное английское слово shield, подключить ее к ардуино и загрузить скетч. Обычно любое программирование шилда заключается в выполнении простых действий по переименованию внутренних переменных уже готовой программы. В итоге мы получаем удобство в использовании и подключении, а также быстроту сборки готовых устройств или прототипов.
Минусом использования плат расширения можно назвать их стоимость и возможный потери эффективности из-за универсальности шилдов, лежащей в их природе. Для вашей узкой задачи или конечного устройства все функции шилда могут быть не нужны. В таком случае стоит использовать шилд только на этапе макетирования и тестирования, а при создании финального варианта своего устройства задуматься о замене конструкцией с собственной схемой и типом компоновки. Решать вам, все возможности для правильного выбора у вас есть.
Питание[]
Arduino Mega 2560 может получать питание либо через подключение USB, либо от внешнего источника питания. Источник питания выбирается автоматически.
Внешнее (не USB) питание может подаваться либо от AC/DC адаптера, либо от батареи. Адаптер может быть подключен с помощью 2,1 мм разъема питания с положительным контактом в центре. Питание от батареи может быть подано на выводы Vin и GND разъема POWER.
Плата может работать от внешнего питания от 6 до 20 вольт. Если подается питание меньше, чем 7 вольт, то на выводе 5V питание может составлять менее пяти вольт, и плата может начать работать нестабильно. Если используется питание более 12В, регулятор напряжения может перегреться и повредить плату. Рекомендуется использовать напряжение питания в диапазоне от 7 до 12 вольт.
Выводы питания:
- Vin. Вход питания платы при использовании внешнего источника питания (используется при отсутствии 5 вольт от USB подключения или от другого регулируемого источника питания). Вы можете подать питание через этот вывод, или, если напряжение питания подается через разъем питания, то это напряжение 5В будет доступно и на этом выводе.
- 5V. С этого вывода можно взять регулируемое напряжение 5В с выхода регулятора на плате. Плата может питаться через разъем питания (7–12В), через USB разъем (5В) или через вывод Vin на плате (7–12В). Подача напряжения через выводы 5V и 3.3V обходит регулятор и может повредить плату. Поэтому не советуем подавать питание на плату через эти выводы.
- 3V3. Питание 3,3 вольта, выдаваемое регулятором на плате. Максимальный ток 50 мА.
- GND. Выводы земли.
- IOREF. Этот вывод обеспечивает опорное напряжение, с которым работает микроконтроллер. Правильно, сконфигурированная плата расширения, может прочитать напряжение на выводе IOREF и выбрать подходящий источник питания или перевести буферы выходов для работы с напряжением либо 5В, либо 3,3В.
Память
ATmega2560 обладает 256 килобайтами флэш-памяти для хранения кода программы (из которых 8 килобайт используется загрузчиком), 8 килобайтами SRAM и 4 килобайтами EEPROM (которая может быть считана и записана с помощью библиотеки EEPROM).
Плата Arduino Uno R3
Устройство построено на микроконтроллере АTmega16U2 и имеет повышенный уровень помехоустойчивости по цепи сброса.

Устройство отличается от предыдущей версии лишь тем, что в этом случае не используется интерфейс USB-UART FTDI при подключении к компьютеру. Эту задачу выполняет выполняет сам микроконтроллер ATmega 16U2.

Изменения распиновки платы выглядят следующим образом:
- Возле вывода AREF добавлены два пина: SDA, SCL.
- Возле пина RESET также добавлены два вывода: IOREF, позволяющий подключать платы расширения с подстройкой под необходимое напряжение; второй вывод не используется и находится в резерве.
ATmega2560-Arduino Pin Mapping
Below is the pin mapping for the Atmega2560. The chip used in Arduino 2560. There are pin mappings to Atmega8 and Atmega 168/328 as well.
Arduino Mega 2560 PIN diagram
Arduino Mega 2560 PIN mapping table
| Pin Number | Pin Name | Mapped Pin Name |
|---|---|---|
| 1 | PG5 ( OC0B ) | Digital pin 4 (PWM) |
| 2 | PE0 ( RXD0/PCINT8 ) | Digital pin 0 (RX0) |
| 3 | PE1 ( TXD0 ) | Digital pin 1 (TX0) |
| 4 | PE2 ( XCK0/AIN0 ) | |
| 5 | PE3 ( OC3A/AIN1 ) | Digital pin 5 (PWM) |
| 6 | PE4 ( OC3B/INT4 ) | Digital pin 2 (PWM) |
| 7 | PE5 ( OC3C/INT5 ) | Digital pin 3 (PWM) |
| 8 | PE6 ( T3/INT6 ) | |
| 9 | PE7 ( CLKO/ICP3/INT7 ) | |
| 10 | VCC | VCC |
| 11 | GND | GND |
| 12 | PH0 ( RXD2 ) | Digital pin 17 (RX2) |
| 13 | PH1 ( TXD2 ) | Digital pin 16 (TX2) |
| 14 | PH2 ( XCK2 ) | |
| 15 | PH3 ( OC4A ) | Digital pin 6 (PWM) |
| 16 | PH4 ( OC4B ) | Digital pin 7 (PWM) |
| 17 | PH5 ( OC4C ) | Digital pin 8 (PWM) |
| 18 | PH6 ( OC2B ) | Digital pin 9 (PWM) |
| 19 | PB0 ( SS/PCINT0 ) | Digital pin 53 (SS) |
| 20 | PB1 ( SCK/PCINT1 ) | Digital pin 52 (SCK) |
| 21 | PB2 ( MOSI/PCINT2 ) | Digital pin 51 (MOSI) |
| 22 | PB3 ( MISO/PCINT3 ) | Digital pin 50 (MISO) |
| 23 | PB4 ( OC2A/PCINT4 ) | Digital pin 10 (PWM) |
| 24 | PB5 ( OC1A/PCINT5 ) | Digital pin 11 (PWM) |
| 25 | PB6 ( OC1B/PCINT6 ) | Digital pin 12 (PWM) |
| 26 | PB7 ( OC0A/OC1C/PCINT7 ) | Digital pin 13 (PWM) |
| 27 | PH7 ( T4 ) | |
| 28 | PG3 ( TOSC2 ) | |
| 29 | PG4 ( TOSC1 ) | |
| 30 | RESET | RESET |
| 31 | VCC | VCC |
| 32 | GND | GND |
| 33 | XTAL2 | XTAL2 |
| 34 | XTAL1 | XTAL1 |
| 35 | PL0 ( ICP4 ) | Digital pin 49 |
| 36 | PL1 ( ICP5 ) | Digital pin 48 |
| 37 | PL2 ( T5 ) | Digital pin 47 |
| 38 | PL3 ( OC5A ) | Digital pin 46 (PWM) |
| 39 | PL4 ( OC5B ) | Digital pin 45 (PWM) |
| 40 | PL5 ( OC5C ) | Digital pin 44 (PWM) |
| 41 | PL6 | Digital pin 43 |
| 42 | PL7 | Digital pin 42 |
| 43 | PD0 ( SCL/INT0 ) | Digital pin 21 (SCL) |
| 44 | PD1 ( SDA/INT1 ) | Digital pin 20 (SDA) |
| 45 | PD2 ( RXDI/INT2 ) | Digital pin 19 (RX1) |
| 46 | PD3 ( TXD1/INT3 ) | Digital pin 18 (TX1) |
| 47 | PD4 ( ICP1 ) | |
| 48 | PD5 ( XCK1 ) | |
| 49 | PD6 ( T1 ) | |
| 50 | PD7 ( T0 ) | Digital pin 38 |
| 51 | PG0 ( WR ) | Digital pin 41 |
| 52 | PG1 ( RD ) | Digital pin 40 |
| 53 | PC0 ( A8 ) | Digital pin 37 |
| 54 | PC1 ( A9 ) | Digital pin 36 |
| 55 | PC2 ( A10 ) | Digital pin 35 |
| 56 | PC3 ( A11 ) | Digital pin 34 |
| 57 | PC4 ( A12 ) | Digital pin 33 |
| 58 | PC5 ( A13 ) | Digital pin 32 |
| 59 | PC6 ( A14 ) | Digital pin 31 |
| 60 | PC7 ( A15 ) | Digital pin 30 |
| 61 | VCC | VCC |
| 62 | GND | GND |
| 63 | PJ0 ( RXD3/PCINT9 ) | Digital pin 15 (RX3) |
| 64 | PJ1 ( TXD3/PCINT10 ) | Digital pin 14 (TX3) |
| 65 | PJ2 ( XCK3/PCINT11 ) | |
| 66 | PJ3 ( PCINT12 ) | |
| 67 | PJ4 ( PCINT13 ) | |
| 68 | PJ5 ( PCINT14 ) | |
| 69 | PJ6 ( PCINT 15 ) | |
| 70 | PG2 ( ALE ) | Digital pin 39 |
| 71 | PA7 ( AD7 ) | Digital pin 29 |
| 72 | PA6 ( AD6 ) | Digital pin 28 |
| 73 | PA5 ( AD5 ) | Digital pin 27 |
| 74 | PA4 ( AD4 ) | Digital pin 26 |
| 75 | PA3 ( AD3 ) | Digital pin 25 |
| 76 | PA2 ( AD2 ) | Digital pin 24 |
| 77 | PA1 ( AD1 ) | Digital pin 23 |
| 78 | PA0 ( AD0 ) | Digital pin 22 |
| 79 | PJ7 | |
| 80 | VCC | VCC |
| 81 | GND | GND |
| 82 | PK7 ( ADC15/PCINT23 ) | Analog pin 15 |
| 83 | PK6 ( ADC14/PCINT22 ) | Analog pin 14 |
| 84 | PK5 ( ADC13/PCINT21 ) | Analog pin 13 |
| 85 | PK4 ( ADC12/PCINT20 ) | Analog pin 12 |
| 86 | PK3 ( ADC11/PCINT19 ) | Analog pin 11 |
| 87 | PK2 ( ADC10/PCINT18 ) | Analog pin 10 |
| 88 | PK1 ( ADC9/PCINT17 ) | Analog pin 9 |
| 89 | PK0 ( ADC8/PCINT16 ) | Analog pin 8 |
| 90 | PF7 ( ADC7/TDI ) | Analog pin 7 |
| 91 | PF6 ( ADC6/TDO ) | Analog pin 6 |
| 92 | PF5 ( ADC5/TMS ) | Analog pin 5 |
| 93 | PF4 ( ADC4/TCK ) | Analog pin 4 |
| 94 | PF3 ( ADC3 ) | Analog pin 3 |
| 95 | PF2 ( ADC2 ) | Analog pin 2 |
| 96 | PF1 ( ADC1 ) | Analog pin 1 |
| 97 | PF0 ( ADC0 ) | Analog pin 0 |
| 98 | AREF | Analog Reference |
| 99 | GND | GND |
| 100 | AVCC | VCC |
Входы и выходы[]
Каждый из 54 цифровых выводов Arduino Mega может быть использован и как вход, и как выход, с помощью функций , и . Они работают с напряжением 5 вольт. Каждый вывод может пропускать ток 20 мА (рекомендуемое) и имеет внутренний подтягивающий резистор (по умолчанию отключен) 20–50 кОм. Ток не должен превышать максимальное значение, равное 40 мА, чтобы избежать повреждения микроконтроллера.
Порты ввода/вывода
последовательный порт: 0 (RX) и 1 (TX); последовательный порт 1: 19 (RX) и 18 (TX); последовательный порт 2: 17 (RX) и 16 (TX); последовательный порт 3: 15 (RX) и 14 (TX). Выводы используются для приема (RX) и передачи (TX) последовательных данных с TTL уровнями. Выводы 0 и 1 также подключены к соответствующим выводам преобразователя USB–TTL на ATmega16U2;
внешние прерывания: 2 (прерывание 0), 3 (прерывание 1), 18 (прерывание 5), 19 (прерывание 4), 20 (прерывание 3) и 21 (прерывание 2). Эти выводы могут быть сконфигурированы для вызова прерывания по фронту или по спаду импульса или по изменению уровня на выводе. Смотрите работу с прерываниями на Arduino для более подробной информации;
ШИМ: выводы со 2 по 13 и с 44 по 46. Обеспечивают 8-битный ШИМ выход с помощью функции ;
SPI: 50 (MISO), 51 (MOSI), 52 (SCK), 53 (SS). Эти выводы поддерживают связь через SPI с помощью соответствующей библиотеки. SPI выводы также подключены к разъему ICSP, который физически совместим с платами Arduino/Genuino Uno и старыми платами Arduino Duemilanove и Diecimila;
светодиод: 13. Встроенный светодиод подключен к цифровому выводу 13. При высоком уровне на выводе светодиод загорается, при низком – гаснет;
TWI: 20 (SDA) и 21 (SCL). Поддерживают связь через TWI с помощью библиотеки
Обратите внимание, что эти выводы не совпадают по расположению с аналогичными выводами на старых платах Arduino Duemilanove и Diecimila.
- Arduino Mega 2560 обладает 16 аналоговыми входами, каждый из которых обеспечивает 10-битное разрешение (т.е. 1024 разных значений). По умолчанию они измеряют напряжение от 0 до 5 вольт, хотя можно изменить верхнюю границу их диапазона, используя вывод AREF и функцию . И еще пара выводов на плате:
- AREF. Опорное напряжение для аналоговых входов. Используется совместно с ;
- Reset. Низкий уровень на этом выводе приводит к перезагрузке микроконтроллера. Обычно используется для добавления кнопки сброса на платы расширения, закрывающей доступ к кнопке сброса на самой плате Arduino.

Arduino Mega 2560: прошивка, память
Прошивка выполняется в среде Arduino IDE. Советуем вам ознакомиться с аналогом оригинальной платы Arduino Mega 2560 от китайской компании RobotDyn. Данная платформа ничем не отличается по своим характеристикам от оригинала, но при этом позволяет значительно сэкономить финансы. Это лишь краткий обзор платы, если требуется более подробное описание, то обратитесь к сайту производителя.
Плата поддерживает три типа памяти:
Flash – память объемом 256 КБ, используется для хранения программ, которые пользователь загружает в микроконтроллер.
SRAM память — это оперативная память, где хранятся переменные, создаваемые в скетче. При отключении питания все данные из памяти удалятся.
EEPROM — энергонезависимая память объемом 4 КБ позволяет сохранять данные, которые не удалятся при выключении питания.
Чип Atmega2560
Atmega2560 – это очень мощный чип. В распоряжении разработчика целых 256 кб Flash (в ардуино 8 кб занимает загрузчик), 8 кб SRAM и 1 кб EEPROM. Работает ардуино с таким сердцем на частоте 16 мГц, впрочем, как и младшие платы – UNO и многие другие.
Питание платы может осуществляться как от круглого разъёма питания 2.1 мм с плюсом по центру, так и от USB порта, источник выбирается автоматически.
Стоит отметить, что при напряжении питания 7-20 вольт, плата работает отлично, а при меньшем, например, 5 вольт, могут возникнуть ситуации с нестабильной работой. Примите это к сведению.
Распиновка процессора
Ниже диаграмма распиновка чипа, для увеличения — нажмите на изображение:

В качестве источника годятся, как сетевые AC/DC преобразователи, такие как для светодиодной ленты (12 В), например, отлично подойдут, так и батареи аккумуляторов или одна ячейка Li-ion аккумулятора с повышающим преобразователем до нужных значений напряжения.
Как преодолеть аппаратные ограничения
Большинство распространённых плат имеют аналогичные характеристики, среди них:
- Uno;
- Nano;
- Pro mini;
- и подобные.
Но с развитием ваших навыков разработки в этой среде появляется проблема нехватки мощности и быстродействия этой платформы. Первым шагом для преодоления ограничений является использование языка C AVR.
С его помощью вы ускорите на порядок скорость обращения к портам, частоту ШИМ и размер кода. Если вам и этого недостаточно, то вы можете воспользоваться мощными моделями с аналогичным подходом к разработке. Для этого подойдёт плата Arduino Mega2560. Еще более мощная – модель Due. В противном случае вам стоит ознакомиться с разновидностями одноплатных компьютеров и STM микроконтроллеров.
Ардуино Uno R3 – отличная плата для большинства проектов, которая служит для изучения устройств цифровой электроники.
Arduino Mega 2560 R3
Ардуино Мега 2560 снабжена микроконтроллером ATmega2560 с тактовой частотой 16 мГц.
Характеристики Ардуино Мега 2560
- Микроконтроллер: ATmega2560
- Тактовая частота: 16 мГц
- Рабочее напряжение: 5 В
- Предельные напряжения питания: 5-20 В
- Рекомендуемое напряжение питания: 7-12 В
- Максимальная сила тока с одного вывода: 40 мА
- Цифровые входы/выходы: 54
- Цифровые входы/выходы с поддержкой ШИМ: 15
- Аналоговые входы: 16
- Flash-память: 256 КБ (8 из них используются загрузчиком)
- SRAM: 8 КБ
- EEPROM: 4 КБ
Подключение Arduino Mega 2560 к питанию
Эту плату можно питать четырьмя разными способами:
Через порт USB. Можно питать ардуино от компьютера, powerbank, смартфона (если он поддерживает режим OTG) или от адаптера, вставленного в розетку.
Через пин +5V. Этот пин является не только выводом, но и вводом. Будьте внимательны! На этот пин нужно подавать ровно 5 вольт. В противном случае можно спалить сам микроконтроллер.
Через штекер питания, расположенный на плате. Можно использовать, батарейки, аккумуляторы и разнообразные блоки питания. Этот штекер подключен к пину VIN
О напряжении и мерах предосторожности написано в следующем пункте.
Через пин VIN. Ток от этого пина проходит через встроенный стабилизатор напряжения
По заявлениям производителя можно подавать от 5 до 20 вольт. Но это не совсем так. Так как стабилизатор имеет не 100% КПД, то при подаче 5 вольт на пин VIN напряжения может не хватить на питание микроконтроллера, да и на цифровых пинах будет не 5 вольт, а меньше. Также не стоит работать на максимальном напряжении. При 20 вольтах на пине VIN будет сильно греться стабилизатор напряжения, вплоть до выхода из строя. Поэтому рекомендуется использовать напряжение от 7 до 12 вольт.
Arduino Mega 2560 Pinout

- Each pin comes with a specific function associated with it. All analog pins can be used as digital I/O pins.
- Designing of a project using Arduino Mega gives you the flexibility of working with more memory space and processing power that allows you to work with a number of sensors at once. This board is physically larger than other Arduino boards.
Arduino Mega 2560 Pin Description
- 5V & 3.3V. This pin is used to provide output regulated voltage around 5V. This regulated power supply powers up the controller and other components on the board. It can be obtained from Vin of the board or USB cable or another regulated 5V voltage supply. While another voltage regulation is provided by 3.3V pin. Maximum power it can draw is 50mA.
- GND. There are 5 ground pins available on the board which makes it useful when more than one ground pins are required for the project.
- Reset. This pin is used to reset the board. Setting this pin to LOW will reset the board.
- Vin. It is the input voltage supplied to the board which ranges from 7V to 20V. The voltage provided by the power jack can be accessed through this pin. However, the output voltage through this pin to the board will be automatically set up to 5V.
- Serial Communication. RXD and TXD are the serial pins used to transmit and receive serial data i.e. Rx represents the transmission of data while Tx used to receive data. There are four combinations of these serial pins are used where Serail 0 contains RX(0) and TX(1), Serial 1 contains TX(18) and RX(19), Serial 2 contains TX(16) and RX(17), and Serial 3 contains TX(14) and RX(15).
- External Interrupts. Six pins are used for creating external interrupts i.e interrupt 0(0), interrupt 1(3), interrupt 2(21), interrupt 3(20), interrupt 4(19), interrupt 5(18). These pins produce interrupts by a number of ways i.e. providing LOW value, rising or falling edge or changing value to the interrupt pins.
- LED. This board comes with built-in LED connected to digital pin 13. HIGH value at this pin will turn the LED on and LOW value will turn it off. This gives you the change of nursing your programming skills in real time.
- AREF. AREF stands for Analog Reference Voltage which is a reference voltage for analog inputs.
- Analog Pins. There are 16 analog pins incorporated on the board labeled as A0 to A15. It is important to note that all these analog pins can be used as digital I/O pins. Each analog pin comes with 10-bit resolution. These pins can measure from ground to 5V. However, the upper value can be changed using AREF and analogReference() function.
- I2C. Two pins 20 and 21 support I2C communication where 20 represents SDA (Serial Data Line mainly used for holding the data) and 21 represents SCL(Serial Clock Line mainly used for providing data synchronization between the devices)
- SPI Communication. SPI stands for Serial Peripheral Interface used for the transmission of data between the controller and other peripherals components. Four pins i.e. 50 (MISO), 51 (MOSI), 52 (SCK), 53 (SS) are used for SPI communication.
Arduino Mega 2560 Dimensions
Follwoing figure shows the dimensions of the Arduino Mega 2560:

Arduino Mega is comparatively larger than other boards available in the market. It comes 4-inch length and 2.1-inch width. However, USB port and power jack are slightly extended from the given dimensions.
Atmega2560 чип платы Arduino MEGA 2560
Atmega2560 – это очень мощный чип. В распоряжении разработчика целых 256 кб Flash (в ардуино 8 кб занимает загрузчик), 8 кб SRAM и 1 кб EEPROM. Работает ардуино с таким сердцем на частоте 16 мГц, впрочем, как и младшие платы – UNO и многие другие.
Питание платы может осуществляться как от круглого разъёма питания 2.1 мм с плюсом по центру, так и от USB порта, источник выбирается автоматически. Стоит отметить, что при напряжении питания 7-20 вольт, плата работает отлично, а при меньшем, например, 5 вольт, могут возникнуть ситуации с нестабильной работой. Примите это к сведению.
Распиновка процессора
Ниже диаграмма распиновка чипа, для увеличения — нажмите на изображение:
В качестве источника годятся, как сетевые AC/DC преобразователи, такие как для светодиодной ленты (12 В), например, отлично подойдут, так и батареи аккумуляторов или одна ячейка Li-ion аккумулятора с повышающим преобразователем до нужных значений напряжения.
Сердце платы
Итак, что бы взять такого необычного (ведь на банальщине типа STM32F103 не интересно будет, такого добра и у китайцев хватает) и то, что есть «под рукой». А есть семплы К1986ВЕ4У1! Вполне пригодно. 🙂
Краткие характеристики:
- ARM Cortex-M0, 36 МГц;
- 128 Кбайт Flash-памяти;
- 16 Кбайт ОЗУ;
- 36 пользовательских линий ввода-вывода;
- 2 блока 16-ти разрядных таймеров с 4 каналами захвата событий и ШИМ;
- 2 * UART;
- 1 * SPI;
- 4 источника тактирования (HSE, HSI, LSE, LSI) + PLL;
- Блок подсчета CRC с изменяемым полиномом;
- 2 сторожевых таймера;
- 8 каналов 12-битных АЦП;
- 8 каналов 24-битных независимых ∑∆ АЦП;
- корпус 5153.64-1.
Более подробно можно прочесть всё в .
Программирование на Ардуино про мини
Используется стандартная среда разработки Arduino IDE
Используется стандартная среда разработки Arduino IDE. После того как устройство подключено к компьютеру, нужно правильно выбрать плату в списке. Главное не перепутать Ардуино на 3,3 В и на 5 В. Какая именно используется, должно быть написано на корпусе.
В пункте Serial Port выбирается нужный порт, к которому подключена плата. Затем можно загружать на плату программу, путем нажатия на кнопку Upload.
Загрузка может длиться долго и в итоге выдать ошибку. Чтобы ее избежать, во время заливки скетча нужно нажать кнопку reset, когда появится надпись Binary sketch size: xxx bytes. Во время загрузки на плате будут загораться светодиодные индикаторы. После заливки скетча нужно отсоединить микроконтроллер и подать на него напряжение.
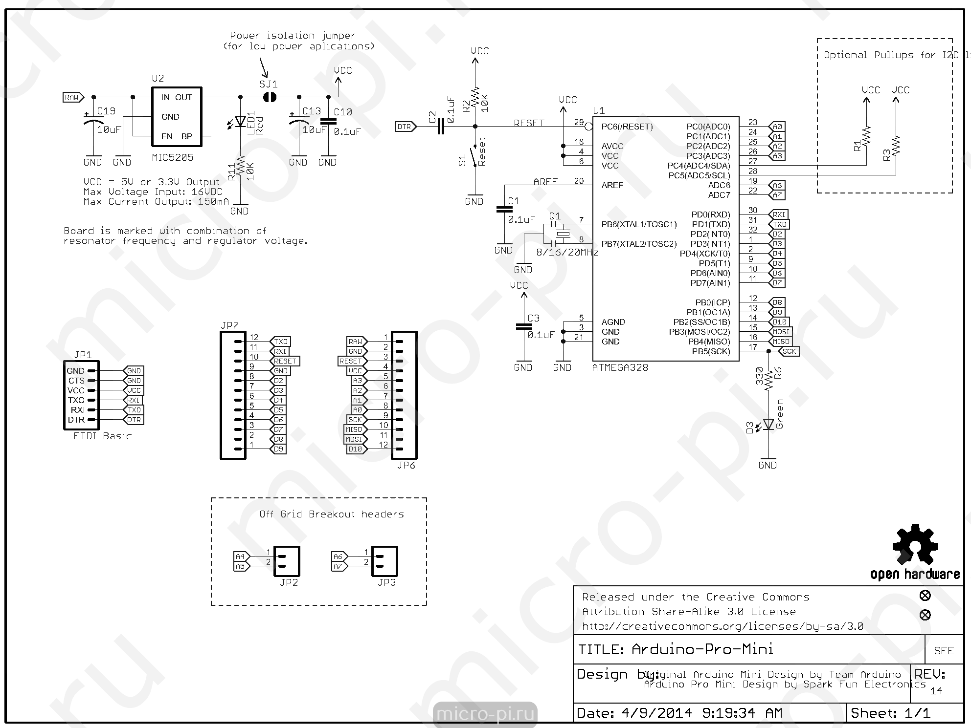
Схема и распиновка Pro Mini
Принципиальная схема платы Ардуино изображена ниже.
Схема и распиновка Pro Mini
Пинов у микроконтроллера 14, каждый из которых может настраиваться как вход или выход. Выводы помечены цифровым номером, аналоговые имеют маркировку А. Рабочее напряжение – 3,3 В или 5 В.
Назначение пинов:
- Последовательная шина – 0 и 1 (RX, TX). Предназначены для приема и передачи данных.
- Внешнее прерывание – 2 и 3. Могут использоваться для вызова прерывания.
- ШИМ выводы – 3, 5, 6, 9, 10, 11.
- SPI – 10 (SS), 11 (MOSI), 12 (MISO), 13 (SCK).
- Светодиодный индикатор – 13.
6 аналоговых контактов имеют разрешение 10 бит. Некоторые выводы имеют дополнительный функционал:
I2C – A4 (SDA), A5 (SCL).
Также плата оснащена дополнительным выводом Reset. При низком уровне перезагружает микроконтроллер.
Распиновка Arduino Pro Mini
Каждый из 14 цифровых выводов Pro, используя функции , , и , может настраиваться как вход или выход. Выводы работают при напряжении 3,3 В. Каждый вывод имеет нагрузочный резистор (стандартно отключен) 20-50 кОм и может пропускать до 40 мА. Некоторые выводы имеют особые функции:
- Последовательная шина: 0 (RX) и 1 (TX). Выводы используются для получения (RX) и передачи (TX) данных TTL. Данные выводы имеют соединение с выводами TX-0 и RX-1 блока из шести выводов.
- Внешнее прерывание: 2 и 3. Данные выводы могут быть сконфигурированы на вызов прерывания либо на младшем значении, либо на переднем или заднем фронте, или при изменении значения. Подробная информация находится в описании функции .
- ШИМ: 3, 5, 6, 9, 10, и 11. Любой из выводов обеспечивает ШИМ с разрешением 8 бит при помощи .
- SPI: 10 (SS), 11 (MOSI), 12 (MISO), 13 (SCK). Посредством данных выводов осуществляется связь SPI, которая, хотя и поддерживается аппаратной частью, не включена в язык Arduino.
- LED: 13. Встроенный светодиод, подключенный к цифровому выводу 13. Если значение на выводе имеет высокий потенциал, то светодиод горит.
На платформе Pro Mini установлены 6 аналоговых входов, каждый разрешением 10 бит (т.е. может принимать 1024 различных значения). Четыре из них расположены на краю платформы, а другие два (входы 4 и 5) ближе к центру. Измерение происходит относительно земли до значения VCC. Некоторые выводы имеют дополнительные функции:
I2C: A4 (SDA) и A5 (SCL). Посредством выводов осуществляется связь I2C (TWI), для создания которой используется библиотека Wire.
Существует дополнительный вывод на платформе:
Reset. Низкий уровень сигнала на выводе перезагружает микроконтроллер. Обычно применяется для подключения кнопки перезагрузки на плате расширения, закрывающей доступ к кнопке на самой плате Arduino.
Расширение возможности на Ардуино
Одной из возможностей умного дома является визуализация состояния автоматики и проходящих в системе процессов. Для этого рекомендуется применять отдельный сервер, обеспечивающий обработку состояний (может применяться программа Node.js).

Упомянутая программная технология применяется для решения интернет-задач, поэтому для визуализации «Умного дома» используется язык Java Script (именно с его помощью создается обработчик и сервер). Результаты можно увидеть на экране компьютера или ПК.

Для реализации задуманного подойдет ноутбук, обычный ПК или Raspberry Pi. Применение такой системы позволяет увеличить ее возможности. Так, если на плате Ардуино имеется небольшой объем памяти, на сервере такие ограничения отсутствуют. Программа пишется таким образом, чтобы обеспечить полное управление платформой.
При желании можно задать алгоритм, который будет фиксировать факт нахождения человека в доме, и собирать эту информацию. Если владелец ежедневно возвращается где-то к 17.30, за час может быть включен бойлер или отопительные устройства. По приходу домой человек попадает в теплое здание с горячей водой.
Программа может запомнить время, когда владелец ложится отдыхать и отключать нагрев воды. Таких нюансов, которые при необходимости вносятся в программу, множество. Именно наличие внешнего ПК дает большие возможности контроллеру на Ардуино.
Что такое Arduino?
Ардуино (Arduino) — специальный инструмент, позволяющий проектировать электронные устройства, имеющие более тесное взаимодействие с физической средой в сравнении с теми же ПК, фактически не выходящими за пределы виртуальной реальности.
В основе платформы лежит открытый код, а само устройство построено на печатной плате с «вшитым» в ней программным обеспечением.
Другими словами, Ардуино — небольшое устройство, обеспечивающее управление различными датчиками, системами освещения, принятия и передачи данных.
В состав Arduino входит микроконтроллер, представляющий собой собранный на одной схеме микропроцессор. Его особенность — способность выполнять простые задачи. В зависимости от модели устройство Ардуино может комплектоваться микроконтроллерами различных типов.
Существует несколько моделей плат, самые распространённые из них – UNO, Mega 2560 R3.
Не менее важная особенность печатной платы заключается в наличии 22 выводов, которые расположены по периметру изделия. Они бывают аналоговыми и цифровыми.
Особенность последних заключается в управлении с помощью только двух параметров — логической единицы или нуля. Что касается аналогового вывода, между 1 и 0 имеется много мелких участков.
Сегодня Arduino используется при создании электронных систем, способных принимать информацию с различных датчиков (цифровых и аналоговых).
Устройства на Ардуино могут работать в комплексе с ПО на компьютере или самостоятельно.
Что касается плат, их можно собрать своими руками или же приобрести готовое изделие. Программирование Arduino производится на языке Wiring.
ЧИТАЙТЕ ПО ТЕМЕ: Умный дом Xiaomi Smart Home, обзор, комплектация, подключение и настройка своими руками, сценарии.
О плате
Ардуино Нано — это аналог Arduino Uno, которая также работает на чипе ATmega328P, но отличается формфактором платы, которая в 2-2,5 раза меньше, чем Уно (53 х 69 мм). Размеры подобны пачке сигарет, и позволяют легко собирать сложные схемы навесным монтажом, но после стадии создания макета идёт сборка действующих экземпляров, а для этого лучше подходит как раз Нано.
Размер Arduino Nano: 19 x 43 мм

Сравнение плат Arduino Uno и Arduino Nano
Отличие такой миниатюрной платы, заключается в отсутствии вынесенного гнезда для внешнего питания, но вместо него с легкостью можно подключиться напрямую к пинам. В плате используется чип FTDI FT232RL для USB-Serial преобразования и примененяется mini-USB кабель для связи с ардуино вместо стандартного. Связь с различными устройствами обеспечивают UART, I2C и SPI интерфейсы.

В остальном, способы взаимодействия и характеристики чипов совпадают с базовой моделью Уно, которая больше подходит для экспериментов, чем для реальных проектов. Нет более насущной проблемы для любителя электроники, чем желание красиво и компактно оформить своё устройство.
Платформа имеет контакты в виде пинов, поэтому ее легко устанавливать на макетную плату. Arduino Nano используется там где важна компактность, а возможностей Mini либо не хватает, либо не хочется заниматься пайкой.
Смотрите по теме: Индикатор уровня воды c помощью Arduino Nano
Итог
Ну и, конечно же, гифки, как оно работает…
Вывод тестового изображения и 50 Гц синусоиды после сброса:

Здесь кстати виден нюанс, что после сброса МК и дисплея соответственно, после его повторной инициализации выводится последнее, что сохранено в RAM памяти дисплея — картинка с синусом.
Еще гифка с сигналом 200 Гц:

Да, и цвета вживую нормальные, соответствуют тестовому изображению, это так на видео получилось, что оттенки расходятся на отдельные цвета и видны полосы обновления матрицы. Вот фото:

По гифкам видно, что скорость обновления невысока, и это ещё на 80 МГц тактовой частоты МК! Также видно, что вывод картинки значительно быстрее, чем отображение буфера АЦП — это вследствие неоптимального алгоритма (масштабирование отнимает немало времени + рисование областями), эта часть требует переработки, а также перевода SPI на DMA, но это уже будет не «плохой пример». 🙂
Краткие выводы
Arduino Uno – отличный вариант платы для создания своих первых проектов и умных устройств. 14 цифровых и 6 аналоговых пинов позволяют подключать разнообразные датчики, светодиоды, двигатели и другие внешние устройства. USB-разъем поможет подключиться к компьютеру для перепрошивки скетча без дополнительных внешних устройств. Встроенный стабилизатор позволяет использовать различные элементы питания с широким диапазоном напряжения, от 6-7 до 12-14 В. В Arduino Uno достаточно удобно реализована работа с популярными протоколами: UART, SPI, I2C. Есть даже встроенный светодиод, которым можно помигать в своем первом скетче. Чего еще желать начинающему ардуинщику?





