Содержание
Печатная плата
Двухсторонняя печатная плата имеет размеры 109 × 23 мм. В бесплатной версии среды проектирования печатных плат Eagle в библиотеке компонентов отсутствуют семисегментные светодиодные индикаторы, поэтому они были нарисованы автором вручную. Как видно на фотографиях (Рисунки 5, 6, 7) авторского варианта печатной платы, дополнительно необходимо выполнить несколько соединений монтажным проводом. Одно соединение на лицевой стороне платы – питание на вывод Vcc микроконтроллера (через отверстие в плате). Еще два соединения на нижней стороне платы, которые используются для подключения выводов сегмента десятичной точки индикаторов в 4 и 7 разряде через резисторы 330 Ом на «землю». Для внутрисхемного программирования микроконтроллера автор использовал 6-выводный разъем (на схеме это разъем изображен в виде составного JP3 и JP4), расположенный в верхней части печатной платы. Этот разъем не обязательно припаивать к плате, микроконтроллер можно запрограммировать любым доступным способом.
![]() |
|
| Рисунок 5. | Расположение светодиодных индикаторов и транзисторных ключей на плате. Видна перемычка монтажным проводом для подачи питания на микроконтроллер |
![]() |
|
| Рисунок 6. | Микроконтроллер Attiny2313, разъем внутрисхемного программирования и перемычки для подключения выводов сегмента десятичной точки индикатора |
![]() |
|
| Рисунок 7. | Вид нижней стороны печатной платы |
Какие приборы можно использовать
Классификация частотомеров
Все данные приборы делятся на две основные группы по области их применения:
- Электроизмерительные. Применяются для бытового или же производственного измерения частоты в цепях переменного тока. Их используют при частотной регулировке оборотов асинхронных двигателей, так как вид частотного измерения оборотов, в этом случае, самый эффективный и распространённый.
- Радиоизмерительные. Нашли применение исключительно в радиотехнике и могут измерять широкий диапазон высокочастотного напряжения.
По конструкции частотомеры делятся на щитовые, стационарные и переносные. Естественно, переносные более компактные, универсальные и мобильные устройства, которые широко применяются радиолюбителями.

Для любого типа частотомера самыми важными характеристиками, на которые, в принципе, и должен обращать внимание человек при покупке, являются:
- Диапазон частот, которые прибор сможет измерить. При планировании работы именно со стандартной промышленной величиной 50 Гц, нужно внимательно ознакомиться с инструкцией, так как не все приборы её смогут увидеть.
- Рабочее напряжение в цепях, в которых будут проходить измерительные работы.
- Чувствительность, эта величина более важна для радиочастотных устройств.
- Погрешность, с которой он может производить замеры.
Мультиметр с функцией измерения частоты переменного тока
Самый распространенный прибор, с помощью которого можно узнать величину частотных колебаний и который находится в свободном широком доступе — это мультиметр
Нужно обращать своё внимание на его функциональные возможности, так как не каждый такой прибор сможет измерить частоту переменного тока в розетке или же другой электрической цепи

Такой тестер выполняется чаще всего очень компактным, для того чтобы в сумке он легко помещался, и был максимально функциональным, измеряющим помимо частоты также напряжение, ток, сопротивление, а иногда даже температуру воздуха, ёмкость и индуктивность. Современный вид мультиметра и его схема основаны чисто на цифровых электронных элементах, для более точного измерения. Состоит такой мультиметр из:
- Жидкокристаллического информативного индикатора для отображения результатов измерения, расположенного, чаще всего, в верхней части конструкции.
- Переключателя, в основном, он выполнен в виде механического элемента, позволяющего быстро перейти от измерения одних величин к другим. Нужно быть очень осторожным, так как, допустим, если измерять напряжение, а переключатель будет стоять на о, то есть сила тока, тогда следствием этого неминуемо будет короткое замыкание, которое приведёт не только к выходу со строя прибора, но может вызвать и термический ожог дугой рук и лица человека.
- Гнезд для щупов. С их помощью непосредственно происходит электрическая связь прибора с измеряемым токопроводящим объектом. Провода не должны иметь потрескиваний и изломов изоляции, особенно это касается их наконечников, которые будут находиться в руках измеряющего.
Хотелось бы также упомянуть о специальных приставках к мультиметру, которые существуют и разработаны специально для того, чтобы увеличить число функций обычного прибора со стандартным набором.
https://youtube.com/watch?v=eTiHxWuvv7w
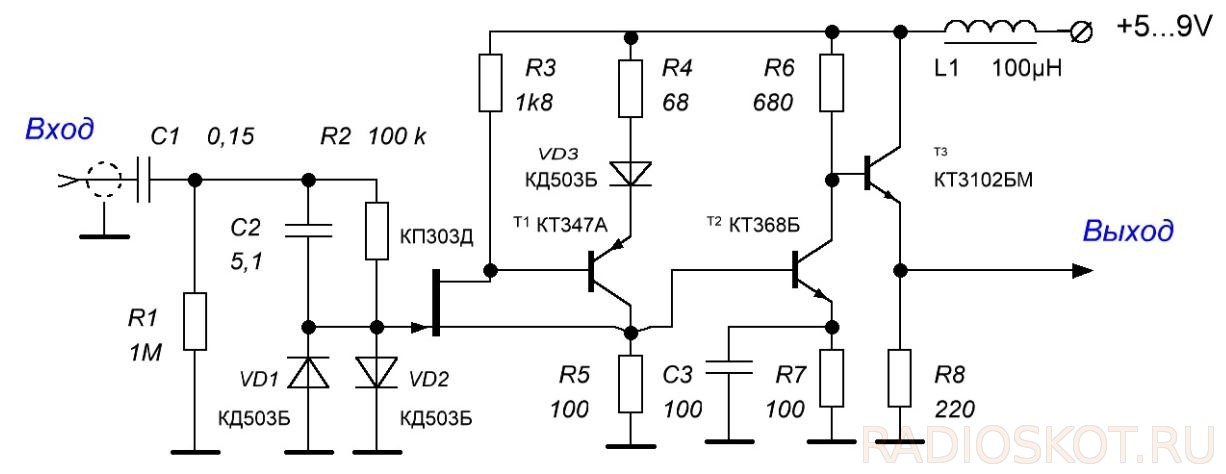
Схема входной цепи
Большое значение при измерениях частоты имеет качество входного каскада — формирователя сигнала. Он должен иметь высокое входное сопротивление чтобы не оказывать влияния на измеряемую цепь и преобразовывать сигналы любой формы в последовательность прямоугольных импульсов. В данной конструкции применена схема согласующего каскада с полевым транзистором на входе:

Эта схема частотомера, конечно, не лучшая из возможных, но всё-таки обеспечивает более-менее приемлемые характеристики. Она была выбрана в основном исходя из общих габаритов конструкции, которая получилась очень компактная. Вся схема собрана в пластиковом корпусе-футляре от зубной щётки:

Микросхемы и прочие элементы запаяны на узкой полоске макетной платы и все соединения сделаны с помощью проводов типа МГТФ. При настройке входного каскада-формирователя сигнала следует подбором сопротивлений R3 и R4 добиться установления напряжения 0,1…0,2 вольт на истоке полевого транзистора. Транзисторы здесь можно заменить на аналогичные, достаточно высокочастотные.
Дисплей
В приборе в качестве дисплея используются семь светодиодных 7-сегментных индикаторов с общим анодом. Если яркость свечения индикаторов будет недостаточной, можно изменить номинал резисторов, ограничивающих ток через сегменты. Однако не забывайте, что величина импульсного тока для каждого вывода микроконтроллера не должна превышать 40 мА (индикаторы тоже имеют свой рабочий ток, о его величине не стоит забывать). На схеме автор указал номинал этих резисторов 100 Ом. Незначимые нули при отображении результата измерения гасятся, что делает считывание показаний более комфортным.
Как выполняется измерение частоты
Перед тем как пользоваться мультиметром, а в частности, частотомером, внимательно нужно ознакомиться ещё раз с теми параметрами, которые он имеет возможность измерять. Для того чтобы правильно произвести их замер нужно освоить несколько этапов:
- Включить прибор соответствующей кнопкой на корпусе, чаще всего она выделена ярким цветом.
- Установить переключатель на измерение частоты переменного тока.
- Взяв в руки два щупа и подключив их, согласно инструкции в соответствующие гнёзда, произведём опробование измерительного устройства. Для начала нужно попробовать узнать частоту напряжения в стандартной сети 220 Вольт, она должна равняться 50 Гц (отклонение может быть в несколько десятых). Эта величина чётко контролируется поставщиком электрической энергии, так как при её изменении могут выйти из строя электроприборы. Поставщик отвечает за качество предоставляемой электроэнергии и строго соблюдает все её параметры. Кстати, такая величина является стандартной не во всех странах. Присоединив выводы частотомера к выводам розетки, на приборе высветится величина около 50 Гц. Если показатель будет отличаться, то это будет его погрешностью и при следующих измерениях это нужно будет обязательно учесть.
Далее, можно смело производить необходимые замеры, помня что частота есть только у переменного вида напряжения, постоянный ток не имеет изменяющегося периодически значения.
Схема приставки контур

Автор статьи схему доработал относительно первоисточника, посему оригинал не прилагаю, плата и файл прошивки в общем архиве. Теперь возьмем неизвестный нам контур — приставка для измерения резонансной частоты контура.

Вставляем в не совсем пока удобную панельку, для проверки девайса сойдет, смотрим результат измерений:

Частотомер калибровался и тестировался на кварцевом генераторе 4 МГц, результат был зафиксирован такой: 4,00052 МГц. В корпусе частотомера решил вывести питание и на приставку +9 Вольт, для этого был сделан простой стабилизатор +5 В, +9 В, его плата на фото:

Забыл добавить, плата частотомера разведена немного к верху задом — для удобства съёма pic микроконтроллера, вращении подстроечного конденсатора, минимальной длины дорожек на LCD.

Теперь частотомер выглядит вот так:



Единственное, не стал исправлять пока ошибку в надписи мгГц, а так всё на 100% рабочее. Сборка и испытание схемы — ГУБЕРНАТОР.
Что чем меряют, какие частотомеры, для чего?
С помощью резонансных частотомеров, вкупе с преобразователями механических колебаний в электрические, обычно измеряется частота механических колебаний.
Посредством электромеханических, электродинамических, электронных, электромагнитных, магнитоэлектрических частотомеров измеряется частота электрических колебаний.
Посредством электронных частотомеров (резонансные, гетеродинные, цифровые и др.) измеряется частота электромагнитных колебаний в диапазоне радиочастот и СВЧ.
В основе действия резонансного частотомера – сравнение частоты, измеряемой с частотой собственных колебаний электрического контура (либо резонатора СВЧ), который настраивается в резонанс с измеряемой частотой. В частотомерах гетеродинных производится сравнение измеряемой величины с известной частотой (либо ее гармониками) гетеродина (образцового генератора). Принцип действия цифровых частотомеров – в подсчете за определенный промежуток времени числа периодов измеряемых колебаний.
При добавлении к электронно-счетному частотомеру соответствующих приставок возможно измерение практически любых электрических величин (напряжения, тока, сопротивления, емкости, индуктивности и др.).
Разрешение и точность измерений
Точность измерений зависит от источника тактовой частоты для микроконтроллера. Сам по себе программный код может вносить погрешность (добавление одного импульса) на высоких частотах, но это практически не влияет на результат измерений. Кварцевый резонатор, который используется в приборе, должен быть хорошего качества и иметь минимальную погрешность. Наилучшим выбором будет резонатор, частота которого делится на 1024, например 16 МГц или 22.1184 МГц. Чтобы получить диапазон измерения до 10 МГц необходимо использовать кварцевый резонатор на частоту 21 МГц и выше (для 16 МГц, как на схеме, диапазон измерений становится немного ниже 8 МГц). Кварцевый резонатор на частоту 22.1184 МГц идеально подходит для нашего прибора, однако приобретение именно такого с минимальной погрешностью для многих радиолюбителей будет сложной задачей. В таком случае можно использовать кварцевый резонатор на другую частоту (например, 25 МГц), но необходимо выполнить процедуру калибровки задающего генератора с помощью осциллографа с поддержкой аппаратных измерений и подстроечного конденсатора в цепи кварцевого резонатора (Рисунок 3, 4).
![]() |
|
| Рисунок 3. | Установленный на плате подстроечный конденсатор для калибровки частоты кварцевого резонатора 25 МГц |
![]() |
|
| Рисунок 4. | Калибровка и сравнение результатов измерения частоты осциллографом и частотомером на AVR микроконтроллере |
В секции загрузок доступны для скачивания несколько вариантов прошивок для различных кварцевых резонаторов, но пользователи могут скомпилировать прошивку под имеющийся кварцевый резонатор самостоятельно (см. комментарии в исходном коде).
:: СХЕМА ЧАСТОТОМЕРА ::

СХЕМА ЧАСТОТОМЕРА
Частоту звукового сигнала можно определить с помощью электронного частотомера. Работа частотомера. Звуковой сигнал, преобразованный в электрический, подаётся на вход усилителя на транзисторе VT1. Транзистор почти полностью открыт, он ограничивает только полупериоды отрицательной, и усиливают только полупериоды положительной полярности.
К резистору нагрузки R3 подключена схема на транзисторах VT2 и VT3, которую называют триггер Шмидта. Эта схема при входном сигнале определённой амплитуды и полярности формирует прямоугольные импульсы с частотой повторения, равной частоте входного сигнала.
Формируемые импульсы, амплитуда которых не зависит от формы запускающего сигнала, подаются через переключатель SA1 в измерительную цепь. Она состоит из конденсаторов C4 – C6, диодов VD1, VD2 и цифрового микроамперметра, с пределами измерения 200 мА, зашунтированного подстроечными резисторами.
В зависимости от положения переключателя, один из конденсаторов C4 – C6 будет через резистор R8, диод VD3 и микроамперметр заряжаться прямоугольными импульсами и разряжаться через транзистор VT3, резистор R5 и диод VD2 с частотой следования импульсов.
Так как частота следования импульсов равна частоте входящего сигнала, средний ток, протекающий через микроамперметр, будет пропорционален частоте сигнала. Пределы измерения, в зависимости от положения переключателя, 100 Гц, 1 кГц, 10 кГц. Переменными резисторами R10.1 – 10.
3 осуществляется подстройка микроамперметра под выбранный диапазон, на микроамперметре установлен предел измерения 200 мА, используются цифровые значения от 0 до 100, соответственно умножаемые на 10 – на пределе “1 кГц” – и на 100 – на пределе ” 10 кГц”. Частотомер питается от сети переменного тока 220 В.
мостовой выпрямитель, подключенный к вторичной обмотке понижающего трансформатора, после конденсатора С3 обеспечивает напряжение 15 В постоянного тока, а после параметрического стабилизатора на диоде VD1 и резисторе R9, напряжение стабилизировано на уровне 12 В.
Для усиления и преобразования сигнала неправильной формы с гитары в прямоугольные импульсы с частотой следования равной частоте колебания струны мы использовали схему усилителя напряжения, собранного на двух транзисторах с общим эмиттером.
Частотомер выполнен в коробке, на передней, панели которой находится принципиальная схема с контрольными гнёздами для подключения осциллографа и микроамперметра. Монтаж выполнен на печатной плате. Дополнительно опытным путём мы установили, как преобразовать сигнал с гитары в сигнал, частоту которого может измерить наш частотомер.
Поделитесь полезными схемами
|
ПРОСТЕЙШИЙ РАДИОПЕРЕДАТЧИК
Как и на какой диапазон можно самому сделать простейший радиопередатчик – схема и фото собранного трансмиттера на одном транзисторе. |
Этот счетчик Гейгера был изначально собран с датчиком СБМ-20, который был внутри коробки, но позже, переместили его внутрь выносной 30 мм пластиковой трубки, для большего удобства. Детектор подключен через кабель XLR3. Счетчик Гейгера СБМ-20 внутри пластиковой трубки.
Схема дозиметра на СБМ-20
Этот счетчик состоит из самого датчика, микроконтроллера PIC18F2550 и LCD дисплея AFF1. СБМ-20 – это один из самых удачных счётчиков Гейгера российского производства. Он заметно более чувствительный к бета и гамма лучам, чем большинство аналогичных.
На транзисторе IRF520 (наверное самый распространённый МОСФЕТ), собран умножитель напряжения для создания потенциала приблизительно 300 В.
Питание счётчика гейгера, точнее самих микросхем и умножителя, всего 5 В 0,2 А. Но для повышения стабильности установлен стабилизатор 7805, на вход которого можно подавать 7-20 вольт.
Под дозиметр удачно нашёлся неплохой корпус. Сеточкой по центру закрывается маленький динамик. Что касается линии XLR3 связи, её коннектор, приклеен на крышку прибора эпоксидным клеем. Тут можно скачать прошивку МК.
Поделитесь полезными схемами
|
FM УСИЛИТЕЛЬ НА 100 ВАТТ
Принципиальная схема экспериментального экстремального усилителя для автомобильного модулятора, превращающая его в мощную радиостанцию. |
|
КИТАЙСКИЙ ИЗМЕРИТЕЛЬНЫЙ ПРИБОР
Недавно достал очень интересный китайский цифровой измерительный прибор, который будет незаменим для радиолюбителей. Он представляет собой малогабаритный (с пачку сигарет) электронный частотомер с возможностью измерения ещё и мощности высокочастотного сигнала. |
|
СХЕМА ПРЕОБРАЗОВАТЕЛЯ ДЛЯ ЛАМПЫ
Схема такого преобразователя не новая, но она была переделана и в итоге переделки количество используемых радиодеталей резко сократилось. |
Схема простого частотомера

Схема частотомера довольно простая, большинство функций выполняет микроконтроллер. Единственное, для микроконтроллера необходим усилительный каскад, чтобы увеличить входное напряжения с 200-300 мВ до 3 В. Транзистор, включенный по схеме с общим эмиттером, обеспечивает псевдо-TTL сигнал, поступающий на вход микроконтроллера. В качестве транзистора необходим какой-нибудь «быстрый» транзистор, я применил BFR91 — отечественный аналог КТ3198В.

Напряжение Vкэ устанавливается на уровне 1.8-2.2 вольта резистором R3* на схеме. У меня это 22 кОм, однако может потребоваться корректировка. Напряжение с коллектора транзистора прикладывается к входу счетчика/таймера микроконтроллера PIC, через последовательное сопротивление 470 Ом. Для выключения измерения, в PIC задействываются встроенные pull-down резисторы. В PIC реализован 32-битный счетчик, частично аппаратно, частично софтово. Подсчет начинается после того, как выключаются встроенные pull-down резисторы микроконтроллера, продолжительность составляет точно 0.4 секунды. По истечении этого времени, PIC делит полученное число на 4, после чего прибавляет или отнимает соответствующую промежуточную частоту, для получения реальной частоты. Полученная частота конвертируется для отображения на дисплее.
Для того, чтобы частотомер работал правильно, его необходимо откалибровать. Проще всего это сделать так: подключить источник импульсов с заранее точно известной частотой и вращая подстроечный конденсатор выставить необходимые показания. Если данный метод не подходит, то можно воспользоваться «грубой калибровкой». Для этого, выключите питание прибора, а 10 ножку микроконтроллера подсоедините на GND. Затем, включите питание. МК будет измерять и отображать внутреннюю частоту.
Если вы не можете подстроить отображаемую частоту (путем подстройки конденсатора 33 пФ), то кратковременно подсоедините вывод 12 или 13 МК к GND. Возможно, что это нужно будет сделать несколько раз, так как программа проверяет эти выводы только один раз за каждое измерение (0.4 сек). После калибровки, отключите 10 ногу микроконтроллера от GND, не выключая при этом питания прибора, чтобы сохранить данные в энергонезависимой памяти МК.
Печатную плату рисовал под свой корпус. Вот что получилось, при подаче питания выскакивает кратковременно заставка и частотомер переходит в режим измерения, тут на входе нет ни чего:

Частотомер на PIC16F628 своими руками | Мастер Винтик. Всё своими руками!

Одним из приборов-помощников радиолюбителя должен быть частотомер. С его помощью легко обнаружить неисправность генератора, измерить и подстроить частоту. Генераторы очень часто встречаются в схемах. Это приемники и передатчики, часы и частотомеры, металлоискатели и различные автоматы световых эффектов…
Особенно удобно пользоваться частотомером для подстройки частоты, например при перестройки радиостанций, приёмников или настройки металлоискателя.
Один из таких несложных наборов я недорого приобрёл на сайте китайского магазина здесь: GEARBEST.com
Набор содержит:
- 1 x PCB board (печатная плата);
- 1 x микроконтроллер PIC16F628A;
- 9 x 1 кОм резистор;
- 2 x 10 кОм резистор;
- 1 x 100 кОм резистор;
- 4 x диоды;
- 3 x транзисторы S9014, 7550, S9018;
- 4 x конденсаторы;
- 1 x переменный конденсатор;
- 1 x кнопка;
- 1 x DC разъём;
- 1 x 20МГц кварц;
- 5 x цифровые индикаторы.
Описание частотомера
- Диапазон измеряемых частот: от 1 Гц до 50 МГц;
- Позволяет измерять частоты кварцевых резонаторов;
- Точность разрешение 5 (например 0,0050 кГц; 4,5765 МГц; 11,059 МГц);
- Автоматическое переключение диапазонов измерения частоты;
- Режим энергосбережения (если нет изменения показаний частоты — автоматически выключается дисплей и на короткое время включается;
- Для питания Вы можете использовать интерфейс USB или внешний источник питания от 5 до 9 В;
- Потребляемый ток в режиме ожидания — 11 мА
Схема содержит небольшое количество элементов. Установка проста — все компоненты впаиваются согласно надписям на печатной плате.
Мелкие радиодетали, разъемы и т.п. упакованы в небольшие пакетики с защелкой. Индикаторы, микросхема и её панелька для исключения повреждений ножек вставлены в пенопласт.
(измерения мультиметром)
- 4,0
- 4,0
- 0,3
- 5,0
- 0,98
- 0,98
- 0,98
- 0,98
- 0,98
- 0,98
- 5
- 1,26
- 2,13
- 4
- 4,12
Приступаем к сборке
Высыпаем на стол содержимое пакета. Внутри находятся печатная плата, сопротивления, конденсаторы, диоды, транзисторы, разъемы, микросхема с панелькой и индикаторы.
Ну и вид на весь набор в полностью разложенном виде.
Теперь можно перейти к собственно сборке данного конструктора, а заодно попробовать разобраться, на сколько это сложно.
Я начинал сборку с установки пассивных элементов: резисторов, конденсаторов и разъёмов. При монтаже резисторов следует немного узнать об их цветовой маркировке из предыдущей статьи.
Дело в том, что резисторы очень мелкие, а при таких размерах цветовая маркировка очень плохо читается (чем меньше площадь закрашенного участка, тем сложнее определить цвет) и поэтому также посоветую просто измерить сопротивление резисторов при помощи мультиметра. И результат будем знать и за одно его исправность.
Они маркируются просто указанием емкости так как емкость меньше 100 пФ, т.е. меньше трехзначного числа.
Резисторы и керамические конденсаторы можно впаивать любой стороной — здесь полярности нет.
Выводы резисторов и конденсаторов я загибал, чтобы компонент не выпал, лишнее откусывал, а затем опаивал паяльником.
Немного рассмотрим такой компонент, как — подстроечный конденсатор. Это конденсатор, ёмкость которого можно изменять в небольших пределах (обычно 10-50пФ). Это элемент тоже неполярный, но иногда имеет значение как его впаивать.
Конденсатор содержит шлиц под отвертку (типа головки маленького винтика), который имеет электрическое соединение с одним из выводов.
Чтобы было меньше влияния отвертки на параметры цепи, надо впаивать его так, чтобы вывод соединенный со шлицом, соединялся с общей шиной платы.
Разъемы — сложная часть в плане пайки. Сложная не точностью или малогабаритностью компонента, а наоборот, иногда место пайки тяжело прогреть, плохо облуживается. Потому нужно ножки разъёмов дополнительно почистить и облудить.
Теперь впаиваем кварцевый резонатор, он изготовлен под частоту 20МГц, полярности также не имеет, но под него лучше подложить диэлектрическую шайбочку или приклеить кусочек скотча, так как корпус у него металлический и он лежит на дорожках. Плата покрыла защитной маской, но я как то привык делать какую нибудь подложку в таких случаях, для безопасности.
Длительность пайки каждой ножки не должна превышать 2 сек! Между пайками ножек должно пройти не менее 3 сек на остывание.
Ну вот собственно и всё!
Теперь осталось смыть остатки канифоли щёткой со спиртом.
Теперь красивее
Код
#include LiquidCrystal lcd(2, 3, 4, 5, 6, 7); int Htime; // целочисленная переменная для хранения времени высокого логического уровня int Ltime; // целочисленная переменная для хранения времени низкого логического уровня float Ttime; // переменная для хранения общей длительности периода float frequency; // переменная для хранения частоты void setup() { pinMode(8,INPUT); lcd.begin(16, 2); } void loop() { lcd.clear(); lcd.setCursor(0,0); lcd.print(«Frequency of signal»); Htime=pulseIn(8,HIGH); // прочитать время высокого логического уровня Ltime=pulseIn(8,LOW); // прочитать время низкого логического уровня Ttime = Htime+Ltime; frequency=1000000/Ttime; // получение частоты из Ttime в микросекундах lcd.setCursor(0,1); lcd.print(frequency); lcd.print(» Hz»); delay(500); }
Сборка и тестирование
Соберите схему на печатной плате (PCB), чтобы минимизировать время и ошибки сборки. Односторонняя печатная плата для частотомера показана на рис. 3 (просмотр в формате PDF), а компоновка ее компонентов на рис. 4 (просмотр в формате PDF).
Загрузите PDF-файлы печатных плат и компонентов (Рис. 3, 4): нажмите здесь
Тщательно соберите компоненты и перепроверьте на любую пропущенную ошибку. Используйте кабель с низкой емкостью для подачи сигнала от источника генератора на частотомер. Подключите источник известной частоты (например, сигнал калибровки осциллографа) ко входу счетчика и отрегулируйте триммер VR1 для отображения частоты на 7-сегментных дисплеях.
electronicsforu.com










