Содержание
Особенности применения фоторезиста для изготовления платы
Фоторезист представляет собой светочувствительный материал из полимера, с защитной пленкой по обеим сторонам.
Его применение основано на способности полимера полностью разрушаться под воздействием света (позитивный фоторезист) или, наоборот, полимеризоваться и не разлагаться под воздействием специальных растворителей (негативный).
Изготовление печатной платы начинается с составления фотошаблона на компьютере с помощью принтера. Напечатанный фотошаблон нужно просушить в течение не менее 10 минут.
В это время нужно подготовить стеклотекстолит и на него нанести фоторезист:
- Вырезать небольшой кусок стеклотекстолита, размером, соответствующим размеру платы, с припусками по краям (3-5 мм).
- Медную поверхность заготовки обработать обыкновенной стиральной резинкой для того, чтобы очистить от грязи и жира и обеспечить плотное прилегание.
- Сдуть все пылинки и крошки резинки с поверхности, можно использовать мягкую бумагу (не наждачную). Промывать ее нельзя.
Мнение эксперта
Внимание!
Руками к заготовке прикасаться не следует, лучше держать ее за торцы. Отрезать кусок фоторезиста нужного размера, с помощью швейной иголки подцепить край поверхностной матовой пленки (она находится с внутренней стороны рулона) и сдвинуть ее на 5 мм.
- Наложить снятую часть пленки на текстолит, начиная с края заготовки (при этом пальцем необходимо придерживать отклеенный участок).
- Затем плотно уложить пленку на плату, разровнять, устранить все морщины и воздух под пленкой.
- Пальцами правой руки придерживать отклеенный кусок пленки, этой же рукой начать тянуть матовую защитную пленку. Одновременно левая рука прижимает ее к поверхности и выравнивает.
- Когда пленка полностью плотно приклеивается к заготовке, края отрезать.
Необходимо полностью выровнять заготовку, для этого поместить ее между страницами книги и плотно прижать.
Барабанный фотоплоттер
Данная компоновка фотоплоттеров является наиболее простой в реализации: фотопленка закрепляется на барабане с помощью вакуума, подаваемого в пазы барабана. Затем барабан раскручивается до определенной частоты, которая очень точно поддерживается с помощью системы управления с обратной связью. После этого каретка с одним или несколькими источниками света начинает перемещаться по оси Υ. В соответствии с программой производится засветка точек растра на фотошаблоне. За один оборот барабана засвечивается одна или несколько строк (в зависимости от количества источников света на каретке). Диаметр и длина барабана определяет формат фотошаблона, а частота вращения — производительность. Следует отметить, что засветка производится за один проход каретки, а ее низкая скорость перемещения позволяет использовать стандартную передачу «винт-гайка» с трапециевидной резьбой. Как видно на рис. 3, в начале движения (до начала рабочего хода) производится выборка зазоров в передаче, и в дальнейшем эти зазоры не влияют на точность позиционирования. Все это упрощает конструкцию фотоплоттера, делая его недорогим и точным решением для изготовления фотошаблонов. Как правило, в указанном типе фотоплоттеров в качестве источников излучения используются лазеры, так как они позволяют легко сфокусировать луч и могут менять направление с высокой скоростью.
Рис. 3. Барабанный фотоплоттер: 1 — вращающийся барабан; 2 — фотопленка, закрепленная на барабане; 3 — привод головки излучателя; 4 и 5 — сцепление гайки с винтом, при движении в одну сторону люфт выбран
Печать шаблона
Принтер настраиваем на максимум dpi, режим с максимальной жирностью печати, у меня этот режим ставится, когда выбираю печать на прозрачную пленку. Печатаем 2 (ДВА) шаблона на листе пленке. Берем эти два шаблона, накладываем друг на друга, и очень точно выравниваем. Скрепляем их просто: утюг на 3-х точках, через бумагу прикладываем утюг к уголкам шаблона на 2-3 секунды. Это очень удобно, так как если выравнивание было плохим, то разъединить пленки можно очень просто и без повреждений. Не бойтесь, выровнять с точностью до 0.1мм руками очень просто. Смотрите через шаблон на лампу — так проще. Вся процедура занимает минут 5 — 10.
Планшетные фотоплоттеры
В случае планшетной компоновки, построенной на основе принципа работы векторных фотоплоттеров, засветка поля фотошаблона осуществляется
за счет последовательного перемещения головки с лазером или матрицы расщепленного луча лазера. Обычно сканирование рабочего поля осуществляется так, как показано на рис. 1. Сканирующие движения не являются равномерными. Ускорения и торможения движения головки в конечных точках, а также смена направления движения приводит к дополнительным погрешностям позиционирования. Кроме того, погрешности позиционирования могут быть вызваны выборкой зазоров в передаче перемещения, поскольку, как правило, используется шарико-винтовая передача. Для обеспечения точности позиционирования, и, как следствие, точности фотошаблонов в этом типе плоттеров очень важную роль играет система привода каретки или рабочего стола, а также измерительная система, предоставляющая возможность корректирования их положения. Все это делает планшетные фотоплоттеры дорогостоящим оборудованием, к тому же не отличающимся высокой производительностью. Кстати, в некоторых планшетных фотоплоттерах засветка производится через стекло, что неблагоприятно влияет на ее качество. Однако данный вид фотоплоттеров позволяет добиться хороших результатов при обработке фотошаблонов на жестких носителях, например на стекле.
Рис. 1. Схема планшетного фотоплоттера: 1 — траектория движения каретки;2 и 3 — люфт при смене направления движения
Подготовка стеклотекстолита
На первом шаге изготовления печатной платы в домашних условиях мы вырезаем текстолит. Для этого я использую ножницы по металлу или ножовку по металлу (хотя собрался переходить на гильотину). Потом края обрабатываются надфилем.
Перед поклейкой фоторезиста с текстолита необходимо удалить всю грязь и окислы. Для этого достаточно одного ластика и чистой бумаги.
Ластиком тщательно обрабатываем всю поверхность текстолита. После обработки пальцами не дотрагиваться (может плохо прилипнуть фоторезист)
Важно что бы на текстолите не осталось грязи, жира, окислов
На фотографии видно обработанную ластиком часть и еще не обработанную. После того как всю плату обработали ластиком она полируется бумагой.
На фото плохо видно, но правая часть отполирована бумагой, а левая еще нет.
Следующим шагом идет поклейка фоторезиста. Здесь нам необходимо отрезать фоторезиста немного больше, чем заготовка из текстолита. Фоторезист состоит из трех частей. С двух сторон прозрачная пленка, между которыми и заключен сам фоторезист.
Для начала необходимо тонкой иглой поддеть внутреннюю тонкую пленку (пленочный фоторезист продается в рулонах и намотан стороной с тонкой пленкой во внутрь) и снять ее на несколько миллиметров (всю не снимать). После чего фоторезист прикладывается к заготовке из текстолита и мягкой тканью (я использую ватные диски) разглаживается. Потом отклеивается еще немного пленки и процесс повторяется. Главное чтобы фоторезист хорошо приклеился к текстолиту. (Работать можно при обычном освещении, главное, чтобы не попадали прямые солнечные лучи, а хранить фоторезист нужно в темном месте).
Далее кладем текстолит нашей будущей печатной платы с наклеенным фоторезистом на ровную поверхность, накрываем фотошаблоном, а сверху все это дело — оргстеклом. После чего включается ультрафиолетовая (УФ) лампа для засветки.
Время засветки платы может изменяться и его необходимо подбирать экспериментально (в моем случае засветка длится три минуты). Для определения времени засветки делается фотошаблон с цифрами 1, 2, 3, 4… (это минуты) Накрывается непрозрачным материалом и каждую минуту сдвигается от большего к меньшему. Оно зависит от расстояния от лампы до заготовки, толщины оргстекла и мощности самой лампы (кстати засвечивать можно и не УФ лампой, а мощной «экономкой»).
Сразу после засветки ультрафиолетовой лампой печатная плата у нас может выглядеть следующим образом:
После засвета плату необходимо прогреть. При этом, рисунок становится более контрастным. Для этого плата кладется между двумя листами белой бумаги и прогревается утюгом на средней температуре в течении пяти секунд.
На этом этапе изготовления печатной платы необходимо отмыть не засвеченный фоторезист. Для этого в емкость набирается немного воды, в которую добавляется сода (я делаю примерно 100 мл воды и чайная ложка соды). Теперь снимается вторая защитная пленка с фоторезиста. Она более толстая и иголка тут не требуется. Снимать необходимо аккуратно, чтобы не отодрать фоторезист с платы. На краях платы он может потянуться за пленкой. В таком случае, необходимо начать снимать плёнку с другой стороны Плата помещается в раствор, каждые три минуты текстолит вынимается и под струей теплой воды протирается мягкой губкой. Процедура повторяется до полного снятия не засвеченного фоторезиста.
Шаг 4: травление меди

Здесь начинается веселье: вылейте хлорное железо в пластиковую ванну. Эти работы лучше выполнять в хорошо проветриваемом помещении!. Чем температура хлорного железа выше, тем быстрее будет идти реакция. Поэтому, если вы делаете плату в жаркий день, оставьте бутылку на солнце, прежде чем начнете делать плату, и к тому времени, когда вы доберетесь до этого шага, хлорное железо успеет нагреться. Чтобы сделать обработку платы более простой и безопасной, я обычно сверлю в ней отверстие и вставляю в него провод или нитку, хотя это и необязательно
Перед тем как опустить плату в хлорид железа, обратите внимание на ее положение; если у вас лист двухстороннего стеклотекстолита, и вы не используете вторую сторону, то поместите плату неиспользуемой стороной вниз. Какая бы сторона ни была направлена вниз, она будет вытравлена быстрее, а вам нужно убедится, что на неиспользуемой стороне не осталось меди
После того как вы опустили плату в ванну, аккуратно почистите кисточкой сторону платы с нанесенным рисунком; это поможет пройти травлению более быстро и равномерно.
Этот процесс займет довольно много времени: вы, скорее всего, в первые 8 минут не увидите даже начала исчезновения меди. Хлорное железо будет вытравливать медь постепенно, и вы сможете увидеть прогресс. Если у вас плата большая, то это займет больше времени, но, как правило, примерно через 20 минут, плата будет вытравлена полностью, после чего вы должны будете вынуть ее и поместить в ванну с мыльной водой, нейтрализующей хлорное железо. Здесь вы можете увидеть синюю ванну с водой и мылом, подготовленную для вытравленной платы:

После очистки платы вы должны получить чистую плату с черным тонером на защищенных участках меди, как показано ниже:

Снова воспользуйтесь металлической мочалкой, чтобы счистить тонер с медных дорожек.

После обрезки лишних частей вы получите новую, готовую к пайке, печатную плату. Дважды проверьте все дорожки, чтобы убедиться, что ни одна из них не была нарушена в процессе изготовления. Если вы делаете плату со сквозными отверстиями, то воспользуйтесь дрелью с очень маленькими сверлами. Поздравляю, вы готовы припаять к плате компоненты схемы!

Этот метода поможет вам изготавливать печатные платы, если нужно сэкономить или выполнить работу быстро. Однако стоит знать, что в интернете есть несколько мест, где можно заказать изготовление небольшой партии печатных плат (от 5 штук).
Негативный метод изготовления печатных плат
Негативный комбинированный метод изготовления печатных плат возник, когда в производстве еще отсутствовали сверлильные станки с программным управлением. Платы были вынуждены сверлить вручную по проводящему топологическому рисунку (контактным площадкам).
После травления рисунка нужно не только сверлить отверстия, но и их металлизировать. Для этого необходимо принимать меры по созданию проводящею подслоя в отверстиях.
Поэтому перед сверлением плату:
во-первых, покрывают защитной «лаковой рубашкой»;
во-вторых, сверлят через нее отверстия;
в-третьих, химически металлизируют всю заготовку.
Лаковую рубашку наносят так, чтобы она легко отслаивалась. После ее удаления химически осажденный металл остается только в отверстиях.
Недостатки негативного метода:
- При металлизации отверстий открытые участки диэлектрического основания насыщаются химическими растворами, что в свою очередь, повышает их проводимость. Надежность изоляции, реализуемая этим методом — низкая.
- Для гальванической металлизации отверстий возникают большие затруднения для организации электрического контакта стенок отверстий с катодом гальванической ванны. Это обуславливает наличие заметного количества непрокрытых или плохо прокрытых отверстий.
- При отделении лаковой рубашки возможно частичное разрушение проводящего подслоя в отверстиях. Условия для электрохимической металлизации нарушаются. В связи с этим негативный метод уступил в распространении позитивному.
Разрешение
Разрешение фотоплоттера является наиболее важной характеристикой, определяющей качество фотошаблона. Как правило, разрешение обусловливается типом лазера и возможностями оптической системы
Для определения разрешения используется величина, равная отношению количества точек на 1 дюйм (обозначается dpi), пришедшая из полиграфии. В таблице приведен перевод наиболее распространенных величин разрешений в размер точки .
Обычно ширина минимально воспроизводимой линии содержит четыре элементарных точки.
Для снижения эффекта «волнистого края» тонких проводников засветка фотопленки производится с шагом, меньшим, чем размер точки (рис. 5). Однако это приводит к снижению производительности, а потому требуется точная система позиционирования каретки (с точностью позиционирования, меньшей размера точки).
Таблица. Размер точки в зависимости от разрешения
Рис. 5. Снижение эффекта «волнистого края»
Рис. 6. Гипотетический случай отрисовки проводника фотоплоттером с высоким разрешением и низкой точностью позиционирования
Следует отметить, что разные компоновки фотоплоттеров диктуют свои требования к системе засветки фотопленки. Например, в планшетных фотоплоттерах для получения нормальной производительности используется матрица расщепленного луча лазера, качество и характеристики которой определяют разрешение системы. Такие матрицы являются сложными и дорогостоящими оптическими системами. В барабанных фотоплоттерах засветка может выполняться несколькими лучами лазера одновременно (для повышения производительности), тогда как в фотоплоттерах с внутренним барабаном луч может быть только один.
Материалы для производства печатных плат.
Характеристики печатного монтажа в значительной степени определяютсясвойствами базовых материалов.
Для изготовления печатных плат чаще всего используют фольгированный с одной или дух сторон стеклотекстолит марки FR-4. Толщина материала основания может быть 0,5 0,8, 1,0, 1,5, 2,0 мм. Толщина фольги: 18, 35 мкм. Чем толще фольга, тем шире должны быть проводники и тем больше должен быть зазор между ними (за счет явления бокового подтрава).
Фольгированный диэлектрик должен отличаться высоким значением адгезии фольги к подложке, в т.ч. под воздействием высокой температуры. Также он должен обладать высоким объемным и поверхностным электрическим сопротивлением, высокой температурой стеклования и стабильностью геометрических размеров.
К базовым материалам относится и фоторезист — жидкий или пленочный материал, обладающий чувствительностью к ультрафиолетовому излучению. Фоторезист под воздействием света должен либо испытывать фотополимеризацию, либо фотодеструкцию (в зависимости от типа). Чаще применяется сухой пленочный фоторезист. Он состоит из трех слоев: защитной полиэтиленовой пленки, среднего слоя, чувствительного к УФ-излучению и внешней оптически прозрачной лавсановой пленки, предназначенной для защиты фоторезиста от окисления на воздухе.
Подготовка фотошаблона
Шаблон на пленке для струйного принтера более плотный, лазерный принтер в этом плане похуже — видны просветы на затемненных участках
При засветке нужно будет обратить внимание на то, какого типа фотошаблон будет применяться и сделать поправку времени засветки. Пленку для лазерного принтера найти не проблема, цена более чем доступна
Для струйного принтера приходится поискать, да и стоит она примерно в 5 раз дороже. Но при мелкосерийном производстве, применение фотошаблона распечатанного на струйном принтере полностью себя оправдывает. Фотошаблон должен быть негативным, т.е. те места, где должна остаться медь, должны быть прозрачными. Фотошаблон надо распечатать в зеркальном отображении. Это делается для того, чтобы приложив, его к текстолиту с фоторезистом, краска на пленке фотошаблона прилегала к фоторезисту. Это обеспечит более четкий рисунок.
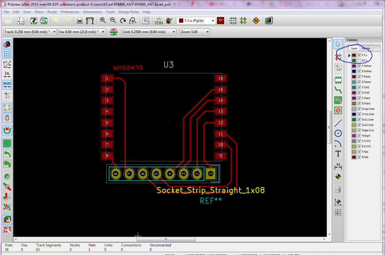
Шаг 1: проектирование вашей платы
Для этого руководства я разработаю простую плату для приемопередатчика 915 МГц RFM69HW; у самого модуля расстояние между контактами составляет 2 мм, что несколько уже, чем стандартное расстояние для макетной платы, и затрудняет прототипирование. Я разработаю промежуточную панель, которая использует стандартное расстояние, поэтому я смогу припаять разъем и вставить с ним плату в любую стандартную макетную плату. Представленный метод подходит для изготовления плат и для монтажа компонентов в отверстия, и для поверхностного монтажа, но в моем случае плата будет разработана под поверхностный монтаж. В этом случае компоненты не очень малы по размеру, но этот процесс может быть использован и на таких маленьких компонентах, как компоненты в корпусах MSOP, которые могут быть установлены на плату вручную.
В этом руководстве основное внимание уделяется процессу изготовления плат, поэтому я не буду подробно останавливаться на работе с KiCad; однако есть несколько вещей, на которые стоит обратить внимание. После того, как вы откроете программу, то сможете начать размещать компоненты таким же образом, как в программе моделирования, только в этом случае вы размещаете посадочные места компонентов; когда вы будете делать это, убедитесь, что в правой таблице выбран слой «F.Cu», как показано на рисунке ниже

Всё красное будет напечатано на лицевой стороне платы, а всё желтое (сквозные отверстия) – на обеих сторонах; хотя в этом случае нам интересна только лицевая сторона. Когда вы закончите проектирование, необходимо будет экспортировать результат в PDF. Кликните на кнопку «чертить/plot» и выберите вывод в формате PDF, как показано на рисунке
Важно убедиться, что выбрана опция «Чертить зеркально» (Mirrored plot), иначе при изготовлении платы рисунок перенесется неправильно

Изготовление фотошаблона
Это самое простое. Берем обычный лист бумаги и печатаем на лазерном принтере рисунок печатной платы. Не нужно выставлять в настройках принтера максимальный расход тонера, вполне хороший результат получается с настройками по умолчанию. Перед тем как использовать шаблон его нужно подержать в парах ацетона, для этого берем трехлитровую банку, наливаем в нее немного ацетона и опускаем на ниточке наш шаблон в банку и закрываем крышкой. Нельзя допускать, чтобы шаблон касался ацетона, шаблон должен висеть в воздухе, а не лежать на дне банки в луже ацетона. Держать фотошаблон в банке нужно приблизительно 5 минут. Это нужно для того чтобы увеличить плотность тонера. После такой процедуры наш рисунок будет намного хуже пропускать свет.
Подготовка заготовки и сверление отверстий
Прежде всего необходимо вырезать кусок текстолита с заданными размерами. Обработать края напильником. Закрепить чертеж на плате. Подготовить инструмент для сверления. Сверлить прямо по чертежу. Сверло должно быть хорошего качества и соответствовать диаметру наименьшего отверстия. Если есть возможность, нужно использовать сверлильный станок.

Сделав все необходимые отверстия, снять чертеж и рассверлить каждое отверстие до заданного диаметра. Зачистить мелкой шкуркой поверхность платы. Это необходимо для устранения заусениц и для улучшения сцепления краски с платой. Для удаления следов жира провести обработку платы спиртом.
Суть метода и ее отличие от технологии ЛУТ
При изготовлении печатных плат с помощью фоторезиста многие проблемы отпадают сами собой. Фоторезистивные материалы в отличие от тонера используемого в ЛУТ, изначально создавались для их последующего нанесения на различные поверхности
Причем площадь поверхности не имеет критически важного значения. Я на своем опыте убедился, что такие характеристики как равномерность нанесения и качество приклейки у фоторезиста значительно выше
Но в методе изготовления плат фоторезистивным способом есть также и свои недостатки. Основной недостаток это включение в технологический процесс дополнительных операций (наклейка фоторезиста, экспонирование, проявка), и это как правило отпугивает начинающих. Еще один недостаток состоит в том, что для этой технологии требуется использование дополнительных материалов и оснащения. Нужно найти фоторезист, пленку для изготовления фотошаблона и т.д.
Но несмотря на недостатки, фоторезистивным методом можно получить результат еще более качественный чем результат полученный ЛУТом.
Реперные метки
Реперные метки необходимы для того, чтобы помочь машине найти нужные места на печатной плате. Их диаметр обычно равен 1 мм. JLCPCB предлагает три варианта: сквозные метки (Etched Through), метки на половину толщины печатной платы (Etched Half) и без меток. Если ваша установка трафаретной печати оснащена системой технического зрения, реперные метки глубиной в половину толщины платы обеспечат автоматическое совмещение платы с трафаретом. Если вы совмещаете трафарет с платой вручную, больше подойдут сквозные метки, а при их отсутствии можно выполнить совмещение, просто ориентируясь на любые контактные площадки.


Засветка на принтере
Сразу хочу предупредить: смотреть прямо в светящийся дисплей фотополимерного принтера может быть не очень полезным для глаз. Хоть там и не настоящий УФ (405 нм), но яркость довольно ощутима и может оказать вредное воздействие на глаза. Поэтому рекомендую использовать цветные или затемненные защитные очки. Полагаю, что даже солнцезащитные подойдут.
Для начала, с принтера необходимо снять ванну и платформу, они для этого дела совершенно не нужны и даже мешают. На этом подготовка принтера заканчивается 🙂
В засветке тоже есть разные варианты. Если у Вас односторонняя плата и заготовка больше необходимого для платы размера, то все просто — закидываете в принтер файл, полученный на этапе подготовки и, зная примерное место вывода изображения на дисплей, кладете на это место текстолит с фоторезистом. Затем запускаете печать файла и ждете пока она завершится. Все, фоторезист засвечен, можно проявлять.
Если заготовка по размерам равна изготавливаемой плате и ошибка с положением заготовки на дисплее недопустима, то в этом случае нужно при подготовке вывести и рамку, как в случае для двухсторонней платы. Засветка тоже происходит с использованием рамки, аналогично двухсторонней плате, только без второй стороны и второго слоя.
Итак, засветка двухсторонней платы. Закидываем в принтер все три файла — с рамкой, с первым слоем и со вторым слоем. Кладем рядом с принтером в быстрой доступности заготовку. Если она уже предварительно засверлена, то полезно будет убедиться, что она лежит в правильном положении, чтобы можно было ее быстро взять и сразу положить на дисплей. Для этого запускаем файл со слоем, планируемым к засветке, и сравниваем рисунок слоя на дисплее и ориентацию платы рядом с принтером.
Запускаем на печать файл с одной рамкой. Как только рамка засветилась на дисплее принтера, берем заготовку и кладем примерно внутрь рамки. Пока рамка засвечивается, выравниваем заготовку так, чтобы она была точно в рамке, с одинаковым отступом рамки от краев заготовки по всем сторонам.
На фото я привел пример с уже готовой платой, т.к. в процессе ее изготовления не фотографировал. Ну и отражения мешают довольно сильно, увы… Но думаю, понятно и так 🙂
Все, положение заготовки выверено, печать файла рамки можно прервать или дождаться ее окончания. Не сдвигая заготовку, запускаем файл с первым слоем и дожидаемся его окончания. Второй слой (вторую сторону) засвечиваем аналогично — запускаем рамку, кладем и выравниваем заготовку, не двигая ее запускаем второй слой. Перед этим на всякий случай можно удостовериться, что заготовка ляжет в правильной ориентации, как перед первым слоем.
Если заготовка не совсем ровная и не прилегает всей площадью к дисплею, то можно придавить ее сверху какой-нибудь тяжелой плоской железякой. Нужно только убедиться, что эта железяка не помешает рычагу платформы, который будет опускаться вниз с началом печати — принтер-то думает, что это обычная печать фотополимером и нужно опустить платформу к дну ванны 🙂
Время засветки может быть разным от принтера к принтеру. Это зависит и от мощности излучателя, и от оптической системы засветки, и от того какой тип дисплея стоит — монохромный или RGB. Тут уже надо подбирать каждому индивидуально. Для ориентировки могу сказать, что у меня наилучший результат с фоторезистом Ordyl получился на времени засветки около 90-110 секунд. С фоторезистом ПФ-ВЩ — около 10-13 минут. Принтер с параледом, мощность засветки чуть менее 50 ватт.
После засветки заготовке надо дать отлежаться минут 15 — это по рекомендации производителя фоторезиста. Ordyl довольно заметно меняет цвет засвеченных участков, так что довольно легко проконтролировать засветку. К сожалению, на фото это плохо передалось, глазами видно лучше.
Травление
Раствор:
Посуда: Идеальная посуда для травления — это специальная емкость с подогревом и системой циркуляции раствора. Такое устройство можно изготовить самому. Подогрев можно сделать от проточной горячей воды или электрический. Для организации циркуляции раствора можно применить аквариумные технологии. Но эта тема выходит за пределы этой статьи. Нам же придется использовать бытовые средства. Поэтому, берем подходящую емкость. В моем случае — это капроновая прозрачная посудина с плотно закрывающейся крышкой. Хотя крышка и не обязательна, она упрощает процесс травления, да и раствор можно хранить прямо в посуде для травления.
Процесс: Из опыта знаем, что процесс травления проходит быстрее, если раствор подогревать и перемешивать. В нашем случае, нашу емкость ставим в ванну под струю горячей воды и периодически потряхиваем ее для перемешивания раствора. Персульфат натрия раствор прозрачный, поэтому визуально контролировать процесс не представляется никакой сложности. Если раствор не перемешивать, то травление может быть не равномерным. Если раствор не подогревать, процесс травления будет протекать долго.
По завершению промываем плату в проточной воде. После травления плату сверлим, обрезаем по размеру.
Засветка
Я засвечиваю лампой 26Вт black-light с расстояния 12 см, 15 минут. Для этого сделал такое вот устройство:
Внимание! Это старые фото! В итоге я убрал отражатель из фольги и засветки проводу без отражателя!
Лампу включаю заранее за 1-2 минуту до засветки, чтобы прогрелась, но мне кажется, что при 15 минутах засветки это неважно. Кладем плату, сверху на нее фотошаблон, прижимаем или стеклом или пакетом с водой, и сверху ставим аппарат засветки
Ждем 15 минут ничего не двигая! Даже после 10 секунд уже двигать поздно!
Кладем плату, сверху на нее фотошаблон, прижимаем или стеклом или пакетом с водой, и сверху ставим аппарат засветки. Ждем 15 минут ничего не двигая! Даже после 10 секунд уже двигать поздно!
Хитрости тут две:
- Я на фоторезист (т.е на верхнюю пленку на нем) капаю немного воды, кладу фотошаблон тонером вниз и прикатываю его к фоторезисту. С водой он так прилипает, что кажется и прижимать не надо. Но я так не рисковал. Думаю, что если у вас дорожки и зазоры от 0.4-0.5мм, то действительно можно не прижимать
- Пакет с водой ничуть не хуже стекла, а для неровного текстолита просто спасение. Берем пакет, наливаем в него теплой воды из-под крана на половину. Теперь ставим его на пол, а верх пакета кладем на что-то не очень высокое, но так, чтобы вода не выливалась. Например, на коробку из-под обуви. Разумеется, верхний край пакета держать надо постоянно. После этого через бумагу утюгом на 3 (трех) точках проглаживаем верхние 5-10 сантиметров пакета, чтобы все хорошо слиплось. Пакет, однако, долго не живет. По крайне мере мои пакеты после 30 минут засветки УФ начинают протекать без видимых причин. Видать, они разлагаются под действием ультрафиолета.
Как альтернативный вариант, я могу перевернуть аппарат засветки, положить на него сверху стекло, а не стекло плату с фоторезистом и фотошаблоном, который держится на воде, а сверху небольшой груз. Иногда так удобнее.
Кстати, именно печать на лазерном принтере позволяет использовать воду для приклеивания шаблона водой. Струнный шаблон будет размазываться.
После того, как пойдет 15 минут, снимите шаблон, положите плату в темное место на 10 минут. Мне действительно кажется, чтобы если дать фоторезисту плате «дойти» после засветки, то он лучше держится и меньше растворяется, где не надо. Это субъективно, замеров не делал.
Шаг 3: перенос рисунка

Теперь возьмите напечатанный рисунок и положите его на медь стороной с тонером вниз. Включите утюг и дождитесь его нагрева, выставив самую высокую температуру и самую низкую настройку пара, если таковая имеется. Когда утюг нагреется, поместите его на бумагу на плате и пока не двигайте его. Подождите около 30 секунд, после чего можете начать разглаживать бумагу утюгом. Продолжайте гладить около 2 минут; это расплавит тонер и заставит его прилипнуть к медной фольге на плате. Теперь вам нужно удалить бумагу (это очень деликатный процесс, и терпение будет вознаграждено): возьмите лист стеклотекстолита с приклеившейся к нему бумагой и поместите его в ванну с холодной водой.
Вода должна пропитать бумагу, что сделает ее очень мягкой и позволит вам очень осторожно очистить от нее плату, получив в результате на стеклотекстолите чистую медную фольгу с отпечатком из черного тонера. Если на данный момент у вас не осталось тонера на плате, это означает, что вы недостаточно нагрели плату, и вам нужно будет попробовать еще раз, удерживая утюг на плате чуть дольше
В качестве альтернативы, если у вас есть ламинатор, пропустите через него пару раз плату с напечатанным на листе из журнала рисунком; в итоге, после вымачивания, вы получите очень хорошо перенесенный на медь рисунок.





