Содержание
Устройство подавителя сотовой связи: из чего состоит прибор
Если говорить о готовом приборе, то его основными деталями можно назвать:
На первый взгляд всё просто – есть детали, и их требуется собрать воедино. Однако, как и в любой другой работе, здесь есть несколько нюансов, которые нельзя игнорировать.

ФОТО: handmade32.ru Вот такая маленькая плата полностью исключает возможность связи по сотовому телефону
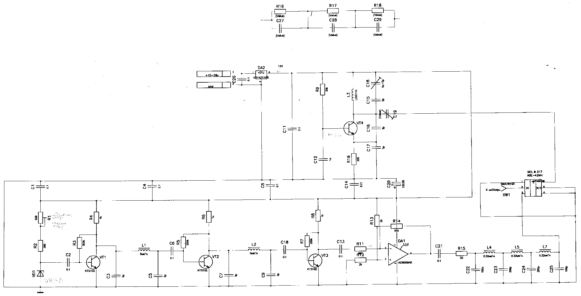
Схемы для сборки глушилок сотовых телефонов своими руками
В сети можно найти множество различных схем для сборки глушилок сотовой связи своими руками. Они могут отличаться по степени сложности. Следует понимать, что чем проще схема, тем меньшими возможностями будет обладать собранный подавитель.

ФОТО: qrz.ru Схема глушилки GSM-сигнала может выглядеть так
Если начинающий радиолюбитель хочет попрактиковаться, то лучше всего выбрать наиболее простые варианты. К тому же не стоит забывать и о законодательстве нашей страны, согласно которому подобное оборудование подлежит регистрации. Это значит, что, собрав сложную схему и «погасив» связь во всём подъезде или доме, можно запросто нарваться на серьёзные неприятности.
ФОТО: mssglonass.ru А это уже схема подавителя сигнала ГЛОНАСС, которую можно назвать более сложной
Полезный сайт .РУ
- Главная
 - Для чего нужна вытяжка на кухню
 
«Антишансон» — индивидуальное устройство для защиты и активного противодействия вмешательству нежелательной информации из радио эфира (ПМРГ — персональная мобильная радио глушилка). Позволяет незаметно глушить выбранную радио частоту, путём создания гармонической радио помехе в заданном диапазоне. Устройство имеет кнопку включения радиопомехи «Выкл FM» и ручку подстройки частоты. Себестоимость устройства — 10$.
Характеристики: Диапазон частот: 88-108 МГц (FM) Радиус действия: 5-10 м Напряжение питания: 9 V Время непрерывной работы: 15 часов. Габаритные размеры: 35х50х25
Элементы схемы С1, С2 — 0.22 мкФ СЗ, С4 — 1000 пФ С5 — 100 пФ С6 — 15 пФ С7 — 3 — 50 пФ переменный конденсатор R1 — 287кOm R2, R4 — 15кОм R5 — 39 Ом 2Вт Т1 — ВС307В Т2 — ВС161/6 S1 — Выключатель (любой подходящий по размеру) L — Без каркасная катушка индуктивностью около 0.043 мкГн, 4 витка, диаметр 5 мм, длинна 8 мм, провод 0.4 — 0.6 мм (В случае использования другого переменного конденсатора, катушку нужно рассчитать с помощью специальной программы. Например можно найти в интернете «Konlur32″ автор /D. StrangeV)
Схема собиралась на основе набора «Мастер кит» NK127. Это передатчик работающий на частоте около 27мГц (частота радио управляемых игрушек), работающий от батарейки 98 типа *Крона». Меняем катушку L схемы и получаем требуемые 87-108 мГц.
Некоторые параметры глушителей сигналов сотовой связи
Говоря о глушителях мобильной связи, мы подразумеваем подавитель, который следует настроить на определённую частоту. При этом можно выполнить настройки так, что будут глушиться и иные приборы. К примеру, можно сделать своими руками глушилку интернет-сигнала или частот Wi-Fi.

ФОТО: poisk-podbor.ru Одно движение, и роутер становится не более чем бесполезной пластиковой коробочкой
По сути, все представленные в интернете схемы подавителей предназначены для радиолюбителей, которым интересно заниматься подобными темами. Для остальных будет проще приобрести настраиваемые глушилки связи или мобильного интернета. Рассмотрим, на каких волнах должны создаваться помехи для различных сетей.

ФОТО: mehack.org Мощные подавители способны отключить все сигналы, включая телевидение и радио
Рабочие частоты глушилок для телефона
Для того чтобы заглушить GSM-сигнал, необходимо настроить рабочую частоту подавителя на 800 МГц. Именно на ней работают все сотовые телефоны в нашей стране. А вот для подавления других сетей придётся перенастраивать оборудование.

ФОТО: aredi.ru Частота усилителя 3G/4G ─ также 800 МГц, а значит, глушилка подавит и его
Настройка глушилки Вай-Фай своими руками
Подобные приборы часто объединяются блокиратором, способным блокировать каналы всех беспроводных гаджетов, включая и те, которые работают по Bluetooth. Своими руками такую глушилку собрать несложно, особенно если у мастера есть опыт в радиоделе.
Здесь стоит учитывать, что подобный подавитель забьёт частоты не только камер, но и беспроводной клавиатуры, мыши и любых других устройств, передающих сигнал через Вай-Фай или блютуз. Для обеспечения подавления необходимо настроить глушилку на частоты 2400—2500 МГц.

ФОТО: ozon.ru Включённый подавитель не даст пользователю общаться с помощью беспроводной гарнитуры
Для законопослушного гражданина подавление частот ГЛОНАСС совершенно ни к чему. Но это если речь идёт не о России. На сегодняшний день ГЛОНАСС устанавливается повсеместно на рабочие курьерские, грузовые автомобили. А вот по данным часто могут возникать нестыковки.
Глушилка Bluetooth, 3G, Wi-Fi
Такое устройство обычно незаметно и действует на определенных частотах. При этом на сотовом телефоне при работе прибора обычно высвечивается что-то наподобие «сеть не найдена», «нет сигнала» и прочее. А если она и установилась с каким-то приспособлением, то через несколько секунд прерывается. Тогда никакие шпионские средства не смогут подслушивать и ловить сигналы.
Глушилки GSM телефонов или Wi-Fi не излучают мощного шума, радиосигнала. Поэтому бытовые устройства как работали, так и продолжают работать.
Высокочувствительная шпионская техника может устанавливаться где угодно: в офисах, автомобилях, квартирах, саунах и так далее. Связь происходит на определенных частотах. Обычные детекторы часто не справляются с задачей и не способны «вычислить» современную шпионскую технику. А вот глушилки, разработанные с учетом возросших условий и требований, могут «обезвредить» пространство.
Обзор карманной глушилки из Китая
Попробуем рассмотреть на фотопримерах, как работает подобный подавитель. Для того чтобы эта статья не была воспринята как реклама, марку и модель называть не будем.
Иллюстрация
Описание
Комплектация глушилки GSM (кстати, схема в коробке отсутствует). В коробке сама глушилка, 3 съёмных антенны и два адаптера – для работы от сетей 220 В и 12 В.
Предварительно был проверен сигнал сотовой связи. Он оказался устойчивым на трёх проверяемых телефонах. К сожалению, подавление иных частот подобной недорогой глушилкой не проверялось, но можно быть уверенным, что и с ними всё без сюрпризов.
Перед включением подавителя необходимо установить антенны на все три штекера. Каждая антенна отвечает за свой диапазон частот
Именно поэтому важно, чтобы были установлены все.
Остаётся передвинуть тумблер на подавители в положение «включено». На приборе загорается зелёная лампочка, а сотовая связь полностью пропадает
Теперь дозвониться точно не получится.
И последняя проверка – отключение подавителя. Одно движение тумблера ─ и как «по мановению волшебной палочки» сотовая связь восстановлена, телефоны функционируют.
Подробнее видеообзор можно увидеть в этом видео.
Как самостоятельно сделать антитрекер
Простейшее устройство, защищающее от прослушки и слежения, можно легко изготовить своими руками в домашних условиях. Прибор состоит из основных частей:
- генератора;
 - антенны;
 - схемы;
 - усилителя.
 
Генератор создаёт колебания, они переходят на катушку, от количества витков которой, зависит спектр частот.
Для человека, имеющего базовые навыки в радиотехнике, понять, как сделать подобный гаджет, не составит труда, а в Интернете найдётся множество пошаговых инструкций и советов.
А сколько стоит тот или иной девайс и какой лучше купить, подскажет рейтинг лучших глушилок сигнала GPS и ГЛОНАСС на 2021 год.
Глушилка Bluetooth, 3G, Wi-Fi
Такое устройство обычно незаметно и действует на определенных частотах. При этом на сотовом телефоне при работе прибора обычно высвечивается что-то наподобие «сеть не найдена», «нет сигнала» и прочее. А если она и установилась с каким-то приспособлением, то через несколько секунд прерывается. Тогда никакие шпионские средства не смогут подслушивать и ловить сигналы.
Глушилки GSM телефонов или Wi-Fi не излучают мощного шума, радиосигнала. Поэтому бытовые устройства как работали, так и продолжают работать.
Высокочувствительная шпионская техника может устанавливаться где угодно: в офисах, автомобилях, квартирах, саунах и так далее. Связь происходит на определенных частотах. Обычные детекторы часто не справляются с задачей и не способны «вычислить» современную шпионскую технику. А вот глушилки, разработанные с учетом возросших условий и требований, могут «обезвредить» пространство.
Как зарегистрировать глушилку?
Проще всего зайти на портал госуслуг и подать заявку в электронном виде. Однако за получением разрешения на глушилку всё равно придётся идти ногами – приглашение придёт в личный кабинет на сайте.
В заявлении указывается:
- ФИО, ИНН, место жительства, данные документа, удостоверяющего личность гражданина РФ;
 - тип, наименование и номер регистрируемого устройства;
 - номер и дата разрешения на использование радиочастот (радиочастотных каналов) для радиоэлектронных средств, выданных на имя заявителя (если такое предусмотрено для вашей глушилки законодательством РФ);
 - номера и дата свидетельства об образовании позывного сигнала (если такое предусмотрено для вашей глушилки законодательством РФ).
 
Разрешения выдают специалисты Федеральной службы по надзору в сфере связи, информационных технологий и массовых коммуникаций. Им придётся предъявить длинный список документов:
- сведения о технических характеристиках и параметрах излучения регистрируемых радиоэлектронных средств и высокочастотных устройств;
 - решение ГКРЧ о выделении полос радиочастот для высокочастотных устройств в случае, если рабочая полоса радиочастот высокочастотного устройства не соответствует перечню радиочастот, предназначенных для использования в промышленных, научных, медицинских и бытовых высокочастотных устройствах (перечень частот здесь);
 - решение ГКРЧ о выделении полос радиочастот для радиоэлектронных средств в случае, если таким решением предусмотрена возможность использования радиочастот или радиочастотных каналов без получения разрешения на использование радиочастот или радиочастотных каналов (для большинства устройств это решение ГКРЧ № 05-10-03-001 «О выделении полосы радиочастот 0,1-1000 МГц…»);
 - разрешение на использование радиочастот или радиочастотных каналов;
 - свидетельство об образовании позывных сигналов опознавания.
 
Популярные статьи Как сделать новогоднюю фоторамку своими руками. рамка для фото в новогоднем стиле

Сотрудник службы примет у вас эти документы и отправит на рассмотрение. Если всё хорошо, то в течение 10 дней в ваш личный кабинет на сайте госуслуг придёт ещё одно приглашение – уже за свидетельством о регистрации. Услуга бесплатная.
Практика показывает, что получить разрешение физлицо может лишь чудом. Простым смертным часто отказывают в регистрации без объяснения причин. Да и госучреждениям или коммерческим структурам приходится сражаться с бюрократией, доказывая необходимость использования глушилки. Но за деньги и не такое возможно.
Разновидности

Кроме различия по размерам, подавители различаются по назначению, так встречается три популярных варианта:
- Стационарные;
 - Компактные;
 - Глушилки-чехлы.
 
Стационарные применяется практически на всех стратегических объектах, в метрополитене и т.п. Это крупные модели, которые обладают большой мощностью и дальностью действия. Чаще всего такие приспособления обладают десятью антеннами.
Используются только в профессиональных целях, при этом эксплуатируются ежедневно и без остановок. Государственные компании приобретают их для проведения секретных совещаний, а образовательные учреждения используют во время сдачи экзамена. Кроме этого, они находят применение в больницах и храмах.
Компактные глушилки мобильной связи предназначены для частного пользования. Представляют собой небольшой устройство, которое без проблем помещается в карман или рюкзак. Время работы таких приборов составляет всего 12 часов, при этом дальность действия всего несколько метров. Работа осуществляется от встроенного АКБ.
Такие модели могут использоваться при проведении переговоров, что позволяет сохранить информацию, только между теми лицами, которые присутствуют в кабинете и предотвратить распространение. Также, такие приборы применяются для проведения итоговых экзаменов на зачетах.
Обнаружить эту модель тяжело, потому что их легко замаскировать под незначительную, повседневную вещь. Например, некоторые маскируют их под кошелек или прячут в пенал.
Подавители в виде чехлов выпускаются индивидуально под смартфон. Главная его задача – скрыть нахождение абонента со всех карт и сделать невозможным слежку за ним. Такой вариант разрешен для использования без ограничений, главное, чтобы это был собственный телефон, а не украденный. В противном случае такие действия влекут за собой уголовное наказание. Конструктивная особенность таких устройств в том, что они блокируют связь и защищают пользователя от вредного излучения.
Подавитель и анти-трекер GPS
В последние годы стал широко распространенным еще один вид шпионской техники — GPS-трекеры. Они предназначены далеко не только для контроля за грузоперевозками, как часто заявляют производители. Их часто используют и силовые структуры, и частные детективы, и те же завистливые конкуренты, вплоть до криминальных структур.
Это совершенно миниатюрные приборы, спрятать которые легко и просто. А в итоге определенный человек будет находиться под такой автоматизированной слежкой. Вот почему стала разрабатываться и глушилка GSM-сигнала, своего рода анти-трекер.
Это такие определенный модули, которые не дают просчитать координаты нахождения человека или транспортного средства. Тот, кто следит, используя трекер, при этом увидит лишь «no data», либо данные не поступят к нему вообще.
Благодаря подавителям транспортному средству обеспечивается анонимность, и не допускается сбор личных сведений через каналы GPS.
Устройства способны успешно бороться со всякого рода шпионской техникой, которая может повредить любому человеку и в личной жизни, и в деловой сфере, а также целой организации. Поэтому в наших реалиях такими вещами пренебрегать нельзя, и необходимо стараться обезопасить себя, своих близких и сотрудников от шпионских гаджетов.
Смотреть галерею
Типы глушилок по форм-фактору

Стационарные глушилки. Такие устройства предназначены для постоянного использования на одном месте и для работы им необходимо подключение к сети. Они весят несколько килограмм и могут одновременно генерировать «белый шум» на десяти и более диапазонах радиочастот.
Портативные глушилки
Такие устройства можно носить в кармане и незаметно включать по мере необходимости, не привлекая внимание окружающих. Время автономной работы такого устройства 1-3 часа. Весят портативные глушилки, в среднем, 300-700 грамм и объединяют в себя 3-6 антенн для подавления разных диапазонов радиочастот
Весят портативные глушилки, в среднем, 300-700 грамм и объединяют в себя 3-6 антенн для подавления разных диапазонов радиочастот.

Чехлы-блокираторы. С 90-х годов ходит множество легенд про встроенный в каждый GSM-телефон «полицейский режим», который позволяет оператору сотовой связи следить за перемещениями и прослушивать разговоры любого абонента.
Популярные статьи 9 интересных и легких открыток валентинок из бумаги делаем своими руками
Обычно в таких чехлах есть два отсека. Первый отсек предназначен для полной блокировки сигналов, а второй для защиты от вредного излучения.
А теперь подробнее остановимся на том, для чего применяется на практике подавление сигналов на разных диапазонах частот.
Как проще заглушить или подавить Вайфай сигнал?
Мэти Ванхуф специалист по безопасности выступил на конференции, где рассказал, что в последнее время злоумышленники часто пользуются обычными портативными «доглами». Их свободно можно купить на Amazon за 15 баксов. Таким образом автогонщики ежегодно воруют более тысячи машин. При этом не помогает даже GPS слежение. Так как он блокирует мобильную связь и спутник не может определить, где находится машина.
При этом система глушит все стандарты 2.4 ГГц. Про 5 ГГц он ничего не сказал. Так же выборки по заглушки того или иного канала – нет. Специалист отметил, что при таких возможностях для дешёвого устройства, нужно продавать его по специальному разрешению.
Где сегодня используются глушилки – и как?

Сегодня их в основном покупают крупные компании, чтобы обеспечить конфиденциальность информации. Устанавливают глушилки в правительственных зданиях, объектах МВД и ФСБ, в тюрьмах.
В больницах глушат сигнал, чтобы правильно работала чувствительная электроника. По той же причине закупают гаджеты для исследовательских лабораторий и сервисных центров.

Нередко глушилки ставятся в кино и в театрах. Есть они даже в школах и университетах – чтобы никто не списывал с интернета на экзаменах.
Глушат они не только сигнал мобильных телефонов, но и «жучков», которые также работают через сотовые сети. Впрочем, от записи разговоров глушилки не оберегают (спойлер: но и такие приборы есть, читайте дальше).
Вы наверняка видели глушилки и в метро. Они установлены для борьбы с терроризмом. Даже если бомбу заложат, террорист не сможет подорвать её дистанционно. Не пройдёт сигнал.
Курьеры и дальнобойщики используют глушилки, чтобы не дать работодателю проследить за ними. По той же причине глушилки покупают и автоворы.
Другой вариант – использовать глушилку для вывода из строя сигнализации на авто или на здании. Или систему «умный дом», в которой устройства обмениваются данными по Wi-Fi.
Ещё есть глушилки – «антишансон». Это подавители радиоволн. Бесит музыка в такси? Включил незаметно в кармане, и наслаждаешься тишиной.
Кстати, если использовать плеер с FM-трансмиттером вместе с глушилкой, то можно заставить всю маршрутку слушать правильную музыку.
Советы по выбору

Сделать правильный выбор в пользу той или иной модели порой не просто, но разобраться с таким делом могут помочь советы от опытных пользователей:
- Если вы планируете использование на большом радиусе, то покупайте стационарные модели, поскольку радиус их работы может достигать порядка 40 метров и более.
 - Карманные модели подходят к индивидуальному использованию и рассчитаны на небольшую область захвата.
 - Учитывайте качество изготовления устройства, поскольку от этого зависит область использования и возможность работы на разных температурах.
 - Модели в металлическом корпусе устойчивы к нагреву, благодаря чему способны длительное время функционировать без перерыва.
 - Некоторые модели настроены на работу с определенными частотами, но есть устройства, позволяющие пользователю самостоятельно настраивать данный параметр. Учитывайте этот нюанс при покупке.
 - Чаще всего сетевые глушители питаются от стандартной бытовой сети, но есть варианты подзарядки от аккумулятора или прикуривателя в машине.
 
							
ТОП-7 лучших усилителей сигнала сотовой сети и интернета для дачи
							
ТОП-7 лучших 3D ручек: критерии выбора и отзывы
							
ТОП 7 лучших USB флешек: рейтинг, обзоры и отзывы
							
ТОП 7 лучших детских планшетов: как выбрать гаджет для детей
							
Топ-10 лучших видеоредакторов на Android для монтажа и обработки видео
Две системы навигации
ГЛОНАСС — российская и GPS — США используются для отслеживания движущихся объектов. Позволяют зафиксировать координаты, скорость, направление движения и расход топлива.
Для водителя система полезна тем, что поможет сориентироваться в незнакомой местности, проложить маршрут. Логистам она даёт контроль за перемещением груза, отклонениями от маршрута, позволяет отследить нецелевое использование транспортного средства, слив топлива и т. п.
Благодаря этой системе существует оперативная связь с диспетчером, возможна прослушка салона. При угоне автомобиля надёжно спрятанные маячки позволяют быстро найти машину, а в случае аварии система самостоятельно отправляет сигнал бедствия.
Но иногда возникают ситуации, когда необходимо скрыть собственное местонахождение. Для того, чтобы спутник не мог определить координаты объекта используют подавители радиосигнала или глушилки.

Для чего нужна GPS/ГЛОНАСС глушилка
Их применяют при необходимости отклонения от маршрута для наемных автоперевозчиков, для сокрытия факта незапланированной стоянки, при уходе от преследования или подозрении о прослушке.
При установке в автомобиле глушилки блокируются все радиосигналы в радиусе от 5 до 15 метров. Поэтому можно быть уверенным, что объект исчезнет из поля зрения наблюдателей.
Для того, чтобы понимать, как правильно выбирать глушилку, и на что обратить внимание при покупке, нужно разобраться с устройством системы навигации
Как работает система спутникового слежения
И GPS и ГЛОНАСС имеют один принцип работы: отслеживание и анализ временных и пространственных координат объекта. Трекер или маячок, установленный в нём, получает радиосигнал от спутника. С помощью специальных модулей автоматически вычисляются координаты, расчёты опираются на данные расположенных рядом вышек сотовой связи и ближайших спутников. Все данные о перемещении накапливаются в памяти трекера и затем выгружаются на сервер.
Отличия GPS и ГЛОНАСС
Российская система ГЛОНАСС разрабатывалась с 1982 года, но во время перестройки и развала СССР развитие было прекращено. Работы возобновились лишь в 2000-х годах и в 2015 году было официально объявлено о создании Глобальной Навигационной Спутниковой Системы.
GPS (Global Positioning System) глобальная система позиционирования развивалась активнее. Запрет на ограничение точности определения для гражданских целей был снять намного раньше, что значительно ускорило развитие системы.
Принцип построения навигационных систем одинаков. На околоземной орбите находятся спутники, они передают сигнал, а на земле есть принимающие устройства. Координаты приемника радиосигнала можно вычислить по 3-м ближайшим спутникам, местоположение которых всегда точно известно. С помощью четвертого спутника можно определить точное время, а для движущегося объекта и скорость. При приеме импульсов от большего количества спутников снижается погрешность всех показателей.
Для реализации мониторинга в любой произвольный момент времени с любой точки земной поверхности доступны для радиосообщения от 5 до 12 спутников.
У GLONASS выведено на орбиту 27 спутников, при этом для полного покрытия территории Российской Федерации достаточно 18 единиц.
GPS имеют на службе 32 спутника, планируется запуск дополнительных 16 единиц.
Отличие также наблюдается в расположении самих спутников и станций слежения.
ГЛОНАСС и GPS работают на передаче обычных радиосигналов в очень близких диапазонах. Но частота сигналов и метод кодирования к них разные.
Погрешность в определении местонахождения объекта не более нескольких метров.
У ГЛОНАСС степень покрытия территории России — 100% и 70% поверхности земного шара. GPS работает везде, кроме приполярных областей.
Системы взаимно дополняют друг друга, поэтому всё чаще используется GPS/ГЛОНАСС-мониторинг. Погрешность определения всех параметров при таком подходе сводится к минимуму. Поэтому большинство транспортных средств оборудованы комплексными системами спутникового слежения.
Но, как уже говорилось, у водителя могут быть причины, по которым уйти из-под наблюдения крайне необходимо. Для этого и разработаны глушилки.
Защита от GPS — «глушилок» и что такое LBS?
GPS — «глушилки» – устройства, генерирующие шум на частотах спутниковых навигационных систем. Их цель — не дать возможности приемнику GPS/ГЛОНАСС получить сигнал со спутника. И тут задача для «глушилки» совсем несложная, т.к. уровень сигнала со спутника чрезвычайно мал, ведь достаточно завернуть приемник в толстую фольгу, чтобы лишить его всякой возможности получать и без того слабые сигналы со спутников.
Однако борьба с таким способом глушения все же есть и называется LBS (Location-based service). Эта система предполагает определение координат с помощью вышек сотового оператора. Анализируя уровень сигнала с каждой базовой станции, которую «видит» GPS Маркер (он, по сути, сотовый телефон), и, зная их координаты, можно приблизительно оценить координаты. Точность такого определения невысока, но позволяет узнать район, а иногда и здание, в котором находится GPS Маркер. В большинстве случаев этого достаточно для определения района поиска и почти всегда позволяет обнаружить Маркер и угнанный автомобиль.
Какие бывают подавители сигнала

По цели воздействия глушители бывают:
- спутниковые (навигационные) блокируют импульсы от спутника;
 - сотовые — блокируют сотовую связь:
 - прочие — забивается эфир раций, канал Wi-Fi, Bluetooth и т. п.;
 - универсальные.
 
По способу применения:
- стационарные (устанавливаются в салоне автомобиля);
 - переносные или карманные (можно носить с собой).
 
Глушилки сигнала навигации по внешнему виду подразделяются на три типа:
Обычная глушилка, которая вставляется в прикуриватель автомобиля и имеет одну антенну.

К устройствам такого типа относят позиции нашего рейтинга: GP-50, GP-55, Carcam signal jammer mini1, KT-GPS.
Портативное устройство с несколькими антеннами.


Так выглядят Скорпион 120 G Pro, Carcam signal jammer PS-40, Сова GPS mini, Беркут 12, TX — N1.
Стационарный прибор с большим количеством антенн.

На фото представлен Терминатор-40.
Наиболее востребованы автомобильные подавители радиосигнала GPS/ГЛОНАСС. Но их установка чревата проблемами с поиском автомобиля в случае его угона. Ведь при работе этого устройства данные о местонахождении и направлении движения не будут доступны никому.
GPS/Глонасс

Служебные автомобили дальнобойщиков и курьеров бывают оборудованы GPS-маячками, которые позволяют работодателю контролировать местоположение сотрудника. Но от такой слежки можно защититься с помощью антитрекера.
GPS-антитрекер — это небольшое устройство, которое устанавливается в прикуриватель автомобиля и блокирует сигналы спутников GPS и ГЛОНАСС. Некоторые антитрекеры включают в себя также GSM-глушилку.
Подавители GPS и Глонасс также используют угонщики для защиты от слежки за украденным автомобилем.
Диапазоны частот: GPS L1: 1570-1620 МГц GPS и ГЛОНАСС L2: 1200-1310МГц GPS и ГЛОНАСС L3: 1380-1410МГц
Лучшие стационарные глушилки сотовой связи на 2021 год
Стационарная глушилка 6 антенн
Отличный вариант, который способен подавить все сотовые сигналы, в том числе и Wi-Fi с Bluetooth. Также прибор способен вызвать помехи у IP-камер. Для подавления сигналов применяется 6 антенн, которые равномерно распределяют белый шум.
Подавитель изготовлен в классическом алюминиевом корпусе, такое решение способствует качественному отводу тепла, что позволяет эксплуатировать устройство на протяжении длительного периода без перегрева для важных компонентов.
При соблюдении идеальных условий, максимальный радиус действия может достигнуть 80 метров. Однако, на практике, добиться такого значения практически невозможно. Питание осуществляется от сети 220 В, ток передается через адаптер 5 В 12 А.
Стационарная глушилка 6 антенн
Достоинства:
- Надежность;
 - Качественная сборка;
 - Долговечность;
 - Высокий радиус действия;
 - Возможность беспрерывной работы.
 
Недостатки:
JAX-101C-8
Отличный прибор для эффективного подавления мобильных сигналов на любых частотах. Максимальный радиус действия способен достигать 40 метров. Работа осуществляется по всем диапазонам, что делает прибор отличным решением для многих государственных и частных компаний. Положительный момент в том, что остальные приборы, которые не попадают в зону этих сигналов, работают без искажений.
Также преимуществом этой модели является безотказная рота на протяжении нескольких неделей. При этом качество подавления остается на начальном уровне. Это гарантирует пользователю сохранность личной информации. Управление легкое и не требует знания определенных правил.
Продается по средней цене 16 770 рублей.
подавитель сотовой связи JAX-101C-8
Достоинства:
- Подавляет любой сотовый сигнал;
 - Эффективность;
 - Дальность действия;
 - Качественная сборка;
 - Стоимость.
 
Недостатки:
Терминатор 300
Профессиональный прибор, который подойдет для эксплуатации в крупнейших государственных компаниях. Подавляет все возможные радиосигналы, которые могут использоваться для прослушивания или отслеживания людей. Максимальная рабочая дальность составляет 300 метров, минимальная – 50 м. На одном аккумуляторе прибор проработает на протяжении 12 часов.
Корпус выполнен из качественных материалов, которые эффективно отводят тепло и не дают компонентам перегреться при длительном использовании. Кроме этого, устройство оснащено системой принудительного охлаждения. Возможно питание от автомобиля или сети 220 В. В комплекте присутствует инструкция и необходимые переходники.
подавитель сотовой связи Терминатор 300
Достоинства:
- Эффективная работа;
 - Подавляет все сигналы;
 - Обеспечивает безопасность и сохранность информации;
 - Отличный вариант для профессиональной деятельности;
 - Минимальная рабочая температура составляет -10 градусов;
 - Есть принудительное охлаждение.
 
Недостатки:
Обзор карманной глушилки из Китая
Попробуем рассмотреть на фотопримерах, как работает подобный подавитель. Для того чтобы эта статья не была воспринята как реклама, марку и модель называть не будем.
Иллюстрация
Описание
Комплектация глушилки GSM (кстати, схема в коробке отсутствует). В коробке сама глушилка, 3 съёмных антенны и два адаптера – для работы от сетей 220 В и 12 В.
Предварительно был проверен сигнал сотовой связи. Он оказался устойчивым на трёх проверяемых телефонах. К сожалению, подавление иных частот подобной недорогой глушилкой не проверялось, но можно быть уверенным, что и с ними всё без сюрпризов.
Перед включением подавителя необходимо установить антенны на все три штекера. Каждая антенна отвечает за свой диапазон частот
Именно поэтому важно, чтобы были установлены все.
Остаётся передвинуть тумблер на подавители в положение «включено». На приборе загорается зелёная лампочка, а сотовая связь полностью пропадает
Теперь дозвониться точно не получится.
И последняя проверка – отключение подавителя. Одно движение тумблера ─ и как «по мановению волшебной палочки» сотовая связь восстановлена, телефоны функционируют.
Подробнее видеообзор можно увидеть в этом видео.
Watch this video on YouTube
Классификация глушилок
Существует несколько видов этих устройств. Они отличаются своими характеристиками, такими, как мощность, портативность, возможность выбора диапазона частот. Бывают как небольшие карманные модели с 15 м. дальности, так и стационарные глушилки промышленных масштабов, диапазон подавления которых не ограничивается одним лишь wifi. По классам они делятся на:
- портативные. Самые простые и компактные образцы. Их мощность и радиус действия незначительны. С помощью этих глушилок легко заблокировать радиосигнал, например, в общественном транспорте или кафе. Автономная работа от аккумулятора позволяет использовать их, где и когда угодно;
 - стационарные. Это более мощный вариант подавителей. Работают от сети и имеют больший радиус действия, который у некоторых моделей достигает 200 метров. Такое устройство – простой и надежный способ глушить wi fi в целом здании. Применяется крупными компаниями для защиты информации, и в местах, где использование мобильных устройств запрещено (больницы, учебные заведения и пр.);
 - мультичастотные. Это самый мощный подавитель связи. Настраиваются и работают в любом диапазоне (Bluetooth, WiFi, GPRS, GSM, GPS и другие). Имеют интеллектуальный режим работы, который позволяет тонко настраивать частоты и силу влияния на них.
 
Использование беспроводного интернета и необходимость защиты данных в нём привела к появлению большого разнообразия глушителей wifi. Модели отличаются своей ценой, характеристиками и возможностями.
Принцип действия глушилок
Принцип действия глушилки очень прост, если знать физику, а также некоторые законны динамики. Устройство работает по принципу излучения определённого импульса, который подстроен под точные частоты. Также девайс настроен так, что подавляет только те частоты, которые настроил пользователь.

Вокруг глушилки образуется специальное поле, которое блокирует другие сигналы, как бы заглушая их своим мощным импульсом. Также на работу механизма влияет его вид, так как многие глушилки придуманы для разных целей.
Более подробно о механизме действия можно посмотреть в этом видео
При правильном излучении сигнала, который находится в том же диапазоне частот, создается некоторое соперничество, в результате которого выигрывает как раз глушитель. Создания «белого поля», как называют его многие эксперты, является ключевым фактором, а также механизмом, который регулирует работу любого глушительного прибора.
Потеря сигнала для других источников – результат правильной настройки частот, которая на самом деле не так сложна, как может показаться изначально. Также пользователь должен понимать, что без знаний правильного механизма сложно качественно настроить глушительный аппарат.
Обратите внимание! Если есть неуверенность в настройке, стоит доверить это дело профессионалу
Кому нужно вторгаться в чужую жизнь
Аналогичные действия предпринимают и для настройки на WiFi.
Наверное, все знают сегодня, что такое «жучки». Различные средства для прослушки в настоящее время используются не только спецслужбами. Их может установить студент и даже школьник.
Смотреть галерею
Однако чаще всего в таких устройствах заинтересованы ревнивцы, конкуренты по бизнесу и прочие. Шпионская техника способна нанести вред любому человеку. Поэтому информационной защитой сегодня интересуются многие. И подавитель-глушилка GSM выступает именно тем прибором, который борется с такими явлениями.
Ну, а о сотовых телефонах GSM 900-1800 многие давно знают, что без глушилки они легко превращаются в средство утечки информации.
Что в итоге?
Да, полностью нейтрализовать «глушилки» невозможно. Однако бороться с ними можно.
Самая простая защита – установка нескольких маячков на автомобиль. Один устанавливается в более-менее доступном месте, например GPS Маркер М130 (можно даже с внешним питанием и в режиме трекер), а второй нужно спрятать очень эффективно, например GPS Маркер М70.
Угонщики быстро найдут первый, который работает в режиме Трекер или частого сигнала – например, выходит на связь каждый час или включается при начале движения авто. Но если вы надежно спрячете второй GPS Маркер, который просыпается раз в 1-7 дней, вероятность того, что его запеленгуют и найдут – ничтожна!
 




