Содержание
Общие организационные вопросы: что обсуждать с поставщиком электроэнергии
Приступать к обсуждению возникших проблем следует только после того, как окончательно стало ясно, что у владельца здания все выполнено надежно и его вины нет.
Это же должны подтвердить соседи, у которых не решены аналогичные вопросы. Действовать лучше сообща. Обращаться следует в различные инстанции власти с письменными заявлениями, но начать необходимо с поставщика. Он в первую очередь должен обеспечить качество подводимой электроэнергии.
Однако, как показано выше, этот процесс, скорее всего, растянется на длительный срок. Владельцу дома до его решения придется принимать самостоятельные меры.
Повышающие переменное, постоянное напряжение бестрансформаторные преобразователи, схема, конструкция. Умножители — расчет онлайн
Повышение напряжения без трансформатора. Умножители. Рассчитать онлайн. Преобразование переменного и постоянного тока (10+)
Бестрансформаторные источники питания — Повышающие
Этот процесс иллюстрирует рисунок:

Синим помечена область, где конденсаторы C заряжаются, а красным, где они отдают накопленный заряд в конденсатор C1 и в нагрузку.
Вашему вниманию подборки материалов:
Конструирование источников питания и преобразователей напряжения Разработка источников питания и преобразователей напряжения. Типовые схемы. Примеры готовых устройств. Онлайн расчет. Возможность задать вопрос авторам
Практика проектирования электронных схем Искусство разработки устройств. Элементная база. Типовые схемы. Примеры готовых устройств. Подробные описания. Онлайн расчет. Возможность задать вопрос авторам
Как повысить силу электрического тока. Сопротивление проводников. Удельное сопротивление

Закон Ома является самым главным в электротехнике. Именно поэтому электрики говорят: «- Кто не знает Закон Ома, пусть сидит дома». Согласно этому закону ток прямо пропорционален напряжению и обратно пропорционален сопротивлению ( I = U / R ), где R является коэффициентом, которое связывает напряжение и силу тока. Единица измерения напряжения – Вольт, сопротивления – Ом, силы тока – Ампер. Для того, чтобы показать, как работает Закон Ома, разберем простую электрическую цепь. Цепью является резистор, он же – нагрузка. Для регистрации на нем напряжения используется вольтметр. Для тока нагрузки – амперметр. При замыкании ключа ток идет через нагрузку. Смотрим, насколько соблюдается Закон Ома. Ток в цепи равен: напряжение цепи 2 Вольта и сопротивление цепи 2 Ома ( I = 2 В / 2 Ом =1 А). Амперметр столько и показывает. Резистор является нагрузкой, сопротивлением 2 Ома. Когда замыкаем ключ S1, ток течет через нагрузку. С помощью амперметра измеряем ток цепи. С помощью вольтметра – напряжение на зажимах нагрузки. Ток в цепи равен: 2 Вольта / 2 Ом = 1 А. Как видно это соблюдается.
Теперь разберемся, что нужно сделать, чтобы поднять силу тока в цепи. Для начала увеличиваем напряжение. Сделаем батарею не 2 В, а 12 В. Вольтметр будет показывать 12 В. Что будет показывать амперметр? 12 В/ 2 Ом = 6 А. То есть, повысив напряжение на нагрузке в 6 раз, получили повышение силы тока в 6 раз.
Рассмотрим еще один способ, как поднять ток в цепи. Можно уменьшить сопротивление – вместо нагрузки 2 Ом, возьмем 1 Ом. Что получаем: 2 Вольта / 1 Ом = 2 А. То есть, уменьшив сопротивление нагрузки в 2 раза, увеличили ток в 2 раза. Для того, чтобы легко запомнить формулу Закона Ома придумали треугольник Ома:
Как можно по этому треугольнику определять ток? I = U / R. Все выглядит достаточно наглядно. С помощью треугольника также можно написать производные от Закона Ома формулы: R = U / I; U = I * R. Главное запомнить, что напряжение находится в вершине треугольника.
В 18 веке, когда был открыт закон, атомная физика находилась в зачаточном состоянии. Поэтому Георг Ом считал, что проводник представляет собой что-то, похожее на трубу, в которой течет жидкость. Только жидкость в виде электротока.
При этом он обнаружил закономерность, что сопротивление проводника становится значительнее при увеличении его длины и меньше при увеличении диаметра. Исходя из этого, Георг Ом вывел формулу: R = p *l / S, где p – это некоторый коэффициент, умноженный на длину проводника и деленный на площадь сечения.
Этот коэффициент был назван удельным сопротивлением, характеризующим способность создавать препятствие протеканию эл.тока, и зависит из какого материала изготовлен проводник. Причем, чем больше удельное сопротивление, тем больше сопротивление проводника.
Рассмотрим, какие бывают проводники. На сегодняшний день самым распространенным является проводник из меди.
Из-за низкого удельного сопротивления и большой устойчивости к окислению, при этом довольно низкой ломкости, этот проводник все больше и больше находит применение в электрике.
Постепенно медный проводник вытесняет алюминиевый. Медь применяют при производстве провода (жил в кабелях) и при изготовлении электротехнических изделий.
Вторым по применению можно назвать алюминий. Он часто используется в старой проводке, на смену которой приходит медь. Также применяется при производстве проводов и изготовлении электротехнических изделий. Следующий материал – это железо.
Оно обладает удельным сопротивлением гораздо больше, чем медь и алюминий (в 6 раз больше, чем у меди и в 4 раза выше, чем у алюминия). Поэтому, при производстве проводов, как правило, не применяется.
Зато применяется при изготовлении щитов, шин, которые благодаря большому сечению обладают низким сопротивлением. Также как крепежное изделие.
Золото в электрике не применяется, так как оно достаточно дорогое. Благодаря низкому значению удельного сопротивления и большой защиты от окисления применяется в космических технологиях.
Латунь в электрике не применяется.
Серебро чаще всего применяется в военной технике высокочастотных приборов. В электрике применяется редко.
Вольфрам применяется в лампах накаливания. Благодаря тому, что он не разрушается при высоких температурах, его используют в качестве нитей накаливания для ламп.
Как повысить напряжение в сети
Часто в деревнях и на дачах говорят о плохом напряжении в электросети. Это связанно не только с их плохим техническим состоянием, но и с покупкой разнообразной бытовой техникой, которой требуется электричество, которого часто не хватает.
В то же время местные электросети не спешат менять оборудование на современное, а значит, на более совершенное которое с достоинством выдержит повышенные нагрузки.
Участник дачного форума «Дом и Дача» Terristor как-то столкнулся с проблемой – стиральная машина перестала работать. То есть барабан с трудом крутился, да и насос не мог поднять воду из скважины.
На 1-ом Рисунке обычная работа понижающего трансформатора. На 2-ом уже переделанный трансформатор готовый к работе на повышение напряжения.
Он замерил напряжение, и прибор показал всего 180 вольт, а этого напряжения не хватает для работы многих бытовых электроприборов.
Но нет, худа без добра. Как-то раз он читал журнал «Радио» и на глаза ему попалась статья о том, как при помощи обычного понижающего трансформатора сделать повышающий.
А фокус состоял в том, что если взять понижающий трансформатор, который из 220 вольт делает 40, поковыряться в нём, то после небольших изменений можно получить на выходе не понижение, а повышения напряжения на 40 вольт от напряжения в сети.

Случайно у Terristor был такой трансформатор. И обладая небольшими познаниями в радиотехнике, он через 15 минут его переделал и сделал пробный пуск.
Перед испытанием напряжение было 192 вольта, а после, как и намечалось, напряжение увеличилось на 40 вольт. Это оказалось отличным решением в сложившейся ситуации и несмотря на нехватку напряжения электроприборы работали безотказно.
Выводы
Плюсы этой систем:
Простота при сборке. Например, при мощности вторичной обмотки трансформатора 100 вольт, можно не опасаясь подключить насос мощностью 500 Вт. Реальная дешевизна прибора.
Напряжение, выдаваемое прибором, автоматически не регулируется и если вдруг напряжение в сети стабилизировалось, и стало 220 вольт то на выходе у вас будет 260 вольт, многовато, но не опасно, если вовремя заметить.
Сам Terristor всю зиму пользовался этим трансформатором. За это время он ни разу не проверял напряжение и ни один электроприбор не испортился.
На случай если напряжение в вашем районе часто меняется можно использовать специальную розетку которая отключает электроприборы которые к ней подключаются если напряжение повысилось сверх нормы. Формулы для расчётов
Нужен трансформатор с первичной обмоткой на 220 вольт. Вторичная обмотка — на необходимое «недостающее напряжение». На вторичной обмотке максимальный ток даже у маломощных понижающих трансформаторов достаточен.
Расчёт можно сделать по нескольким формулам.
По рис. 1
можно вычислить ток вторичной обмотки где Iн – номинальный ток нагрузки А; Pн – номинальная мощность нагрузки (по паспорту трансформатора) Вт; Uн — номинальное напряжение питания нагрузки.
Зная, какое напряжение нужно добавить, определяется требуемая мощность трансформатора по рис. 2
где P – мощность трансформатора в Вт., I2 – номинальный ток вторичной обмотки А, U2 — напряжение вторичной обмотки, В. Затем нужно взять трансформатор с подходящими данными – по мощности и выходному напряжению.
И в завершении нужно подсчитать результат по формуле на рис. 3. где Ктр — коэффициент трансформации; U1 — номинальное напряжение первичной обмотки (220), В.
В последней формуле можно видеть, что напряжение на нагрузке можно как увеличить, так и уменьшить. Чтобы правильно фазировать трансформатор, достаточно поменять местами выводы одной из обмоток.
Трансформатор лучше установить в коридоре или в подвале, потому что установка шумит, а уже оттуда сделать проводку до нужных электроприборов.
Размещено участником форума «Дом и Дача» Terristor Редактор: Адамов Роман
Подписывайтесь на наш Telegram каналЭксклюзивные посты каждую неделю
Повышение напряжения в сети электропитания
Если же низкое напряжение у всех в округе – нужно думать, как повысить напряжение в сети у себя. Но не пугайтесь сразу же больших затрат на чудеса современной электроники. Они нужны, о них речь пойдет ниже. Но чаще всего проблему можно решить быстро и без хлопот подручными средствами. Причем – технически грамотно и совершенно безопасно.
При стабильно низком напряжении в сети выручит самый обыкновенный понижающий трансформатор на 12 – 36 В. Да, да, именно понижающий. И большой его мощности не потребуется. 100-ваттный потянет нагрузку в 500 Вт, а киловаттный – в 5 кВт. И увеличить напряжение в сети можно до допустимых пределов.
Никаких чудес, никакой паранауки – достаточно такой трансформатор использовать как повышающий автотрансформатор, добавив напряжение понижающей обмотки к линейному. Тогда при 175 В в розетке на выходе будет при 12 В добавочных 187 В. Маловато, но бытовая техника работать будет. Если вдруг напряжение повысится до нормы, автотрансформатор выдаст 232 В; это еще в норме. При 36 В добавочных 175 В вытягиваем до 211 В – норма! Но вдруг и в розетке норма окажется, получим 256 В, а это уже нехорошо для электроприборов. Поэтому лучше всего – 24 В добавочных.
А как же мощность? Дело в том, что в сетевой обмотке автотрансформатора течет РАЗНОСТНЫЙ ток, и если повышать напряжение на небольшую долю от исходного, он окажется совсем незначительным. Правда, в дополнительной обмотке пойдет суммарный ток, но она в понижающих трансформаторах выполняется из толстого провода и при мощности исходного трансформатора в 100 Вт выдержит ток в 3-5 А, а это более 500 Вт при 220 В.
Нужно только правильно сфазировать обмотки. Для этого включаем трансформатор, как показано на схеме, БЕЗ НАГРУЗКИ. К гнездам «Прибор» подключаем любой вольтметр переменного тока на 300 В и более, хотя бы тестер. Показывает меньше, чем в розетке? Меняем местами концы любой из обмоток. Стало больше, чем в розетке? Все, можно пользоваться. Потребителей включаем вместо измерительного прибора.

Нужно только поставить в цепь сети предохранитель – вдруг в розетке «зашкалит» (это может случиться, если на старой и плохо обслуживаемой подстанции испортится зануление), так пусть он сгорит, а не техника.
Подходящий трансформатор можно найти на «железном» или радиорынке, а то и у себя в кладовке. Не спутайте только с гасящим устройством для низковольтных электропаяльников – они выполнены на конденсаторах, и от них толку не будет, а будет авария.
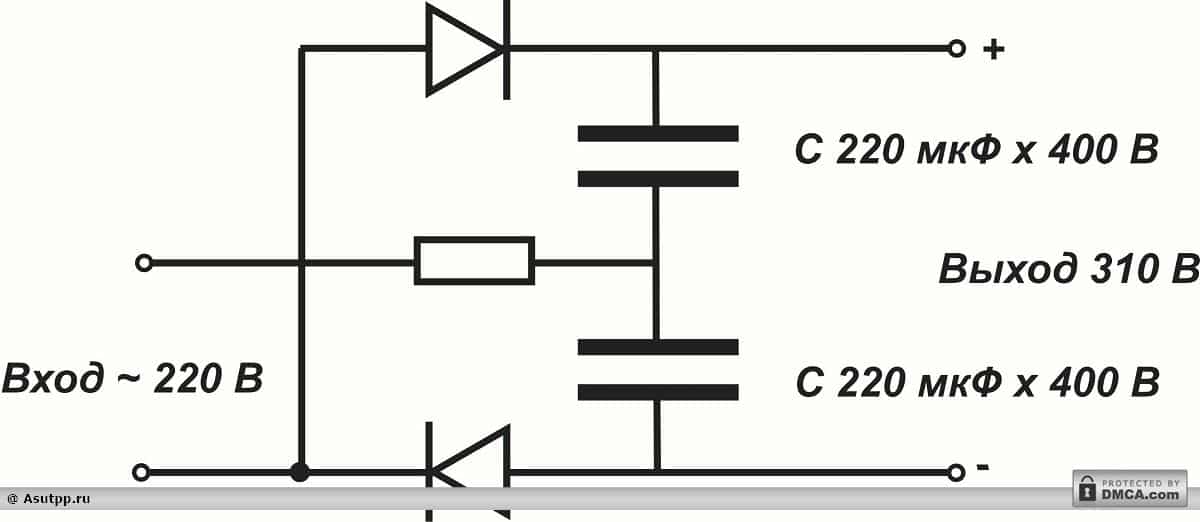
Повышение постоянного напряжения
Общий принцип увеличения постоянного напряжения в произвольное число раз
Трансформаторный способ увеличения напряжения не может применяться в сетях постоянного тока. Поэтому при необходимости решения этой задачи используют более сложные устройства, в основу функционирования которых положена следующая схема: постоянный входной ток используется для питания генератора, с выхода которого снимают переменный сигнал. Переменное напряжение увеличивают тем или иным образом, после чего выпрямляют и сглаживают для получения более высокого постоянного.
Структурная схема такого преобразователя показана на рисунке 5.

Рисунок 5. Обобщенная структурная схема повышающего преобразователя
Отдельные разновидности схем отличаются между собой:
- формой сигнала, снимаемого с выхода генератора (синусоидальное или близкое к нему, пилообразное, импульсное и т.д.);
- принципом увеличения генерируемого напряжения (трансформатор, умножитель);
- типом выпрямления и сглаживания напряжения перед подачей его на выход устройства.
В продаже доступны микроэлектронная элементная база, которая позволяет собирать преобразователи данной разновидности при наличии даже начальных навыков радиомонтажника.
Умножители
Умножители применяют в тех случаях, когда из переменного входного напряжения нужно получить постоянное, которое в кратное количество раз превышает входное.
Существует большое количество схем умножителей. Одна из них показана на рисунке 6.

Рис. 6. Принципиальная схема умножителя
Коэффициент умножения можно нарастить увеличением количества каскадов.

Рис. 7. Еще пример: умножитель в 6 и 8 раз

Рис. 8. Учетверитель напряжения
Общее для таких схем:
- мостовой принцип реализации для увеличения общего КПД устройства;
- использование конденсаторов для накапливания заряда;
- применение диодов как элемента выпрямления.
Рекомендация 5: Составление жалобы

Вышеперечисленные работы должны производиться поставщиком услуг или управляющей компанией. При звонке должна быть зафиксирована жалоба, и специалист выезжает на место для решения и устранения проблемы. Возможно, после звонка компания не примет никаких действий. В таком случае составляется письменная претензия. Желательно отправить заказным письмом, для подтверждения факта получения. Если претензия была проигнорирована снова, то обращение отправляется в прокуратуру и роспотребнадзор. Далее можно будет обратиться в районный суд.
Спасибо за прочтение статьи, надеемся, информация стала полезной для вас!
Электропроводка в частном доме: скрытые ошибки монтажа, создающие проблемы
Внимание: зона ответственности снабжающей организации заканчивается на ответвительной опоре! Схема подключения к ней, кабель ввода в дом и весь внутренний монтаж лежат на совести частного владельца. Поэтому вначале надо обращать внимание на состояние качества уличной проводки, а затем — внутридомовой
Поэтому вначале надо обращать внимание на состояние качества уличной проводки, а затем — внутридомовой
Контакты на улице
Ввод в здание и подключение к счетчику делают бригады электриков от поставщика и энергосбыта. От качества их работы может пострадать хозяин дома. Ему следует контролировать состояние проводов и создаваемых контактов.

Обычная скрутка алюминиевых жил на воздухе покрывается слоем окислов и ухудшает переходное сопротивление. Это место начинает больше греться и сильнее окисляться. Процесс со временем нарастает, хотя визуально может быть не заметен.
Естественный обдув воздухом и длина открытого провода его маскируют, но не останавливают. Увеличенное переходное сопротивление такого контакта — причина потери напряжения на нем.
Подключение ответвления специальными зажимами с нарушениями технологии — тоже возможная причина плохого контакта.

Если на нем образовались трещины, сколы, потемнения и другие дефекты, то они явно свидетельствуют об увеличенном переходном сопротивлении, потерях энергии.
Контакты вводного автомата
Подключение силового провода к автоматическому выключателю на вводе часто требует использования специальных переходников с созданием надежного ужима. Халатная работа сразу может не сказаться, но со временем проявиться.
Переходное сопротивление контактов владелец может проверить созданием электропроводке режима максимальной нагрузки на некоторое время. Сразу потребуется проконтролировать их нагрев
Проводя визуальный осмотр, следует обращать внимание на потемнение корпуса защитного модуля, состояние изоляции
Внутри дома возможны и другие причины, ведущие к снижению уровня электричества.
Типы устройств
В зависимости от мощности, конструкции и сферы их применения, существуют такие виды трансформаторов:
- Автотрансформатор конструктивно выполнен как одна обмотка с двумя концевыми клеммами, а также в промежуточных точках устройства имеются несколько терминалов, в которых располагаются первичные и вторичные катушки.
- Трансформатор тока включает в себя первичную и вторичную обмотку, сердечник из магнитного материала, а также оптические датчики, специальные резисторы, позволяющие ускорять способы регулировки напряжения.
- Силовой трансформатор — это устройство, передающее ток, при помощи индукции электромагнитного поля, между двумя контурами. Такие трансформаторы могут быть повышающими или понижающими, сухими или масляными.
- Антирезонансные трансформаторы могут быть как однофазными, так и трёхфазными. Принцип работы такого устройства мало чем отличается от трансформаторов силового типа. Конструктивно представляет собой устройство литого типа с хорошей теплозащитой и полузакрытой структурой. Трансформаторы антирезонансного типа применяются при передаче сигнала на большие расстояния и в условиях больших нагрузок. Идеально подходят для работы в любых климатических условиях.
- Заземляемые трансформаторы (догрузочные). Особенностью этого типа является расположение обмоток в форме звезды или зигзага. Часто заземляемые приборы применяют для подключения счётчика электрической энергии.
- Пик — трансформаторы используются в устройствах радиосвязи и технологиях компьютерного производства, по принципу отделения постоянного и переменного тока. Конструкция такого трансформатора является упрощённой: обмотка с определённым количеством витков расположена вокруг сердечника из ферромагнитного материала.
- Разделительный домашний трансформатор применяется при передаче энергии переменного тока к другому устройству или оборудованию, блокируя при этом способности источника энергии. В бытовых условиях такие приборы обеспечивают регулирование напряжения и гальваническую развязку. Чаще всего применяются для подавления электрических помех в чувствительных приборах и защиты от вредного воздействия электрического тока.
Как увеличить напряжение, если проблема в потребителе
Если в вашем доме неполадки с электричеством, нужно выяснить, почему падает напряжение в сети. Причины могут быть следующими:
- слишком маленькое сечение проводов;
- слабый контакт на участке электросети.
Если протяженность проводки превышает 100 метров, а сечение проводов составляет всего 16 миллиметров, будьте готовы к тому, что колебания на линии станут явлением обыденным и регулярным.

Небольшое (до 16 мм) сечение проводов может стать причиной падения напряжения в сети. Чтобы исправить ситуацию, придется менять проводку во всем доме
Если беда с контактом, то именно он оказывает дополнительное сопротивление для тока. Соответственно, до электроприборов ток доходит в меньшем объеме, чем должен. Выход здесь один: чтобы увеличить показатели, надо менять участок цепи, ликвидировать аварийные контакты.
Проводка в доме в порядке? Ищите проблемы вне здания на участке от опоры ЛЭП до строения:
- неправильное соединение проводов, отходящих от ЛЭП, с теми, что ведут к дому;
- неполадки с вводным аппаратом, который преобразует напряженность высоковольтных линий в пригодное для бытового использования.
В первом случае часто, хотя это и является нарушением требований безопасности, медные провода соединяют с алюминиевыми. Делать этого нельзя ни в коем случае. Иначе показатели тока будут колебаться в большую или меньшую сторону. Медные провода соединены между собой обычной скруткой, а не клеммами? Вот и причина того, что низкое напряжение меньше 220 в.
Если в неисправном состоянии сам вводный аппарат, а точнее, его выходы или входы, проверьте оборудование на работоспособность. Если оно вышло из строя, произведите срочную замену.

Напряжение в сети может падать из-за неисправного вводного автомата. Тогда агрегат нужно заменить на новый
Повышение переменного напряжения
Повысить переменное напряжение можно двумя способами – использовать трансформатор или автотрансформатор. Основная разница между ними состоит в том, что при использовании трансформатора есть гальваническая развязка между первичной и вторичной цепью, а при использовании автотрансформатора её нет.
Интересно! Гальваническая развязка – это отсутствие электрического контакта между первичной (входной) цепью и вторичной (выходной).
Рассмотрим часто возникающие вопросы. Если вы попали за границы нашей необъятной родины и электросети там отличаются от наших 220 В, например, 110В, то чтобы поднять напряжение со 110 до 220 Вольт нужно использовать трансформатор, например, такой как изображен на рисунке ниже:

Следует сказать о том, что такие трансформаторы можно использовать «в любую сторону». То есть, если в технической документации вашего трансформатора написано «напряжение первичной обмотки 220В, вторичной – 110В» – это не значит, что его нельзя подключить к 110В. Трансформаторы обратимы, и, если на вторичную обмотку подать, те же 110В – на первичной появится 220В или другое повышенное значение, пропорциональные коэффициенту трансформации.
Следующая проблема, с которой многие сталкиваются – низкое напряжение в электросети, особенно часто это наблюдается в частных домах и в гаражах. Проблема связана с плохим состоянием и перегрузкой линий электропередач. Чтобы решить эту проблему – вы можете использовать ЛАТР (лабораторный автотрансформатор). Большинство современных моделей могут как понижать, так и плавно повышать параметры сети.

Схема его изображена на лицевой панели, а на объяснениях принципа действия мы останавливаться не будем. ЛАТРы продаются разных мощностей, тот что на рисунке примерно на 250-500 ВА (вольт-амперы). На практике встречаются модели до нескольких киловатт. Такой способ подходит для подачи номинальных 220 Вольт на конкретный электроприбор.
Если вам нужно дёшево поднять напряжение во всем доме, ваш выбор — релейный стабилизатор. Они также продаются с учетом разных мощностей и модельный ряд подходит для большинства типовых случаев (3-15 кВт). Устройство основано также на автотрансформаторе. О том, как выбрать стабилизатор напряжения для дома, мы рассказали в статье, на которую сослались.

Стабилизатор напряжения
Это наиболее приемлемый метод. Стабилизатор может быть с ручным или автоматическим управлением. Стабилизатор с системой автоматики самостоятельно удерживает необходимую мощность, а ручной приходится настраивать своими руками. Раньше такие приборы были во многих домах, так как электричество в сети имело большие перепады, да и в настоящее время подача электроэнергии часто изменяется. Когда люди на работе, то напряжение нормальное, а вечером, когда все дома, и работают многие устройства, то напряжение может давать сбои.

В таких случаях стабилизатор выполняет две задачи – во-первых, он увеличивает неожиданно уменьшившееся напряжение, позволяя приборам непрерывно функционировать, а во-вторых, он создает безопасность, и предотвращает появление замыканий из-за перепадов питания. Стабилизатор является необходимым устройством, но достаточно дорогостоящим, поэтому если у вас нет в доме старого стабилизатора, то лучше его не приобретать, а воспользоваться другим методом.
Чаще всего стабилизатор постоянно находится в подключенном состоянии, защищая устройства. Многие из них имеют световую индикацию, указывающую на уровень напряжения и режима работы.
Как повысить силу тока в зарядном устройстве
В процессе пользования зарядными устройствами можно заметить, что ЗУ для планшета, телефона или ноутбука имеют ряд отличий. Кроме того, может различаться и скорость, с которой происходит заряд девайсов.
Здесь многое зависит от того, используется оригинальное или неоригинальное устройство.
Чтобы измерить ток, который поступает к планшету или телефону от зарядного устройства, можно использовать не только амперметр, но и приложение Ampere.
С помощью софта удается выяснить скорость заряда и разрядки АКБ, а также его состояние. Приложением можно пользоваться бесплатно. Единственным недостатком является реклама (в платной версии ее нет).
Главной проблемой зарядки аккумуляторов является небольшой ток ЗУ, из-за чего время набора емкости слишком большое. На практике ток, протекающий в цепи, напрямую зависит от мощности зарядного устройства, а также других параметров — длины кабеля, его толщины и сопротивления.
С помощью приложения Ampere можно увидеть, при какой силе тока производится заряд девайса, а также проверить, может ли изделие заряжаться с большей скоростью.
Для использования возможностей приложения достаточно скачать его, установить и запустить.
После этого телефон, планшет или другое устройство подключается к зарядному устройству
Вот и все — остается обратить внимание на параметры тока и напряжения. Кроме того, вам будет доступна информация о типе батареи, уровне U, состоянии АКБ, а также температурном режиме
Также можно увидеть максимальные и минимальные I, имеющие место в период цикла
Кроме того, вам будет доступна информация о типе батареи, уровне U, состоянии АКБ, а также температурном режиме. Также можно увидеть максимальные и минимальные I, имеющие место в период цикла.
Если в распоряжении имеется несколько ЗУ, можно запустить программу и пробовать делать зарядку каждым из них. По результатам тестирования проще сделать выбор ЗУ, обеспечивающего максимальный ток. Чем выше будет этот параметр, тем быстрее зарядится девайс.
Измерение силы тока — не единственное, на что способно приложение Ampere. С его помощью можно проверить, сколько потребляется I в режиме ожидания или при включении различных игр (приложений).
Например, после отключения яркости дисплея, деактивации GPS или передачи данных легко заметить снижение нагрузки. На этом фоне проще сделать вывод, какие опции в большей степени разряжают аккумулятор.
Что еще стоит отметить? Все производители рекомендуют заряжать девайсы «родными» ЗУ, выдающими определенный ток.
Но в процессе эксплуатации бывают ситуации, когда приходится заряжать телефон или планшет другими зарядными, имеющими большую мощность. В итоге скорость зарядки может оказаться выше. Но не всегда.
Мало, кто знает, но некоторые производители ограничивают предельный ток, который может принимать АКБ устройства.
Например, устройство Самсунг Гэлекси Альфа поставляется вместе с зарядным на ток 1,35 Ампер.
При подключении 2-амперного ЗУ ничего не меняется — скорость зарядки осталась той же. Это объясняется ограничением, которое установлено производителем. Аналогичный тест был произведен и с рядом других телефонов, что только подтвердило догадку.
С учетом сказанного выше можно сделать вывод, что «неродные» ЗУ вряд ли причинят вред аккумулятору, но иногда могут помочь в более быстрой зарядке.
Рассмотрим еще одну ситуацию. При зарядке девайса через USB-разъем АКБ набирает емкость медленнее, чем если заряжать устройство от обычного ЗУ.
Это объясняется ограничением силы тока, которую способен отдавать USB порт (не больше 0,5 Ампер для USB 2.0). В случае применения USB3.0 сила тока возрастает до уровня 0,9 Ампер.
Кроме того, существует специальная утилита, позволяющая «тройке» пропускать через себя больший I.
Для устройств типа Apple программа называется ASUS Ai Charger, а для других устройств — ASUS USB Charger Plus.
Проводники
Рассмотрим, какие бывают проводники. На сегодняшний день самым распространенным является проводник из меди. Из-за низкого удельного сопротивления и большой устойчивости к окислению, при этом довольно низкой ломкости, этот проводник все больше и больше находит применение в электрике. Постепенно медный проводник вытесняет алюминиевый. Медь применяют при производстве провода (жил в кабелях) и при изготовлении электротехнических изделий.
Вторым по применению можно назвать алюминий. Он часто используется в старой проводке, на смену которой приходит медь. Также применяется при производстве проводов и изготовлении электротехнических изделий. Следующий материал – это железо. Оно обладает удельным сопротивлением гораздо больше, чем медь и алюминий (в 6 раз больше, чем у меди и в 4 раза выше, чем у алюминия). Поэтому, при производстве проводов, как правило, не применяется. Зато применяется при изготовлении щитов, шин, которые благодаря большому сечению обладают низким сопротивлением. Также как крепежное изделие.
Золото в электрике не применяется, так как оно достаточно дорогое. Благодаря низкому значению удельного сопротивления и большой защиты от окисления применяется в космических технологиях.
Латунь в электрике не применяется.
Олово и свинец обычно применяются в сплаве в качестве припоя. Как проводники, для изготовления каких-либо приборов, не применяются.
Серебро чаще всего применяется в военной технике высокочастотных приборов. В электрике применяется редко.
Вольфрам применяется в лампах накаливания. Благодаря тому, что он не разрушается при высоких температурах, его используют в качестве нитей накаливания для ламп.
>Уголь, графит применяются в электрических щетках в электродвигателях. Проводники применяются с целью пропускать через себя силу тока. При этом ток совершает полезную работу.





