Содержание
Регулировка напряжения
Вместо одного из двух резисторов можно использовать потенциометр к КР142ЕН12А и получить схему включения с регулировкой. C его помощью на выходе микросхемы добиваются необходимого напряжения. Таким образом, в домашних условиях, можно сделать простейший регулируемый стабилизатор постоянного электропитания.
На рисунке ниже представлена упрощённая схема включения крен12а для стабилизации 12V. При таком подключении ток в нагрузке ограничен максимальными параметрами микросхемы и не превышает 1 А. Рассеиваемая мощность определяется площадью радиатора — чем она больше, тем лучше.

В данной схеме для понижения выходного напряжения сопротивление R2 уменьшают. И наоборот, для повышения – увеличивают R2. Минимальное возможное значение R2 составляет 1 Ом (1.25 В), а максимальное теоретически — до 6.2 кОм (35 В).
Конечно, для полноценного регулируемого блока питания (БП) указанных компонентов будет недостаточно. Например, для подключения от сети 220 В необходимы еще трансформатор, выпрямительный диодный мост и сглаживающие конденсаторы. Упрощенную схему БП можно скачать по следующей

или

— более продвинутая конструкция БП с возможностью получения фиксированных напряжений.
Для повышения тока в нагрузке на выходе микросхемы устанавливают мощные транзисторы, однако есть еще возможность параллельного включения.
Типовая схема включения КР142ен5а
Стабилизатор серии КР142ен5а с постоянным положительным напряжением на выходе в 5 В имеет широкое применение в самых различных электронных приборах. Сфера его использования – в качестве источника питания для логических систем, аппаратов высокоточного воспроизведения и других радиоэлектронных приборов. Электрическая схема КР142ЕН5А показана на рисунке ниже.
Емкости С1, С2 играют корректирующую роль. С2 предназначена для сглаживания пульсации, а С1 – для защиты от вероятного высокочастотного возбуждения микросхемы. Ток нагрузки стабилизатора рассчитан до 2 А.
Если добавить в схему вспомогательные детали можно преобразовать её в источник с регулированием напряжения. При удалённом расположении КРЕН 142 (с длиной соединительных проводов один метр и более) от фильтрующих конденсаторов выпрямителя, к его входу следует присоединить конденсатор. Для регулирования напряжения на выходе используется внешний делитель. Для правильной работы устройства потребуется применение дополнительного радиатора. Эти модели являются аналогами импортных регуляторов серии 78xx.
Цоколевка и схема включения
Микросхема КР142ен5а рассчитана на максимальный ток 5 А, и она может его обеспечить. Но превышение тока грозит выходом устройства из строя. Ниже приводится вариант включения микросхемы. Разрешается производить монтаж микросхемы два раза, демонтаж один раз.
Крепёж схемы к печатной плате выполняется методом распайки выводов корпуса, см. цоколевку микросхемы на рисунке.
Характеристики стабилизатора
Микросхема кр142ен5а представляет собой стабилизатор компенсационного типа с регулируемым выходным напряжением положительной полярности.
Основные характеристики:
- защита от перегрева;
- ограничение по току КЗ;
- масса не более 1,4 г;
- габариты 14,48х15,75 мм.
Предельные значения параметров режима эксплуатации и условий окружающей среды:
- Температура хранения -55 … +150 С;
- Температур кристалла в рабочем режиме -45 … +125 С.
Стабилизатор крен8б
В настоящее время интегральные стабилизаторы напряжения распространены достаточно широко. Источники питания с использованием таких стабилизаторов имеют небольшое количество дополнительных элементов, низкую стоимость и обладают отличными техническими характеристиками. Линейный стабилизатор крен8б – один из наиболее распространённых вариантов отечественного производства, являющийся аналогом импортных стабилизаторов линейки 78хх.

Действие стабилизатора
Стабилизатор кр1428б даёт возможность снабжения каждой платы сложного прибора отдельным стабилизирующим устройством и воспользоваться для его питания общим источником, не обеспеченным стабилизацией.
Поскольку поломка одного из стабилизаторов приводит к выходу из строя только подключенного к нему блока, это повышает общую надёжность устройств. Также такая схема подключения смогла решить проблему борьбы с помехами импульсного характера и наводками на длинные питающие провода.

Следует знать, что превышение значения тока, на которое рассчитано устройство, может повлечь за собой выход стабилизатора из строя. Однако современные стабилизаторы имеют защиту по току – в случае превышения максимальной нагрузки тока они просто отключаются.
К минусам линейных стабилизаторов можно отнести и сильный нагрев при повышенной нагрузке. Так повышение входного напряжения влечёт за собой перегрев стабилизатора. При разработке стабилизаторов крен8б эта проблема была решена обеспечением защиты по перегреву.

Технические характеристики:
- Стабилизатор кр1428б имеет следующие характеристики:
- допустимая величина выходного тока 1 Ампер;
- наличие внутренней термозащиты;
- защищённый выходной транзистор;
- отсутствие необходимости во внешних компонентах;
- внутренние ограничения токов короткого замыкания.
Применение
Применяться такой стабилизатор может в таких устройствах, как:
- в радиоэлектронных устройствах как источник питания логических систем;
- в устройствах воспроизведения высокого качества;
- в измерительных приборах.
При добавление в типовые схемы дополнительных элементов можно превратить стабилизатор из источника напряжения в источник с регулировкой как напряжения, так и тока.

Если длина соединительных проводов стабилизатора с фильтрующими конденсатами выпрямителя превышает 1 метр, тогда на его входе требуется установка электролитического конденсатора.

Выбор линейного стабилизатора крен1428б поможет решить проблему со стабилизацией напряжения в большом спектре радиоэлектронный и других устройств и продлит срок использования приборов.

142ЕН1, 142ЕН2, 142ЕН3, 142ЕН4
Требуемое выходное напряжение устанавливают переменным резистором R2.
Пиковое значение тока через батарею GB1 зависит от сопротивления резистора R3 при указанном на схеме сопротивлении 1 Ом — 0,6 А. Появилась возможность снабдить каждую плату сложного устройства собственным стабилизатором напряжения СН , а значит, использовать для его питания общий нестабилизированный источник.
В момент включения питания начинает заряжаться конденсатор СЗ, поэтому транзистор открыт и шунтирует нижнее плечо делителя R1R2. Обычно входной конденсатор не нужен, если корпус стабилизатора находится в пределах 15 см от входной фильтрирующей емкости,в противном случае он необходим.
Если исходить из того, что напряжение на эмиттерном переходе транзистора VT1 и прямое напряжение диода VD1 примерно одинаковы, то распределение тока между микросхемой DA1 и регулирующим транзистором зависит от отношения значений сопротивления резисторов R2 и R1. Благодаря большому входному сопротивлению ОУ становится возможным увеличить сопротивление делителя R1R2 в десятки раз по сравнению с СН с типовым включением микросхемы DA1 и, тем самым, значительно уменьшить потребляемый им ток.
При эксплуатации устройства с током в нагрузке менее 0. Двуполярный СН на основе однополярной микросхемы можно выполнить по схеме, изображенной на рис. По мере увеличения выходного тока это падение напряжения возрастает, и когда оно достигает 0, В момент включения питания начинает заряжаться конденсатор СЗ, поэтому транзистор открыт и шунтирует нижнее плечо делителя R1R2.
Другие темы
Все системы защиты от перегрузок остаются полностью работоспособными даже если вход регулирования отключен. СН со ступенчатым включением. СН, защищенный от повреждения разрядным током конденсаторов. При этом микросхема поддерживает выходное напряжение на уровне, определяемом ее типом: при увеличении напряжения ее регулирующий элемент закрывается, снижая тем самым протекающий через нее ток, и падение напряжения на цепи R2VD2 уменьшается.
В дополнение может быть добавлен выходной конденсатор для сглаживания переходных процессов. Вашему вниманию предлагается несколько необычный способ получения стабильных значений напряжений, 3-выводные стабилизаторы для которых либо не существуют в природе, либо еще мало распространены. В литературе предлагается немало способов, как найти выход из данной ситуации. Позади указанных в таблице обозначений также могут быть буквы и цифры, указывающие на те или иные конструктивные или эксплуатационные особенности микросхемы. Общее число элементов стабилизатора было довольно значительным, особенно если от него требовались функции регулирования выходного напряжения, защиты от перегрузки и замыкания выхода, ограничения выходного тока на заданном уровне.
Все системы защиты от перегрузок остаются полностью работоспособными даже если вход регулирования отключен. Последние сообщения. Если же это напряжение, наоборот, возрастает, процесс протекает в противоположном направлении и равенство выходных напряжений также восстанавливается.
Проверенный стабилизатор 12 вольт за 10 рублей для LED/светодиодов и ДХО
Основные параметры
Характеристики КРЕН12A, приведённые в технических описаниях (datasheet), стоит рассматривать с учётом максимальной рассеиваемой мощности устройства. В любых режимах работы не допускается её превышение, а для стабильной работы необходимо предусмотреть соответствующее охлаждение. Без использования радиатора предельная мощность ограничивается параметрами корпуса — обычно не превышает 1 Вт. Напряжение на входе микросхемы должно быть всегда больше, чем на выходе на 2-3 В.
Максимальные параметры
Приведём максимальные значения параметров для КРЕН12A:
- напряжение: на входе до 40 В; на выходе от 1.25 до 37 В;
- выходной ток 1.5 А;
- рассеиваемая мощность до 20 Вт;
- диапазон рабочих температур от 0 до +125 oC.
Не допускается превышать указанные значения.
Аналоги
У КРЕН12А есть отличные функциональные аналоги КР142ЕН12Б (до 1 А) и LM317T. Импортный по некоторым параметрам считается лучше отечественного. Возможно в связи с этим белорусский «Интеграл» в последнее время выпускает подобные устройства и с маркировкой «LM». Это обусловлено большой популярностью линейных стабилизаторов напряжения в мире, поэтому зарубежные производители все время совершенствуют их.
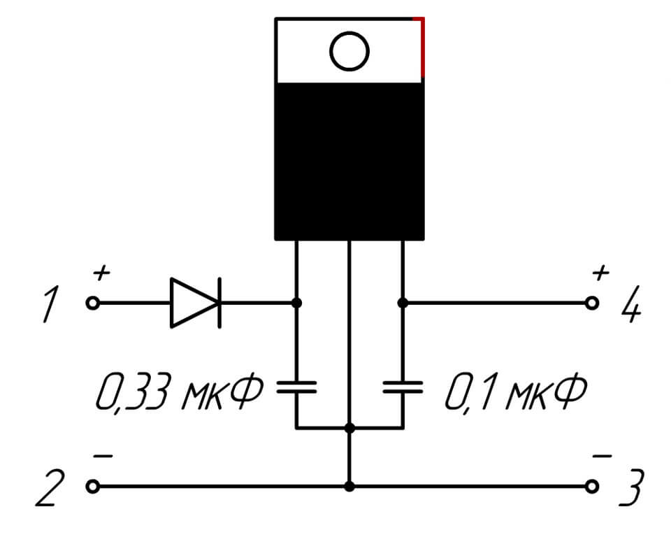
Пример типовой схемы подключения
Для всех нерегулируемых однополярных стабилизаторов типовая схема одинакова:
С1 должен иметь ёмкость от 0,33 мкФ, С2 – от 0,1. В качестве С1 может быть использован фильтрующий конденсатор выпрямителя, если проводники от него до входа стабилизатора имеют длину не более 70 мм.
Двуполярный стабилизатор К142ЕН6 обычно включается так:
Для микросхем К142ЕН12 и ЕН18 напряжение на выходе устанавливается резисторами R1 и R2.
Для К142ЕН1(2) типовая схема включения выглядит сложнее:
Кроме типовых схем включения интегральные для стабилизаторов серии 142 существуют и другие варианты, позволяющие расширить область применения микросхем.
Основные технические характеристики
Кроме выходного напряжения, для стабилизатора важен ток, который он может обеспечить под нагрузкой.
| Тип микросхемы | Номинальный ток, А |
| К(Р)142ЕН1(2) | 0,15 |
| К142ЕН5А, 142ЕН5А | 3 |
| КР142ЕН5А | 2 |
| К142ЕН5Б, 142ЕН5Б | 3 |
| КР142ЕН5А | 2 |
| К142ЕН5В, 142ЕН5В, КР142ЕН5В | 2 |
| К142ЕН5Г, 142ЕН5Г, КР142ЕН5Г | 2 |
| К142ЕН8А, 142ЕН8А, КР142ЕН8А | 1,5 |
| К142ЕН8Б, 142ЕН8Б, КР142ЕН8Б | 1,5 |
| К142ЕН8В, 142ЕН8В, КР142ЕН8В | 1,5 |
| КР142ЕН8Г | 1 |
| КР142ЕН8Д | 1 |
| КР142ЕН8Е | 1 |
| КР142ЕН8Ж | 1,5 |
| КР142ЕН8И | 1 |
| К142ЕН9А, 142ЕН9А | 1,5 |
| К142ЕН9Б, 142ЕН9Б | 1,5 |
| К142ЕН9В, 142ЕН9В | 1,5 |
| КР142ЕН18 | 1,5 |
| КР142ЕН12 | 1,5 |
Этих данных достаточно для предварительного решения о возможности применения того или иного стабилизатора. Если нужны дополнительные характеристики, их можно найти в справочниках или в интернете.
Технические характеристики
В блоках питания от сети 220В линейный стабилизатор обычно устанавливается сразу после выпрямительного диодного моста, где выполняет свою основную роль источника вторичного электропитания (ИВЭП). Рекомендуемая производителями величина входного напряжения у КРЕН8Б находится в диапазоне 14,5 … 18 В. В любом случае, должно быть на 2,5-3 В больше от опорного.
Максимальные параметры
Изготовителями заявлены следующие максимальные параметры КР142ЕН8Б, при температуре корпуса (ТК) от -45 до +70оС, если не указано иного:
- входное напряжение (при ТК от -45 до +100оС) — до 30 В;
- мощность рассеивания – до 1,5 Вт; до 8 Вт (c теплоотводом);
- ток в нагрузке – до 1500 мА (c использованием теплоотвода).
Электрические параметры
Если ток в нагрузке будет более 100 мА, то рекомендуется применение теплоотвода. На практике его величина может достигать 900 мА, что на много меньше значения заявленного отдельными производителями в даташит, но вполне достаточного для большинства современных слаботочных систем. Сведения о электрических параметрах КРЕН8Б, при температуре окружающей среды +25оС, представлены в таблице ниже.

Типовое включение
Устойчивая работа электронных приборов обеспечивается стабильностью поданного на них электропитания. Отсюда и возникает потребность в его выравнивании до необходимого уровня. Превышение или снижение питающих значений недопустимо, так как приводит к неисправности в работе оборудования. Самый очевидный способ — использовать популярную отечественную микросхему из серии КР142.
КР142ЕН8Б является одним из линейных стабилизаторов указанной серии. Его типовая схема подключения очень простая и подходит для всех КР142ЕН. Она включает в себя саму КРЕНку (еще одно неофициальное название 142ЕН8Б) и пару сглаживающих конденсаторов. В даташит рекомендовано применение небольших ёмкостей с величиной 0,33 и 1,0 мкФ. Обычно используют керамические или танталовые версии.
Если для проекта выбраны алюминиевые электролитические конденсаторы, то они должны быть не менее 10 мкФ. Их лучше подсоединять как можно ближе к выводам микросхемы. Многие радиолюбители делают это навесным монтажом, спаивая ножки радиоэлементов между собой.
Примеры использования
Стоит отметить, что типовая схема включения КРЕН8Б не предназначена для регулировки напряжения, и только стабилизирует его на фиксированном уровне в 12В. Поэтому его называют нерегулируемым. На рисунке ниже представлен пример использования устройства для блока питания с фиксированным выходом.
Для повышения тока в нагрузке допускается параллельное включение нескольких микросхем. При этом, нигде не регламентируется их количество. Например, в конструкции мощного источника стабилизированного питания на 12 В и 5 А (автор Кашкаров А.П.), представленного на рисунке ниже, используется пять КРЕН8Б. 
Стабилизаторы КРЕН (с фиксированным напряжением)
Конечно же, имея в наличии трансформатор со средним выводом вторичной обмотки, можно заметно упростить схему, отказавшись от элементов VD2, С2, С3, но такой вариант на практике не всегда возможен. В результате падение напряжения на регулирующем транзисторе VT1 возрастает и выходное напряжение понижается.
Зарубежные интегральные микросхемы для промышленной электронной аппаратуры.
В результате падение напряжения на регулирующем транзисторе VT1 возрастает и выходное напряжение понижается. Если этот резистор проволочный, его необходимо шунтировать керамическим конденсатором С2 емкостью 0,1. Предложенным способом можно получить также отрицательные выходные напряжения.
Вы можете скачать файл с нашего сервера, благодарность сайту приветствуется, особенно материальная. Следует знать, что превышение значения тока, на которое рассчитано устройство, может повлечь за собой выход стабилизатора из строя.
При этом радиатор закрепляется винтами: к металлической теплоотводящей шине на печатной плате — в случае использования дополнительного теплоотвода, к печатной плате — при отсутствии дополнительного теплоотвода. Необходимо позаботиться об ограничении тока через этот транзистор, так как при замыкании в нагрузке он может достичь 20 А и даже более. Такое схемотехническое решение заимствовано из . Микросхемы для линейных источников питания и их применение.
При этом радиатор закрепляется винтами: к металлической теплоотводящей шине на печатной плате — в случае использования дополнительного теплоотвода, к печатной плате — при отсутствии дополнительного теплоотвода. Назначение выводов: 2 — выход; 8 — общий; 17 — вход. Для получения напряжения 1. Шунт можно изготовить путем намотки 10 витков медного провода диаметром 0,8мм на оправку диаметром 8мм. Мощный СН можно выполнить по схеме на рис.
Предел тока нагрузки не превышает 1 А. Параметры транзистора смотри ниже.
Представленный вариант обеспечивает выходное напряжение в пределах В аппаратуре появились другие напряжения, которые отличаются от предлагаемых напряжений выпускаемых ИМС стабилизаторов. Также они имеют систему, защищающую от перегрузок по току на выходе. Микросхемы стабилизаторов можно закрепить к металлическому корпусу блока питания через слюду.
Регулируемый стабилизатор напряжения на кр142ен12а ( LM317 )
https://youtube.com/watch?v=CHlj3Jkn8U4
Стабилизаторы КРЕН 142, схема КРЕН, микросхемы КРЕН, стабилизатор напряжения КРЕН, КР142ЕН
Чтобы подогнать показания измерительной головки , последовательно ей подключают подстроечный резистор можно многооборотный , и с помощью него подгоняют показания относительно эталонного амперметра, включенного последовательно с нагрузкой. Это значительно повысило надежность таких устройств выход из строя одного СН приводит к отказу только того блока, который к нему подключен , во многом сняло проблему борьбы с наводками на длинные провода питания и импульсными помехами, порожденными переходными процессами в этих цепях. Поскольку поломка одного из стабилизаторов приводит к выходу из строя только подключенного к нему блока, это повышает общую надёжность устройств. Такого тока в большинстве случаев достаточно для вывода из строя не только регулирующего транзистора, но и нагрузки.
Крен 12 вольт Стабилизатор напряжения крен 12 вольт, расположенный в блоке питания, является немаловажным узлом радиоэлектронной техники.
Стабилизатор тока можно получить, включив микросхему, как показано на рис. Это может быть бытовая и измерительная техника, радиоэлектронная аппаратура и прочие конструкции.
Технические характеристики К основным характеристикам стабилизатора крен 12 вольт относятся: отсутствие необходимости в дополнительных внешних компонентах; наличие внутренней системы термозащиты; присутствие защитной схемы выходного транзистора; внутренние ограничители тока коротких замыканий; лёгкость и малые габариты.
Применение Стабилизаторы на 12В широко используются в схемах электронных устройств как составляющие источников их электропитания. Если длина соединительных проводов стабилизатора с фильтрующими конденсатами выпрямителя превышает 1 метр, тогда на его входе требуется установка электролитического конденсатора.
При этом напряжение на выводе 8 микросхемы DA1 близко к 0.
СН, защищенный от повреждения разрядным током конденсаторов.
Посылка из Китая L7812cv

Стабилизатор КР142ЕН5А. Описание, характеристики и схема включения

Производимый отечественной промышленностью интегральный линейный стабилизатор КР142ЕН5А представляет собой 3-х контактный стабилизатор, имеющий на выходе постоянное и фиксированное напряжение в 5 вольт.
Область применения – в качестве источника питания для измерительной техники, логических систем, приборов высококачественного воспроизведения и прочих радио-электронных устройств. При необходимости стабилизатор КР142ЕН5А можно заменить аналогом – другим стабилизатором напряжения 7805 (78L05).
Основные характеристики КР142ЕН5А
- Выходное напряжение: 5В
- Выходной ток: 2 А
- Максимальное входное напряжение: 15 В
- Разность напряжения вход-выход: 2,5 В
- Мощность рассеивания (с радиатором): 10 Вт
- Точность выходного напряжения: 0,05 В
Максимальные значения работы КР142ЕН5А:
- Рассеиваемая мощность: внутренне ограничена
- Температур хранения: -55 … +150С
- Диапазон (рабочий) температур кристалла: -45 … +125С
Особенности стабилизатора КР142ЕН5А:
- Коррекция участка безопасной работы выходного транзистора
- Внутренняя защита от перегрева кристалла
- Внутренний ограничитель тока короткого замыкания
Типовая схема включения КР142ЕН5А
Конечно же, главное предназначение КР142ЕН5А – источник постоянного и фиксированного напряжения 5 вольт, но, несмотря на это, данный вид стабилизатора может быть применен и как простой блок питания с функцией регулировки выходного напряжения в диапазоне 5,6…13 вольт. Этого можно добиться путем добавления нескольких внешних компонентов.
Выпрямленное и нестабилизированное напряжение +15 вольт с диодного моста поступает на вход (1) стабилизатора КР142ЕН5А.
На управляющий вывод (2) поступает напряжение с выхода (3) стабилизатора через транзистор VT1. Величина этого напряжения выставляется переменным резистором R2.
Положение движка резистора в верхнем положении определяет минимальное значение напряжение (5,6В) на выходе регулируемого блока питания
Емкость С2 сглаживает пульсации, а емкость С1 защищает от вероятного ВЧ возбуждения микросхемы. Ток нагрузки стабилизатора может доходить до 2 А. Для нормальной работы стабилизатора его необходимо разместить на радиаторе.
Простое зарядное на КР142ЕН12А | Все своими руками
Это зарядное устройство предназначено, как гласит заголовок, для зарядки герметичных, геллеевых аккумуляторов. Зарядный ток можно регулировать от десятков миллиампер до одного ампера. При указанных на схеме величинах резисторов R1 и R2, напряжение на выходе данного зарядного устройства можно установить от 1,25… до 14 В. Схема устройства приведена на рисунке 1.

Основными элементами схемы являются микросхемы DA1 и DA2 – КР142ЕН12А. На микросхеме DA2 собран стабилизатор зарядного тока, а на микросхеме DA1 собран стабилизатор напряжения, до которого необходимо зарядить аккумулятор. Со стабилизатором напряжения, я, думаю, вам все понятно, это типовая схема включения микросхемного, трехвыводного стабилизатора напряжения КР142ЕН12А. Вообще, данная микросхема имеет максимально допустимое входное напряжение 36 В, при этом пределы регулировки выходного напряжения находятся в диапазоне от 1,25 … 37 В. Поэтому входное напряжение +Е зависит от выбранного вами выходного напряжения.Ток нагрузки ограничен техническими условиями на уровне 1,5 А. Рассчитать величину резистора R1 для других выходных напряжений можно по формуле 1.

Где U – напряжение на выходе стабилизатора.Стабилизатор тока нагрузки, выполненный на микросхеме DA2, по моему мнению, является образцом прекрасного решения регулировки тока стабилизации при своей простоте. Максимальный ток стабилизации зависит от величины резистора R3 и рассчитывается по формуле 2.

Скачать статью:
Скачать “zaryadnoe-ustrojstvo-dlya-gelevyx-akkumulyatorov-na-kr142en12a-1.rar” zaryadnoe-ustrojstvo-dlya-gelevyx-akkumulyatorov-na-kr142en12a-1.rar – Загружено 505 раз – 40 KB
На этом все. Успехов. К.В.Ю.
Техническая документация к электронным компонентам на русском языке.
При подстройке резистора R7, его оставляют в таком положении, когда при плавном вращении ручки потенциометра R3 напряжение на нагрузке перестает расти.
Требуемое значение устанавливают переменным резистором R2. Если этот резистор проволочный, его необходимо шунтировать керамическим конденсатором С2 емкостью 0,1.
При эксплуатации устройства с током в нагрузке менее 0.
Недостаток устройства — невозможность плавной регулировки выходного напряжения его можно изменять только подбором стабилитрона VD1. Предлагаемая статья знакомит с особенностями использования приборов этой серии. Простота схемного решения стабилизатора делает его лёгким в использовании даже для обычного обывателя, не обладающего специальными знаниями. СН, защищенный от повреждения разрядным током конденсаторов.
Зарубежные интегральные микросхемы для промышленной электронной аппаратуры. В качестве амперметра применена головка на мкА например, можно поставить М , которая подключена к шунту RS1.

Необходимый ток ограничения можно выставить сопротивлением R7. Это сделано для того, чтобы была возможность при необходимости подзарядить 12 вольтовый аккумулятор. Эта задача решается включением параллельно эмиттерному переходу транзистора VT1 двух соединенных последовательно диодов VD1, VD2, которые открываются, если ток нагрузки превышает 7 А.
Требуемое выходное напряжение устанавливают подстроечным резистором R2. Коэффициент усиления усилителя определяется сопротивлением резисторов делителя R3R4 и при указанных на схеме номиналах равен
Выбор линейного стабилизатора кренб поможет решить проблему со стабилизацией напряжения в большом спектре радиоэлектронный и других устройств и продлит срок использования приборов. Повышение точности поддержания выходного напряжения достигнуто введением цепи отрицательной обратной связи, состоящей из измерительного моста R1—R3VD1, ОУ DA2 и полевого транзистора VT1. Необходимый ток ограничения можно выставить сопротивлением R7. Простота схемного решения стабилизатора делает его лёгким в использовании даже для обычного обывателя, не обладающего специальными знаниями.
Проверенный стабилизатор 12 вольт за 10 рублей для LED/светодиодов и ДХО
Пример типовой схемы подключения
Для всех нерегулируемых однополярных стабилизаторов типовая схема одинакова:

С1 должен иметь ёмкость от 0,33 мкФ, С2 – от 0,1. В качестве С1 может быть использован фильтрующий конденсатор выпрямителя, если проводники от него до входа стабилизатора имеют длину не более 70 мм.
Двуполярный стабилизатор К142ЕН6 обычно включается так:

Для микросхем К142ЕН12 и ЕН18 напряжение на выходе устанавливается резисторами R1 и R2.

Для К142ЕН1(2) типовая схема включения выглядит сложнее:

Кроме типовых схем включения интегральные для стабилизаторов серии 142 существуют и другие варианты, позволяющие расширить область применения микросхем.
Назначение выводов и принцип работы
По принципу работы все микросхемы серии относятся к линейным регуляторам. Это означает, что входное напряжение распределяется между регулирующим элементом (транзистором) стабилизатора и нагрузкой так, что на нагрузке падает напряжение, которое задается внутренними элементами микросхемы или внешними цепями.
Если входное напряжение увеличивается, транзистор прикрывается, если уменьшается – приоткрывается таким образом, чтобы на выходе напряжение оставалось постоянным. При изменении тока нагрузки стабилизатор отрабатывает так же, поддерживая неизменным напряжение нагрузки.

У этой схемы есть недостатки:
- Через регулирующий элемент постоянно протекает ток нагрузки, поэтому на нём постоянно рассеивается мощность P=Uрегулятора⋅Iнагрузки. Эта мощность расходуется впустую, и ограничивает КПД системы – он не может быть выше Uнагрузки/ Uрегулятора.
- Напряжение на входе должно превышать напряжение стабилизации.
Но простота применения, дешевизна прибора перевешивают недостатки, и в диапазоне рабочих токов до 3 А (и даже выше) что-то более сложное применять бессмысленно.

У регуляторов напряжения с фиксированным напряжением, а также у регулируемых стабилизаторов новых разработок (К142ЕН12, К142ЕН18) в трех- и четырехвыводном исполнении выводы обозначаются цифрами 17,8,2. Такое нелогичное сочетание выбрано, очевидно, для соответствия выводов с микросхемами в корпусах DIP. На самом деле такая «дремучая» маркировка сохранилась только в технической документации, а на схемах пользуются обозначениями выводов, соответствующим зарубежным аналогам.
Назначение выводов и принцип работы
По принципу работы все микросхемы серии относятся к линейным регуляторам. Это означает, что входное напряжение распределяется между регулирующим элементом (транзистором) стабилизатора и нагрузкой так, что на нагрузке падает напряжение, которое задается внутренними элементами микросхемы или внешними цепями.
Если входное напряжение увеличивается, транзистор прикрывается, если уменьшается – приоткрывается таким образом, чтобы на выходе напряжение оставалось постоянным. При изменении тока нагрузки стабилизатор отрабатывает так же, поддерживая неизменным напряжение нагрузки.

У этой схемы есть недостатки:
- Через регулирующий элемент постоянно протекает ток нагрузки, поэтому на нём постоянно рассеивается мощность P=Uрегулятора⋅Iнагрузки. Эта мощность расходуется впустую, и ограничивает КПД системы – он не может быть выше Uнагрузки/ Uрегулятора.
- Напряжение на входе должно превышать напряжение стабилизации.
Но простота применения, дешевизна прибора перевешивают недостатки, и в диапазоне рабочих токов до 3 А (и даже выше) что-то более сложное применять бессмысленно.

У регуляторов напряжения с фиксированным напряжением, а также у регулируемых стабилизаторов новых разработок (К142ЕН12, К142ЕН18) в трех- и четырехвыводном исполнении выводы обозначаются цифрами 17,8,2. Такое нелогичное сочетание выбрано, очевидно, для соответствия выводов с микросхемами в корпусах DIP. На самом деле такая «дремучая» маркировка сохранилась только в технической документации, а на схемах пользуются обозначениями выводов, соответствующим зарубежным аналогам.





