Содержание
Защита от неправильного использования
Когда выбирают лабораторный блок питания, в первую очередь обращают внимание на цену и максимальное значение напряжения и тока
Но наличие качественной защиты — это тоже очень важно, так как позволяет защитить не только блок питания, но и подлюченное к нему оборудование. В этом разделе мы расскажем о типах защит, которыми оснащаются серийные лабораторные блоки питания и рассмотрим несколько сопутствующих моментов
В этом разделе мы расскажем о типах защит, которыми оснащаются серийные лабораторные блоки питания и рассмотрим несколько сопутствующих моментов.
Защита от перегрузки по току (сокращённо OCP — Over Current Protection) должна мгновенно срабатывать при превышении выходным током заданного значения, что может произойти, например, при коротком замыкании выходных клемм блока питания. Такой тип защиты есть в большинстве хороших моделей
Но важно не только само наличие защиты, также важна скорость её срабатывания. В зависимости от реализации, защита от перегрузки по току может: полностью отключить выход блока питания от нагрузки, ограничить выходной ток заданным пороговым уровнем или перейти в режим стабилизации выходного тока (CC — Constant Current), сохранив то значение тока, которое было до перегрузки
В этом коротком видео показано как срабатывает защита маломощного лабораторного блока питания ITECH IT6720 при коротком замыкании его выходов.
Демонстрация срабатывания защиты от перегрузки по току при коротком замыкании.
Защита от перегрузки по напряжению (сокращённо OVP — Over Voltage Protection) срабатывает при превышении уровня напряжения на выходных клеммах блока питания заданного значения. Такая ситуация может возникать при работе на нагрузку с повышенным сопротивлением в режиме стабилизации тока. Или при попадании на клеммы лабораторного блока питания внешнего напряжения. Ещё одно применение этого типа защиты — это ограничение выходного напряжения блока питания на безопасном для подключенного оборудования уровне. Например, при питании цифровой схемы с напряжением 5 Вольт, есть смысл в настройках блока питания установить 5,5 Вольт в качестве порога срабатывания защиты.
Защита от перегрузки по мощности (сокращённо OPP — Over Power Protection) есть во всех моделях с . Задача этой защиты — ограничить максимальную мощность, которую лабораторный блок питания отдаёт в нагрузку, для того, чтобы силовые компоненты блока питания работали в штатном режиме и не перегревались. Если при работе в режиме стабилизации выходного напряжения (CV — Constant Voltage) будет превышен ток потребления, то прибор автоматически перейдёт в режим стабилизации выходного тока (CC — Constant Current) и начнёт снижать напряжение на нагрузке.
Защита от перегрева (сокращённо OTP — Over Temperature Protection) срабатывает при повышенном нагреве силовых компонентов блока питания, находящихся внутри корпуса. В простых моделях используется один датчик температуры, который просто впаян в плату управления. Он отслеживает среднюю температуру внутри корпуса и не способен быстро реагировать на опасный нагрев силовых элементов. В хороших моделях используется несколько датчиков, расположенных прямо в точках максимального выделения тепла. Такая реализация обеспечивает гарантированную защиту прибора, даже при быстром локальном перегреве. Обычно в хороших моделях защита от перегрева работает совместно с вентиляторами охлаждения с изменяемой частотой вращения. Чем больше тепла выделяется внутри прибора, тем выше скорость вращения вентиляторов. Если внутренняя температура всё-таки приблизится к критической, то будет выдано предупреждение (звуковое и надпись на экране), а если произойдёт превышение, то лабораторный блок питания автоматически выключится.
Также в лабораторных блоках питания встречаются такие виды защиты: от смены полярности (реверса), от пониженного напряжения (UVP — Under Voltage Protection) и от аварийного отключения.
↑ Борьба с пульсациями
Вот напряжение при нагрузке 1,5 А на входе модуля без дополнительного конденсатора.
↑ Увеличенная ёмкость на входе

С дополнительным конденсатором 4700 мкФ на входе, пульсации на выходе резко уменьшились, но при 1,5 А были ещё заметны. При уменьшении выходного напряжения до 16 В, идеальная прямая линия (2 В /клетка).

Падение напряжения на модуле DC-DC должно быть минимум 2…2,5 В. Теперь можно смотреть пульсации на выходе импульсного преобразователя.

Видны небольшие пульсации с частотой 100 Гц промодулированные частотой несколько десятков кГц.
↑ LC-фильтр на выходе
Datasheet на LM2596 рекомендует дополнительный LC фильтр на выходе. Так мы и сделаем. В качестве сердечника я использовал цилиндрический сердечник от неисправного БП компьютера и намотал обмотку в два слоя проводом 0,8 мм.

На плате красным цветом показано место для установки перемычки – общего провода двух каналов, стрелкой – место для припаивания общего провода, если не использовать клеммы. Посмотрим, что стало с ВЧ-пульсациями.

Их больше нет. Остались небольшие пульсации с частотой 100 Гц. Неидеально, но неплохо.
Замечу, что при увеличении выходного напряжения, дроссель в модуле начинает дребезжать и на выходе резко растёт ВЧ-помеха, стоит напряжение чуть уменьшить (всё это при нагрузке 12 Ом), помехи и шум полностью пропадают.
Общие рекомендации по ремонту блока питания телевизора
Итак, пошаговая инструкция ремонт импульсного блока питания:
- Включаем телевизор, убеждаемся, что он не работает, что индикатор дежурного режима не горит. Если он горит, значит дело, скорее всего, не в блоке питания. На всякий случай надо будет проверить напряжение питания строчной развертки.
- Выключаем телевизор, разбираем его.
- Проводим внешний осмотр платы телевизора, особенно участка, где размещен блок питания. Иногда могут быть обнаружены вспучившиеся конденсаторы, обгоревшие резисторы и другое. Надо будет в дальнейшем проверить их.
- Внимательно смотрим пайки, особенно трансформатора, ключевого транзистора/микросхемы, дросселей.
- Проверяем цепь питания: прозваниваем шнур питания, предохранитель, выключатель питания (если он есть), дроссели в цепи питания, выпрямительный мост. Часто при неисправном ИБП предохранитель не сгорает — просто не успевает. Если пробивается ключевой транзистор, скорее сгорит балластное сопротивление, чем предохранитель. Бывает, что горит предохранитель из-за неисправности позистора, который управляет размагничивающим устройством (петлей размагничивания). Обязательно проверьте на короткое замыкание выводы конденсатора фильтра сетевого питания, не выпаивая его, так как таким образом часто можно проверить на пробой выводы коллектор – эмиттер ключевого транзистора или микросхемы, если в нее встроен силовой ключ. Иногда питание на схему подается с конденсатора фильтра через балластные сопротивления и в случае их обрыва надо проверять на пробой непосредственно на электродах ключа.
- Проверяем остальные детали блока — диоды, транзисторы, некоторые резисторы. Сначала проверку производим без выпаивания детали, выпаиваем только когда возникло подозрение, что деталь может быть неисправна. В большинстве случаев такой проверки достаточно. Часто обрываются балластные сопротивления. Балластные сопротивления имеют малую величину (десятые Ома, единицы Ом) и предназначены для ограничения импульсных токов, а также для защиты в качестве предохранителей.
- Смотрим, нет ли замыканий во вторичных цепях питания — для этого проверяем на короткое замыкание выводы конденсаторов соответствующих фильтров на выходах выпрямителей.
Включаем. На этом этапе возможны три варианта:
- Лампочка ярко вспыхнула, затем притухла, появился растр. Или загорелась индикация дежурного режима. В обоих случаях надо замерить напряжение, питающее строчную развертку — для разных телевизоров оно различно, но не больше 125 Вольт. Часто его величина написана на печатной плате, иногда возле выпрямителя, иногда возле ТДКС. Если оно завышено до 150–160 Вольт, а телевизор находится в дежурном режиме, то переведите его в рабочий режим. В некоторых телевизорах допускается завышение напряжений на холостом ходу (когда строчная развертка не работает). Если в рабочем режиме напряжение завышено, проверьте электролитические конденсаторы в блоке питания только методом замены на заведомо исправный. Дело в том, что часто электролитические конденсаторы в ИБП теряют частотные свойства и на частоте генерации перестают выполнять свои функции несмотря на то, что при проверке тестером методом заряда-разряда конденсатор вроде бы исправен. Также может быть неисправна оптопара (если она есть) или цепи управления оптопарой. Проверьте, регулируется ли выходное напряжение внутренней регулировкой (если таковая имеется). Если не регулируется, то надо продолжить поиск неисправных деталей.
- Лампочка ярко вспыхнула и погасла. Ни растра, ни индикации дежурного режима не появилось. Это говорит о том, что импульсный блок питания не запускается. Надо измерить напряжение на конденсаторе сетевого фильтра, оно должно быть 280–300 Вольт. Если его нет — иногда ставят балластное сопротивление между мостом сетевого выпрямителя и конденсатором. Еще раз проверить цепи питания и выпрямителя. Если напряжение занижено, может быть оборван один из диодов моста сетевого выпрямителя или, что встречается чаще, потерял емкость конденсатор фильтра сетевого питания. Если напряжение в норме, то нужно еще раз проверить выпрямители вторичных источников питания, а также цепь запуска. Цепь запуска у простых телевизоров состоит из нескольких резисторов, включенных последовательно. Проверяя цепь, надо измерять падение напряжения на каждом из них, измеряя напряжение непосредственно на выводах каждого резистора.
- Лампочка горит на полную яркость. Немедленно выключите телевизор. Заново проверьте все элементы. И помните — чудес в радиотехнике не бывает, значит вы где-то что-то упустили, не все проверили.
↑ Это трудно назвать стабилизатором…
Можно подумать, что достаточно взять трансформатор, диодный мост, подключить к ним модуль, и перед нами стабилизатор с выходным напряжением 3…30 В и током до 2 А (кратковременно до 3 А). Я так и сделал. Без нагрузки всё было хорошо. Трансформатор с двумя обмотками по 18 В и обещанным током до 1,5 А (провод на глаз был явно тонковат, так оно и оказалось). Мне нужен был стабилизатор +-18 В и я выставил нужное напряжение.
При нагрузке 12 Ом ток 1,5 А, вот осциллограмма, 5 В /клетка по вертикали.

Это трудно назвать стабилизатором.
Причина проста и понятна: конденсатор на плате 200 мкФ, он служит только для нормальной работы DC-DC преобразователя. При подаче на вход напряжения от лабораторного блока питания, всё было нормально. Выход очевиден: надо питать стабилизатор от источника с малыми пульсациями, т. е. добавить после моста ёмкость.
Варианты двухполярного питания для портатива
Конечно для двухполярного питания в портативе можно воспользоваться двумя аккумуляторами. Но это приведет к дополнительным сложностям с их зарядкой, а также к расбалансу плеч по мере старения аккумуляторов.
Более продвинутый вариант сделать двухполярное питание из однополярного — использовать dc-dc инвертор напряжения MAX660, MAX865 или любой другой. Но и тут есть проблема. при разряде аккумулятора, вслед за положительным напряжением будет падать и отрицательное. Т.е. при заряженном аккумуляторе питание будет ±4.2, а при разряженном ±3 В или еще меньше.
И тут на помощь приходят SEPIC преобразователи. Не будем углубляться в теорию процесса преобразования — это тема отдельной статьи. А пока рассмотрим преобразователь однополярного напряжения в двухполярное на TPS65133.
Модули для БП
Мы будем собирать импульсный блок питания, но паять ничего не будем, просто купим у китайцев уже спаянный модуль регулировки напряжения с ограничением тока, такой модуль может отдать 30 вольт 5 ампер. Согласитесь, что не каждый аналоговый БП на такое способен, да и какие потери в виде тепла, так как транзистор или микросхема лишнее напряжение берет на себя. О конкретном типе модуля и его схеме не пишу — они всякие бывают.

Теперь индикация — здесь мы тоже ничего изобретать не будем, возьмем готовый модуль индикации, как и с модулем управления напряжением.

Чем буде все это питать от сети 220 В — читаем дальше. Здесь есть два пути.
- Первый — искать готовый трансформатор или намотать свой.
- Второй — это взять импульсный БП на нужное напряжение и ток, или доработать под нужные характеристики.

И да, забыл сказать, что подать на модуль управления максимально без последствий можно 32 вольта, но лучше 30 вольт 5 ампер, с током нужно быть аккуратнее тоже, так как схема управления терпит 5 ампер, но не более, но отдаёт все что есть на трансформаторе потому и легко сгорает.
Как подобрать компоненты
Для трансформаторного источника подбирается, в первую очередь, трансформатор. В большинстве случаев он берется готовый из того, что есть. Этот узел должен выдавать требуемый ток при максимальном напряжении. Сочетание этих параметров обеспечивается габаритной мощностью трансформатора. Для промышленных устройств параметры можно узнать из справочника. Для случайных трансформаторов мощность можно определить по размерам сердечника (в сантиметрах).
Площадь сердечника для разных типов трансформаторов.
Мощность вычисляется по формуле:
P=S2/1.44 где:
- P-мощность в Ваттах;
- S- сечение в квадратных сантиметрах.
Для практических целей мощность надо еще умножить на КПД. Для примера, трансформатор с площадью сердечника 6 кв.см. при напряжении 35 вольт и выходном напряжении стабилизатора 30 вольт (общий КПД можно взять 0.75) способен отдать мощность P=(36/1.44)*0.75=18.75 ватт. Наибольший ток при этом составит I=P/U=18.75/35=0,5 А.
Если трансформатор проходит по мощности, но вторичная обмотка рассчитана на другое напряжение, ее можно удалить и намотать новую (если уместится). Количество витков рассчитывается так:
- определяется количество витков на вольт по формуле 50/S, где S – площадь сердечника в кв.см.;
- эта величина умножается на необходимый уровень напряжения.
Так, для площади 6 см на 1 вольт приходится 50/6=8,3 витка на вольт. Для напряжения 35 вольт обмотка должна иметь 35*8,3=291 виток. Диаметр провода рассчитывается по формуле D=0,02, где I – ток в миллиамперах. Для тока в 5 ампер надо взять провод диаметром 0,02*=70*0,02=1,4 мм.
Если для линейного регулятора подбирается мощный транзистор, основной критерий для применения – ток коллектора. Он должен с запасом перекрывать ток нагрузки. Этот параметр для распространенных отечественных и зарубежных транзисторов приведен в таблице.
| Транзистор | Наибольший ток коллектора (постоянный), А |
|---|---|
| КТ818 (819) | 10 |
| КТ825 (827) | 20 |
| КТ805 | 5 |
| TIP36 | 25 |
| 2N3055 | 15 |
| MJE13009 | 12 |
Также надо обратить внимание на такой параметр, как максимальное напряжение между коллектором и эмиттером. При входном напряжении 35 вольт и выходном 1,5 разница составит 33,5 вольт, для некоторых полупроводниковых приборов это недопустимо
Емкость оксидного конденсатора, стоящего после выпрямителя, выбирается исходя из нагрузки. Существуют формулы для расчета параметров фильтра, но на практике подход простой: чем больше, тем лучше. Сверху на емкость наложено два ограничения:
- габариты конденсатора;
- бросок тока на заряд, который может быть значительным при большой емкости.
Выходной конденсатор БП может иметь емкость около 1000 мкФ.
↑ Борьба с пульсациями
Вот напряжение при нагрузке 1,5 А на входе модуля без дополнительного конденсатора.
↑ Увеличенная ёмкость на входе

С дополнительным конденсатором 4700 мкФ на входе, пульсации на выходе резко уменьшились, но при 1,5 А были ещё заметны. При уменьшении выходного напряжения до 16 В, идеальная прямая линия (2 В /клетка).

Падение напряжения на модуле DC-DC должно быть минимум 2…2,5 В. Теперь можно смотреть пульсации на выходе импульсного преобразователя.

Видны небольшие пульсации с частотой 100 Гц промодулированные частотой несколько десятков кГц.
↑ LC-фильтр на выходе
Datasheet на LM2596 рекомендует дополнительный LC фильтр на выходе. Так мы и сделаем. В качестве сердечника я использовал цилиндрический сердечник от неисправного БП компьютера и намотал обмотку в два слоя проводом 0,8 мм.

На плате красным цветом показано место для установки перемычки – общего провода двух каналов, стрелкой – место для припаивания общего провода, если не использовать клеммы. Посмотрим, что стало с ВЧ-пульсациями.

Их больше нет. Остались небольшие пульсации с частотой 100 Гц. Неидеально, но неплохо.
Замечу, что при увеличении выходного напряжения, дроссель в модуле начинает дребезжать и на выходе резко растёт ВЧ-помеха, стоит напряжение чуть уменьшить (всё это при нагрузке 12 Ом), помехи и шум полностью пропадают.
Схема для лабораторного БП
Для переделки ненужного блока питания компьютера в лабораторный источник с регулируемым выходным напряжением хорошо подходят БП стандарта ATX (но можно и AT), выполненные по схеме с ШИМ на микросхеме TL494 или ее аналогах.
Структурная схема блока питания стандарта ATX.
Хотя они все построены по одной структурной схеме и работают по схожему принципу, физически реализованы источники питания могут быть по-разному. Потому первое, с чего надо начать – попытаться найти принципиальную схему от фактически имеющегося блока.
Процедуру переделки можно рассмотреть на примере модели LC-250ATX. Поняв принцип, можно будет работать и с другими подобными блоками.
Изначальная схема блока LC-250ATX.
В основу работы LC-250ATX положен принцип ШИМ, реализованный на стандартной для таких схем микросхеме TL494. Она формирует импульсы, которые усиливаются ключами на транзисторах Q6,Q7, далее через трансформатор T2 ключами на транзисторах Q1, Q2 создаются импульсы на первичной обмотке трансформатора T1. Эти импульсы трансформируются через вторичные обмотки и подаются на выпрямители различных напряжений, из которых для переделки интересен лишь канал +12 вольт.
Схема дежурного напряжения собрана на транзисторе Q3, трансформаторе T3 и интегральном стабилизаторе 7805. Этот участок также понадобится для будущей конструкции. На операционном усилителе LM339 собрана схема формирования сигнала PWR_OK и запуска БП сигналом от материнской платы.
Схемы блоков питания
Напряжение лабораторного БП располагается в интервале от 0 до 35 вольт. Для этой цели подходят схемы, по которым можно собрать следующие БП:
- однополярный;
- двуполярный;
- лабораторный импульсный.
Конструкции подобных устройств обычно собраны либо на обычных трансформаторах напряжения (ТН), либо на импульсных трансформаторах (ИТ).
Внимание! Отличие ИТ от ТН в том, что на обмотки ТН подается синусоидальное переменное напряжение, а на обмотки ИТ приходят однополярные импульсы. Схема включения обоих абсолютно идентична
Импульсный трансформатор
Простой лабораторный
Однополярный БП с возможностью регулировать выходное напряжение можно собрать по схеме, в которую входят:
- понижающий трансформатор Tr ( 220/12…30 В);
- диодный мост Dr для выпрямления пониженного переменного напряжения;
- электролитический конденсатор С1 (4700 мкФ*50В) для сглаживания пульсации переменной составляющей;
- потенциометр для регулировки выходного напряжения Р1 5 кОм;
- сопротивления R1, R2, R3 номиналом 1кОм, 5,1 кОм и 10 кОм, соответственно;
- два транзистора: Т1 КТ815 и Т2 КТ805, которые желательно установить на теплоотводы;
- для контроля напряжения на выходе устанавливают цифровой вольтамперметр, с интервалом измерений от 1,5 до 30 В.
В коллекторную цепь транзистора Т2 включены: С2 10 мкф * 50 В и диод Д1.
Схема простого БП
К сведению. Диод устанавливают для защиты С2 от переполюсовки при подключении к аккумуляторам для подзарядки. Если такая процедура не предусмотрена, можно заменить его перемычкой. Все диоды должны выдерживать ток не менее 3 А.
Печатная плата простого БП
Двухполярный источник питания
Для питания усилителей низкой частоты (УНЧ), имеющих два “плеча” усиления возникает необходимость в применении двухполярного БП.
Важно! Если монтировать лабораторный БП, стоит остановить внимание именно на аналогичной схеме. Источник питания должен поддерживать любые форматы выдаваемого постоянного напряжения
Двухполярный ИП на транзисторах
Для такой схемы допустимо применять трансформатор с двумя обмотками на 28 В и одной на 12 В. Первые две – для усилителя, третья – для питания охлаждающего вентилятора. Если таковой не окажется, то достаточно двух обмоток равного напряжения.
Для регулировки выходного тока применены наборы резисторов R6-R9, подключаемые с помощью сдвоенного галетного переключателя (5 положений). Резисторы подбирают такой мощности, чтобы они выдерживали ток более 3 А.
Переменный резистор R нужно брать сдвоенный номиналом 4.7 Ом. Так проще осуществлять регулировку по обоим плечам. Стабилитроны VD1 Д814 соединены последовательно для получения 28 В (14+14).
Для диодного моста можно взять диоды подходящей мощности, рассчитанные на ток до 8 А. Допустимо устанавливать диодную сборку типа KBU 808 или аналогичную. Транзисторы КТ818 и КТ819 необходимо установить на радиаторы.
Подбираемые транзисторы должны иметь коэффициент усиления от 90 до 340. БП после сборки не требует специальной наладки.
Лабораторный импульсный бп
Отличительной чертой ИПБ является рабочая частота, которая в сто раз выше частоты сети. Это дает возможность получить большее напряжение при меньшем количестве витков обмотки.
Информация. Чтобы получить 12 В на выходе ИПБ с током 1 А для сетевого трансформатора достаточно 5 витков при сечении провода 0,6-0,7 мм.
Простой полярный ИП можно собрать, используя импульсные трансформаторы от компьютерного БП.
Лабораторный блок питания своими руками можно собрать по схеме приведенной ниже.
Схема импульсного блока питания
Данный источник питания собран на микросхеме TL494.
Важно! Для управления Т3 и Т4 используется схема, в которую входит управляющий Тr2. Это связано с тем, что встроенные ключевые элементы микросхемы не имеют достаточной мощности
Трансформатор Тr1 (управляющий) берут от компьютерного БП, он «раскачивается» при помощи транзисторов Т1 и Т2.
Особенности сборки схемы:
- для минимизации потерь при выпрямлении используют диоды Шоттки;
- ESR электролитов в фильтрах на выходе должен быть как можно ниже;
- дроссель L6 от старых БП применяют без изменения обмоток;
- дроссель L5 перематывают, намотав на ферритовое кольцо медный провод диаметром 1,5 мм, набрав 50 витков;
- Т3, Т4 и D15 крепят на радиаторы, предварительно отформатировав выводы;
- для питания микросхемы, управления током и напряжением применяют отдельную схему на Tr3 BV EI 382 1189.
Вторичная обмотка выдает 12 В, которые выпрямляются и сглаживаются при помощи конденсатора. Микросхема линейного стабилизатора 7805 стабилизирует его до 5 В для питания схемы индикации.
Внимание! Допустимо использовать в этом БП любую схему вольтамперметра. В таком случае микросхема для стабилизации 5 В не понадобится
↑ Борьба с пульсациями
Вот напряжение при нагрузке 1,5 А на входе модуля без дополнительного конденсатора.
↑ Увеличенная ёмкость на входе

С дополнительным конденсатором 4700 мкФ на входе, пульсации на выходе резко уменьшились, но при 1,5 А были ещё заметны. При уменьшении выходного напряжения до 16 В, идеальная прямая линия (2 В /клетка).

Падение напряжения на модуле DC-DC должно быть минимум 2…2,5 В. Теперь можно смотреть пульсации на выходе импульсного преобразователя.

Видны небольшие пульсации с частотой 100 Гц промодулированные частотой несколько десятков кГц.
↑ LC-фильтр на выходе
Datasheet на LM2596 рекомендует дополнительный LC фильтр на выходе. Так мы и сделаем. В качестве сердечника я использовал цилиндрический сердечник от неисправного БП компьютера и намотал обмотку в два слоя проводом 0,8 мм.

На плате красным цветом показано место для установки перемычки – общего провода двух каналов, стрелкой – место для припаивания общего провода, если не использовать клеммы. Посмотрим, что стало с ВЧ-пульсациями.

Их больше нет. Остались небольшие пульсации с частотой 100 Гц. Неидеально, но неплохо.
Замечу, что при увеличении выходного напряжения, дроссель в модуле начинает дребезжать и на выходе резко растёт ВЧ-помеха, стоит напряжение чуть уменьшить (всё это при нагрузке 12 Ом), помехи и шум полностью пропадают.
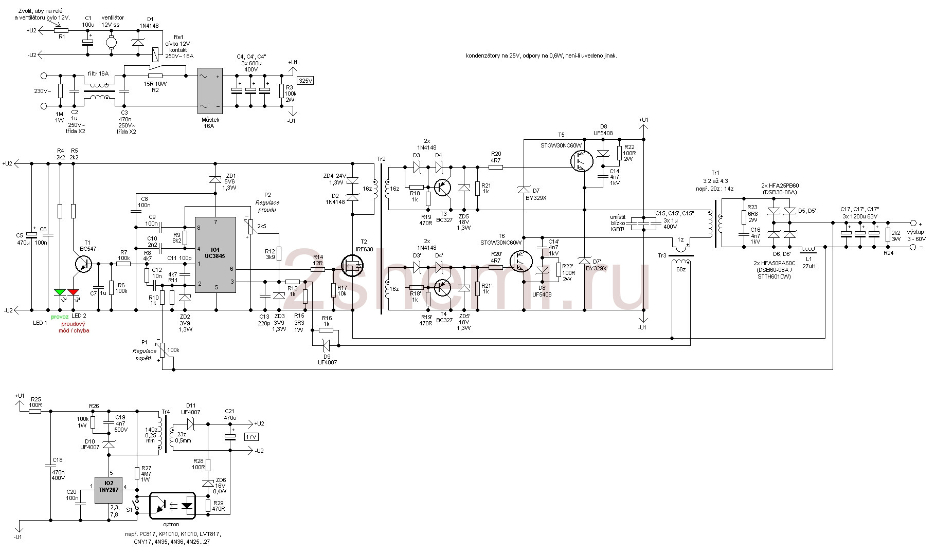
Схема принципиальная ИБП на 2 кВт

Сетевое напряжение сначала проходит через фильтр помех, а затем выпрямляется и фильтруется с помощью конденсаторов C4. Для уменьшения пускового тока был последовательно подключен переключатель с Re1 и R2. Катушка реле и вентилятора (обычный, от блока питания компьютера) питаются от 12 В, получаемых путем понижения напряжения 17 В от вспомогательного источника. Резистор R1 должен быть выбран как так что напряжение на упомянутой катушке и вентиляторе составляет 12 В. Вспомогательный источник питания был построен на основе м/с TNY267. Резистор R27 реализует защиту от пониженного напряжения этого источника питания — он не запустится при напряжении ниже пика 220 В.

Контроллер UC3845 имеет сигнал 50 кГц на выходе и максимальную скважность 47%. Он питается от стабилитрона, который снижает напряжение питания на 5,6 В (с выходом 11,4 В), а также сдвигает пороги UVLO с 7,9 В (ниже) и 8,5 В (вверху) до соответственно 13,5 и 14,1 В
Следовательно, источник питания начнет работать при напряжении 14,1 В, и не будет ниже 13,5 В, благодаря чему защита IGBT была получена от работы без насыщения. Первоначально это было невозможно, потому что пороги UC3845 были слишком низкими.

Эта схема управляет MOSFET T2, который, в свою очередь, питает управляющий трансформатор Tr2. В результате были получены гальваническая развязка и плавающий контроль. Этот трансформатор, через системы формирования с T3 и T4, управляет IGBT T5 и T6 затворами. Эти транзисторы переключают выпрямленное сетевое напряжение (325 В), питая силовой трансформатор Tr1.

Напряжение от вторичной обмотки этого трансформатора затем выпрямляется с использованием выпрямителя, подключенного в транзитной системе, и сглаживается дросселем L1 и конденсаторами C17. Обратная связь по напряжению подается с выхода на вывод 2 UC3845. Напряжение можно выставить с помощью потенциометра P1. Гальваническая развязка обратной связи не требуется, поскольку контроллер был подключен к вторичной стороне напряжения и изолирован от сети. Обратная связь по току была реализована с использованием трансформатора тока Tr3 и выведена на выход 3 UC3845. Порог ограничения тока можно установить с помощью P2.

Транзисторы T5, T6, диоды D5, D5′, D6, D6′, D7, D7′ и диодный мост обязательно должны быть размещены на радиаторе. Диоды D7, конденсаторы C15 и защитные цепи R22 + D8 + C14 должны быть как можно ближе к IGBT. Светодиод 1 указывает, что устройство включено, светодиод 2 — режим ограничения тока или ошибка. Он будет светиться, когда схема не находится в режиме стабилизации напряжения. В состоянии стабилизации на выходе 1 UC3845 составляет 2,5 В, в остальных случаях около 6 В. LED сигнализация может быть убрана.

↑ Монтаж
Для монтажа модуля я применил самодельные «стойки» из луженого провода диаметром 1 мм.

Это обеспечило удобный монтаж и охлаждение модулей. Стойки можно сильно нагревать при пайке, они не сместятся в отличие от простых штырей. Эта же конструкция удобна, если надо припаять к плате внешние провода – хорошая жесткость и контакт. Плата позволяет легко заменить при необходимости модуль DC-DC. Общий вид платы с дросселями от половинок какого-то ферритового сердечника (индуктивность не критична).

Несмотря на крошечные размеры модуля DC-DC, общие размеры платы получились соизмеримыми с платой аналогового стабилизатора.

Лабораторный блок питания своими руками 1,3-30В 0-5А
Немножко подумав, мы сделали свою интерпретацию данного блока питания. Повысили емкость входных конденсаторов, убрали элементы измерительной головки и добавили парочку защитных диодов. Применения в этой схеме КТ818 было абсолютно неоправданно, он безбожно грелся и безвозвратно издох, пока его не заменили парой недорогих транзисторов TIP36C, которые включили параллельно.

Настройку блока питания необходимо проводить в несколько этапов:
Первое включение производится без LM301 и транзисторов. Регулятором Р3 проверяем, как регулируется напряжение. За регулировку напряжения отвечают LM317, Р3, R4 и R6, С9.
Если регулировка напряжения производиться нормально, тогда к схеме подключаем транзисторы. Пару транзисторов покупать лучше с одной партии, с максимально близким hFE. Для нормальной работы параллельно включенных транзисторов, в цепи эмиттера должны находиться балансировочные резисторы R7 и R8. Номинал R7 и R8 необходимо подбирать, сопротивление должно быть максимально низким, но достаточным, что бы ток проходящий через Т1 был равен току проходящим через Т2. На данном этапе к выходу БП можно подключать нагрузку, но ни в коем случае не стоит устраивать КЗ – транзисторы моментально выйдут из строя, забрав с собой и LM317.
Следующим этапом станет установка LM301
Важно убедиться, что на 4-й ножке операционного усилителя присутствует -6 В. Если там +6 В, то необходимо внимательно осмотреть, как у Вас включен диодный мост BR2 и правильно ли подключен конденсатор С2
Питание LM301 (7я ножка) МОЖНО брать с выхода БП.
Вся дальнейшая настройка сводиться к подгону Р1 под максимальный рабочий ток блока питания. Как видим, настроить лабораторный блок питания своими руками будет совсем не трудно, главное не допустить ошибки при монтаже.
Используемые нами основные компоненты:
- Трансформатор ТПП 306-127/220-50. Позволяет выжать с каждой 20 вольтовой обмотки по 2,56 А, включив их параллельно получим 5,12 А. Остальные обмотки идут на питание операционного усилителя, вентилятора и цифрового вольтамперметра;
- Стабилизатор — LM317К;
- Транзисторы — TIP36C;
- Операционный усилитель — LM301AN;
- Конденсаторы электролитические – номинал см. схему, максимальным напряжением до 50В;
- Диоды BR2 – 1N1007;
- Диоды BR1 — MBR20100CT;
- Резисторы R1 – 33 Ом, 2Вт;
- Резисторы R5, R7, R8 – 0,1 Ом, 5Вт;
- Остальные резисторы мощностью — 0,25Вт;
- Резисторы Р1 – многооборотный подстроечный 470 кОм;
- Предохранитель F2 – самовосстанавливающейся предохранитель от Littelfuse на 7А/30В.
↑ Выводы
1. Необходим трансформатор с сильноточной вторичной обмоткой или с запасом по напряжению, в этом случае ток нагрузки может превышать ток обмотки трансформатора. 2. При токах порядка 2 А и более желателен небольшой теплоотвод на диодный мост и микросхему 2596.
3. Конденсатор питания желателен большой ёмкости, это благоприятно сказывается на работе стабилизатора. Даже крупная и качественная ёмкость немного нагревается, следовательно желательно малое ESR.
4. Для подавления пульсаций с частотой преобразования, LC фильтр на выходе необходим.
5. Данный стабилизатор имеет явное преимущество перед обычным компенсационным в том, что может работать в широком диапазоне выходных напряжений, при малых напряжениях можно получить на выходе ток больше, чем может обеспечить трансформатор.
6. Модули позволяют сделать блок питания с неплохими параметрами просто и быстро, обойдя подводные камни изготовления плат для импульсных устройств, то есть хороши для начинающих радиолюбителей.





