Содержание
Этапы сборки часов
Для начала надо понять принцип работы индикаторных элементов ИН-14, практически это неоновые лампочки с группой катодов в виде цифр. В зависимости от подачи питания светится тот или иной катод поочередно, применяется принцип лампы накаливания с газоразрядным процессом.
Конструкция и основные параметры газоразрядного индикатора ИН-14
Ресурс работы таких индикаторов огромный, потому что нет длительной и большой нагрузки на один катод. Для полноценной подсветки необходимо напряжение не менее 100 В, поэтому начнем проектирование с источника питания.
Блок питания
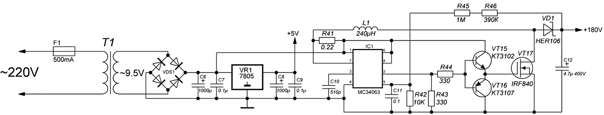
Вариант с трансформатором, на вторичной обмотке которого будет 170 или 180 В, исключаем сразу по причине больших габаритов и веса. Подбирать железо, провода и мотать самостоятельно – дело неблагодарное и утомительное. Практичнее применить преобразователь напряжения на микросхеме MC34063, имеющий малые габариты, вес и стабильные параметры.
Схема блока питания на базе преобразователя напряжения MC34063
Все элементы монтируются на печатную плату, после сборки в большинстве случаев настройки не требуется, с 10–12 В преобразователь дает 175–180 В. Как видно, трансформатор в схеме присутствует, но очень маленький и легкодоступный для быстрого самостоятельного изготовления, такой можно купить в торговых сетях. На выходе вторичной обмотки 9–12 В переменного тока приходят на диодный мост (выпрямитель). Линейный стабилизатор LM7805 предназначен для питания электронных элементов часов.
Схема для включения ламп
Эта схема решает проблему согласования управляющего напряжения на микросхеме 5 В и управляемого напряжения питания анодов. Положительный потенциал 180 В подается на анод, а отрицательный – на катоды соответствующих цифр.
Схема управления подключением анодов лампы
Включение катодов производится схемой на базе старой микросхемы К155ИД1, которая запитывается от напряжения 5 В, что в нашем случае очень удачно. Микросхемы 155-й серии сняты с производства, но не являются дефицитом, их легко можно купить в торговых сетях и на радиорынках. Чтобы не паять микросхему к каждой лампе, схема управления катодами делается по динамическому принципу.
Схема с элементами управления анодами и катодами ламп
Теперь блок питания, схему управления катодами и анодами надо подключить к процессору часов DS1307, для согласования идеально подходит микроконтроллер Mega8.
Область применения в наше время
Сейчас газоразрядные индикаторы с цифрами промышленность уже не делает, но в свое время их наштамповали столько, что до сих пор они пылятся на складах и в частных запасах. Их можно уже назвать антиквариатом, ну как, например, во многих домах есть винтажные подсвечники, которые используются как декоративный элемент интерьера. Так и часы на газоразрядных лампах – завораживают своей подсветкой и являются отличным добавлением к интерьеру различных помещений, особенно обустроенных в стиле ретро.
Вещь красивая и полезная, но заводами, увы, уже не производится. Можно сделать их самому или купить готовые у людей, специализирующихся на их производстве. Разработано немало схем часов с применением газоразрядных индикаторов на старых и новых микросхемах. Рассмотрим наиболее простые варианты.
Прошивка микроконтроллера
Программное обеспечение для часов из газоразрядных индикаторных ламп написано на Eclipse, без искажений транслируется в AVR Studio, коды с комментариями, что значительно упрощает процесс.
Положение выставляемых фьюзов
В результате прошивки устанавливаются определенные режимы и процесс управления ими. При кратковременном нажатии кнопки «MENU» по кругу отображаются режимы:
- режим №1 – времени (отображается постоянно);
- режим №2 – 2 мин. время, 10 сек. дата;
- режим №3 – 2 мин. время, 10 сек. температура;
- режим №4 – 2 мин. время, 10 сек. дата и 10 сек. температура;
- режим настройки времени и даты устанавливается удержанием кнопки «MENU»;
- кратковременное нажатие на кнопку «UP» (2 сек.) отображает дату, удержание этой кнопки отключает или включает подсветку;
- кратковременное нажатие «DOWN» (2 сек.) отображает температуру;
- понижение яркости почасовой программой с 00.00 часов до 7 утра.





