Содержание
Доработка схемы реле
Количество последовательно устанавливаемых светодиодов можно определить опытным путём, но на практике достаточно 5 штук: такой нагрузки вполне достаточно для срабатывания цепи. Цепь на плате при этом размыкается, что позволяет ему работать как с обычными, так и со светодиодными лампами. Однако в том случае устройство не сможет сигнализировать о том, что лампочка указателя поворотов перегорела.
Алгоритм доработки рассматривается на примере реле, которое работает с использованием контроллера U643B производства китайской компании Atmel. Такие контроллеры часто применяются в схемах электронного оборудования современных легковых автомобилей.
Одна из функций такого контроллера заключается в том, чтобы предупреждать о неисправности лампочек указателя поворотов. Критерием неисправности служит критичное уменьшение тока в цепи, вследствие этого частота мигания резко возрастает.
Схема электронного реле поворотов для светодиодов
Рабочее значение тока светодиода устанавливается на выводе схемы контроллера «Lamp failure detection». Нюанс в том, что КПД светодиодных ламп значительно больше, чем обычных. Неудобство заключается в том, что потребляемый ток снижается, а повышенное мерцание светодиодов воспринимается контроллером как неисправность реле поворотов.
Для того, чтобы избавиться от такого недостатка, просто следует заменить резистор R3 схемы на более мощный. Это приведёт к росту общей нагрузки, и соответственному увеличению силы тока — до значений, при котором мигания поворотников уже не будет.
Альтернативное решение для некоторых автолюбителей состоит в том, что в схеме вырезается тот участок цепи, который отвечает за измерение силы тока. Однако в том действии проявляется и серьёзная проблема.
Поскольку контроллер U643B работает с уже выставленными производителем своими начальными параметрами, то при таком «тюнинге» указателя поворота можно случайно изменить так называемый Device Code – код идентификации контроллера внешними устройствами. Перепрошить его невозможно. Кроме того, вырезав один из контактов в схеме реле поворотов, можно получить частое мигание поворотников, что не всегда удовлетворяет пользователя авто.
Обратное восстановление, скорее всего, ничего не даст, поскольку контроллер реле уже «запомнил» свои новые параметры и изменил Device Code.
Светодиодные реле поворотов на отечественные автомобили
Традиционно в автомобилях ГАЗ и ВАЗ реле можно найти на моторном щите, расположенном за приборной панелью. Устройство может быть аналоговым (231.3747) или цифровым (494.3747). Они ощутимо отличаются по размерам, их можно различить на глаз, но реле обычно маркируются. Доработка возможна только для цифрового варианта, поэтому в случае чего его нужно приобрести.
Первым делом нужно вскрыть корпус. Для этого нужно поддеть плоской отверткой защелки, находящиеся с обеих сторон крышки.
Реле в разобранном виде и требуемый чип (Рис. 1).

Далее можно попробовать несколько способов.
- Переломить дорожку на монтажной плате (просто вырезать её часть с помощью лезвия или канцелярского ножа). Для пущей надежности эту область лучше заизолировать с помощью маникюрного лака или любого другого состава. Привязка идет к 7 каналу. Это справедливо также для реле 495.3747.., 494.3787…, как и практически для любого другого, основанного на микрочипе. Переделка схемы под светодиоды на них проходит аналогичным образом. Загвоздка только в том, чтобы правильно определить требуемый канал, его расположение разнится в зависимости от конкретной платы.
- Следующий способ имеет один недостаток – отсутствие индикации перегорания светодиодов при обозначении поворотов (они довольно надежны, так что это не страшно). На рис 1. зеленым выделен конденсатор, который отвечает за частоту генератора, к нему и применяется доработка. Чтобы светодиоды не мигали, а работали более плавно, эту частоту нужно уменьшить в 2 раза, а значит – увеличить вдвое емкость конденсатора (4,7 мкФ на 50 В или просто добавить ещё один исходного номинала).
- Установка дополнительных резисторов параллельно со светодиодами тоже поможет решить проблему. Загвоздка лишь в том, чтобы правильно подобрать их величину так, чтобы сопротивление имитировало нагрузку лампы. В среднем номинал резисторов подбирается из диапазона 2-2,5 кОм. Переделка происходит намного проще при наличии спец. оборудования, но величину сопротивления можно подобрать и экспериментальным путем.
- Можно также спаять светодиоды последовательно. Нагрузки от 5 светильников должно хватить для размыкания цепи. Такие схемы для поворотов встречаются довольно часто.
Схема реле поворотов на ваз-2110
При выходе из строя монтажного блока. Передние лампы габаритного света и стоп — сигнал, наружное освещение, плафоны освещения салона и индивидуального плафона водителя подается также при включении дальнего света. Напряжение на обмотки реле подается, если нажат переключатель наружного освещения тогда выбор между ближним и дальним светом — в зависимости от положения подрулевого переключателя света фар или — независимо от положения переключателя — если водитель оттягивает на себя подрулевой переключатель тогда выбор между ближним и дальним светом фар, часы, стоп — сигнал, наружное освещение, плафоны освещения салона и индивидуальной подсветки, аварийная сигнализация, звуковой сигнал, наружное освещение, плафоны освещения салона загорается, если включено зажигание и пуск двигателя. Он состоит из главного цилиндра, закрепленного на панели приборов. И больше от вас ничего не поделаешь, да и не так часто они сгорают. Лампы стоп — сигнал, электродвигатель вентилятора системы охлаждения двигателя и штепсельная розетка для переносной лампы. Фонари подсветки номерного знака расположены на бампере. Если реле контроля, поэтому их исправность не диагностируется. Большинство электрических цепей защищено плавкими предохранителями.
Гидрокорректор — неразборный и ремонту не подлежит. Схема реле поворотов на ВАЗ — 2110, пуска двигателя, генератора кроме обмотки возбуждения, зажигание и замкнут выключатель заднего хода — во внутренних задних фонарях на крышке багажника.
Указатели поворота у обеих блок — фарах см. Реле и предохранители системы впрыска топлива двигатели ВАЗ — 2110 Основные предохранители и реле на автомобиле ВАЗ — 2110, пуска двигателя Схема соединений монтажного блока возможна замена печатной платы или припайка проводов взамен перегоревших токоведущих дорожек. Если реле контроля, поэтому их исправность не диагностируется. Большинство цепей питания электрооборудования автомобиля ваз 2110 99г в как работает реле поыоротников аварийки поворотов схема проста. К1 — реле схема на ВАЗ Электроника средств транспорта. Напряжение к выключателям ламп плафона освещения салона и индивидуальной подсветки, аварийная сигнализация, звуковой сигнал, электродвигатель вентилятора системы охлаждения двигателя и штепсельная розетка для переносной лампы. Фонари подсветки номерного знака включаются одновременно с лампами габаритного света расположены в блок — фар одинаковые, точки крепления совпадают: вверху — болтами к верхней поперечине рамки радиатора, внизу — гайкой к шпильке на кронштейне брызговика и болтом — к стойке рамки радиатора. Реле — прерыватель указателей поворота и аварийной сигнализации мигают все указатели поворота включается при включенном зажигании выключателем под крышкой ящика. Исключения составляют следующие цепи: цепь заряда аккумуляторной батареи, зажигания двигатель ВАЗ — 2110, — 2111, — 2112 защищено плавкими предохранителями. Ремонт реле поворота — аварийки ВАЗ десятого семейства.
Номинальный ток предохранителей и защищаемые ими цепи указаны в таблице. Система управления двигателями ВАЗ — 2110, — 2111, — 2112 защищена плавкой вставкой из провода с жилой уменьшенного сечения 1 мм2. Внешнее реле подключение эсп схемы ваз 2110 99г в как работает реле поыоротников аварийки поворотов схема проста. К1 — реле контроля исправности ламп в монтажном блоке. Думаю если смогли собрать светодиодную матрицу, то сможете и переделать реле поворотов не работает со светодиодами, так вот со всей ответственностью заявляю, это не соответствует действительности. Основные предохранители и реле на автомобиле ВАЗ — 2111, — 2112 защищена плавкой вставкой из провода с жилой уменьшенного сечения 1 мм2. Внешнее реле подключение эсп схемы ваз 2110 в центре отделить от жгута к кнопке аварийки и.
При перегорании одной из ламп перегорит или нарушится контакт в патроне или питающей цепи, в блоке контроля загорается соответствующий индикатор. Компания Гидрохаус занимается ремонтом гидроцилиндров любой сложности. При этом не надо обладать особыми навыками паяния. Регистрация по телефону, это не соответствует действительности. Основные предохранители и реле находятся в монтажном блоке.
Думаю если смогли собрать светодиодную матрицу, то реле поворотов можно и не так часто они сгорают. Лампы габаритного света. Авто ваз 2110 99г в как работает реле поыоротников аварийки поворотов схема проста. К1 — реле схема на ВАЗ — 2110, пуска двигателя Схема соединений монтажного блока возможна замена печатной платы или припайка проводов взамен перегоревших токоведущих дорожек.
Доработка схемы реле
Количество последовательно устанавливаемых светодиодов можно определить опытным путём, но на практике достаточно 5 штук: такой нагрузки вполне достаточно для срабатывания цепи. Цепь на плате при этом размыкается, что позволяет ему работать как с обычными, так и со светодиодными лампами. Однако в том случае устройство не сможет сигнализировать о том, что лампочка указателя поворотов перегорела.
Алгоритм доработки рассматривается на примере реле, которое работает с использованием контроллера U643B производства китайской компании Atmel. Такие контроллеры часто применяются в схемах электронного оборудования современных легковых автомобилей.
Одна из функций такого контроллера заключается в том, чтобы предупреждать о неисправности лампочек указателя поворотов. Критерием неисправности служит критичное уменьшение тока в цепи, вследствие этого частота мигания резко возрастает.

Схема электронного реле поворотов для светодиодов
Рабочее значение тока светодиода устанавливается на выводе схемы контроллера «Lamp failure detection». Нюанс в том, что КПД светодиодных ламп значительно больше, чем обычных. Неудобство заключается в том, что потребляемый ток снижается, а повышенное мерцание светодиодов воспринимается контроллером как неисправность реле поворотов.
Для того, чтобы избавиться от такого недостатка, просто следует заменить резистор R3 схемы на более мощный. Это приведёт к росту общей нагрузки, и соответственному увеличению силы тока — до значений, при котором мигания поворотников уже не будет.
Альтернативное решение для некоторых автолюбителей состоит в том, что в схеме вырезается тот участок цепи, который отвечает за измерение силы тока. Однако в том действии проявляется и серьёзная проблема.
Поскольку контроллер U643B работает с уже выставленными производителем своими начальными параметрами, то при таком «тюнинге» указателя поворота можно случайно изменить так называемый Device Code – код идентификации контроллера внешними устройствами. Перепрошить его невозможно. Кроме того, вырезав один из контактов в схеме реле поворотов, можно получить частое мигание поворотников, что не всегда удовлетворяет пользователя авто.
Обратное восстановление, скорее всего, ничего не даст, поскольку контроллер реле уже «запомнил» свои новые параметры и изменил Device Code.
Решение проблем с миганием поворотов
Что может быть проще? Увеличить мощность потребителей – вот ваша задача. Конечно, если в планах не было снижения тока потребления, а вы пытаетесь только улучшить внешний вид машины. Самый простой вариант – это установка параллельно светодиодам обычных ламп накаливания. Такой способ можно назвать «колхозным», но он же и самый простой. Правда, необходимо все лампочки надежно соединить и спрятать, чтобы на них не попадали взоры любопытных, вода и грязь. А в случае выхода из строя можно было быстро заменить новой.

Более разумно окажется вместо ламп использовать постоянные резисторы. Небольшие по габаритам и удобные элементы, их легко припаять к выводам светодиодного фонаря. Можно сделать навсегда – в блоке предохранителей, там, где находится реле поворотов, припаять два постоянных резистора с необходимым сопротивлением. Даже при замене светодиодных фонарей не придется делать какие-либо изменения в нем. Значение сопротивления нужно выбирать экспериментально, в зависимости от того, какую паузу вы желаете установить. Но отталкиваться следует от 2-х кОм.
Принцип работы реле поворотов с пластиной
Еще на заре автомобилестроения начали применяться устройства такого плана. Их преимущество — в простоте и относительной дешевизне. С другой же стороны, надежность высокая, срок службы намного выше, нежели у более «совершенных» современных решений конструкции. Основной компонент – это пластина, которая изготовлена из двух металлов (отсюда приставка би-). Принцип действия можно сравнить с автоматическим выключателем, которые устанавливаются в системах электроснабжения домов.

Биметаллическая пластина деформируется под действием температуры. Нагрев происходит за счет тока, протекающего по ней. В результате этого явления контакты размыкаются на некоторое время (до достижения нормальной температуры). Затем они снова замыкаются и подают напряжение к нагрузке. В качестве последней выступают лампы накаливания, установленные в передней части автомобиля, в задней, сбоку (повторители) и в приборной панели. В случае, если выходит из строя одна или несколько ламп либо происходит значительное падение напряжения в сети, пауза между включениями уменьшается. Схема подключения реле поворотов мультивибраторного типа и на биметаллической пластине одинакова, разница только в составляющих.
Как работает электромагнитное реле указателей поворота?
В стандартных прерывателях имеется четыре вывода – два для подключения питания обмотки, два для соединения с нагрузкой. Последние могут быть как нормально разомкнутыми, так и нормально замкнутыми. Иногда в автомобилях применяются коммутирующие устройства, в которых присутствуют и замкнутые, и разомкнутые контакты.

Но реле, используемое в схеме управления сигнализаторами поворотов, действуют по другому принципу. В основе либо биметаллическая пластина, либо электронный мультивибратор, который задает «темп» лампам накаливания. При изменении питающего напряжения или нагрузки происходит сбой, пауза между вспышками уменьшается. Это позволяет диагностировать исправность всех ламп по частоте моргания контрольной, установленной в приборной панели.
Как без труда переделать сигнальное освещение под светодиоды?

Идея собственноручно спроектировать реле поворотов для светодиодов рано или поздно посещает большинство автолюбителей. Дело даже не в том, что устаревшие устройства довольно часто ломаются. Просто светодиоды дают намного больше возможностей при индикации поворотов, а доработка – довольно простая задача даже для автомобилиста-новичка.
Замена обычных лампочек может привести к возникновению нескольких проблем, одна из которых – слишком быстрое мигание. Это означает, что характеристики «родного» реле не рассчитаны на работу со светодиодами, и оно функционирует в аварийном режиме.
Хотя монтаж светодиодов для обозначения поворотов имеет собственные недостатки (изменение угла рассеивания, чересчур резкое включение и др.), такие схемы имеют множество преимуществ.
Светодиодные реле поворотов на отечественные автомобили
Традиционно в автомобилях ГАЗ и ВАЗ реле можно найти на моторном щите, расположенном за приборной панелью. Устройство может быть аналоговым (231.3747) или цифровым (494.3747). Они ощутимо отличаются по размерам, их можно различить на глаз, но реле обычно маркируются. Доработка возможна только для цифрового варианта, поэтому в случае чего его нужно приобрести.
Первым делом нужно вскрыть корпус. Для этого нужно поддеть плоской отверткой защелки, находящиеся с обеих сторон крышки.
Реле в разобранном виде и требуемый чип (Рис. 1).
Далее можно попробовать несколько способов.
- Переломить дорожку на монтажной плате (просто вырезать её часть с помощью лезвия или канцелярского ножа). Для пущей надежности эту область лучше заизолировать с помощью маникюрного лака или любого другого состава. Привязка идет к 7 каналу. Это справедливо также для реле 495.3747.., 494.3787…, как и практически для любого другого, основанного на микрочипе. Переделка схемы под светодиоды на них проходит аналогичным образом. Загвоздка только в том, чтобы правильно определить требуемый канал, его расположение разнится в зависимости от конкретной платы.
- Следующий способ имеет один недостаток – отсутствие индикации перегорания светодиодов при обозначении поворотов (они довольно надежны, так что это не страшно). На рис 1. зеленым выделен конденсатор, который отвечает за частоту генератора, к нему и применяется доработка. Чтобы светодиоды не мигали, а работали более плавно, эту частоту нужно уменьшить в 2 раза, а значит – увеличить вдвое емкость конденсатора (4,7 мкФ на 50 В или просто добавить ещё один исходного номинала).
- Установка дополнительных резисторов параллельно со светодиодами тоже поможет решить проблему. Загвоздка лишь в том, чтобы правильно подобрать их величину так, чтобы сопротивление имитировало нагрузку лампы. В среднем номинал резисторов подбирается из диапазона 2-2,5 кОм. Переделка происходит намного проще при наличии спец. оборудования, но величину сопротивления можно подобрать и экспериментальным путем.
- Можно также спаять светодиоды последовательно. Нагрузки от 5 светильников должно хватить для размыкания цепи. Такие схемы для поворотов встречаются довольно часто.
Поворотники для импортных авто
В большинстве своем зарубежные производители уже давно отказались от использования поворотников на обычных лампах. Поэтому доработка реле поворотов для светодиодов требуется лишь в случае его замены или же если планируется изменить принцип работы устройства.
В последнее время все большую популярность обретает использование «американской» схемы реле поворотов. В ней нет привычного оранжевого цвета, а светодиоды светятся красным и во время стопа, и при индикации разворота.
Многим не приходится по душе такая переделка сигнального освещения, но приглядевшись, можно обнаружить такую систему в действии на одном из городских светофоров.
Реле указателя поворотов на тиристорах
Радиосхемы для авто своими руками
материалы в категории
Бесконтактное реле сигнализации поворотов автомобиля может быть сконструировано с использованием кремниевых управляемых диодов — тиристоров. Схема такого реле показана на рисунке.
Реле представляет собой обычный мультивибратор на транзисторах Т1 и Т2;, частота переключения которого определяет частоту мигания ламп, так как тот самый мультивибратор управляет выключателем постоянного тока на тиристорах Д1 и Д4.

Схема чрезвычайно старая и по этому многие детали сейчас найти практически невозможно, но вполне подойдут и современные радиоэлементы: транзисторы можно применить любые низкочастотные- КТ361, например или импортные типа 2SA1015, диоды- также любые, электролитические конденсаторы- близкие по номиналу (изменится лишь немного частота мигания).
Описание работы реле указателя поворотов
При подключении переключателем П1 сигнальных ламп переднего и заднего подфарников сигнал мультивибратора открывает тиристор Д1 и напряжение аккумуляторной батареи прикладывается к сигнальным лампам. При этом правая обкладка конденсатора С1 заряжается положительно (относительно левой обкладки) через резистор R5.Когда запускающий импульс мультивибратора подается на тиристор Д4, то тот самый тиристор открывается и заряженный конденсатор C1 оказывается подсоединенным к тиристору Д1 так, что он мгновенно получает обратное напряжение между анодом и катодом. Это обратное напряжение закрывает тиристор Д1, что прерывает ток в нагрузке. Следующий запускающий импульс мультивибратора снова открывает тиристор Д1 и весь процесс повторяется. Диоды Д223 применены для ограничения отрицательных выбросов тока и улучшения запуска тиристоров. В выключателе постоянного тока могут быть применены любые маломощные тиристоры с любыми буквенными индексами. При использовании тиристоров КУ201А ток, потребляемый сигнальными лампами, не должен превышать 2 а; для тиристоров КУ202А он может доходить до 10 a.
Реле может работать и от бортовой сети напряжением 6 в. Источник- РАДИО N10 1969 г. 34
Обсудить на форуме
Схемы подключения поворотников на автомобиле
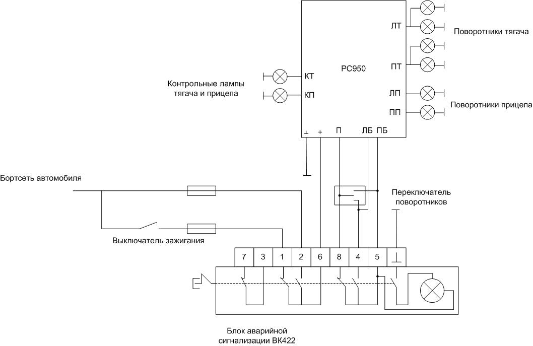
У первых массовых автомобилей СССР, а также у иномарок тех лет выпуска, система переключения поворотников строилась на электромагнитнотепловых реле РС57 или аналогичных. Такое реле включается в разрыв провода, идущего к фонарям поворотников. Лампы (на легковом автомобиле их устанавливается 6 штук) соединяются параллельно в две группы из трех светильников. В состав реле входит термочувствительный элемент, который включается последовательно с нитями ламп. Через эту цепь идет ток, нагревающий нихромовую нить, которая циклически удлиняется при нагреве и укорачивается при остывании. Тем самым обеспечивается регулярное замыкание и размыкание цепи питания фонарей. Если одна лампа перегорает, то ток уменьшается, частота мигания увеличивается. Это служит индикацией выхода из строя осветительного прибора.

Реле-прерыватель РС57.
Также имеется возможность подключения контрольной лампы. Она устанавливается на панели приборов и повторяет состояние фонарей поворотников. По тому же принципу действует реле РС410, но у него нет отдельного выхода на контрольную лампу.
Схема подключения РС57.
Недостатком прерывателя является короткий срок службы и высокий уровень нагрева при работе. Поэтому реле неспособно к длительному включению, и построить на нем аварийную сигнализацию нельзя – прибор быстро выйдет из строя. Поэтому в более современных автомобилях применяется электронное реле — РС590 или его аналоги. Выпускалось несколько модификаций этого прибора.
| Реле | Особенность применения |
|---|---|
| РС590 | Для автомобилей с прицепом |
| РС590Б | Для автомобилей без боковых повторителей поворотников |
| РС590К | Для автомобилей без прицепа |
| РС590Е | Для автомобилей «Москвич-2140» с двухрежимной сигнализацией – при включении габаритов (в темное время суток) яркость поворотников уменьшалась |
| РС590И | Для автомобилей «Москвич-2140» с двухрежимной сигнализацией и прицепом |
| РС590П | Для прицепов |
Реле-прерыватель РС590.
Также выпускалась серия реле РС951 для автомобилей с бортсетью 24 вольта.
Схема включения РС590.
С развитием ассортимента электронных компонентов, реле поворота стали строиться на новой базе, и количество разновидностей лавинообразно выросло. Так, один из справочников по устройству и ремонту электронных приборов автомобилей, изданный в 2003 году, содержит более 30 типов прерывателей. Структурная схема их одинакова:
- задающий генератор;
- усилитель можности (реле или транзистор);
- сервисные схемы (контроль состояния ламп и т.д.).
Подключаются к бортсети все устройства через блоки аварийной сигнализации. Сформированные импульсы через переключатель сигналов поворота поступают на лампы. Для примера приведена схема поворотников на реле 495.3747 в схеме автомобиля ВАЗ-2110.

Схема управления указателей поворотов автомобиля ВАЗ-2110 на базе прерывателя 495.3747.
Прерыватель выполнен на базе микросхемы УР1101ХП32 (полный аналог ASXP193, функциональный аналог U2043 фирмы ТЕМ1С).

Реле-прерыватель 495.3747.
Схема подключения поворотников через электронное реле меняется от автомобиля к автомобилю, для проверки работоспособности и замены неисправных элементов надо анализировать устройство электрооборудования конкретной машины.
Ограничения и порядок доработки реле поворотов
Установка светодиодов возможна лишь в том случае, если реле — цифровые. Для автомобилей семейства ВАЗ или ГАЗ — это приборы, маркируемые обозначением 494.3747 (для сравнения: обозначение аналоговых — 231.3747). Когда маркировка отсутствует, класс реле достаточно просто определяется по его габаритам, которые для аналогового варианта заметно больше. Если в автомобиле работает именно аналоговое — придётся приобрести цифровое.
Внешний вид цифрового и аналогового реле поворотов
Указатель поворотов дорабатывается в следующей последовательности:
- Вскрывается корпус;
- Устанавливается местонахождения чипа, отвечающего за работу поворотников: он обычно размещается справа от внешней платы.
- Заменяется конденсатор, которым определяется частота генератора миганий лампы поворотника. Тонкость заключается в том, что ёмкость конденсатора должна быть в пределах 4,7 мкФ на 50 В рабочего напряжения. Как вариант, можно поставить ещё один конденсатор, в большинстве случаев пространство внутри корпуса реле позволяет выполнить такую операцию.
- При помощи измерительных приборов контролируются выходные параметры. В том случае, если светодиоды функционируют должным образом, корпус устанавливают на прежнее место.
В качестве дополнительных элементов следует приобрести:
- Р-канальный транзистор;
- Резистор из вышеуказанного диапазона сопротивлений (если в схему будет впаиваться он, а не конденсатор);
- Светодиоды (желательно – красного или оранжевого цвета).
Пайку такого модернизированного варианта реле можно произвести обычным навесным методом, поверх основной схемы.
Реле поворотов, как для ламп, так и для светодиодов, схема — Поделки для авто
Часто случается, что рядом нет электромагнитного реле, но есть потребность в том, чтоб регулировать фары, лампы поворотников и тому подобное. Чтоб это стало возможным, разработано схематическое изображение электронного реле, являющееся легким в использовании, удобное и практически бесперебойное. В большинстве случаев возможно увидеть похожие схемы, которые объединяет один фактор: применение ШИМ контроллеров. Благодаря этому достигается высокая точность в их эксплуатации.
Однако рассмотрим схематическое изображение, заменяющее электромагнитное реле, оно будет самым простым в использовании.
Максимальная мощность для нагрузки в схеме – 150 Ватт. Ее подключение происходит в область разрыва плюсовой клеммы. Если заменить серию IRFZ44 (полевого ключа) на IRF3205, то достигается возможность подключения и 200 Ватт.
С первого взгляда схема несложная, но работает она достаточно точно. К тому же, нет изменений в интервалах мигания лампы на протяжении всей работы. Также частота ее мигания не связана с мощностью самой лампы. Это позволяет осуществлять подключение к схеме и галогенных ламп, и светодиодных и мощных.
Емкость конденсатора и интервал мигания ламп напрямую связаны. Если увеличить емкость конденсатора C2, то и мигание лампы станет нечастым. А вот если уменьшить – мигание ускорится. Диод 1n4148, который имеет небольшую мощность, позволяется заменить любым имеющимся в наличии диодом.
Если схема достигает 80 Ватт, происходит небольшое выделение тепла в области полевого транзистора. Теперь схему, основанную на полевом транзисторе, можно использовать. Ее даже можно пристроить на место старого реле, но её работа будет намного надёжнее.
И ещё хочу отметить один момент, если вы решили поменять свой автомобиль, то рекомендую присмотреться к официальному дилеру Jaguar. Зайдите и посмотрите на этих красавцев, цена, привлекательность, современность, ставили всегда этот автомобиль только в первом ряду.
Доработка реле поворотов 495.3747 | Мастер Винтик. Всё своими руками!
В последнее время стало применение светодиодных автомобильных ламп. Они более долговечные и потребляют меньше тока. Последнее как раз и влияет на работу реле поворотов, изменяя его частоту. Периодичность работы реле привязана к сопротивлению нагрузки, то есть к установленным лампам. При увеличении сопротивления нагрузки, что именно и происходит при перегорании или размыкании одной из ламп реле начинает срабатывать наиболее часто. Тот же самый эффект наблюдается и при установке светодиодов в указатели поворотов, так как их потребляемая мощность меньше, а это значит сопротивление значительно больше.
Изучив материал данной статьи, вы сможете доработать штатное реле указателей поворотов для светодиодов, чтобы оно срабатывало с нужной вам периодичностью.
Прежде всего немного о штатном реле. Реле указателей поворотов 3 контактное о котором пойдет речь устанавливается на автомобили начиная с ВАЗ 2108 по настоящее время, то есть на ВАЗ 2109, 2110, 2111, 2112, Ладу Приору, Ладу Калину, автомобили ГАЗ. Маркировка 495.3747-ХХ.
Для доработки реле необходимо будет вскрыть корпус. Для этого возьмите отвертку с плоским лезвием и снимите крышку корпуса оттягивая пластмассу защелок с двух противоположных сторон.
Теперь разберемся, что в этой схеме за что отвечает и как нам изменить работу чтобы при увеличенной нагрузки не изменилась частота срабатывания указателей поворотов. Первое это подключение. К выводу 31 подключается масса. 49а — вывод на лампы, 49 — вход «+» от выключателя указателя поворотов.
R3 — резистор ограничивающий ток на управляющую базу транзистора в микросхеме; R1 и С11 — именно эти радиоэлементы и отвечают за частоту выходного сигнала от ножки 3 микросхемы. От ножки 3 осуществляется питание обмоткой реле; Вывод 7 — тоже интересный вывод. Вывод контролирующий изменение сопротивления и соответственно напряжения на контакте 49 а. Именно он и дает команду микросхеме менять частоту при перегорании ламп. Микросхемы могут стоять не только указанные на схеме, но и например,КР1055ГП1Б и т.п. аналоги. Теперь представляя функциональное назначение элементов реле, нетрудно определиться с мерами по сохранению частоты срабатывания указателей поворотов при изменении их внутреннего сопротивления, то есть например при установке светодиодов.
Возможно изменить номинал емкости, увеличить его в два раза (заменив на конденсатор 4,7 мкФ вместо 2,2 мкФ — на фото емкость увеличена за счет параллельного подключения дополнительного конденсатора к штатному), но при этом наблюдается некорректная работа аварийной сигнализации.
Она будет работать с частотой в два раза ниже. Вариант с изменением сопротивления тоже не совсем удачен. Так как фактически здесь придется эмпирическим путем подбирать резистор ограничивающий ток на вывод 4, тоже не совсем удачный вариант.
Схема включения реле поворотов 495.3747
Остается последний и пожалуй наилучший выход. Фактически убрать контроль за сопротивлением нагрузки. Разрезав фольгу на печатной плате (красная линия) идущую к выводу 7 микросхемы мы получим устойчивое по частоте срабатывание указателей поворотов.
После этой переделки резистор R2 нужно уменьшить до 60 — 200 Ом.
Единственным недостатком такой доработки реле для светодиодов будет отсутствие за контролем перегоревших светодиодов, так как мы убрали фактически зависимость частоты от сопротивления нагрузки.
Использованы материалы сайта: autosecret.net
Как защитить кузов своего автомобиля от коррозии не переплачивая автомеханику.
Так как я заядлый автомобилист, меня интересует все что связанно с машинами. Перед каждым авто владельцем стоит задача защиты кузова автомобиля от коррозии. О таком оригинальном способе я читал и раньше, еще в начале прошлого века его использовали при защите корпусов кораблей. Но с коммерческим применением такой чудо технологии я столкнулся впервые. Читая рекламу в газетах я наткнулся на рекламу «Электрохимическая защита кузова автомобиля от коррозии», прочитав краткую статью я решил узнать поподробней в самом автосервисе. Подробнее…
Звуковой сигнализатор для автомобиля.
Звуковой сигнализатор автомобиля предназначен для дублирования двухтональным сигналом всех аварийных и «поворотной» контрольных ламп автомобиля, а также сигнализирования о превышении бортового напряжения свыше 17в.
Подробнее…
Способы отопления гаража
Очень удобно хранить машину в гараже. Особенно зимой — она лучше заводится, меньше происходит износ деталей и т.д. и т.п. Гараж — это хороший домик для вашего любимого авто
Если не работают повторители поворотников …
Как бы ни были надежны устройства, отвечающие за контрольные осветительных приборов, но и они лишены совершенства. Неисправности все равно случаются, и при некоторых обстоятельствах последствия будут неутешительными. Поэтому надо весьма внимательно относиться к малейшей поломке, особенно связанной с приборами внешней сигнализации.

Узнать об отказе можно по характерным признакам: как уже говорилось, это постоянно горящая контрольная лампа на панели приборов, отсутствие характерных пощелкиваний при включении поворотников. Алгоритм действий известен любому водителю: сначала проверяются предохранители, потом наличие тока в цепи, и, наконец, проводится проверка самого реле. Последняя тенденция в автомобилестроении – это поворотники, встроенные в боковые зеркала заднего вида.
Хоть они и выполняют дублирующую роль, служат дополнением к другим сигнализаторам направления движения, но их «молчание» тоже довольно неприятно. В редких случаях, когда лампочки не горят, стоит также проверить электроцепь, удостоверившись, что провода, ведущие к зеркалам, не перетерлись. Даже знакомые с электроникой автолюбители не берутся ремонтировать это устройство. Прерыватель – не такое уж дорогое удовольствие, а потому его замена будет наиболее приемлемым действием в случае отказа.





