Содержание
Виды выключателей, оснащенных таймером
Принцип работы таймеров заключается в соединении и разъединении контактов, которые управляют светом в конкретной последовательности. На рынке представлено две разновидности приборов в зависимости от конструкции и принципа действия. Кроме того, выключатели делятся в зависимости от типа установки – скрытые или наружные. С учетом соединения контактов в механизме – винт или пластина.
С механическим таймером
Лепестки конструкции определяют особенности работы механизма. Для его запуска пользователь задает время на корпусе выключателя. Один лепесток соответствует 15 или 30 минутному интервалу времени. Вращающийся диск регулирует настройку таймера. В указанный промежуток времени потребитель получит электроэнергию, как только сработает таймер, ее поступление будет перекрыто в автоматическом режиме.
Несмотря на простую конструкцию, изделие имеет свои недостатки:
С электронным таймером
Предполагают наличие недельного интервала программирования устройства. Необходимое время выставляется на жидкокристаллическом экране.
Электронная модель обладает большим перечнем преимуществ, пользуется спросом у пользователей, ведь обеспечивает многозадачность и точное выполнение всех команд.
Настройка электромеханических приспособлений
Промышленное оборудование и бытовые модули часто могут дополняться электромеханическими приборами. Их конструкция такая, что управление производится благодаря потенциометрам. Впереди корпуса расположен специальный шток потенциометра. Он сделан под плоскую отвёртку. Вокруг этого элемента нанесена шкала со значениями.
Вам это будет интересно Подключение проходного выключателя света по схеме
Прорезь выполняет роль своеобразного указателя, который меняет своё направление во время вращения. Чтобы настроить необходимый временной показатель, следует установить прорезь под отвёртку напротив требуемого значения.
Наиболее распространённым примером устройств такого типа является электромеханическое реле NTE8. Его используют для контроля вентиляционных систем, искусственного освещения и отопительных модулей.
Устройство с функцией задержки включения
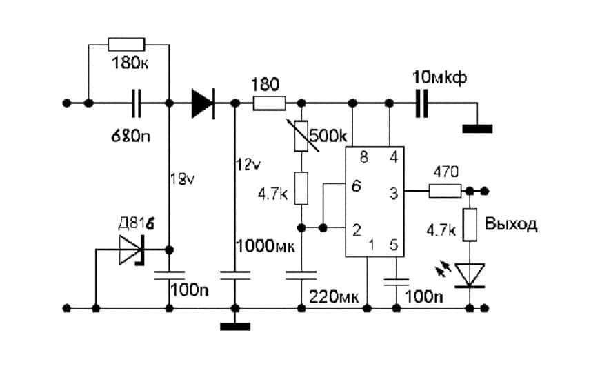
Перейдем непосредственно к реле времени. В этой статье мы разберем с одной стороны схему максимально простую, но с другой стороны не имеющую гальванической развязки.
Такое устройство в своей конструкции имеет 15 элементов и делится на две части:
- Узел формирования питающего напряжения или блок питания;
- Узел с временным контроллером.

Блок питания работает по бестрансформаторному принципу. В его конструкцию входят компоненты R1, C1, VD1, VD2, C3 и VD3. Само напряжение питания 12 В формируется на стабилитроне VD3 и сглаживается конденсатором C3.
Во вторую часть схемы включены интегральный таймер с обвеской. Роль конденсатора C4 и резистора R2 мы описали выше, и теперь по указанной ранее формуле мы можем вычислить значение времени задержки реле:
T = 1.1 * R2 * C4 = 1.1 * 680000 * 0.0001 = 75 секунд ≈ 1.5 минутыИзменив номиналы R2-C4, вы можете самостоятельно определить необходимое вам время задержки и своими руками переделать схему на любой временной интервал.
Принцип работы схемы следующий. После включения устройства в сеть и появления напряжения питания на стабилитроне VD3, а, следовательно, и на микросхеме NE555, конденсатор начинает заряжаться до тех пор, пока напряжение на входах 2 и 6 чипа NE555 не опустится ниже 1/3 от питающего, то есть, примерно до 4 В. После наступления этого события на выходе OUT появится управляющее напряжение, которое запустит (включит) реле K1. Реле, в свою очередь, замкнет нагрузку HL1.
Диод VD4 ускоряет разрядку конденсатора C4 после отключения питания для того, чтобы после быстрого повторного включения в сеть устройства время сработки не сократилось. Диод VD5 гасит индуктивный выброс от K1, чем защищает схему. C2 служит для фильтрации помех по питанию NE555.
Если правильно подобраны детали и без ошибок выполнен монтаж элементов, то устройство в проведении настройки не нуждается.
При испытании схемы, чтобы не выжидать полторы минуты, необходимо сопротивление R1 снизить до значения 68–100 кОм.
Вы, наверное, обратили внимание, что в схеме нет транзистора, который бы включал реле K1. Сделано это не из экономии, а по причине достаточной надежности выхода 3 (OUT) микросхемы DD1
Микросхема NE555 выдерживает на выходе OUT максимальную нагрузку до ±225 мА.
Такая схема идеально подходит для контроля времени работы вентиляционных приборов, установленных в санузлах и других подсобных помещениях. За счет ее наличия вентиляторы включаются только при условии присутствия в помещении в течение длительного времени. Такой режим значительно снижает расход электрической энергии, и продлевает срок службы вентиляторов за счет меньшего износа трущихся деталей.
Ответы на часто задаваемые вопросы
В конце статьи ответим на несколько наиболее часто задаваемых вопросов.
Вопрос.
Какой вариант предпочтительнее реле на 12 В и промежуточное на 220 или сразу рассчитанное на высокое напряжение?
Ответ.
Первый вариантболее безопасен при настройке, второй проще в монтаже.
Вопрос.
Какое реле предпочтительнее механическое или электронное?
Ответ.
Механические дешевле, электронные понадежности и функциональности их превосходят.
Вопрос.
Импортные устройства более надежны?
Ответ.
Российские стандарты жестче зарубежных, поэтому предпочтительнее выбирать отечественные устройства.
Устройство
Для того, чтобы понять, как устроено электронное реле, полезно вспомнить старые механические регуляторы времени. Скажем, у прежних стиральных машин поворот вынесенной на корпус ручки включал исполнительный механизм. Одновременно запускалась выдержка. По прошествии заданного времени исполнительный механизм отключался. По такому алгоритму работают любые включатели времени либо таймеры, даже находящиеся в микроконтроллере (МК).
Хотя сегодня, в век электроники, существуют очень много электронных часовых механизмов и реле, то возникает вопрос о необходимости изготовления механизма, регулирующего время своими руками. Ответить на него очень просто. Часто дома приходится делать что-то, где потребуются дозированные временные границы. Поэтому простые механизмы регулирования временивозможно собрать и самому, своими руками.
Базовые варианты
- Электронный аналоговый. Основан на так называемой постоянной времени RC-цепи. Она определяется тем, что для полного заряда (разряда) конденсатора через резистор требуется тем больше времени, чем больше сопротивление резистора. На этом принципе можно создавать достаточно точные и простые по конструкции РВ. Временные интервалы у них получатся в пределах единиц секунд.
- Электромагнитный, или индукционный. Это два определения одного и того же принципа работы. Он основан на том, что электромагнитное поле не может появляться и исчезать мгновенно. В зависимости от величины индуктивности элемента и специальной конструкции сердечников получается переходный процесс длительностью от сотых долей до нескольких секунд. Проверенная временем система, используемая до сих пор в специальных РВ.

Пневматический механизм. Его давно применяют в промышленном оборудовании. Он хорошо решает задачу синхронной работы большого числа исполнительных элементов. Система легко и наглядно настраивается изменением диаметра отверстия для движения воздуха. Чем больше его размеры, тем быстрее поток воздуха заполнит рабочий объем (например, цилиндр с поршнем) этого пневматического механизма и, соответственно, тем меньше интервал времени срабатывания такого РВ. И наоборот. Временной интервал у таких реле – в пределах единиц минут.

Часовой механизм. Его еще называют анкерным. Это самый распространенный из всех вариантов формирователей временного интервала. Он основан на деформации пружины. Ее напрягают при запуске механизма, и упругая сила возврата в исходное состояние, замедленная шестернями и маховиками, обеспечивает тот или иной временной интервал. В конце концов сила пружины перемещает исполнительный контакт, который либо непосредственно разрывает электрическую цепь, либо управляет реле. По работе стиральной машины можно судить, какое время можно задать для такого РВ.
Электромеханическая конструкция. Работает на основе многополюсного синхронного двигателя. Скорость вращения этого двигателя зависит только от частоты питающего напряжения. Если оно обеспечивается промышленной сетью 220 В, частота получается весьма стабильной. Залогом этой стабильности является масса роторов генераторов на электростанциях. Можно сформировать временной интервал продолжительностью в несколько часов. Имеют промышленное применение в основном в схемах релейной защиты. Можно задать любой временной интервал при отсутствии сбоев в электроснабжении.
Как рассчитать задержки на rc цепочках для реле 12В
РЦ цепочка базируется на нескольких явлениях и свойствах конденсатора: накапливать противоположные заряды на его обкладках, не пропуская ток через себя, и мгновенно отдавать заряд обратно в цепь. Из-за того, что две обкладки конденсатора изолированы диэлектриком – «шевеление» происходит во внешней цепи при разрядке или зарядке.
Еще одно полезное свойство конденсатор – по мере заряда напряжение равняется до напряжения источника заряда, после чего ток в цепи перестает течь т.к. потенциалы выровнялись. Продолжительность зарядки кондера зависит от его емкости и от сопротивления источника.
Но что нам дает мгновенная разрядка конденсатора, если требуется задержка? Ничего. Поэтому на помощь приходит пассивный полупроводник – резистор.
Единственная функция резистора – ограничивать ток, рассеивая лишнюю часть в виде тепла. Регулируя силу тока можно задавать время зарядки или разрядки конденсатора. Чем больше сопротивления току и емкость конденсатора, тем дольше он будет разряжаться и заряжаться.
Из этого всего напрашивается очевидный вывод – конденсатор в паре с резистором сослужит хорошую службу в роли таймера.
Как рассчитать и сделать задержку включения реле 12в на 3 секунды
Как мы выяснили время задержки напрямую зависит от емкости и сопротивления. Для вычисления пригодится вот это формула:
Устанавливать конденсатор большой емкости нет смысла. Кондер емкостью 1 фарад настолько огромный, что его не получится обхватить одной рукой. Поэтому используем кондер на 50 мкФ и больше и подбираем резистор.
Теперь используем формулу выше и подставляем параметры элементов на место переменных:
Преобразуем уравнение:
Вот так мы и нашли требуемый резистор, чтобы зарядка кондера на 50мкФ происходила в течении приблизительно 3 секунд. Его сопротивление составляет 60 000 Ом => 60кОм. Не забывайте, что у проводника также есть собственное сопротивление, но учитывать его в наших расчетах не имеет смысла, т.к. задержки возрастут на миллисекунды или даже меньше.
Идея 4. На базе таймера NE555
Этот вариант также относится к электронным реле, в котором задержка времени устанавливается при помощи популярного таймера NE555. С его помощью вы сможете собрать таймер, который оперирует коммутационными процессами, как на включение, так и на отключение.

Рис. 8. На базе таймера NE555
Как видите на схеме, таймер выполняет роль управляющего ключа, разрешающего выдачу электрического сигнала либо напрямую к прибору, либо через оперирующий орган – катушку реле. Когда времязадающая цепочка из двух резисторов и конденсатора достигнет насыщения, таймер выдаст на выход реле времени управляющий сигнал, который притянет к катушке прибора сердечник и замкнет контакты. К выходной катушке параллельно подключается светодиод, сигнализирующий о состоянии реле.
Практическая реализация этой схемы также требует определенных навыков и знаний в пайке радиодеталей и изготовлении печатных плат.
Целесообразность самоделок
Почти нет таких ситуаций, когда пользователи вынуждены делать временное реле своими руками из-за отсутствия в продаже подходящего прибора для их потребностей.
Все возможные таймеры, а точнее модули, комплекты для сборок, если рассматривать данный вопрос приближенно к самоделкам, можно купить на интернет площадках. Например, цена аналогов описанных нами сборок на NE555 колеблется от 1 до 3 $. Стоит ли затруднять себя? Плюс к этому можно подобрать устройство с большим диапазоном, с несколькими каналами, многофункциональное и с дисплеем; на слаботочное питание 5, 12, 24 В, и иное, а также на 220 Вольт.

Самоделкой целесообразно заниматься, если под рукой есть необходимые запчасти, пользователь имеет навыки работы с электроникой, а также когда нет желания заказывать и ждать модуль, когда в местности отсутствуют магазины радиодеталей. Также часто кустарные изделия создают ради интереса, чтобы повысить опыт, познания в данной сфере.
Включение реле 12В с задержкой на конденсаторе и резисторе без диода

Включение реле 12В с задержкой на конденсаторе и резисторе без диода
На схеме, рассмотренной ранее, были два диода. Использовались они для быстрой разрядки конденсатора при смене полярности. Происходил эффект моментального затухания системы, без задержек. Теперь перед нами представлена схема с задержкой на выключение и включения без диодов. Здесь используется N-канальный полевой транзистор – силовой мосфет. Управляется полевик напряжением, а не током, поэтому такой подход менее прожорлива по току – это очень большой плюс.
N-канальный мосфет открывается при подаче положительного потенциала на затвор относительно истока. Резистор на 82кОма подтянут к земле, чтобы закрывать транзистор при прекращении питания, т.к. мосфет самостоятельно не выключится. Еще одна ф-ция резистора при параллельном подключении с кондером – ограничение тока подаваемого на затвор. Чтобы регулировать временем задержки необходимо опытным путем подбирать емкость кондера и сопротивления цепи. По опытам, резистор на 82кОм в паре с кондером на 470 мкФ показывает время задержки 55 секунд.
Как избежать 3 ошибок при подборе и установке транзистора
При подборе транзистора биполярного следует обращать внимания на параметр h21. H21 – это коэффициент усиления тока коллектора по отношению к току базы. Если величина этого параметра у транзистора 30, то аналог подбирать следует такой, чтобы номинал h21 был не меньше чем 30.
Чтобы определить какую структуру транзистора n-p-n или p-n-p применить в схеме, воспользуйтесь этим простым правилом: если управляющий сигнал, приходящий на базу, отриц. то ставится p-n-p типа, если положительный – n-p-n. Учтите, что сигнал базы должен быть одинаковой полярности с напряжением питания!
Реле обладает высоким показателем ЭДС самоиндукции, величиной в несколько десятков вольт, при разрыве цепи. Поэтому следует защищать коллекторный переход запараллеленым диодом. Диод ставится противоположно полярности источника питания: катодом к плюсу, анодом к минусу.
Видео реле задержки времени на 12 в
Что еще важно знать. 2 интересных факта
3Т=RC
У рассмотренной формулы T=RC есть некая особенность. Время Т – это всего 63% от максимума заряда, 95% — это 3Т.

Зависимость напряжения от времени
При разряде происходит обратно пропорциональная зависимость. За время Т конденсатор разрядится до 37%, за 3Т до 5% от максимума. Это происходит потом, что с увеличением или уменьшением внутреннего заряда потенциалы постепенно выравниваются.
То есть, предположим, что за 10 секунд заряжается кондер до 95%. Напряжение зарядки 10В, сопротивление цепи 10Ом, ток 1А. На седьмой секунде напряжение в цепи упадет на 30%, и станет 7В. Это происходит потому, что потенциал начинает выравниваться по мере зарядки конденсатора. Следовательно, ток в цепи также упадет на 30% — до 0,7А. И так будет происходить, пока не установится равновесие в цепи.
Переменное напряжение
Синусоидальное напряжение имеет несколько фаз. На пике восхождения, когда заканчивается полупериод, величина тока достигает максимальной отметки. Этот пик показывает амплитудный ток, максимальное мгновенное значение переменного тока, которое в 1,4 раза выше, чем действующее значение. То есть рассматриваемый нами переменный ток 220В в какой-то момент времени достигает пика 308В.
Что еще важно знать. 2 интересных факта
3Т=RC
У рассмотренной формулы T=RC есть некая особенность. Время Т – это всего 63% от максимума заряда, 95% — это 3Т.

Зависимость напряжения от времени
При разряде происходит обратно пропорциональная зависимость. За время Т конденсатор разрядится до 37%, за 3Т до 5% от максимума. Это происходит потом, что с увеличением или уменьшением внутреннего заряда потенциалы постепенно выравниваются.
То есть, предположим, что за 10 секунд заряжается кондер до 95%. Напряжение зарядки 10В, сопротивление цепи 10Ом, ток 1А. На седьмой секунде напряжение в цепи упадет на 30%, и станет 7В. Это происходит потому, что потенциал начинает выравниваться по мере зарядки конденсатора. Следовательно, ток в цепи также упадет на 30% — до 0,7А. И так будет происходить, пока не установится равновесие в цепи.
Переменное напряжение
Синусоидальное напряжение имеет несколько фаз. На пике восхождения, когда заканчивается полупериод, величина тока достигает максимальной отметки. Этот пик показывает амплитудный ток, максимальное мгновенное значение переменного тока, которое в 1,4 раза выше, чем действующее значение. То есть рассматриваемый нами переменный ток 220В в какой-то момент времени достигает пика 308В.
Переходим к принципу работы схемы
После подачи питания цепочка R1–C3 генерирует стартовый импульс, длительностью примерно 100мс для микросхемы DD1, с которого выход OUT микросхемы устанавливается в лог.1, включая тем самым оптосимистор VS1, симистор VS2 и подключая нагрузку к сети 220В. С этого же момента начинается отсчет времени.
Время выдержки таймера задается цепочкой R3–R6–C2. Время зарядки конденсатора C2 до напряжения отключения выход OUT микросхемы DD1 в логический 0 определяется формулой:
t = 1,1*(R3+R6)*C2
Резистор R6 ограничивает минимальное время задержки 3 сек. Конденсатор C1 необходим для фильтрации помех в питании микросхемы DD1 и должен располагаться максимально к ней близко.
Резистор R4 задает ток светодиода оптосимистора и при применении аналогов MOC3043, например MOC3042 или MOC3041 должен быть уменьшен, так как им необходим больший ток для работы.
Данная схема
может применяться и для коммутации пускателей, но учтите, что в случаях малых токов пускателей возможно ложное срабатывание или их жужжание в отключенном режиме, так как они могут включаться через цепочку R5–C5. В таком случае, эта цепочка требует коррекции по номиналам.
Такое устройство можно купить сразу в готовом виде, либо применить ненужный от какого-либо устройства: роутера, модема, телефона или подобного. В таком случае устройство реле заметно упростится.
Трансформатор T1 можно заменить на любой другой с номинальным входным напряжением 220 Вольт, выходным — 12 Вольт.
Если схема реле задержки выключения
вас заинтересовала и вы бы хотели скачать файл с изображением разведенной печатной платы — оставляйте ваши комментарии.
Что такое таймеры, реле паузы, задержки
Сразу оговоримся: самодельные автотаймеры регулируют задержку от нескольких секунд до 10–15 мин. Есть схемы только для вкл. и для вкл./выкл. нагрузки, а также для активации в определенное время суток. Но их диапазон задержки и опции ограниченные, нет функции периодического самостоятельного срабатывания несколько раз и настройки промежутков между такими циклами, как у розеточных заводских приборов. Впрочем, возможностей самоделки (есть также в продаже готовые подобные простые модули) хватит для активации вентиляции гаража, освещения в кладовой и подобных не слишком требовательных операций.
Временное реле (таймер, реле паузы, задержки) — это автоматический расцепитель, срабатывающий в момент, выставленный на нем пользователем, включая/выключая (смыкая/размыкая контакты) электроприбора. Таймер чрезвычайно практичный в ситуациях, когда пользователю необходимо, чтобы устройство активировалось или деактивировалось, когда он находится в ином месте. Также такой узел выручит в обычных бытовых случаях, например, подстрахует, когда забывают выключить/включить оснащение.
Таким образом, временное реле исключит ситуации, когда оставили электроприбор включенным, забыли его выключить, соответственно, он перегорел или еще хуже, стал причиной пожара. Включив таймер, можно идти по своим делам, не беспокоясь, что надо будет возвратиться в определенное время для обслуживания оборудования. Система автоматизируется, агрегат сам отключится, когда установленный период на расцепителе истечет.
Где применяют
Многим знакомы пощелкивания в советских стиральных машинках, когда большими градуированным селекторами выставляли определенную задержку до вкл./выкл. Это яркий пример данного устройства: например, выставляли работу на 10–15 мин., барабан крутился это время, затем, когда часы внутри доходили до нуля, стиралка сама выключалась.
Временные реле всегда устанавливают производители в микроволновки, электропечи, электроводонагреватели, автополив. В то же время многие приборы его не имеют, например, освещение, вентиляция (вытяжка), тогда можно докупить таймер. В самом простом виде он выглядит как небольшой прямоугольный блок с селекторами времени и вилкой под обычную розетку («суточные» розетки-таймеры), в которую вставляется. Затем в него вставляют вилку кабеля питания обслуживаемого прибора, настраивают элементами управления на корпусе время задержки. Есть также типоразмеры для размещения путем соединения с линией (с проводами, проводкой, для распредщитков), для интегрирования внутрь приборов.
Устройство, разновидности, особенности
Преимущественно таймеры в заводских электроприборах с расцепителями основываются на микроконтроллере, часто управляющем также всеми режимами работы автоматизированного аппарата, где они установлены. Описанное объединение функций дешевле для производителя, так как не надо изготавливать отдельные микросхемы.
Мы же будем описывать самые простые схемы реле времени с задержкой, только с опцией вкл./выкл. и подбора временной паузы в небольшом диапазоне (до 15–20 мин.):
- для низковольтного питания (5–14 В) — на транзисторах;
- на диодах — для питания напрямую от сети 220 Вольт;
- на микросхемах (NE555, TL431).
Есть специальные заводские модули, их можно купить на интернет площадках (Aliexpress, подобные и специализированные ресурсы), на радиорынках, в спецмагазинах. Полностью кустарные изделия создаются по аналогичным схемам, в основном для несложных задач: элементарное расцепление/сцепление контактов в определенный, задаваемый момент времени, при этом диапазон задержки небольшой от секунд до 15–20 мин.
Идея 2. На транзисторах
Принцип действия такого реле времени основывается на использовании полупроводниковых приборов для задачи временного промежутка. На практике могут использоваться схемы как с одним транзистором, так и с большим числом. Наиболее актуальные для самостоятельного изготовления реле времени на двух транзисторах – они характеризуются лучшей стабильностью и управляемостью.
Пример такого электронного устройства приведен на рисунке ниже:

Рис. 5. На транзисторах
Для ее практической реализации вам понадобится обзавестись следующими элементами:
- резисторами – одним на 100 кОм и тремя на 1 кОм;
- двумя транзисторами КТ3102Б или идентичными;
- конденсатором для создания задержки выключения/включения;
- кнопка для запуска реле времени;
- промежуточное реле или коммутатор;
- светодиод для сигнализации состояния;
- печатная плата для сборки всех деталей.
Принцип работы такого реле времени заключается в подаче напряжения 12 В на емкостной элемент C1. После чего происходит зарядка конденсатора до определенного потенциала, величины которого будет достаточно для открытия транзистора VT1.
Ток заряда для емкостного элемента определяется сопротивлением ветви C1 – R1 – чем больше сопротивление, тем меньше ток, а время накопления заряда больше. Соответственно, для повышения или уменьшения времени включения или выключения нагрузки можно использовать переменный резистор для R1.

Рис. 6. Установить переменный резистор
После разряда емкости на базу транзистора VT1 поступит сигнал открытия, и электрический ток начнет протекать через эмиттер и коллектор, резисторы R2 и R3. Эти номиналы резисторов подбираются для открытия второго транзистора VT2, работающего в режиме электронного ключа на включение основной нагрузки.
Открытый VT2 подает напряжение на обмотку реле K1, сердечник в нем притягивается и производит операции с нагрузкой. Одна из пар контактов электромагнитного реле воздействует своими контактами на цепь питания светодиода, сигнализирующего о состоянии устройства.
Кнопка SB1 в цепи позволяет обнулить заряд конденсатора – это обязательная процедура пере каждым последующим пуском, что составляет определенные трудности, которые решаются установкой микросхем.
Устройство
Для того, чтобы понять, как устроено электронное реле, полезно вспомнить старые механические регуляторы времени. Скажем, у прежних стиральных машин поворот вынесенной на корпус ручки включал исполнительный механизм. Одновременно запускалась выдержка. По прошествии заданного времени исполнительный механизм отключался. По такому алгоритму работают любые включатели времени либо таймеры, даже находящиеся в микроконтроллере (МК).
Хотя сегодня, в век электроники, существуют очень много электронных часовых механизмов и реле, то возникает вопрос о необходимости изготовления механизма, регулирующего время своими руками. Ответить на него очень просто. Часто дома приходится делать что-то, где потребуются дозированные временные границы. Поэтому простые механизмы регулирования временивозможно собрать и самому, своими руками.
Что понадобится для изготовления?
В зависимости от выбранной модели процесс может оказаться как простым, так довольно трудоемким. Поэтому всем необходимым лучше запастись заранее, чтобы не останавливаться на половине проделанной работы.
Для сборки реле времени вам понадобится:
- набор радиодеталей – в каждом конкретном примере самодельного реле их перечень будет отличаться, но основная номенклатура останется неизменной (резисторы, конденсаторы, транзисторы, микросхемы, промежуточные реле или переключатели, блоки питания или понижающие трансформаторы, катушки и т.д.);
- основание для набора элементов – печатная плата, диэлектрическая поверхность или каркас, также выбираются исходя из местных условий;

Рис. 3. Печатная плата
- паяльник, припой и другие приспособления для соединения элементов цепи.
- корпус – для защиты элементов реле от различных механический воздействий, попадания пыли, влаги и засорителей;
- блок управления или программирования – если вы планируете сделать регулируемую задержку.
В некоторых ситуациях вышеперечисленные части можно позаимствовать из старых электронных приборов, если он вам подходят, в противном случае их нужно приобрести. С конкретным перечнем вы сможете определиться после того, как выберете конкретную модель, которую хотите изготовить.
Где и как используется
Реле времени с задержкой выключения 220 В распространены в областях распределения и производства электрической энергии. Защита, которую они обеспечивают высоковольтным линиям, создаёт безаварийный режим работы подстанций, а также иного оборудования.
Элементы управлений защиты изготовлены для коммутации присоединения при очень высоких рабочих напряжениях (несколько тысяч Вольт).
Благодаря установке защиты реле возможно резервирование линий электропередач, а также мгновенное отключение поврежденных или опасных участков электросетей.
Устройства электромагнитного типа повсеместно используются в разных видах бытовой техники, таких как стиральные машины, холодильники и т. д.
Сегодня — реле времени — такого типа широко используется в системах управления производственными и конвейерными линиями. Такие системы управления, как правило, применяются на производствах с высокими паразитными потенциалами, при которых управление полупроводниковых систем становится невозможным.
РВ с задержкой выключения 220в с 3 лучших устройства с алиэкспресс
Покупка реле на портале алиэкспресс экономит деньги. Мы приводим три лучших устройства на этом сервисе.
| Номер в рейтинге | Название | Плюсы | Недостатки |
| Первый | Digital LED Display Time Delay Relay Module Board DC 12V Control Programmable Timer Switch Trigger Cycle Module With Case | Цифрой индикатор, наличие корпуса | Для управления устройствами 220В нужно промежуточное реле |
| Второй | AC 220V H3Y-2 Power On Time Delay Relay Solid State Timer 1.0~30 Min Socket Base | Возможность работать в сети 220 В, удобная настройка | Предельное время задержки 30 мин |
| Третий | Programmable Delay Relay DH48S-S with socket base | Неограниченное время выдержек, наличие корпуса, возможность дистанционной настройки | Цена |
Первый, второй и третий номер в нашем рейтинге реле
Задержка отключения и включения реле с помощью конденсатора и резистора 12В
Не обязательно прибегать к использованию интегральных таймеров по типу NE555 если требуется всего лишь задержка перед старт/стоп. Использование конденсатора в паре с резистором и транзистором решит задачу без сложных ИС. Воспользуйтесь схемой ниже
Это классическая схема с использованием конденсатора, резистора, диода и биполярного транзистора. В схеме используется транзистор n-p-n типа. Работает она так: после подачи напряжение на резистор N сопротивления, начинает заряжаться конденсатор N емкости. При достижении напряжение смещения диоды открываются, а затем открывается управляющий эмиттерный p-n переход транзистора, который «открывает» транзистор и ток начинает течь в направлении коллектор-эмиттер.
Работает наш полупроводник в активном режиме. Пока управляющая базой величина тока не выйдет из этого режима, коэффициент усиления не приобретет нисходящую форму. Так продолжается пока величина тока вовсе не переступит порога отсечения — переход коллектор-эмиттер закроется. При включении происходит все да наоборот.
Для сборки рекомендуется использовать транзистор КТ827 с n-p-n переходом. Диод подойдет КД105Б или аналогичный по параметрам. Конденсатор и резистор подбирается в каждом случае индивидуально, об этом ниже.
Особенности конструкции
- Катушка.
- Неподвижный магнитопровод.
- Якорь (катушка или подвижная часть магнитопровода).
- Оттяжная пружина и блок-контакты.
- Регулировочный винт.
- Траверса.

В месте, где соприкасаются якорь и сердечник, размещена немагнитная прокладка. Она нужна для того, чтобы якорь не прилипал непосредственно к сердечнику. Если же прокладки нет, то отбрасывающая пружина не сможет перенести удерживающее усилие остаточного магнетизма сердечника. В таком случае прибор не сможет отключиться.
Выдержкой реле времени называется время с момента подачи импульса на саму катушку до периода срабатывания контактов. Регуляция выдержки делается изменением толщины прокладки и натяжением оттяжной пружины с помощью винта в зависимости от типа устройства. Длительность выдержки зависит от толщины натяжения пружины и толщины немагнитной прокладки. Чем меньше напряжение и чем тоньше прокладка, тем выдержка больше.





