Содержание
Переделав бесперебойник на инвертор, на выходе мы получим:
- стабилизатор напряжения;
- зарядное устройство;
- и конечно инвертор.
После нашей переделки, если бесперебойник на 300 Вт, то на него можно нагрузить Вт 200. Конечно, чем мощней бесперебойник, тем больше можно увеличить на него нагрузку.
В некоторых бесперебойниках попадаются места, где можно дополнительно усилить мощность. Эти места называются транзисторными ключами. Стоит их допаять, как мощность бесперебойника увеличится.
Производители порой не допаивают такие транзисторы, чтобы удешевить изделие. Транзисторы нужно такого же номинала, как и установлены.
Так же следует увеличить сечение проводов от разъёма платы до АКБ на крокодилы.
От трансформатора вторичной обмотки до клем платы,
нужно добавить в параллель ещё по одному проводу для увеличения сечения.
Трансформатор пришлось немного расковырять, чтобы добраться до выхода вторичной обмотки. Этих проводов выходит три штуки.
Чтобы бесперебойник не пищал каждую минуту, мы должны выпаять круглую пищалку.
Далее в корпусе я коронкой по гипсу или по дереву высверлил отверстие для вентилятора и расположил его так, чтобы он дул на ключи транзисторов и радиаторов.
На задней стенке удалил ненужные разъёмы и оставил отверстие от них для выхода воздуха.
От этих клем находим два провода питания 220 вольт – выход с платы после преобразователя и эти провода выводим наружу, закрепляем свою розетку.
Наш инвертор из бесперебойника почти готов. Для контроля разряда батареи автомобильного аккумулятора можно встроить цифровой вольтметр. Я на всякий случай ещё подключил термодатчик для контроля температуры на транзисторных ключах. Термопару от мультиметра закрепил на радиаторе транзистора полевика.
Немаловажный момент: инвертор из бесперебойника должен иметь запуск холодного включения – это функция, когда он может включаться без внешнего питания от бытовой розетки 220 вольт. В некоторых моделях кнопка включения холодного пуска имеет двойное нажатие с разным интервалом времени.
Вот и все переделки. Такой инвертор можно брать с собой в поездку – на пикник, рыбалку, дома – через него можно подключать лампы, ноутбук, заряжать телефоны, фонарики, на даче и в сельской местности – подключать инкубатор, освещение теплицы и т. д., но не более 70% мощности от нашего изделия.
Для освещения лучше использовать диодные лампы, они мало тянут и ярко горят. Так же я подключал паяльник на 80 Вт, даже телевизор работает без проблем.
Алекс Олейник
В быту иногда возникает острая необходимость в бесперебойном питании различных устройств. Это могут быть аварийное освещение, инкубаторы, аквариумное оборудования или простой усилитель, с которым компания вырвалась на природу. Современные бюджетные компьютерные источники бесперебойного питания способны проработать не более получаса от автономного питания, а те которые могут и специально для этого предназначены, стоят совсем других денег. Автомобильные инверторы на выходе не всегда выдают частоту в 50 Гц. Если нужна автономность на несколько часов, тогда в голову сразу приходит мысль, можно ли запитать UPS от обыкновенного автомобильного аккумулятора. На этот вопрос мы и постараемся сегодня дать ответ, сделаем инвертор из ИБП своими руками.
Схемы подключения ИБП
Эффективность функционирования источников бесперебойного питания, их долговечность зависят от множества факторов, одним из которых является правильно выбранная схема подключения ИБП.
Используются три основные схемы подсоединения ИБП к сети электропитания и защищаемым потребителям.
Резервная схема подключения
При таком способе подсоединения основное питание нагрузок происходит посредством первичной электросети. Как только возникает минимальная угроза в связи с критичными неполадками в сети в действие вступают аккумуляторы источника бесперебойного питания. Подобная методика отличается несколькими недостатками, начиная с наличия временного отрезка на реагирование ИБП и заканчивая лишь незначительной фильтрацией возникших возмущений. Вследствие этого резервная схема подключения ИБП применяется для защиты некритичного оборудования, которое спокойно переносит как временное отключение питания, так и отклонение параметров электрического тока от установленной нормы в определенном диапазоне
Это характерно для домашних компьютеров, бытовой техники, а также иных терминалов, которые не выполняют сложные вычислительные либо измерительные действия и не являются хранителями важной информации
Интерактивная схема подключения
Такой способ включает в общее звено и используемый на выходе из цепи ступенчатый стабилизатор, который корректирует параметры выходного напряжения в некоторой степени. То есть, дополнительно к защите от сбоев или отключения энергоснабжения в данном случае ИБП еще и фильтрует высоковольтные скачки напряжения, оберегая потребителя от перенапряжения и короткого замыкания.
Современные источники, используемые в такой схеме подключения, способны предоставить максимально эффективную защиту, с высокой точностью корректируя параметров напряжения. Подобная методика обладает и определенными недостатками: хотя время реагирования снижено в разы, на такой же коэффициент уменьшается и КПД источников бесперебойного питания.
Неавтономная схема подключения
Подобную схему подключения называет еще и методикой двойного преобразования. Ее суть заключается в том, что питание потребителей происходит не от основной электросети, а непосредственно от аккумуляторных батарей ИБП. Поступающее на вход напряжение подвергается корректировке посредством инвертора, преобразуясь при этом в постоянный электроток, заряжающий АКБ.
Они же, в свою очередь, выдают на выходе опять же преобразованное напряжение в переменный ток. Однако при этом происходит абсолютно полная фильтрация разнообразных возмущений, устанавливается максимально точное значение параметров электротока (значения напряжения и частоты), отклонение от нормы в этом случае может составлять не более 0,1%. Основным преимуществом подобной схемы подключения является еще и отсутствие времени на реагирование ИБП, что крайне необходимо для оборудования, крайне чувствительного к таким провалам в энергоснабжении.
Советы по подключению ИБП
Приобретя ИБП, не стремитесь сразу же пускать его в дело. Необходимо уравновесить (особенно зимой) внутреннюю температуру прибора с температурой внешней среды. Это позволит избежать образования конденсата на встроенных модулях ИБП.
Включив источник в сеть, не спешите подключать к нему нагрузку. Устройству требуется некоторое время, чтобы подзарядить аккумуляторы.
Оборудование, которое в момент запуска становится источником пиковой нагрузки, требует специального источника бесперебойного питания
Либо подбирается модель повышенной мощности с учетом параметров стартовых токов.
Во избежание короткого замыкания и возникновения импульсных возмущений рекомендуется создать надежное заземление устройства.
Следует оградить ИБП от попадания на него влаги, также не рекомендуется устанавливать источник в помещениях с атмосферой повышенной влажности.
Важно четко настраивать функционирующий прибор, что особенно характерно для его порогов чувствительности. В будущем это избавит от частых и ненужных запусков ИБП даже в отсутствие угрозы, а также увеличит срок его эксплуатации.
Как подключить монитор к бесперебойнику

В стандартном случае, когда происходит отключение электрической сети и ИБП начинает работать на собственном ресурсе, происходит отключение монитора.
Так как в обычных случаях мощность бесперебойника при покупке не рассчитывается на мощность еще и монитора. Одним словом, когда ИБП предназначается для кратковременной работы, чтобы сохранить информацию, тогда сам монитор, обычно, подключают напрямую к электрической сети.
Но многие пытаются включать мониторы через бесперебойник и при отключении электроэнергии у них получаются различные казусы с самим ИБП.
Что это значит? Все очень просто, сам бесперебойник не рассчитан по мощности, для работы под такой нагрузкой. И чтобы этого избежать крайне необходимо, при покупке, учитывать мощность работы монитора.
Стоит отметить, что для подключения монитора к ИБП необходимо приобрести специальный шнур, который имеет для этих целей специальные разъемы.
Классы ИБП
Резервные ИБП:
| Достоинства | Недостатки |
| — Компактность, малый вес, экономичность, относительная дешевизна. | — Отсутствует стабилизация выходного напряжения; — Неполная фильтрация сетевого напряжения от помех и выбросов; помехи, генерируемые нагрузкой пропускаются обратно в сеть; — Скачкообразное изменение напряжения, частоты и формы выходного напряжения при переходе на питание от батареи (время переключения >5 мс); — Прямоугольная форма выходного напряжения вместо синусоидальной. |
ИБП резервного типа: нормальный режим работы (rectifier — выпрямитель, inverter — инвертор, SPD — фильтр питания, bypass — байпас).ИБП резервного типа: аварийный режим работыЛинейно-интерактивный ИБП: нормальная работа.Линейно-интерактивный ИБП: аварийный режим.Линейно-интерактивные ИБП:
| Достоинства | Недостатки |
| — Компактность, экономичность; — Ступенчатая стабилизация входного напряжения; — Почти синусоидальная форма выходного напряжения; — Невысокая стоимость. |
— Они дороже, чем резервные; — Отсутствие реальной изоляции нагрузки от сети распределения питания; — Отсутствие регулировки и стабилизации входной частоты; — Сравнительно слабая стабилизация выходного напряжения, особенно при переходных процессах или в случае пошагового изменения нагрузки; — Низкая эффективность при питании нелинейных нагрузок. |
ИБП с дельта-преобразованием в штатном и автономном режимах.ИБП с дельта-преобразованием:
| Достоинства | Недостатки |
| — Высокий КПД (при идеальных параметрах входного напряжения); — Высокий коэффициент мощности по входу (не требуется применение корректирующих фильтров). |
— Повышенная сложность из-за применения двунаправленных инверторов и, соответственно, меньшая надежность; — Меньшая степень защиты нагрузки в нормальном режиме работы от резких изменений входного напряжения вследствие инерционности схемы обратной связи; — Отсутствие защиты нагрузки в нормальном режиме работы от отклонений частоты входного напряжения; — Отсутствие встроенной гальванической развязки между входом и выходом. |
Линейно-интерактивный ИБП APC BR1000G дает на выходе не совсем чистую синусоиду, но такой аппроксимации достаточно для большинства устройств.системы с двойным преобразованиемИБП с двойным преобразованием отличает надежная защита нагрузки по электропитанию. ИБП с двойным преобразованием: аварийный режим, питание от батареи.ИБП с двойным преобразованием:
| Достоинства | Недостатки |
| — Максимальная фильтрация сетевого напряжения от помех и выбросов; помехи, генерируемые нагрузкой, не пропускаются обратно в сеть; — Питание нагрузки «чистым» синусоидальным электропитанием, стабилизированным по величине, частоте и форме напряжения, при работе от сети и от батарей; — Переключение на батареи происходит мгновенно, при этом любые переходные процессы отсутствуют. |
— Относительная сложность и более высокая стоимость; — Дополнительные энергозатраты на двойное преобразование напряжения, снижающие КПД; — Невысокий коэффициент мощности по входу (для его повышения требуется дополнительный элемент — THD-фильтр). |
Краткое сравнение ИБП разных классов
| Резервные | Линейно-интерактивные | С двойным преобразованием | |
| Мощность ИБП | менее 1,5 кВА | менее 4 кВА | не ограничена |
| Режим работы от сети | |||
| Стабилизация напряжения | нет | ступенчатая | полная |
| Стабилизация частоты | нет | Нет | есть |
| Фильтрация помех | слабая | средняя | максимальная |
| Батарейный режим | |||
| Частота переходов | частая | средняя | редкая |
| Время перехода на батареи | 5-15 мс | 2-6 мс | нет |
| Форма синусоиды | часто трапецеидальная | синусоидальная | синусоидальная |
| режим «байпас» | нет | нет | есть |
| гальваническая развязка | Нет | нет | возможна |
- Класс VFI (Voltage & Frequency Independent) — выходные напряжение и частота ИБП не зависят от входных параметров.
- Класс VI (Voltage Independent) — выходная частота совпадает с входной, напряжение на выходе регулируется в заданных пределах.
- Класс VFD (Voltage & Frequency Dependent) — выходное напряжение и частота совпадают с входными.
| Топология ИБП | Спецификация | Типовая мощность | Типовое применение |
| Резервный | Voltage & Frequency Dependent (VFD) | 1500 ВА | Малый офис, домашние ПК и другие не критичные среды |
| Линейно-интерактивный | Voltage Independent (VI) | 5000 ВА | Малый бизнес, веб-сайты, серверы подразделений |
| С двойным преобразованием | Voltage and Frequency Independent (VFI) | 1000 кВА | Дата-центры |
- S соответствует синусоидальному выходному напряжению с коэффициентом нелинейных искажений (КНИ) менее 8% как при линейной, так и при нелинейной нагрузке.
- X соответствует несинусоидальному сигналу с КНИ более 8% при нелинейной нагрузке.
- Y соответствует несинусоидальному сигналу при любой нагрузке, КНИ превышает установленные в IEC 61000-2-4 пределы.
Как правильно заряжать аккумулятор для бесперебойника
Источники питания ИБП обычно располагаются между сетевой розеткой и питаемым компьютером, подключенные к каждому через отдельные кабели. В зависимости от специфики предполагаемой среды использования и его общей мощности, резервная батарея среднего ИБП для дома или офиса обычно представляет собой относительно небольшой и компактный «умный» блок, построенный на основе перезаряжаемой аккумуляторной батареи.
Традиционно, это чаще всего свинцово-кислотная (VRLA) батарея, но текущие разработки в области литий-ионных технологий также означают, что литий-ионные элементы в настоящее время становятся все более распространенными компонентами в основе современных систем ИБП.
Напротив, литий-ионные аккумуляторы ИБП, как правило, гораздо более компактны и легки, и могут похвастаться целым рядом встроенных функций управления питанием, таких как расширенные функции зарядки и балансировки напряжения и энергии. Многие бренды также предлагают более продолжительный ожидаемый срок службы, чем свинцово-кислотные батареи в целом, а это означает, что в течение достаточно продолжительного периода времени они могут закончить, доказывая столь же экономичный выбор. Однако вначале цены на ИБП с литий-ионными батареями, как правило, отражают их значительно более высокие производственные затраты, поэтому первоначальный взнос обычно будет дешевле для устройства на основе VRLA.
Условия зарядки нового АКБ
Существует также третий вариант для батарей ИБП, а именно: «мокрый / затопленный элемент» или VLA. Они гораздо менее широко доступны в качестве приобретаемых опций в крупных ИБП или готовых ИБП, так как они предназначены для весьма специфических применений и сред. Во-первых, их химический состав означает, что они потенциально опасны, если они не хранятся в отдельно стоящих отсеках для хранения аккумуляторов, а также требуют регулярного технического обслуживания пользователей в плане пополнения уровня их дистиллированной воды и постоянного мониторинга их данных для выравнивания и калибровки.
Хотя это делает аккумуляторы VLA совершенно непрактичными для подавляющего большинства домашних пользователей и даже большинства офисных сред, мокрые ячейки могут давать явные преимущества в определенных конкретных случаях использования, таких как крупномасштабные серверные центры, где отличной долгосрочной надежностью и стабильностью являются ключевые требования выше удобства или практичности.
Подключить к сети без нагрузки
Свинцово-кислотные аккумуляторы, как правило, требуют минимального технического обслуживания и, как правило, рассматриваются в качестве базовых, надежных рабочих станций источника питания ИБП с типичным сроком службы 5 лет. «VR» в VRLA означает регулируемый клапан, имея в виду тот факт, что аккумуляторы VRLA имеют встроенные, автоматически управляемые вентиляционные системы для контроля выброса постепенного накопления газа в определенных точках цикла зарядки-разрядки аккумулятора. Эта важная функция запускается внутренними датчиками давления и, как и большинство аспектов типов ячеек VRLA, работает лучше всего, когда батарея хранится в сухом помещении с контролируемой температурой, например в средней комнате с центральным отоплением в доме или офисе.
Зарядка в зимнее время (особенности)
Проводимость тока через элемент при холодной температуре значительно выше. Чтобы не передержать заряд, нужно обратиться к инструкции по эксплуатации, в которой производитель обычно укзаывает нормы зарядки и соответствующие коэфициенты для зимнего времени.
Подключение нагрузки после первого цикла зарядки
Перед тем, как подключать аппарат на полную нагрузку, рекомендуется сделать тестовый запуск в “щадящем” режиме, который поможет понять степень заряда и готовности. Рекомендуемая нагрузка под запуск – 40% от максимальной.
Вторая жизнь аккумуляторной батареи бесперебойника
Источники бесперебойного питания, бесспорно, необходимое дополнение любой рабочей станции, а аккумуляторная батарея является основным рабочим элементом источника бесперебойного питания.
К сожалению, срок службы аккумуляторных батарей бесперебойников крайне короток, а новые батареи весьма дорогие. Рассмотрим, как можно увеличить срок жизни аккумулятора.
Новая жизнь аккумулятора
От длительной работы рабочая жидкость аккумулятора (раствор серной кислоты) постепенно высыхает, в результате чего емкость аккумуляторной батареи стремится к нулю. Самый простой и весьма эффективный способ продлить батарее жизнь — следить за уровнем электролита в аккумуляторе.
Естественно, постоянно этого делать не будешь, но что делать, когда аккумулятор уже не заряжается?
Восстановление аккумулятора
Нам понадобятся: дистиллированная вода, шприц, стеклянная трубка диаметром примерно 5мм, зарядное устройство от 0.05-1.5А.
Дистиллированную воду можно приобрести в аптеке, автомагазине или отделе товаров для авто любого супермаркета. Шприц понадобится для дозированной подачи воды. Трубка желательно должна быть стеклянной, т.к. пластиковая трубка может вступить в реакцию с электролитом аккумулятора. В качестве зарядного устройства подойдет зарядка от старого ноутбука, если не имеется ничего более подходящего.
Самые распространенные свинцовые аккумуляторы бесперебойников имеют напряжение 12 Вольт и емкость 7 AH. 12 Вольт в бытовых условиях можно найти в зарядных устройствах от других аккумуляторных приборов, например, шуруповерта. Для заряда подойдет и блок питания 14 Вольт, если нет 12 вольтового.
Инструкция по восстановлению
Для начала нужно измерить уровень электролита. Для этого нужно снять пробки на верхней поверхности аккумулятора.
Широко используются аккумуляторы с двумя вариантами закрытия пробок — с общей заглушкой для всех
или с индивидуальной заглушкой для каждого контейнера.
Для начала плоской отверткой или ножом удаляем пластиковую крышку на верхней части аккумулятора.
Измерим уровень электролита
- Снимаем резиновую пробку
- В отверстие вставляем стеклянную трубку размером с шариковую ручку. Трубка должна упираться в дно.
- Закрываем пальцем верхнее отверстие трубки и вытаскиваем её наружу
- уровень электролита в трубке равен уровню в батарее (норма 13-15 мм), если выше, то стоит высосать лишний электролит шприцем, ниже – значит, пора долить дистиллированной воды.
- Набираем чистую воду в шприц и долить по 5-10 мл в ячейку аккумулятора до ее наполнения
- Повторяем операцию для оставшихся 5 ячеек батареи
Раскачка аккумулятора
Взять специальное зарядное устройство, подключить его к батарее, не закрывая пробки. Это нужно в случае, если будет перебор электролита, ему будет куда вытечь. Сперва раза 3-4 зарядить и разрядить АКБ для восстановления емкости. После чего выставить ток на устройстве для заряда в 0.1А и следить за напряжением на клеммах. Нельзя допускать закипания или перегрева аккумулятора, при необходимости уменьшить зарядный ток. Нормальное напряжение при полном заряде должно быть 13.9-14.5В. Далее уменьшить ток до 0.05А и продолжить заряжать. Если в течение последующих 2 часов напряжение остается неизменным – прекратить заряжать!
Закрыть крышки. Для большей надёжности выстоять батарею примерно 12 часов. После чего начать эксплуатировать. Аккумулятор готов к работе!
Применение ИБП
Бесперебойник нужен для обеспечения корректной сетевой нагрузки при резких скачках или перепадах напряжения, а также при недолгой автономной работы устройств при полном отсутствии электричества. Современные модели бывают 3 типов:
- Резервные;
- С двойным преобразованием;
- Линейно-интерактивные.
Их внутреннее устройство и функционал отличаются друг от друга, но область применения одна и та же.

Для компьютеров используется резервный перебойник. Он чаще всего применяется для бытовой техники и мультимедийных устройств. Схема взаимодействия: в стандартном режиме нагрузка передается от сети, но если напряжение резко падает, то прибор переключается на внутреннее питание. ИБП меняет режимы работы в течение ненулевого отрезка времени. Резервные бесперебойники стоят дешево и помогают защитить компьютеры от нестабильного напряжения или недолгого отключения источника энергии
Это особенно важно, если ПК используется для работы дизайнеров, проектировщиков, музыкантов и др. Пользователю не нужно сохранять материалы через каждые 10 минут, опасаясь перебоев питания
Почему ИБП не держит нагрузку в режиме переключения на батарею
При наличии электропитания в централизованной сети неисправность бесперебойника можно не заметить, но она сразу же проявит себя в момент его исчезновения или выхода характеристик тока за допустимые пределы. Причиной невозможности обеспечить подачу напряжения на нагрузку чаще всего является поломка АКБ.
Как проверить исправность аккумулятора для ИБП:
- Проверка напряжения на клеммах прибора, подключенного к сети. При одной АКБ его величина должна составлять 13-14 В. Меньшие показатели свидетельствуют о необходимости заменить аккумулятор.
- Для тестирования аккумулятора ИБП можно использовать лампочку мощностью 20 Вт. Исправная АКБ должна обеспечить работу лампочки в течение 20 минут.
Еще одна вероятная причина неспособности бесперебойника держать нагрузку при отсутствии централизованного питания – нарушение контактов в АКБ. Для проверки целостности соединений прибор разбирают, осматривают соединения, удаляют пыль.
Источники бесперебойного питания
При соблюдении же правил эксплуатации бесперебойника все его обслуживание сведется к своевременной замене аккумуляторов.
Если аккумулятор был полностью разряжен, ряд моделей бесперебойников в момент включения могут индицировать неисправность аккумулятора, однако по мере набора им заряда индикация прекратится. Павел Негробов. Их нагрузочная способность до 50 мА, 40 В.
Контроллер активирует реле, когда сетевое напряжение отсутствует и если бесперебойник включен, то он будет работать как преобразователь напряжения.
Функционирует устройство следующим образом: Пусть входное напряжение В в норме. Схема кабеля B Когда пропадает внешнее питание отключили свет, например на линии Line Fail является высокий уровень.
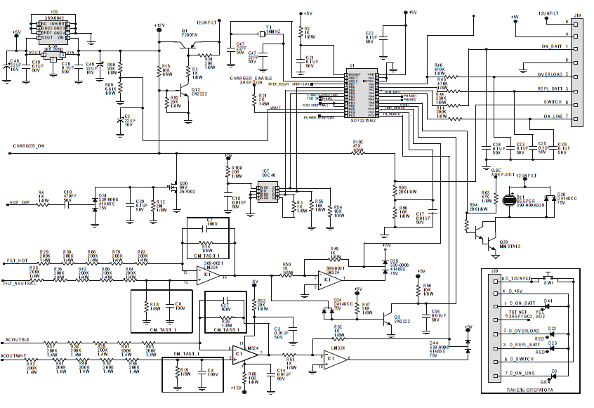
Драйверы ключей Драйверы ключей, являются заказными микросхемами, выпускаемыми APC. Исходя из анализа схем ИБП, можно сделать вывод о том, что в чистом виде нельзя применить ни одну из рассмотренных схем, так как требуемое входное напряжение на контроллере — постоянное 24 В.

SW1 размещается на задней панели UPS рядом с выходными клеммами. Во вpемя pаботы в этом pежиме также пpоисходит заpядка аккумулятоpных батаpей UPS. Кольцо следует предварительно обмотать лакотканью, а затем намотать две обмотки по 10 витков провода диаметром 0,55…0,70 мм.
Кроме того, база транзистора Q46 соединена портом P0. Одновременно они более чувствительны к перезаряду, что может произойти при установке в ИБП батареи емкостью меньше, чем рассчитано. И на входе ИБП тоже должен потреблять переменный ток, поскольку он питается от той же электрической сети. Для формирования этого напряжения используется автогенератор, создающий импульсы, которые затем выпрямляются и сглаживаются рис. Для этого необходимо выключить SW1.
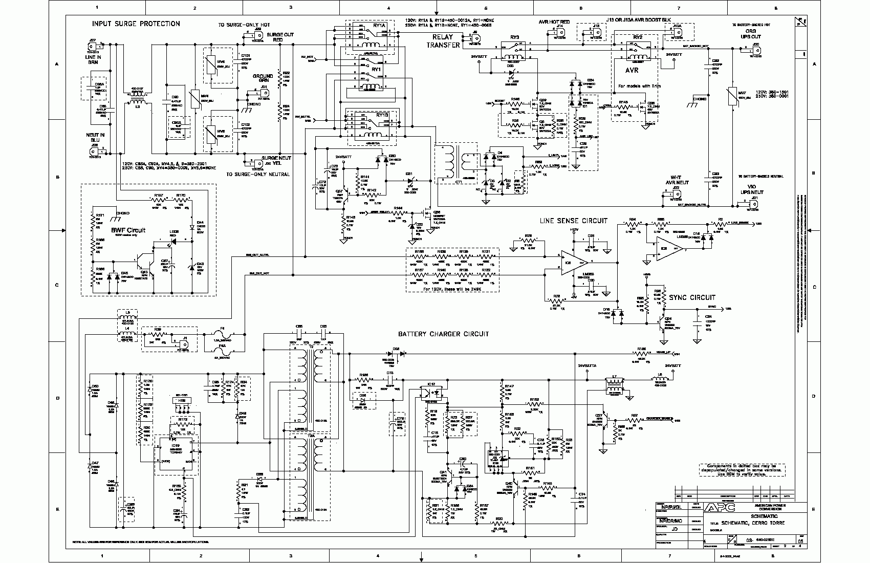
Для проверки этого подключите вольтметр к клеммам аккумулятора работающего ИБП и отключите его от розетки. Этот конденсатор установлен параллельно выходу UPS рис. Устройства подают соответствующие звуковые сигналы при пропадании входного напряжения, разрядке аккумуляторов и перегрузке. Эти микросхемы формируют сигналы для управления силовыми транзисторами инвертора. ЭДС, наводимая в этой обмотке, либо суммируется с сетевым напряжением, либо вычитается из него, в результате чего и происходит либо повышение, либо понижение выходного напряжения.
IMD1500AP сгорел после установки наших АКБ. Ремонт ИБП Powercom
Особенности подключения ИБП
В бытовой практике ИБП малой мощности обычно используются с отдельной нагрузкой или несколькими нагрузками, более мощные модели – с большой группой нагрузок или для централизованной защиты всей домашней электросети.
Первый случай наиболее простой: защищаемое оборудование и сеть подключаются к изделию с помощью привычного штепсельного соединения (розетка в вилку). Главное заранее убедиться, что вилки и розетки подходят друг к другу.
Важно!
Включать ИБП допустимо только в розетку, имеющую контакт заземления!
Важно!
Некоторые устройства (например, газовые котлы) требуют строгого соблюдения фазности при подключении, то есть совпадения фазного и нейтрального контакта розетки с фазным и нейтральным контактом вилки. Если после подключения к ИБП такой прибор не запускается, то переверните его вилку в розетке «бесперебойника».
Маломощные ИБП (до 3 кВА) имеют компактный корпус, поэтому обычно их стараются разместить в непосредственной близости от защищаемой техники. Будьте внимательны! Условия на этом участке могут не соответствовать требованиям, предъявляемым устройством к месту эксплуатации. При возникновении подобной ситуации установите изделие в более подходящей зоне и соедините с нагрузкой при помощи удлинителя.
Одновременное питание от ИБП нескольких потребителей можно организовать:
- с помощью электрических разветвителей (двойник, тройник и т.д.) при условии, что подключаемых приборов немного и они находятся рядом;
- через распределительный щиток – такой вариант удобен при большом количестве рассредоточенных нагрузок.
Важно!
Работы по сборке и установке распределительного щитка требуют навыков электромонтажа и обязательного соблюдения правил электробезопасности, поэтому рекомендуем доверить их профессиональному электрику!
Мощные ИБП способны обеспечить резервирование всех энергопотребляющих систем и устройств в квартире или коттедже. Для этого необходимо выполнить электрическое подсоединение прибора на вводе электричества в дом, после счетчика, но до нагрузочных автоматов. Данный процесс не прост и состоит из нескольких трудоёмких операций, выполнение которых лучше доверить профессионалу (особенно в случае трехфазного ИБП).
Следует отметить, что у ИБП с мощностями от 6 кВА коммутация с входными и выходными цепями осуществляется не через штепсельные разъёмы, а через клеммную колодку, для работы с которой опять же нужны определённые навыки.
Важно!
Продолжительность автономной работы любого ИБП зависит от ёмкости и количества подключенных к нему батарей. В бытовых условиях с размещением большого числа аккумуляторов могут возникнуть проблемы. Поэтому при потребности в длительном резервировании, стоит рассмотреть вариант с использованием связки ИБП и генератора либо запитать от ИБП только группу наиболее важных нагрузок. В жилом доме к таковым можно отнести электроприборы, от функционирования которых напрямую зависит бытовой комфорт и безопасность.
Напряжение на выходе Back UPS
Я провёл исследование с использованием осциллографа Fluke 124. Осциллограммы (форма импульсов и колебаний на выходе ups) привожу и комментирую ниже.

Back UPS. Осциллограмма при переходе с сети на батарею.
Что видно по этой временной диаграмме? Период 20мс, частота 50Гц, амплитуда 315В. Стоит отметить, что фаза синуса и генерируемых импульсов совпадает, что хорошо. При пропадании сетевого напряжения ИБП мешкается 5-7 мс, и затем идут импульсы, которые называются “квази-синус”. Вот они:

Back UPS. Напряжение на выходе при питании от батарей.
Осциллограф померял RMS напряжение (среднеквадратическое), оно соответствует норме. Однако, когда я измерил это же напряжение мультиметром, я получил значение 155 В. Почему на выходе UPS низкое напряжение?
Дело в том, что мультиметр меряет только первую гармонику с частотой 50Гц. Для синуса всё гладко. Но если измерять напряжение таких вот импульсов, надо мерять именно RMS, среднеквадратическое, иначе не будут учтены следующие гармоники – 100, 150, 200 Гц. А они составляют значительную часть энергии, до 30%. Эту особенность знают производители UPS, и чтобы не заморачиваться (и не повышать цену на свои изделия), выдают на наши приборы такие импульсы с амплитудой около 370В.
Подробнее об измерении среднеквадратического несинусоидального напряжения – на видео:
Вот укрупненный график, где видно, что напряжение после переключения сначала повышается на пол секунды до 400В, а потом стабилизируется:

Back UPS. Выход, длительность 2 секунды
А вот как меняется форма напряжения на выходе Back-UPS в момент перехода с батарейного на сетевое питание:

Back UPS, – Напряжение на выходе ИБП при переходе с батареи на сеть. Форма импульсов на выходе ups
Тоже фаза не меняется, всё замечательно. Подключал на выход ИБП пускатель 2-й величины, переключал туда-сюда режимы питания – пускатель втянут надежно, никаких проблем.
В качестве испытуемого был ИБП APC Back-500-RS, параметры на фото ниже:

Параметры Back UPS – задняя панель





