Содержание
Электроника
Я решил разбить электронику на две части – фальш-панель и управляющая электроника. Причина для такого разбиения – банально не хватило места на лицевой панели, чтобы вместить еще и управляющую электронику.
В качестве основного источника питания для своей электроники я выбрал standby источник. Было замечено, что если его хорошенько нагрузить, то он перестает пищать, поэтому идеальными оказались 7-сегментные индикаторы — и блок питания подгрузят и напряжение с током покажут.
Фальш-панель:
На ней индикаторы, потенциометры, светодиод. Для того, чтобы не тащить кучу проводов к 7-сегментникам, я использовал сдвиговые регистры 74AC164. Почему AC, а не HC ? У HC максимальный суммарный ток всех ножек – 50мА, а у AC – по 25мА на каждую ножку. Ток индикаторов я выбрал 20мА, тоесть 74HC164 точно бы не хватило по току.
 
AtxPower.pdf — схема фальшпанели
Управляющая электроника – тут все слегка посложнее.
В процессе составления схемы, я конкретно налажал, за что и поплатился кучей перемычек на плате. Вам-же предоставляется исправленная схема.
AtxPowerElectronics.pdf — управляющая электроника БП
 
 
Если кратко, то – U1A – диф. усилитель тока. При максимальном тока, на выходе получается 2.56В, что совпадает с опорным у АЦП контроллера.
U1B – собственно токовый компаратор – если ток превышает порог, заданный резисторами, tl494 “затыкается”
U2A – индикатор того, что БП работает в режиме ограничения тока.
U2B – компаратор напряжения.
U3A, U3B – повторители с переменников. Дело в том, что переменники относительно высокоомные, да еще и сопротивление их меняется. Это значительно усложнит компенсацию обратной связи. А вот если их привести к одному сопротивлению, то все становится значительно проще.
С контроллером все понятно – это банальная атмега8, да еще и в дипе, которая лежала в загашнике. Прошивка относительно простая, и сделана между паяниями левой лапой. Но, нем не менее, рабочая.
IAR.rar — прошивка — исходник + hex
Контроллер работает на 8МГц от RC генератора (нужно поставить соответствующие фюзы)
По хорошему, измерение тока нужно перенести на “высокую сторону”, тогда можно будет мереть напряжение непосредственно на нагрузке. В этой схеме при больших токах в измеренном напряжении будет ошибка до 200мВ. Я слажал и каюсь. Надеюсь, вы не повторите моих ошибок.
Работы наших читателей
Ниже будем добавлять работы наших читателей, присылайте в комментах фото своих лабораторных блоков питания собранные по этой схеме, будем добавлять в статью, так станет интересней.
- Лабораторный блок питания своими руками прислал Алексей. Это его первая электронная подделка, пока не оформлен в корпус. Трансформатор: ТПП-312. Транзисторы: пара TIP36C. На выходе: ток до 7А.

Лабораторный блок питания собрал своими руками Виктор. Трансформатор: взял с бесперебойника. Транзисторы: пара TIP36C. На выходе: ток до 5А.

Корпус подошел от распределительной коробки, размер лабораторного БП 24х19х9,5 см, вес 4,5 кг. По затратам на все ушло около 900 рублей.
Лабораторный блок питания выдает напряжение 1.3… 25 вольт, максимальное честное напряжение 19,5 при нагрузке 5 ампер, это почти, то напряжение, которое выдает трансформатор до диодного моста и конденсаторов.

Самодельный лабораторный блок питания от Валерия. Трансформатор: ТПП-307: пара TIP36C. На выходе: ток до 3,6А. Из за проблем с трансформатором, выжать больше не получилось.

Еще один лабораторный блок питания от Алексея. Трансформатор: ТПП-312: Силовые транзисторы пара TIP36C. На выходе: ток до 5,5А. Из за небольшой ошибки в трассировке дорожек этот БП занял у Алексея очень много времени и сил.

Свой лабораторный блок питания, который собран по нашей схеме, прислал нам Сергей. Транзисторы: пара TIP36C. Трансформатор: перемотанный трансформатор от UPS. Отдельно хотелось отметить, что такой трансформатор без перемотки не хотел корректно работать в БП. Дополнительно Сергей модифицировал свой блок питания, а именно оснастив его системой автоматической регулировки оборотов вентилятора, снятой со старого компьютерного блока питания. Стоимость блока получилась примерно в 2700 руб.
Этот лабораторный блок питания мы получили от Александра. Во время сборки Александр не однократно сталкивался с различными проблемами, не смог подружить пару транзисторов и не сразу разобрался с питанием LM301. Но благополучно их решил и не стал опускать руки. Транзисторы: пара TIP36C. Трансформатор: ТПП 322. На выходе 30В и 5А.

Такой блок мы получили от Андрея. Выдает 19,5-20 В и 5 А. Порог установлен на 4,5 А. Хотя однако трансформатор может намного больше (32 В; 6 А). Добавлены последовательно к переменным резисторам еще по одному, номиналом 10% от базового. Транзисторы: пара TIP36C. Трансформатор: тороидальный от радиолы.

comments powered by HyperComments
Схемы блоков питания
Напряжение лабораторного БП располагается в интервале от 0 до 35 вольт. Для этой цели подходят схемы, по которым можно собрать следующие БП:
- однополярный;
- двуполярный;
- лабораторный импульсный.
Конструкции подобных устройств обычно собраны либо на обычных трансформаторах напряжения (ТН), либо на импульсных трансформаторах (ИТ).
Внимание! Отличие ИТ от ТН в том, что на обмотки ТН подается синусоидальное переменное напряжение, а на обмотки ИТ приходят однополярные импульсы. Схема включения обоих абсолютно идентична
Импульсный трансформатор
Простой лабораторный
Однополярный БП с возможностью регулировать выходное напряжение можно собрать по схеме, в которую входят:
- понижающий трансформатор Tr ( 220/12…30 В);
- диодный мост Dr для выпрямления пониженного переменного напряжения;
- электролитический конденсатор С1 (4700 мкФ*50В) для сглаживания пульсации переменной составляющей;
- потенциометр для регулировки выходного напряжения Р1 5 кОм;
- сопротивления R1, R2, R3 номиналом 1кОм, 5,1 кОм и 10 кОм, соответственно;
- два транзистора: Т1 КТ815 и Т2 КТ805, которые желательно установить на теплоотводы;
- для контроля напряжения на выходе устанавливают цифровой вольтамперметр, с интервалом измерений от 1,5 до 30 В.
В коллекторную цепь транзистора Т2 включены: С2 10 мкф * 50 В и диод Д1.
Схема простого БП
К сведению. Диод устанавливают для защиты С2 от переполюсовки при подключении к аккумуляторам для подзарядки. Если такая процедура не предусмотрена, можно заменить его перемычкой. Все диоды должны выдерживать ток не менее 3 А.
Печатная плата простого БП
Двухполярный источник питания
Для питания усилителей низкой частоты (УНЧ), имеющих два “плеча” усиления возникает необходимость в применении двухполярного БП.
Важно! Если монтировать лабораторный БП, стоит остановить внимание именно на аналогичной схеме. Источник питания должен поддерживать любые форматы выдаваемого постоянного напряжения
Двухполярный ИП на транзисторах
Для такой схемы допустимо применять трансформатор с двумя обмотками на 28 В и одной на 12 В. Первые две – для усилителя, третья – для питания охлаждающего вентилятора. Если таковой не окажется, то достаточно двух обмоток равного напряжения.
Для регулировки выходного тока применены наборы резисторов R6-R9, подключаемые с помощью сдвоенного галетного переключателя (5 положений). Резисторы подбирают такой мощности, чтобы они выдерживали ток более 3 А.
Переменный резистор R нужно брать сдвоенный номиналом 4.7 Ом. Так проще осуществлять регулировку по обоим плечам. Стабилитроны VD1 Д814 соединены последовательно для получения 28 В (14+14).
Для диодного моста можно взять диоды подходящей мощности, рассчитанные на ток до 8 А. Допустимо устанавливать диодную сборку типа KBU 808 или аналогичную. Транзисторы КТ818 и КТ819 необходимо установить на радиаторы.
Подбираемые транзисторы должны иметь коэффициент усиления от 90 до 340. БП после сборки не требует специальной наладки.
Лабораторный импульсный бп
Отличительной чертой ИПБ является рабочая частота, которая в сто раз выше частоты сети. Это дает возможность получить большее напряжение при меньшем количестве витков обмотки.
Информация. Чтобы получить 12 В на выходе ИПБ с током 1 А для сетевого трансформатора достаточно 5 витков при сечении провода 0,6-0,7 мм.
Простой полярный ИП можно собрать, используя импульсные трансформаторы от компьютерного БП.
Лабораторный блок питания своими руками можно собрать по схеме приведенной ниже.
Схема импульсного блока питания
Данный источник питания собран на микросхеме TL494.
Важно! Для управления Т3 и Т4 используется схема, в которую входит управляющий Тr2. Это связано с тем, что встроенные ключевые элементы микросхемы не имеют достаточной мощности
Трансформатор Тr1 (управляющий) берут от компьютерного БП, он «раскачивается» при помощи транзисторов Т1 и Т2.
Особенности сборки схемы:
- для минимизации потерь при выпрямлении используют диоды Шоттки;
- ESR электролитов в фильтрах на выходе должен быть как можно ниже;
- дроссель L6 от старых БП применяют без изменения обмоток;
- дроссель L5 перематывают, намотав на ферритовое кольцо медный провод диаметром 1,5 мм, набрав 50 витков;
- Т3, Т4 и D15 крепят на радиаторы, предварительно отформатировав выводы;
- для питания микросхемы, управления током и напряжением применяют отдельную схему на Tr3 BV EI 382 1189.
Вторичная обмотка выдает 12 В, которые выпрямляются и сглаживаются при помощи конденсатора. Микросхема линейного стабилизатора 7805 стабилизирует его до 5 В для питания схемы индикации.
Внимание! Допустимо использовать в этом БП любую схему вольтамперметра. В таком случае микросхема для стабилизации 5 В не понадобится
TL 431 интегральный стабилитрон
Основные характеристики программируемого источника опорного напряжения TL 431
-  Номинальное рабочее напряжение на выходе от 2,5 до 36 В;
- Ток на выходе до 100 мА;
- Мощность 0,2 Ватт;
- Диапазон рабочей температуры для TL 431C от 0° до 70°;
- Диапазон рабочей температуры для TL 431A от -40° до +85°.
- Точность без буквы – 2%;
- Буква А – 1%;
- Буква В – 0, 5%.
Столь широкое его применения обусловлено низкой ценой, универсальным форм-фактором, надёжностью, и хорошей устойчивостью к агрессивным факторам внешней среды. Но также следует отметить точность работы данного регулятора напряжения
. Это позволило ему занять нишу в устройствах микроэлектроники.
Основное предназначение TL 431 стабилизировать опорное напряжение в цепи. При условии, когда напряжение на входе источника ниже номинального опорного напряжения, в программируемом модуле транзистор будет закрыт и проходящий между катодом и анодом ток не будет превышать 1 мА
. В случае, когда выходное напряжение станет превышать запрограммированный уровень, транзистор будет открыт и электрический ток сможет свободно проходит от катода к аноду.
Схема включения TL 431
В зависимости от рабочего напряжения устройства схема подключения будет состоять из одноступенчатого преобразователя и расширителя (для устройств 2,48 В.) или модулятора небольшой ёмкости (для устройств 3.3 В). А также чтобы снизить риск короткого замыкания, в схему устанавливается предохранитель, как правило, за стабилитроном
. На физическое подключение оказывает влияние форм-фактор устройства, в котором будет находиться схема TL 431, и условия окружающей среды (в основном температура).
Стабилизатор на основе TL 431
Простейшим стабилизатором на основе TL 431 является параметрический стабилизатор. Для этого в схему нужно включить два резистора R 1, R 2 через которые можно задавать выходное напряжение для TL 431 по формуле: U вых= Vref (1 + R 1/ R 2)
. Как видно из формулы здесь напряжение на выходе будет прямо пропорционально отношению R 1 к R 2.Интегральная схема будет держать напряжение на уровне 2,5 В . Для резистора R 1 выходное значение рассчитывается так: R 1= R 2 (U вых/ Vref – 1).
Эта схема стабилизатора, как правило, используется в блоках питания с фиксированным или регулируемым напряжением. Такие стабилизаторы напряжения на TL 431 можно обнаружить в принтерах, плоттерах, и промышленных блоках питания. Если необходимо высчитать напряжение для фиксированных источников питания, то используем формулу Vo = (1 + R 1/ R 2) Vref.
Термостабильный стабилизатор на основе TL 431
Технические характеристики TL 431 позволяют создавать на его основе термостабильные стабилизаторы тока. В которых резистор R2 выполняет роль шунта обратной связи, на нём постоянно поддерживается значение 2,5 В. В результате значение тока на нагрузке будет рассчитываться по формуле Iн=2,5/R2.
Цоколёвка и проверка исправности TL 431
Форм-фактор TL 431 и его цоколёвка будет зависеть от производителя. Встречаются варианты в старых корпусах TO -92 и новых SOT-23
.Не стоит забывать про отечественный аналог: КР142ЕН19А тоже широко распространённый на рынке . В большинстве случаев цоколёвка нанесена непосредственно на плату. Однако не все производители так поступают, и в некоторых случаях вам придётся искать информацию по пинам в техпаспорте того или иного устройства.
Делаем шунт
Делаем шунт, с которого будем снимать напряжение. Смысл шунта в том, что падение напряжения на нем сообщает ШИМ, как он заряжается током — выходным сигналом источника питания. Например, сопротивление шунта у нас получилось 0,05 (Ом), если измерить напряжение на шунте в момент прохождения 10 А, то напряжение на нем будет:
U = I * R = 10 * 0,05 = 0,5 (Вольт)
Про манганиновый шунт писать не буду, так как не покупал и нет, использовал две дорожки на самой плате, замыкаем дорожки на плате как на фото, чтобы получить шунт. Понятно, что лучше использовать манганин, но все же он работает более чем обычно.
Описание и принцип работы пуско-зарядного устройства
Здесь особо сложного ничего нет. Сетевое U = 220 В подаётся через выключатель на первичную обмотку трансформатора, а на вторичной происходит уменьшение переменного напряжения. Потом оно сглаживается двухполупериодным или мостовым выпрямителем, собранным на мощных диодах. Далее пульсирующее напряжение может быть отфильтровано посредством электролитических конденсаторов. При необходимости около выхода осуществляется увеличение напряжения, что делается с помощью усилителей, в которых основными компонентами являются транзисторы, тиристоры.
Из недостатков описываемого пуско-зарядного устройства можно отметить разве что солидный вес, что обусловлено установкой мощного и, как следствие, габаритного трансформатора. Ниже – схема двухполупериодного пуско-зарядного устройства своими руками:

В этой схеме задействован лабораторный трансформатор ЛАТР. Вместо двух диодов можно использовать и диодный мост типа КЦ405. Схема пуско-зарядного устройства для автомобиля с усилителем:

Как сделать пуско-зарядное устройство своими руками, чтобы оно наверняка заработало? Нужно соблюдать параметры деталей. Мощность указанных на картинке тиристоров – не менее 80 А (если будет использоваться диодный мост, то от 160 А). Диоды на ток – 100–200 А. Транзистор – КТ361 либо КТ 3102 (можно любой другой с такими же параметрами). Мощность используемых резисторов – от 1 Вт.
Собранное своими руками зарядно-пусковое устройство подключается через зажимы-крокодилы к АКБ в соответствии с полярностью. При нормально заряженной батарее с ПЗУ энергия поступать не будет. Если же АКБ не функционирует, тиристорный переход откроется, и зарядный ток пойдёт на батарею и стартер.
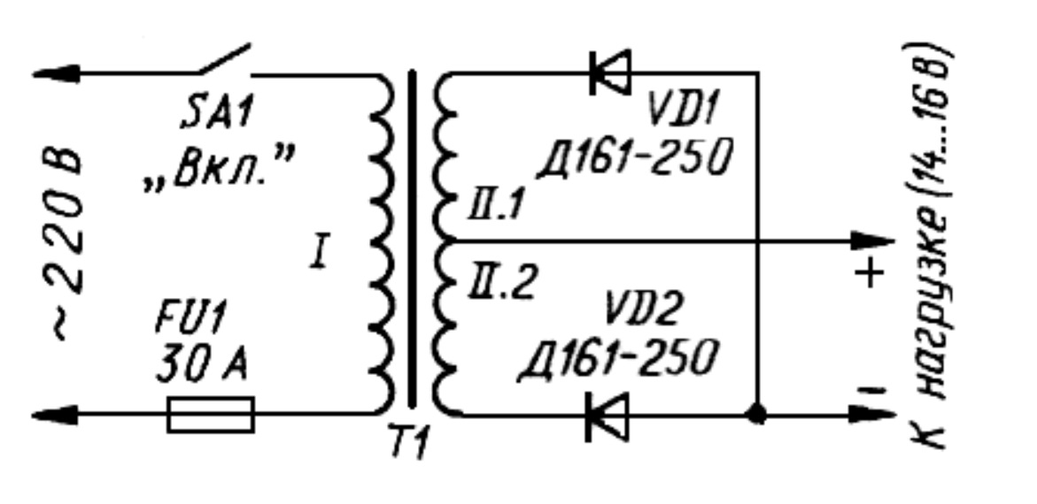
Расчёт обмоток трансформатора
Сначала нужно подобрать магнитопровод, сечение которого должно быть не меньше 37 кв. см. Чтобы рассчитать количество витков в первичной обмотке, необходимо воспользоваться формулами: Т = 30/S, где S – площадь магнитопровода и N = 220*Т, то есть W1 = 220*30/37 = 178 витков. Для обмотки необходимо использовать изолированный провод сечением не менее 2 кв. мм. Формула для вторичной обмотки: W2 = 16*Т = 16*30/37 = 13 витков. Здесь понадобится шина из алюминия площадью 36 кв. мм.
Стоит заметить, что формулы не всегда могут выдавать точное число обмоток (особенно вторичной), поэтому можно применить метод подбора. Намотав первичную обмотку, накрутите несколько витков вторичной и измерьте получившееся напряжение, не обрезая шину. Таким образом нужно добиться на выходе значения 14–16 В.
Дело будет обстоять проще, если у вас имеется ЛАТР – лабораторный трансформатор. От него нужно взять сердечник. Количество витков первичной обмотки – 265–295. Используйте изолированный провод сечением 2 мм. Намотку производите в три слоя. Далее обязательно проверьте значение тока холостого хода (включите мультиметр в разрыв между сетью 220 В и одним из концов обмотки). Прибор должен показывать 210–390 мА. Если показания больше, число витков нужно увеличить, в противном случае, наоборот, уменьшить. Вторичная обмотка разделена на две секции, в каждой из которых 15–18 витков. Здесь понадобится провод сечением 10 кв. мм.
Расчёт выпрямителя
Далее рассмотрены параметры электронных компонентов (помимо указанных выше), применяемых в обеих схемах:
- Диоды. Максимальный пропускаемый ток не должен быть менее 100 А. Это могут быть В200, Д141, 2Д141, 2Д151 и иные аналогичные детали. Вместо КД105 не возбраняется применять КД209 или даже Д226. Стабилитрон – Д808, 2С182 и т. п.
- Тиристоры. I = 80 А и более: ТС185, Т15-80, Т15-100, Т161, Т125 и т. п. Если используется вариант выпрямления тока с диодным мостом, тиристоры будут мощнее вдвойне: Т15, Т160, Т250, Т16 и другие, аналогичные.
- Транзисторы. Здесь важен коэффициент усиления h = 21э. Это КТ361 либо КТ3107 проводимостью n-p-n. Вместо КТ816 подойдёт и КТ814.
- Резисторы. Желательно, чтобы их мощность была не менее 1 Вт.
- Выключатель. Должен держать ток от 6 А.
Подбор сечения проводов
Подбирая выходные провода, которые будут присоединяться к аккумулятору, нужно помнить, что их диаметр не может быть меньше такого же параметра вторичной обмотки. Лучше использовать многожильный медный кабель, используемый в сварочных аппаратах, где каждый проводок имеет сечение 2,5 кв. мм. Такую же площадь должен иметь провод, посредством которого самодельный аппарат будет подключаться к сети. Не забудьте приобрести мощные зажимы-крокодилы для подключения к клеммам АКБ. Здесь тоже рекомендуется использовать изделия, применяемы при сварке («масса»).
Сначала надо бы добиться работоспособности блока
По порядку для “чайников” о восстановлении блоков, общие правила:
- Если предохранитель в порядке, переходим к пункту 4.
- Если предохранитель сгорел, то сначала проверяем отсутствие “короткого” на разъёме
220.
Если “короткое”, устраняем, это могут быть силовые транзисторы, диоды, конденсаторы. Заодно советую проверить диоды во вторичной цепи.
После устранения “короткого” выпаиваем предохранитель и вместо него запаиваем “кроватку”, если её не установили при изготовлении.
Вместо предохранителя вставляем в “кроватку” заранее подготовленный резистор изготовленный из сгоревшего предохранителя и лампочки на 220 Вольт мощностью 100-200 Ватт.
Лучше, если у Вас найдётся разделительный трансформатор, но если нет, не очень страшно. Достаточно просто не совать пальцы в силовую половину блока. Включаем блок в 220. Замыкаем “зелёный” и “чёрный” провода на большом разъёме. При отсутствии нагрузки исправный АТХ закрутит лопастями пытаясь взлететь. Лампочка (предохранитель) гореть не должна. Если так, можно вместо лампочки вставить предохранитель и приступить к переделке блока, но лучше пока оставить лампочку.
Если лампочка не загорелась но АТХ не “поднимается”, проверяем наличие питания микросхемы TL-494 (или её аналога). Если в блоке применена другая микросхема, дальше можно не читать, или читать из любопытства. Итак, на 12 ноге микросхемы (относительно 7-ой) проверяем наличие дежурного питания от 5, до 25 вольт. Если питания нет, значит не работает источник дежурного питания, именуемый в разных источниках как +USB, “дежурка” и т.п. Если +USB нет, тут есть 3 пути, искать неисправность дежурки, запитать TL494 от любого другого БП (адаптера), или пойти в ближайшую мастерскую и купить (попросить) другой АТХ. Дело в том, что “дежурка” сравнительно тяжело поддаётся ремонту. Обычно после замены транзистора или Viper-a, или ещё чего-то вскоре неисправность повторяется. Проблема не столько в сложности поиска неисправности, сколько в самих неисправностях. Это может быть межвитковое в импульсном трансформаторе, не достаточно “быстрый” электролитический конденсатор во вторичной цепи, потеря индуктивности дросселя во вторичной цепи (из-за перегрева феррита), обрыв резистора стартового тока “дежурки” и многое другое, что довольно трудно установить имея под руками только тестер. Но тем, кто потерпеливее пожелаю удачи.
Что нужно знать
Блок питания с регулировкой тока и напряжения в современном доме – необходима вещь. Этот прибор, благодаря своему специальному устройству, может преобразовать напряжение и ток, имеющееся в сети до того уровня, который может потреблять конкретный электронный прибор. Вот примерная схема работы, по которой можно своими руками сделать подобный прибор.

Схема
Но готовые БП стоят достаточно дорого, для того чтобы покупать их под конкретные нужды. Поэтому сегодня очень часто преобразователи для напряжения и тока изготавливаются своими руками.
Профессионалы могут легко сделать мощный блок питания, в то время как новичкам и любителям подойдет для начала простой тип прибора. При этом схема, в зависимости от сложности, может использоваться самая разная.
Детали генератора импульсов
Конденсаторы С1-С4 времязадающей цепи выбираются под необходимый частотный диапазон и емкость их может быть от 10 микрофарад для инфранизкого поддиапазона до 1000 пикофарад — для наиболее высокочастотного.
При ограничении среднего тока в 200 мА схема способна достаточно быстро зарядить затвор, норазрядить его выключенным транзистором невозможно. Разряжать затвор с помощью заземленного резистора – также неудовлетворительно медленно. Для этих целей применяется независимый комплементарный повторитель.

Читайте: «Как сделать из компьютерного».
И вот, наконец, дошли руки. После сборок мелких катушек решил замахнуться на новую схему, более серьезную и сложную в настройке и работе. Перейдем от слов к делу. Полная схема выглядит так:
Работает по принципу автогенератора. Прерыватель пинает драйвер UCC27425
 и начинается процесс. Драйвер подает импульс на GDT (Gate Drive Transformator — дословно: трансформатор, управляющий затворами) с GDT идут 2 вторичные обмотки включенные в противофазе. Такое включение обеспечивает попеременное открытие транзисторов. Во время открытия транзистор прокачивает ток через себя и конденсатор 4,7 мкФ. В этот момент на катушке образуется разряд, и сигнал идет по ОС в драйвер. Драйвер меняет направление тока в GDT и транзисторы меняются (который был открытым — закрывается, а второй открывается). И этот процесс повторяется до тех пор, пока идет сигнал с прерывателя.
GDT лучше всего мотать на импортном кольце — Epcos N80. Обмотки мотаются в соотношении 1:1:1 или 1:2:2. В среднем порядка 7-8 витков, при желании можно рассчитать. Рассмотрим RD цепочку в затворах силовых транзисторов. Эта цепочка обеспечивает Dead Time (мертвое время). Это время когда оба транзистора закрыты. То есть один транзистор уже закрылся, а второй еще не успел открыться. Принцип такой: через резистор транзистор плавно открывается и через диод быстро разряжается. На осциллограмме выглядит примерно так:

Если не обеспечить dead time то может получиться так, что оба транзистора будут открыты и тогда обеспечен взрыв силовой.
Идем дальше. ОС (обратная связь) выполнена в данном случае в виде ТТ (трансформатора тока). ТТ наматывается на ферритовом кольце марки Epcos N80 не менее 50 витков. Через кольцо продергивается нижний конец вторичной обмотки, который заземляется. Таким образом высокий ток со вторичной обмотки превращается в достаточный потенциал на ТТ. Далее ток с ТТ идет на конденсатор (сглаживает помехи), диоды шоттки (пропускают только один полупериод) и светодиод (выполняет роль стабилитрона и визуализирует генерацию). Чтобы была генерация необходимо также соблюдать фразировку трансформатора. Если нет генерации или очень слабая — нужно просто перевернуть ТТ.
Рассмотрим отдельно прерыватель. С прерывателем конечно я попотел. Собрал штук 5 разных… Одни пучит от ВЧ тока, другие не работают как надо. Далее расскажу про все прерыватели, которые делал. Начну пожалуй с самого первого — на TL494
. Схема стандартная
Возможна независимая регулировка частоты и скважности. Схема ниже может генерировать от 0 до 800-900 Гц, если поставить вместо 1 мкФ конденсатор 4,7 мкФ
Скважность от 0 и до 50. То что нужно! Однако есть одно НО. Этот ШИМ контроллер очень чувствителен к ВЧ току и различным полям от катушки. В общем при подключении к катушке, прерыватель просто не работал, либо все по 0 либо CW режим. Экранирование частично помогло, но не решило проблему полностью.

Следущий прерыватель был собран на UC3843
 очень часто встречается в ИИП, особенно АТХ, оттуда, собственно, его и взял. Схема тоже неплохая и не уступает TL494
 по параметрам
Здесь возможна регулировка частоты от 0 до 1кГц и скважность от 0 до 100%. Меня это тоже устраивало
Но опять эти наводки с катушки все испортили. Здесь даже экранирование нисколько не помогло. Пришлось отказаться, хотя собрал добротно на плате…

Схема для лабораторного БП
Для переделки ненужного блока питания компьютера в лабораторный источник с регулируемым выходным напряжением хорошо подходят БП стандарта ATX (но можно и AT), выполненные по схеме с ШИМ на микросхеме TL494 или ее аналогах.
Структурная схема блока питания стандарта ATX.
Хотя они все построены по одной структурной схеме и работают по схожему принципу, физически реализованы источники питания могут быть по-разному. Потому первое, с чего надо начать – попытаться найти принципиальную схему от фактически имеющегося блока.
Процедуру переделки можно рассмотреть на примере модели LC-250ATX. Поняв принцип, можно будет работать и с другими подобными блоками.
Изначальная схема блока LC-250ATX.
В основу работы LC-250ATX положен принцип ШИМ, реализованный на стандартной для таких схем микросхеме TL494. Она формирует импульсы, которые усиливаются ключами на транзисторах Q6,Q7, далее через трансформатор T2 ключами на транзисторах Q1, Q2 создаются импульсы на первичной обмотке трансформатора T1. Эти импульсы трансформируются через вторичные обмотки и подаются на выпрямители различных напряжений, из которых для переделки интересен лишь канал +12 вольт.
Схема дежурного напряжения собрана на транзисторе Q3, трансформаторе T3 и интегральном стабилизаторе 7805. Этот участок также понадобится для будущей конструкции. На операционном усилителе LM339 собрана схема формирования сигнала PWR_OK и запуска БП сигналом от материнской платы.
Нагрузка блока питания
При тестировании блоков питания к ним необходимо подключать нагрузку.
Дело в том, что питаюшие блоки снабжены в большинстве своем элементами защиты и сигнализации. Эти цепи сообщают контроллеру об отсутствии нагрузки. Он может останавливать инвертор, уменьшая выходные напряжения до нуля.
В дешевых моделях эти цепи могут быть упрощены или вообще отсутствовать, и поэтому не исключена поломка блока питания.

 При запуске блока питания достаточно подключить нагрузку в виде проволочных сопротивлений ПЭВ-25 6 -10 Ом (к шине +12 В) и 2 — 3 Ом (к шине +5 В).
Правда, могут быть случаи, когда с такой нагрузкой питающий блок запускается, а с реальной нагрузкой – нет.
Но такое бывает редко, и это, опять же, сложный случай. Если уж по-честному, то нагружать надо сильнее, в том числе и шину +3,3 В.
После ремонта надо обязательно проконтролировать напряжения +3,3 В, +5 В, +12 В. Они должны быть в пределах допуска — плюс-минус 5% . С другой стороны, + 12 В + 5% — это 12,6 В, что многовато…
Это напряжение подается на двигатели приводов, в том числе и на шпиндель винчестера, который и так греется достаточно сильно. Если есть регулировка, лучше снизить напряжение до +12 В. Впрочем, в недорогих моделях регулировки обычно нет.
 
 




