Содержание
Работа с микроконтроллерами
При расчете транзисторного ключа нужно учитывать все особенности работы элемента. Для того чтобы работала система управления на микроконтроллере, используются усилительные каскады на транзисторах. Проблема в том, что выходной сигнал у контроллера очень слабый, его не хватит для того, чтобы включить питание на обмотку электромагнитного реле (или же открыть переход очень мощного силового ключа). Лучше применить биполярный транзисторный ключ, которым произвести управление MOSFET-элементом.
Применяются несложные конструкции, состоящие из таких элементов:
- Биполярный транзистор.
- Резистор для ограничения входного тока.
- Полупроводниковый диод.
- Электромагнитное реле.
- Источник питания 12 вольт.
Диод устанавливается параллельно обмотке реле, он необходим для того, чтобы предотвратить пробой транзистора импульсом с высоким ЭДС, который появляется в момент отключения обмотки.
Сигнал управления вырабатывается микроконтроллером, поступает на базу транзистора и усиливается. При этом происходит подача питания на обмотку электромагнитного реле – канал «коллектор — эмиттер» открывается. При замыкании силовых контактов происходит включение нагрузки. Управление транзисторным ключом происходит в полностью автоматическом режиме – участие человека практически не требуется. Главное – правильно запрограммировать микроконтроллер и подключить к нему датчики, кнопки, исполнительные устройства.
Вспомогательная информация
Обычно мы встречаем MOSFET транзисторы с истоками и стоками, подключенными (либо напрямую, либо через, например, резистор или активную нагрузку) к положительной и отрицательной шинам питания, причем затвор действует как входной вывод. Это верно как для аналоговых схем, таких как усилитель с общим истоком, так и для цифровых схем, таких как вездесущий КМОП инвертор. Однако хорошо бы помнить, что использование MOSFET транзисторов не ограничивается подобными схемами.
Канал, созданный достаточно высоким напряжением затвор-исток, позволяет току протекать между выводами истока и стока, и в этом смысле MOSFET транзистор является ключом, управляемым напряжением. Таким образом, не существует закона, который мешает нам использовать исток и сток в качестве входного и выходного выводов и при этом подавать управляющее напряжение на затвор.
Один NMOS (или PMOS) транзистор может использоваться как управляемый напряжением ключ. «Схема» (на самом деле просто один транзистор) выглядит следующим образом:

Рисунок 1 – Ключ, управляемый напряжением
Обратите внимание, что я удалил стрелку, которая обычно идентифицирует исток. Это связано с тем, что вывод истока фактически изменяется в зависимости от того, выше ли V1, чем V2, или V2 выше, чем V1
Кроме того, использование V1 и V2 вместо Vвх и Vвых предназначено для подчеркивания того, что этот единственный NMOS транзистор действительно может проводить ток в обоих направлениях.
Как вы, вероятно, ожидали, эта схема далека от идеального ключа. Одной из проблем является напряжение истока: на ток через MOSFET транзистор влияет напряжение истока, а напряжение истока зависит от того, какой сигнал проходит через ключ. Действительно, если затвор управляется драйвером, напряжение которого не может превышать VDD, транзистор может передавать сигналы с напряжением только до значения VDD минус пороговое напряжение. Это ограничение порогового напряжения усугубляется влиянием корпуса, которое проявляется, когда потенциалы на выводах истока и корпуса полевого транзистора не одинаковы.
Когда вы поанализируете и поразмышляете над этим ключом, вы увидите определенную асимметрию. Например, если мы используем этот ключ для проходной транзисторной логики, NMOS транзистор (MOSFET транзистор с каналом N-типа) сможет эффективно передавать сигнал низкого логического уровня, но не сможет передать полный сигнал высокого логического уровня. Можно ли изменить схему таким образом, чтобы устранить эту асимметрию? Если у вас хорошее «CMOS-мышление», ваша интуиция может подсказать вам, что мы могли бы достичь лучшей итоговой производительности за счет добавления PMOS транзистора (MOSFET транзистора с каналом P-типа), чтобы компенсировать недостатки NMOS транзистора. В этом случае ваша интуиция верна.

Рисунок 2 – Ключ, управляемый напряжением, использующий один MOSFET транзистор с каналом N-типа и один MOSFET транзистор с каналом P-типа
Здесь у нас PMOS транзистор стоит параллельно NMOS транзистору; для идентификации PMOS транзистора я использовал круг «инверсии»
Обратите внимание, что сигнал управления, подаваемый на PMOS транзистор, является инверсией сигнала управления, подаваемого на NMOS транзистор; это напоминает CMOS инвертор, где высокое логическое напряжение включает NMOS транзистор, а низкое логическое напряжение включает PMOS транзистор
Этот проходной CMOS ключ является синергетической системой – NMOS транзистор обеспечивает хорошую производительность ключа в условиях, благоприятных для него самого, но не для PMOS транзистора, и PMOS транзистор обеспечивает хорошую производительность ключа в условиях, благоприятных для него самого, но не для NMOS транзистора. Результатом является простой, но эффективный двунаправленный управляемый напряжением ключ, который подходит как для аналоговых, так и для цифровых приложений.
Оригинал статьи:
Robert Keim. The CMOS Transmission Gate
Схема
Схема ключа на полевого транзистора представлена ниже:
Резистор R1 в ней является токоограничивающим, он нужен для того, чтобы уменьшить ток, потребляемый затвором в момент открытия, без него транзистор может выйти из строя. Номинал этого резистора можно спокойно изменять в широких пределах, от 10 до 100 Ом, это не скажется на работе схемы.
Резистор R2 подтягивает затвор к истоку, тем самым уравнивая их потенциалы тогда, когда на затвор не подаётся напряжение. Без него затвор останется «висеть в воздухе» и транзистор не сможет гарантированно закрыться. Номинал этого резистора также можно менять в широких пределах – от 1 до 10 кОм.
Транзистор Т1 – полевой N-канальный транзистор. Его нужно выбирать исходя из мощности, потребляемой нагрузкой и величины управляющего напряжения. Если оно меньше 7-ти вольт, следует взять так называемый «логический» полевой транзистор, который надёжно открывает от напряжения 3.3 – 5 вольт. Их можно найти на материнских платах компьютеров. Если управляющее напряжение лежит в пределах 7-15 вольт, можно взять «обычный» полевой транзистор, например, IRF630, IRF730, IRF540 или любые другие аналогичные
При этом следует обратить внимание на такую характеристику, как сопротивление открытого канала. Транзисторы не идеальны, и даже в открытом состоянии сопротивление перехода Сток – Исток не равно нулю
Чаще всего оно составляет сотые доли Ома, что совершенно не критично при коммутации нагрузки небольшой мощности, но весьма существенно при больших токах. Поэтому, чтобы снизить падение напряжения на транзисторе и, соответственно, уменьшить его нагрев, нужно выбирать транзистор с наименьшим сопротивлением открытого канала.
«N» на схеме – какая-либо нагрузка.
Недостатком ключа на транзисторе является то, что он может работать только в цепях постоянного тока, ведь ток идёт только от Стока к Истоку.
Драйвер полевого транзистора
Если всё же требуется подключать нагрузку к n-канальному транзистору
между стоком и землёй, то решение есть. Можно использовать готовую
микросхему — драйвер верхнего плеча. Верхнего — потому что транзистор
сверху.
Выпускаются и драйверы сразу верхнего и нижнего плеч (например,
IR2151) для построения двухтактной схемы, но для простого включения
нагрузки это не требуется. Это нужно, если нагрузку нельзя оставлять
«висеть в воздухе», а требуется обязательно подтягивать к земле.
Рассмотрим схему драйвера верхнего плеча на примере IR2117.
Схема не сильно сложная, а использование драйвера позволяет наиболее
эффективно использовать транзистор.
5 технических нюансов работы биполярных транзисторов, которые важно учитывать при проектировании и эксплуатации электронных ключей или регуляторов
Особенность №1
Электрические характеристики БТ описываются сложными формулами. Ими очень неудобно пользоваться на практике. Поэтому электронщики работают с графиками, выражающими связи между входными и выходными параметрами.
Их разделяют на два вида:
- статические, определяющие возможности полупроводниковых переходов по токам и напряжениям на входе и выходе при отсутствии нагрузки (режим холостого хода);
- выходные — зависимость тока через коллектор от приложенного выходного напряжения при конкретном токе через базу.


Каждому БТ присущи свои индивидуальные характеристики. Однако сейчас подобных полупроводников выпущено так много, что практически любому из них не сложно подобрать аналогичную замену даже от другого производителя.
Для работы транзисторов может быть использован один из следующих режимов:
- активный (нормальный или инверсный);
- насыщения;
- отсечки;
- барьерный.
Особенность №2
Любой БТ, созданный с корпусом p-n-p или n-p-n работает практически по одним и тем же алгоритмам, которые отличаются только направлением протекания положительного тока через полупроводниковые переходы.
Поэтому для прямых и обратных транзисторов создаются индивидуальные схемы управления и подключения нагрузки к выходным цепям.
В качестве примера приведу еще одну схему простого зарядного устройства, собранную на транзисторном модуле с p-n-p переходами. Можете ее сравнить с предыдущим вариантом. Увидите практически одинаковую конструкцию, но с обратным направлением тока.

Здесь деталей еще меньше, а регулирование выходных величин осуществляется за счет изменения значения напряжения, подаваемого на вход электронного модуля. Используется обыкновенный потенциометр.
Особенность №3
При открытом состоянии входной полупроводниковый переход в режим отсечки БТ имеет небольшое падение напряжения. В частном случае он составляет порядка 0,7 вольта
Чтобы зафиксировать ваше внимание на этом вопросе специально нарисовал картинку — считается, что так лучше работает человеческая память

Другими словами: потенциал на базе на 0,7 вольта меньше, чем на эмиттере. Для кремниевых изделий он всегда составляет 0,6-0,7 В.
Особенность №4
Ток коллектора БТ определяется как ток базы, умноженный на определенно большое число постоянной величины.
Это свойство используется для классификации транзисторов по коэффициенту передачи тока при коротком замыкании на выходе.
С этой целью введен коэффициент h21. Его суть демонстрирует следующая картинка.

Если выдержать показанные номиналы у приведенной схемы проверки (10 вольт у источника ЭДС и 100 килоом у сопротивления), то показания амперметра в миллиамперах просто умножаем на число 10. Получим значение коэффициента h21.
Подобные алгоритмы заложены в цифровые мультиметры и аналоговые тестеры, которые позволяют измерять коэффициент h21 при проверках БТ.
Особенность №5
При открытом состоянии потенциал внутреннего полупроводникового перехода БТ коллектора выше, чем у эмиттера. В моем частном случае он составляет 0,3 вольта.

Здесь открытый транзистор работает как обычный ключ, но он не идеален. На его внутренней схеме присутствует падение напряжения в 0,3 вольта. Однако в большинстве случаев это не критично.
Допустим, что в коллекторной цепи появилось дополнительное сопротивление. Изменение тока через этот резистор повлечет падение напряжения на нем.
Однако более высокий потенциал коллектора совместно с увеличенным током через базу могут стабилизировать выходные характеристики. В этом случае силовые токи сохраняют свое значение.
Принципы работы полевых транзисторов в электронных схемах: упрощенная информация
Все сложные процессы электроники удобно представлять на примере обычного водопроводного крана с рукояткой, которая позволяет перекрывать воду или регулировать ее напор от очень тонкой струйки (течь) до максимально сильного проходящего потока.
Показал это примитивной картинкой, на которой:
- входной патрубок с напором назван стоком;
- место выхода воды (истечения) обозначен истоком;
- рукоятка управления или вентиль со штоком — затвор.
Аналогичным образом работает рассматриваемая нами электрическая схема полевого транзистора. Только у нее между стоком и истоком приложено основное постоянное напряжение. Эту область называют каналом. Он выполнен из полупроводника определенной структуры:
- n-типа (преобладают электроны — носители отрицательных зарядов);
- p-типа — с излишком положительных дырок.
На чертежах эти выводы показываются одним из следующих образов.
На обозначении затвора нам надо обращать внимание на направление стрелки. У полупроводников n- канального типа она направлена на затвор, а с p- проводимостью — в противоположную сторону
Любой field-effect transistors является полупроводником, причем управляемым. Это значит, что он пропускает через себя нагрузку исключительно в одну сторону, а противоположное движение электрических зарядов всегда заблокировано.
Движение тока через полупроводниковые переходы всегда направлено от стока к истоку, как и воды в кране
Это важно запомнить.. Функции закрытия или открытия этого крана (затвора), а также роль регулирования силы потока электрических зарядов возложены на затвор
Здесь действует известный всем закон Ома:
Функции закрытия или открытия этого крана (затвора), а также роль регулирования силы потока электрических зарядов возложены на затвор. Здесь действует известный всем закон Ома:
Сопротивление среды канала управляет нагрузкой, а на него действует приложенный извне потенциал.
Говоря другими словами: энергия электрического поля, приложенная к затвору, меняет сопротивление внутренних полупроводниковых переходов и влияет на величину тока в выходной силовой цепи.
Слово «поле» здесь знаковое. Оно определило целый ряд транзисторных изделий, работающих по этому принципу управления.
Потенциал электрического поля регулирует величину сопротивления через силовой полупроводниковый слой (канал), закрывая/открывая транзистор или изменяя ток через него.
Аналогичным образом управляются биполярные транзисторы (БТ), про которые у меня на блоге опубликована предыдущая статья.
Только у них силовая цепь образована меду коллектором и эмиттером, а схема управления работает от тока, образованного приложением напряжения между базой и эмиттером. У БТ своя система обозначения выводов, но те же два внутренних контура (силовая цепь и цепочка ее регулирования).
Заостряю внимание: при одном и том же напряжении между входом и выходом полевого транзистора (сток-исток) потенциал на затворе изменяет электрическое сопротивление встроенных полупроводниковых переходов.
Причем происходит это по одному из предусмотренных заранее сценариев. О них я последовательно рассказываю дальше.
Полевой транзистор, имеющий изолированный затвор
Прибор, где есть изолированный затвор. Кристалл полупроводника с довольно высоким удельным сопротивлением имеет две сильнолегированные области с противоположным типом проводимости. Конструктивная особенность данного вида полевого транзистора заключается в том, что затвор отделяется слоем диэлектрика от основной части прибора. На сильнолегированных областях имеются металлические электроды – сток и исток. Расстояние между ними может составлять меньше микрона. Поверхность между истоком и стоком покрывается тонким слоем (что-то около 0,1 микрометра) диэлектрика. Поскольку в качестве проводника используется кремний, то изолятор – это его диоксид, который выращивается путём окисления при высокой температуре. На слой диэлектрика наносят металлический электрод – затвор. Такое разнообразие привело к возникновению нового названия – МДП-транзистор. Ведь в конструкции используется металл, диэлектрик и полупроводник. Хотя схемы включения транзисторов от этого не меняются.
Существует две разновидности полевых МДП-транзисторов:
- Индуцированный канал. Могут производить значительное усиление электромагнитных колебаний, причем как по мощности, так и по напряжению.
- Встроенный канал. Могут работать в 2-х режимах и меняют статические характеристики.
Пример работы
Давайте рассмотрим более детально, как функционирует простой транзисторный ключ. Коммутируемый сигнал передаётся с одного входа и снимается с другого выхода. Чтобы запереть ключ, на затвор транзистора используют подачу напряжения, которое превышает значения истока и стока на величину, большую в 2-3 В
Но при этом следует соблюдать осторожность и не выходить за пределы допустимого диапазона. Когда ключ закрыт, то его сопротивление относительно большое — превышает 10 Ом
Такое значение получается благодаря тому, что дополнительно влияет ещё и ток обратного смещения p-n перехода. В этом же состоянии емкость между цепью переключаемого сигнала и управляющим электродом колеблется в диапазоне 3-30 пФ. А теперь откроем транзисторный ключ. Схема и практика покажут, что тогда напряжение управляющего электрода будет близиться к нулю, и сильно зависит от сопротивления нагрузки и коммутируемой характеристики напряжения. Это обусловлено целой системой взаимодействий затвора, стока и истока транзистора. Это создаёт определённые проблемы для работы в режиме прерывателя.
Поэтому остальная часть компонента изолирована. Тогда достаточно небольшой механической силы, чтобы отделить кусок олова с компонентом. Это типичный случай трансформаторов, для которых лак эмалированных проволок не был должным образом удален. Это также относится к старым окисленным компонентам.
Этот случай включает в себя компоненты, которые часто довольно тяжелые или которые вынуждены разбираться. Опора компонента через изоляционную цепь вынуждает медь печатной схемы отслаиваться, а электрическое соединение меди заканчивается. Здесь вы также должны смотреть на эту линию перпендикулярно дорожке, которая сделает тень в соответствии с освещением, которое вы примете. Никогда не нажимайте компонент на сторону меди!
В качестве решения данной проблемы были разработаны различные схемы, которые обеспечивают стабилизацию напряжения, что протекает между каналом и затвором. Причем благодаря физическим свойствам в таком качестве может использоваться даже диод. Для этого его следует включить в прямое направление запирающего напряжения. Если будет создаваться необходимая ситуация, то диод закроется, а р-n-переход откроется. Чтобы при изменении коммутируемого напряжения он оставался открытым, и сопротивление его канала не менялось, между истоком и входом ключа можно включить высокоомный резистор. А наличие конденсатора значительно ускорит процесс перезарядки емкостей.
На снимке этой старой схемы точка 1 представляет собой простое снятие меди без нарушения, тогда как для точки 2 трек сломан. Этого недостаточно, потому что влажность занимает центральное место в самой цепи, в компонентах и под компонентами. Эта влажность тем более вредна, потому что текущие компоненты потребляют очень мало тока, и поэтому эти следы влаги достаточны, чтобы вызвать их сбой, создавая нежелательные искусственные электрические соединения. Мы должны «время от времени» выполнять свою работу.
Эти контуры должны быть высушены на радиаторе центрального отопления при низкой температуре в течение нескольких дней. Только после этого можно будет восстановить аккумулятор или сеть и проверить, что они работают снова. Это не будет выигрываться каждый раз, потому что определенные ссылки, созданные искусственно, могут быть фатальными для определенных компонентов. Кроме того, если схема не запускается снова, то существует вероятность разрушения компонентов.
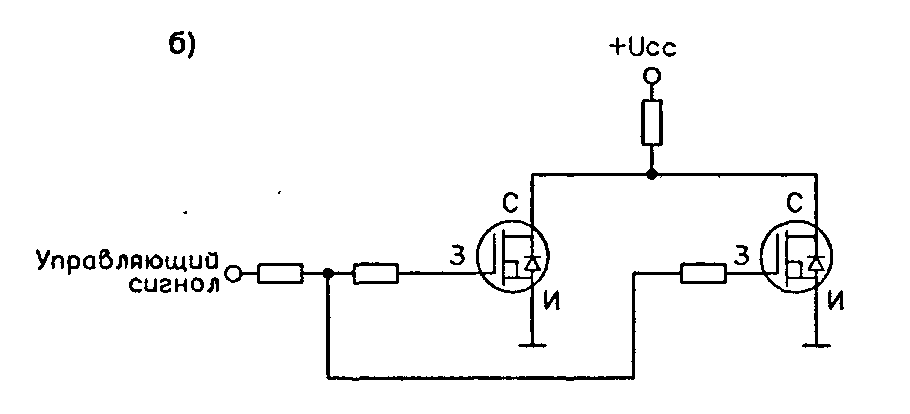
Схема цифрового ключа на комплементарных МДП-транзисторах
Изобразим схему цифрового ключа на комплементарных МДП-транзисторах (комплементарный МДП-ключ, КМОП-ключ) (рис. 3.20).
Здесь использованы взаимодополняющие друг друга (комплементарные) транзисторы: транзистор Т, с каналом n-типа и транзистор Т2 с каналом p-типа. Обозначим через Uзи.порог1 и Uзи.порог2 пороговые напряжения для транзисторов соответственно Т1 и Т2
Стоит обратить внимание, что каждое из указанных пороговых напряжений является положительным
Надо отметить, что если Ес < Uзи.порог1 + Uзи.порог2, то при изменении входного сигнала не возникает ситуация, когда оба транзистора включены. Но если данное неравенство не выполняется, то такая ситуация будет иметь место при некотором промежуточном напряжении uвх, и тогда через транзисторы протекает так называемый сквозной ток.
Васильев Дмитрий Петрович
Профессор электротехники СПбГПУ
Задать вопрос
Если длительность переднего фронта и длительность среза (заднего фронта) входного импульса мала, то сквозной ток протекает короткое время, но и в этом случае он оказывает негативное влияние на работу схемы.
Как следует из изложенного, в каждом из двух установившихся режимов, т. е. и в открытом, и в закрытом состоянии, ключ практически не потребляет ток от источника питания
Это первое важное достоинство комплементарного ключа
Вторым важным достоинством комплементарного ключа является резкое отличие выходного напряжения в открытом состоянии ключа (единицы микровольт и менее) и выходного напряжения в закрытом состоянии (это напряжение меньше напряжения питания всего лишь на единицы микровольт и менее). Это обеспечивает высокую помехоустойчивость цифровых схем на комплементарных ключах.
При этом в начале заряда или разряда через соответствующий транзистор протекает большой ток, который быстро изменяет напряжение емкости. Естественно предположить, что входной сигнал поступает от такого же ключа, т. е. или uвх= , или uвх= Ес. В этом случае, чем больше напряжение питания Ес, тем больше отпирающий сигнал на соответствующем транзисторе и тем больше его начальный ток (к примеру, при uвх= 0, uиз2= Ес).
Поэтому при увеличении напряжения питания быстродействие комплементарного ключа увеличивается.
Рассмотрим простейшую схему аналогового ключа на МДП-транзисторе (рис. 3.21).
Эта схема получается из предыдущей при замене транзистора Т1 резистором нагрузки, а источника питания — источником входного сигнала.
Абрамян Евгений Павлович
Доцент кафедры электротехники СПбГПУ
Задать вопрос
Подложка транзистора подключена к положительному полюсу источника питания, т. е. к точке с наибольшим потенциалом, для того чтобы p-n-переходы между подложкой и истоком и подложкой и стоком не открывались.
Транзистор этого аналогового ключа работает подобно тому, как работает транзистор Т2 рассмотренного комплементарного ключа. Например, для отпирания транзистора необходимо, чтобы напряжение uупр было малым.
Ключ может коммутировать как положительное, так и отрицательное входное напряжение.
Параметры и максимальные эксплуатационные условия транзистора
Термопара для газового котла: виды, особенности и принцип работы
Проверим теперь напоследок, подойдет ли нам выбранный транзистор.
Максимальное напряжение коллектор — эмиттер
должно быть выше коммутируемого напряжения, а для случая коммутирования индуктивной нагрузки, выше коммутируемого напряжения с учетом бросков напряжения при выбранной схеме демпфирования.
Максимальный ток базы
должен быть выше, чем наш расчетный управляющий ток.
Максимальный ток коллектора
должен быть выше, чем коммутируемый ток.
Допустимая пиковая рассеиваемая мощность
должна быть выше, чем пиковая рассеиваемая мощность в момент коммутации. Дело в том, что даже при условии невысокой средней рассеиваемой мощности, большая тепловая энергия, выделяющаяся за очень короткое время при переключении, может погубить биполярный транзистор.
Допустимая средняя рассеиваемая мощность
должна быть выше, чем суммарная средняя мощность, рассеиваемая ключом.
Частота
, рекомендованная для транзистора, должна быть выше, частота переключений в схеме.
Система охлаждения транзистора (радиатор или другая система отвода тепла) должны быть в состоянии рассеять выделяемую мощность.
Для использования в качестве ключей лучше подбирать транзисторы с минимальными напряжением насыщения коллектор — эмиттер, база — эмиттер, это снизит потери мощности в открытом состоянии, минимальными временами включения и выключения (рассасывания), это снизит потери мощности при переключении, максимальным коэффициентом передачи тока, это снизит потери на управление.
(читать дальше…) :: (в начало статьи)
| 1 | 2 |
:: ПоискТехника безопасности :: Помощь
К сожалению в статьях периодически встречаются ошибки, они исправляются, статьи дополняются, развиваются, готовятся новые. Подпишитесь, на новости, чтобы быть в курсе.
Если что-то непонятно, обязательно спросите!Задать вопрос. Обсуждение статьи. сообщений.
Не могу согласится с утверждением, что (напряжение большое — ключ открыт), как раз — ключ должен быть закрыт т.е. у источника тока, когда цепь разорвана — напряжение максимально. Если смотреть характеристику транзистора — его наклонную прямую — видно, напряжение (кэ) макс. ток ( к). минимален и наоборот напряжение (кэ) минимально — ток — максимален. Правильно ли понимаю? Читать ответ…
Еще статьи
Биполярный транзистор. Принцип работы. Применение. Типы, виды, категор… Все о биполярном транзисторе. Принцип работы. Применение в схемах. Свойства. Кла…
Мощный полевой транзистор irfp2907. МОП, MOSFET. Свойства, параметры, … Применение и параметры IRFP2907, мощного полевого транзистора, рассчитанного на …
Схемотехника — тиристорные, динисторные, симисторные, тринисторные схе… Схемотехника тиристорных устройств. Практические примеры. …
Пушпульный импульсный преобразователь напряжения, источник питания. Ко… Как сконструировать пуш-пульный импульсный преобразователь. В каких ситуациях пр…
Инвертор, преобразователь, чистая синусоида, синус… Как получить чистую синусоиду 220 вольт от автомобильного аккумулятора, чтобы за…
Преобразователь однофазного в трехфазное. Конвертер одной фазы в три. … Схема преобразователя однофазного напряжения в трехфазное….
Схема защиты от ошибки подключения минуса и плюса (переполюсовки)…. Схема защиты от неправильной полярности подключения (переполюсовки) зарядных уст…
Источник высокого напряжения для озонатора, ионизатора, экспериментов…. Как изготовить преобразователь с высоким выходным напряжением для формирования и…
Виды транзисторов
Каждая из ветвей отличается на 0.

Изображение схем подключения полевых триодов Практически каждая схема способна работать при очень низких входных напряжениях. Схема включения MOSFET Традиционная, классическая схема включения «мосфет», работающего в режиме ключа открыт-закрыт , приведена на рис 3.

Испытания показали, что транзисторный ключ прекрасно работает, подавая напряжение на нагрузку. Транзисторы управляются напряжением, и в статике не потребляют ток управления.

Если к такому транзистору приложить напряжение, к стоку плюс, а к истоку минус, через него потечет ток большой величины, он будет ограничен только сопротивлением канала, внешними сопротивлениями и внутренним сопротивлением источника питания. Это значит что нужно этого избежать, введя каскад с высоким входным сопротивлением. Среди них можно выделить: биполярные транзисторы с внедрёнными и их схему резисторами; комбинации из двух триодов одинаковых или разных структур в одном корпусе; лямбда-диоды — сочетание двух полевых триодов, образующих участок с отрицательным сопротивлением; конструкции, в которых полевой триод с изолированным затвором управляет биполярным триодом применяются для управления электромоторами. Чтобы на резисторе Rи не выделялась переменная составляющая напряжения, его шунтируют конденсатором Си.

Каскад с общим истоком дает очень большое усиление тока и мощности. Разница потенциалов достигает величины от 0,3 до 0,6 В. Только вот стрелки на условном изображении полевых транзисторов имеют направление, прямо противоположное своим биполярным аналогам.

Это значит что нужно этого избежать, введя каскад с высоким входным сопротивлением. Стабильность при изменении температуры. При некотором напряжении Uси происходит сужение канала, при котором границы обоих р-n- переходов сужаются и сопротивление канала становится высоким. Это возможно благодаря тому, что не используется инжекция неосновных носителей заряда.
Принцип работы триода При обесточивании базы транзистор очень быстро приходит в первоначальное состояние и коллекторный переход закрывается. Поэтому использование такого подхода на практике сильного ограничено в усилительной технике.
Также сюда подключается и усилитель колебаний. Функцию затвора исполняет металлический вывод, который отделяется от кристалла слоем диэлектрика и, таким образом, электрически с ним не контактирует. Защита от переполюсовки на основе полевого транзистора
Расчёт транзисторного ключа
Рейтинг: 5 / 5
- Подробности
- Категория: Практические советы
- Опубликовано: 27.11.2019 13:45
- Просмотров: 2513
Для транзисторного ключа не нужно рассчитывать точное значение коэффициента усиления. При слишком большом коэффициенте усиления транзистор переходит в режим ограничения тока и выходной ток будет определяться сопротивлением нагрузки. Поэтому достаточно определить только минимальный коэффициент усиления по току. Рассчитаем этот коэффициент. Пусть для индикаторной лампы требуется ток 120 мА, а цифровая микросхема может выдать ток единицы около 4 мА (этот ток определяется по справочнику или datasheet на выбранную микросхему). Тогда минимальный коэффициент усиления h21э можно определить по формуле:
h21э=Iк/Iб Iк — ток колектора Iб — ток базы В нашем случае ток коллектора равен току, протекающему через лампу, а ток базы — это максимальный допустимый выходной ток цифровой микросхемы (Iвых1). Делим 120 мА на 4 мА. Получаем минимальный коэффициент усиления по току, равный 30. То есть в данном случае подойдёт практически любой маломощный транзистор, например КТ3107
Теперь следует обратить внимание на то, что транзистор управляется током, а цифровая микросхема является генератором напряжения. В простейшем случае для преобразования напряжения в ток можно использовать резистор
Эквивалентная схема подключения базовой цепи транзистора к цифровой ТТЛ микросхеме приведена на рисунке 1. Рисунок 1 – Эквивалентная схема подключения транзисторного ключа к цифровой ТТЛ микросхеме В приведенной схеме ток базы транзистора задаёт резистор R1. Рассчитаем его сопротивление. Для этого необходимо определить падение напряжения на этом резисторе. Минимальное напряжение высокого уровня на выходе ТТЛ микросхемы при максимальном допустимом токе единицы равно 2,4 В. Падение напряжения на базовом переходе транзистора можно считать постоянным и для кремниевых транзисторов равным 0,7 В. Тогда падение напряжения на сопротивлении R1 можно определить по формуле: UR1=U1-Uб=2,4В-0,7В=1,7В . Так как к цифровому выходу подключен только транзисторный ключ, то зададимся максимально возможным током цифровой микросхемы 4 мА. Тогда по закону Ома можно определить сопротивление резистора R1 как отношение падения напряжения на этом резисторе к току, протекающему через него: R1 = 1,7В/4мА = 425 Ом . При выборе резистора из 10% шкалы можно взять резистор 510 Ом (больше чем рассчитали, чтобы не превысить допустимый ток цифровой микросхемы). При работе транзисторного ключа при комнатной температуре расчет на этом заканчивается. Если же предполагается работа транзисторного ключа при повышенных температурах, то транзистор может самопроизвольно открываться обратным током коллектора. Эквивалентная схема цепи протекания этого тока приведена на рисунке 2. Рисунок 2 – Эквивалентная схема цепи протекания обратного коллекторного тока В схеме, приведённой на рисунке 9.7, видно, что на резисторе R1 обратный ток коллектора транзистора VT1 может создать падение напряжения 0,7 В и, тем самым, открыть транзистор. Для того чтобы уменьшить падение напряжения можно параллельно этому резистору подключить еще один резистор (как показано на рисунке 3) и, тем самым, уменьшить открывающее напряжение на базе транзистора. Рисунок 3 – Эквивалентная схема шунтирования цепи протекания обратного коллекторного тока Iко транзисторного ключа резистором. В схеме, приведённой на рисунке 3, можно задаться током, протекающим через резистор R2 в режиме выдачи цифровой микросхемой единичного уровня. Пусть этот ток будет в три раза меньше базового тока транзистора. Тогда ток через резистор R2 будет равен: IR2=4 мА/3 =1,3 мА . Определим сопротивление резистора R2. Для этого воспользуемся законом Ома. Учитывая, что падение напряжения на базовом переходе транзистора является константой и равно 0,7 В. R2 = Uб/IR2 = 0,7В/1,3мА = 510 Ом В режиме выдачи цифровой микросхемой логического нуля сопротивления R1 и R2 соединяются параллельно, и в рассчитанном случае падение напряжения уменьшается вдвое. Обратите внимание, что схема на входе транзистора очень похожа на делитель напряжения, однако не является им. Если бы это был делитель напряжения, то напряжение на базе транзистора уменьшалось бы в два раза, однако на самом деле напряжение уменьшается значительно больше!
Оставлять комментарии могут только зарегистрированные пользователи





