Содержание
Несколько УНЧ на ИМС серии TDA
| Юрий Баранов https://yooree.narod.ru Адрес Email — yooree (at) inbox.ru (замените (at) на @) |
Стереоусилитель 2х1 Вт
На рис. 1 приведена принципиальная схема стереофонического усилителя с выходной мощностью до 1 Вт на канал, собранного на одной интегральной микросхеме TDA7053 производства фирмы Philips в корпусе DIP-16, а также двух переменных резисторов, двух керамических и одного оксидного конденсаторов. Особенностью усилителя является наличие в каждом канале не одной, а двух динамических головок сопротивлением по 8 Ом. Здесь возможно использование самых распространенных головок 1ГД-40 старого производства или подобных по конструкции головок с эллиптическим диффузором, например 2ГДШ-2-8. Другой особенностью усилителя является то, что его выходы нигде не соединены с общим проводом питания. Это характерно для мостовых усилителей мощности с бесконденсаторным выходом.
Рис. 1. Принципиальная схема стереофонического УМЗЧ на ИМС TDA7053 с регуляторами громкости
Интегральная микросхема рассчитана на работу при напряжении питания 3-15 В и токе покоя около 5 мА. Минимальное сопротивление нагрузки — 8 Ом.
Такой усилитель удобно и экономично подключить к карманному плейеру и использовать для музыкального сопровождения. В этом случае целесообразно упростить конструкцию усилителя, убрав регуляторы громкости, поскольку они уже имеются в плейере. Измененная принципиальная схема усилителя приведена на рис. 2. Здесь на входе каждого канала установлен делитель напряжения из двух резисторов во избежание перегрузки усилителя. Сигналы снимаются с гнезда для внешнего телефона плейера с помощью двойного кабеля от стереофонического телефона, вышедшего из строя.
Рис. 2. Принципиальная схема стереофонического УМЗЧ на ИМС TDA7053 с нерегулируемыми входами
При повторении конструкций данных усилителей можно воспользоваться монтажными схемами и чертежами печатных плат, приведенными на рис. 3 и 4, а также рис. 5 и 6 соответственно.
Рис. 3. Монтажная схема УМЗЧ на ИМС TDA7053
Рис. 4. Печатная плата УМЗЧ на ИМС TDA7053
Рис. 5. Монтажная схема УМЗЧ на ИМС TDA7053 с нерегулируемыми входами
Рис. 6. Печатная плата УМЗЧ на ИМС TDA7053 с нерегулируемыми входами
Усилитель на выходную мощность до 5 Вт
На рис. 7 дана принципиальная схема самого простого, надежного, экономичного и широко распространенного в промышленной аппаратуре усилителя мощности звуковой частоты на отечественной интегральной микросхеме К174УН14, имеющей десятки аналогов за рубежом, среди которых самым популярным является ТДА2003. Микросхема предназначена для работы при напряжении источника питания 8-18 В и сопротивлении нагрузки не менее 2 Ом. При этом достигается равномерное усиление сигнала в полосе частот 30 Гц — 20 кГц, а ток покоя составляет 40-60 мА. Чувствительность усилителя — около 50 мВ. Микросхема снабжена собственным теплоотводом, допускающим работу с выходной мощностью не более 2 Вт. Для получения большей мощности обязательно требуется установка дополнительного пластинчатого либо ребристого или игольчатого теплоотвода.
Рис. 7. Принципиальная схема УМЗЧ на ИМС TDA2003
Большое усиление микросхемы требует принятия определенных мер по повышению стабильности и устойчивости ее работы. Это достигается двумя способами. Во-первых, для предотвращения самовозбуждения на высоких и ультравысоких частотах громкоговоритель шунтируется последовательно соединенными низкоомным постоянным резистором R4 типа С1-4 и керамическим конденсатором С6. Во-вторых, коэффициент усиления во всей полосе воспроизводимых частот стабилизирован за счет наличия на выходе усилителя делителя напряжения сигнала 1:100 и подачей с него напряжения отрицательной обратной связи на инвертирующий вход усилителя. Через оксидный конденсатор большой емкости С4 громкоговоритель подключен к выходу усилителя через стандартный акустический разъем и своим одним выводом соединен с общим проводом питания, то есть заземлен.
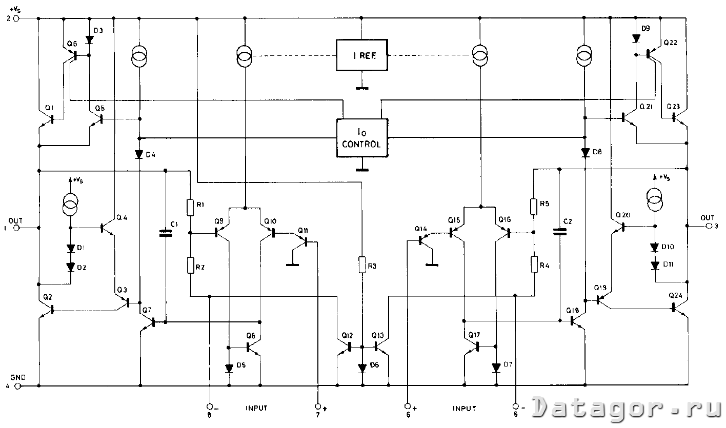
↑ Функциональная схема TDA2822M
приведена в документации . Как видно из рис. 1, каждый канал усилителя по структуре близок к типовой схеме Лина. Усилители имеют общие функциональные узлы: цепи задания опорного тока I REF для генераторов стабильного тока (ГСТ) в цепях эмиттеров дифференциальных каскадов, цепь задания смещения R3, D6 на базах ключей Q12, Q13 и цепи поддержания токов покоя I0 CONTROL выходных каскадов усилителя.
Данное решение способствует улучшению стабильности работы усилителя в мостовом режиме. Каждый канал усилителя состоит из дифференциального каскада Q9…Q11 (Q14…Q16), усилителя напряжения Q7 (Q18) и выходного каскада Q1…Q6 (Q18…Q24).

Рис. 1. Функциональная схема TDA2822M из Datasheet
Дифференциальный каскад имеет динамическую нагрузку в виде токового зеркала на элементах Q8, D5 (Q17, D6).
Исключён фрагмент. Полный вариант статьи доступен меценатам и полноправным членам сообщества. Читай условия доступа.
Обратите внимание, что другие цепи встроенной защиты выходного каскада отсутствуют, что сделано из соображений лучшего использования источника питания, к сожалению, в ущерб надежности. Выводы 5 и 8 микросхемы соединяются с общим проводом по переменному току
В этом случае коэффициент передачи усилителя с отрицательной обратной связью составит:
Выводы 5 и 8 микросхемы соединяются с общим проводом по переменному току. В этом случае коэффициент передачи усилителя с отрицательной обратной связью составит:
Ku=20lg(1+R1/R2)= 20lg(1+R5/R4)=39 дБ.
Структурная схема ИС представлена на рис. 2.

Рис. 2. Структурная схема TDA2822M
Экспериментально определено, что сумма сопротивлений резисторов R1+R2 и R5+R4 равна 51,575 кОм. Зная коэффициент усиления, несложно вычислить, что R1=R5=51 кОм, а R2=R4=0,575 кОм.
Чтобы уменьшить коэффициент усиления микросхемы с ООС, обычно последовательно с R2 (R4) включают дополнительный резистор. В данном случае такому схемотехническому приему «мешают» открытые транзисторные ключи на транзисторах Q12 (Q13).
Но даже, если предположить, что ключи не оказывают влияния на коэффициент передачи с обратной связью, маневр по уменьшению коэффициента усиления незначителен – не более 3 дБ; в противном случае не гарантируется устойчивость усилителя, охваченного ООС.
Поэтому можно поэкспериментировать с изменением коэффициента передачи усилителя, учтя, что сопротивление дополнительного резистора лежит в пределах 100…240 Ом.
Несколько УНЧ на ИМС серии TDA
| Юрий Баранов https://yooree.narod.ru Адрес Email — yooree (at) inbox.ru (замените (at) на @) |
Стереоусилитель 2х1 Вт
На рис. 1 приведена принципиальная схема стереофонического усилителя с выходной мощностью до 1 Вт на канал, собранного на одной интегральной микросхеме TDA7053 производства фирмы Philips в корпусе DIP-16, а также двух переменных резисторов, двух керамических и одного оксидного конденсаторов. Особенностью усилителя является наличие в каждом канале не одной, а двух динамических головок сопротивлением по 8 Ом. Здесь возможно использование самых распространенных головок 1ГД-40 старого производства или подобных по конструкции головок с эллиптическим диффузором, например 2ГДШ-2-8. Другой особенностью усилителя является то, что его выходы нигде не соединены с общим проводом питания. Это характерно для мостовых усилителей мощности с бесконденсаторным выходом.
Рис. 1. Принципиальная схема стереофонического УМЗЧ на ИМС TDA7053 с регуляторами громкости
Интегральная микросхема рассчитана на работу при напряжении питания 3-15 В и токе покоя около 5 мА. Минимальное сопротивление нагрузки — 8 Ом.
Такой усилитель удобно и экономично подключить к карманному плейеру и использовать для музыкального сопровождения. В этом случае целесообразно упростить конструкцию усилителя, убрав регуляторы громкости, поскольку они уже имеются в плейере. Измененная принципиальная схема усилителя приведена на рис. 2. Здесь на входе каждого канала установлен делитель напряжения из двух резисторов во избежание перегрузки усилителя. Сигналы снимаются с гнезда для внешнего телефона плейера с помощью двойного кабеля от стереофонического телефона, вышедшего из строя.
Рис. 2. Принципиальная схема стереофонического УМЗЧ на ИМС TDA7053 с нерегулируемыми входами
При повторении конструкций данных усилителей можно воспользоваться монтажными схемами и чертежами печатных плат, приведенными на рис. 3 и 4, а также рис. 5 и 6 соответственно.
Рис. 3. Монтажная схема УМЗЧ на ИМС TDA7053
Рис. 4. Печатная плата УМЗЧ на ИМС TDA7053
Рис. 5. Монтажная схема УМЗЧ на ИМС TDA7053 с нерегулируемыми входами
Рис. 6. Печатная плата УМЗЧ на ИМС TDA7053 с нерегулируемыми входами
Усилитель на выходную мощность до 5 Вт
На рис. 7 дана принципиальная схема самого простого, надежного, экономичного и широко распространенного в промышленной аппаратуре усилителя мощности звуковой частоты на отечественной интегральной микросхеме К174УН14, имеющей десятки аналогов за рубежом, среди которых самым популярным является ТДА2003. Микросхема предназначена для работы при напряжении источника питания 8-18 В и сопротивлении нагрузки не менее 2 Ом. При этом достигается равномерное усиление сигнала в полосе частот 30 Гц — 20 кГц, а ток покоя составляет 40-60 мА. Чувствительность усилителя — около 50 мВ. Микросхема снабжена собственным теплоотводом, допускающим работу с выходной мощностью не более 2 Вт. Для получения большей мощности обязательно требуется установка дополнительного пластинчатого либо ребристого или игольчатого теплоотвода.
Рис. 7. Принципиальная схема УМЗЧ на ИМС TDA2003
Большое усиление микросхемы требует принятия определенных мер по повышению стабильности и устойчивости ее работы. Это достигается двумя способами. Во-первых, для предотвращения самовозбуждения на высоких и ультравысоких частотах громкоговоритель шунтируется последовательно соединенными низкоомным постоянным резистором R4 типа С1-4 и керамическим конденсатором С6. Во-вторых, коэффициент усиления во всей полосе воспроизводимых частот стабилизирован за счет наличия на выходе усилителя делителя напряжения сигнала 1:100 и подачей с него напряжения отрицательной обратной связи на инвертирующий вход усилителя. Через оксидный конденсатор большой емкости С4 громкоговоритель подключен к выходу усилителя через стандартный акустический разъем и своим одним выводом соединен с общим проводом питания, то есть заземлен.
↑ Опыты с мостовым усилителем
проводились по схемам, показанным на рис. 10 и 12. На рис. 10 приведена схема экспериментального мостового усилителя. Исключён фрагмент. Полный вариант статьи доступен меценатам и полноправным членам сообщества. Читай условия доступа.
Рис. 10. Принципиальная схема экспериментального мостового усилителя
В отличие от схемы стереофонического усилителя (рис. 3), в которой предполагается, что разделительные конденсаторы имеются на выходе предыдущего устройства, на входе мостового усилителя включен разделительный конденсатор, определяющий нижнюю частоту, воспроизводимую усилителем.
В зависимости от конкретного применения емкость конденсатора С1 может быть от 0,1 мкФ (fн = 180 Гц) до 0,68 мкФ (fн = 25 Гц) и более. При емкости С1, указанной на принципиальной схеме нижняя частота воспроизводимых частот составляет 80 Гц.
Внутренние резисторы, подключенные к инвертирующим входам усилителя через разделительный конденсатор С2 соединены между собой, что обеспечивает на выходах равные по величине, но противоположные по фазе сигналы.
Конденсатор С3 осуществляет коррекцию частотной характеристики усилителя на высоких частотах.
Поскольку потенциалы выходов усилителя по постоянному току равны, стало возможным непосредственное подключение нагрузки, без разделительных конденсаторов.
Назначение остальных элементов описывалось ранее.
Для стереофонического варианта потребуется два мостовых усилителя на микросхеме TDA2822M. Схему включения несложно получить, взяв за основу рис. 4.
Надежная работа усилителя в мостовом режиме обеспечивается выбором соответствующего напряжения питания в зависимости от сопротивления нагрузки (см. таблицу).

Все детали мостового усилителя размещены на печатной плате размерами 32 х 38 мм из односторонне фольгированного стеклотекстолита толщиной 2 мм. Чертеж возможного варианта платы изображен на рис. 11.

Рис. 11. Размещение элементов на плате мостового усилителя
Детали мостового усилителя
DA1 — TDA2822M ST Корпус: DIP8-300 — 1 шт., SCS-8 Розетка dip узкая — 1 шт., R1 — Рез.-0,25-10к (Коричневый, черный, оранжевый, золотистый) — 1 шт., R2, R3 — Рез.-0,25-4,7 Ом (Желтый, фиолетовый, золотистый, золотистый) — 2 шт., С1 — Конд.0,22/63V К73-17 — 1 шт., С2 — Конд.10/16V 0511 +105°C — 1 шт., С3 — Конд.0,01/630V К73-17 — 1 шт., С4 – С6 — Конд.0,1/63V К73-17 — 3 шт., С7 — Конд.1000/16V 1021+105°C — 1 шт.
Принципиальная схема типового мостового УМЗЧ и размещение элементов на печатной плате показаны соответственно на рис. 12 и 13.
Исключён фрагмент. Полный вариант статьи доступен меценатам и полноправным членам сообщества. Читай условия доступа.
Рис. 12. Типовая схема включения микросхемы в мостовом режиме

Рис. 13. Размещение элементов типового мостового УМЗЧ
Детали типового мостового УМЗЧ
DA1 — TDA2822M ST Корпус: DIP8-300 — 1 шт., SCS-8 Розетка dip узкая — 1 шт., R1 — Рез.-0,25-10к (Коричневый, черный, оранжевый, золотистый) — 1 шт., R2, R3 — Рез.-0,25-4,7 Ом (Желтый, фиолетовый, золотистый, золотистый) — 2 шт., С1, С3 — Конд.10/16V 0511 +105°C (Емкость С3 может быть увеличена до 470 мкФ) — 2 шт., С2 — Конд.0,01/630V К73-17 — 1 шт., С4 – С6 — Конд.0,1/63V К73-17 — 3 шт.
УСИЛИТЕЛЬ ЗВУКА ИЗ ТЕЛЕВИЗОРА
Выражение «Сизифов труд» познан ста процентами радиолюбителей. Для успеха нужен положительный исход десятка (даже больше) выполненных работ, для того чтобы весь труд пошёл на смарку хватит одной единственной незначительной оплошности. А так иногда хочется, чтобы что-то получилось, особенно начинающему любителю электроники, освоившему ещё не весь арсенал навыков и умений. Однако безвыходных положений не бывает. На платах ранее принадлежавшим каким-то электронным устройствам всегда можно найти нечто, что после некоторой незначительной доработки станет отдельным, исправно функционирующим устройством. Так на плате, некогда входившей в состав телевизионного приёмника можно найти звуковой усилитель.
Его и искать-то особо не нужно, сам «лезет в глаза». Микросхема TDA c, торчащим «гребешком» — радиатором охлаждения и соответствующей «обвязкой» из электронных компонентов. Перед тем как выпилить ножовкой по металлу нужный фрагмент текстолита с деталями необходимо в обязательном порядке добыть принципиальную схему.
↑ Опыты с мостовым усилителем
проводились по схемам, показанным на рис. 10 и 12. На рис. 10 приведена схема экспериментального мостового усилителя. Исключён фрагмент. Полный вариант статьи доступен меценатам и полноправным членам сообщества. Читай условия доступа.
Рис. 10. Принципиальная схема экспериментального мостового усилителя
В отличие от схемы стереофонического усилителя (рис. 3), в которой предполагается, что разделительные конденсаторы имеются на выходе предыдущего устройства, на входе мостового усилителя включен разделительный конденсатор, определяющий нижнюю частоту, воспроизводимую усилителем.
В зависимости от конкретного применения емкость конденсатора С1 может быть от 0,1 мкФ (fн = 180 Гц) до 0,68 мкФ (fн = 25 Гц) и более. При емкости С1, указанной на принципиальной схеме нижняя частота воспроизводимых частот составляет 80 Гц.
Внутренние резисторы, подключенные к инвертирующим входам усилителя через разделительный конденсатор С2 соединены между собой, что обеспечивает на выходах равные по величине, но противоположные по фазе сигналы.
Конденсатор С3 осуществляет коррекцию частотной характеристики усилителя на высоких частотах.
Поскольку потенциалы выходов усилителя по постоянному току равны, стало возможным непосредственное подключение нагрузки, без разделительных конденсаторов.
Назначение остальных элементов описывалось ранее.
Для стереофонического варианта потребуется два мостовых усилителя на микросхеме TDA2822M. Схему включения несложно получить, взяв за основу рис. 4.
Надежная работа усилителя в мостовом режиме обеспечивается выбором соответствующего напряжения питания в зависимости от сопротивления нагрузки (см. таблицу).

Все детали мостового усилителя размещены на печатной плате размерами 32 х 38 мм из односторонне фольгированного стеклотекстолита толщиной 2 мм. Чертеж возможного варианта платы изображен на рис. 11.

Рис. 11. Размещение элементов на плате мостового усилителя
Детали мостового усилителя
DA1 — TDA2822M ST Корпус: DIP8-300 — 1 шт., SCS-8 Розетка dip узкая — 1 шт., R1 — Рез.-0,25-10к (Коричневый, черный, оранжевый, золотистый) — 1 шт., R2, R3 — Рез.-0,25-4,7 Ом (Желтый, фиолетовый, золотистый, золотистый) — 2 шт., С1 — Конд.0,22/63V К73-17 — 1 шт., С2 — Конд.10/16V 0511 +105°C — 1 шт., С3 — Конд.0,01/630V К73-17 — 1 шт., С4 – С6 — Конд.0,1/63V К73-17 — 3 шт., С7 — Конд.1000/16V 1021+105°C — 1 шт.
Принципиальная схема типового мостового УМЗЧ и размещение элементов на печатной плате показаны соответственно на рис. 12 и 13.
Исключён фрагмент. Полный вариант статьи доступен меценатам и полноправным членам сообщества. Читай условия доступа.
Рис. 12. Типовая схема включения микросхемы в мостовом режиме

Рис. 13. Размещение элементов типового мостового УМЗЧ
Детали типового мостового УМЗЧ
DA1 — TDA2822M ST Корпус: DIP8-300 — 1 шт., SCS-8 Розетка dip узкая — 1 шт., R1 — Рез.-0,25-10к (Коричневый, черный, оранжевый, золотистый) — 1 шт., R2, R3 — Рез.-0,25-4,7 Ом (Желтый, фиолетовый, золотистый, золотистый) — 2 шт., С1, С3 — Конд.10/16V 0511 +105°C (Емкость С3 может быть увеличена до 470 мкФ) — 2 шт., С2 — Конд.0,01/630V К73-17 — 1 шт., С4 – С6 — Конд.0,1/63V К73-17 — 3 шт.
↑ Упомянутые источники
• Стереофонический аудиоусилитель на микросхеме TDA2616 • Аудио усилитель TDA7265 2×25W. Объект «Труба» — отгадка • TDA7265 Справочный листок на Датагоре. • TDA7265 (25 +25W STEREO AMPLIFIER WITH MUTE & ST-BY, April 2002). • TDA7265B (30 W + 30 W stereo amplifier with mute and standby, December 2011). • TDA7269A (14W+14W STEREO AMPLIFIER WITH MUTE & ST-BY, June 2003). • TDA7292 (40 W + 40 W stereo amplifier with mute and standby, February 2012). • Баширов С. Р., Баширов А. С. Современные интегральные усилители. — М.: ЭКСМО, 2008. — 176 с. • Авраменко Ю. Ф. Качественный звук — сегодня это просто. — К.: МК-Пресс, 2007. — 288 с.
Спасибо за внимание!

↑ Функциональная схема TDA2822M
приведена в документации . Как видно из рис. 1, каждый канал усилителя по структуре близок к типовой схеме Лина. Усилители имеют общие функциональные узлы: цепи задания опорного тока I REF для генераторов стабильного тока (ГСТ) в цепях эмиттеров дифференциальных каскадов, цепь задания смещения R3, D6 на базах ключей Q12, Q13 и цепи поддержания токов покоя I0 CONTROL выходных каскадов усилителя.
Данное решение способствует улучшению стабильности работы усилителя в мостовом режиме. Каждый канал усилителя состоит из дифференциального каскада Q9…Q11 (Q14…Q16), усилителя напряжения Q7 (Q18) и выходного каскада Q1…Q6 (Q18…Q24).

Рис. 1. Функциональная схема TDA2822M из Datasheet
Дифференциальный каскад имеет динамическую нагрузку в виде токового зеркала на элементах Q8, D5 (Q17, D6).
Исключён фрагмент. Полный вариант статьи доступен меценатам и полноправным членам сообщества. Читай условия доступа.
Обратите внимание, что другие цепи встроенной защиты выходного каскада отсутствуют, что сделано из соображений лучшего использования источника питания, к сожалению, в ущерб надежности. Выводы 5 и 8 микросхемы соединяются с общим проводом по переменному току
В этом случае коэффициент передачи усилителя с отрицательной обратной связью составит:
Выводы 5 и 8 микросхемы соединяются с общим проводом по переменному току. В этом случае коэффициент передачи усилителя с отрицательной обратной связью составит:
Ku=20lg(1+R1/R2)= 20lg(1+R5/R4)=39 дБ.
Структурная схема ИС представлена на рис. 2.

Рис. 2. Структурная схема TDA2822M
Экспериментально определено, что сумма сопротивлений резисторов R1+R2 и R5+R4 равна 51,575 кОм. Зная коэффициент усиления, несложно вычислить, что R1=R5=51 кОм, а R2=R4=0,575 кОм.
Чтобы уменьшить коэффициент усиления микросхемы с ООС, обычно последовательно с R2 (R4) включают дополнительный резистор. В данном случае такому схемотехническому приему «мешают» открытые транзисторные ключи на транзисторах Q12 (Q13).
Но даже, если предположить, что ключи не оказывают влияния на коэффициент передачи с обратной связью, маневр по уменьшению коэффициента усиления незначителен – не более 3 дБ; в противном случае не гарантируется устойчивость усилителя, охваченного ООС.
Поэтому можно поэкспериментировать с изменением коэффициента передачи усилителя, учтя, что сопротивление дополнительного резистора лежит в пределах 100…240 Ом.
TDA8567q 4х25 Вт
Мостовой усилитель класса Hi – Fi на четыре канала. Открыть в полном размере
Есть защита от короткого замыкания выходного каскада и термозащита с уменьшением выходной мощности при перегреве. А еще микросхема обладает защитой от колебаний напряжения и режимом отключения. Еще данная микросхема обладает режимом вкл/выкл входного сигнала(режим Mute), и защитой при подаче напряжения на схему от «щелчка».
Характеристики микросхемы
| Параметр | Значение |
| Uпит | 6-18 В |
| Iвых | 7,5 А |
| Iпокоя | 230 мА |
| Pвых | 4х25 Вт |
| Rвх | 30 кОм |
| Коэффициент усиления | 26 дБ |
| Полоса частот | 20-20000 Гц |
| Коэффициент гармоник | 0,05 % |
| Rнагр | 4 Ом |
Назначение выводов
| Номер вывода | Назначение |
| 1 | Напряжение питания |
| 2 | Выход 1+ |
| 3 | Общий |
| 4 | Выход 1- |
| 5 | Выход 2- |
| 6 | Общий |
| 7 | Выход 2+ |
| 8 | Напряжение питания |
| 9 | Диагностика |
| 10 | Вход 1 |
| 11 | Вход 2 |
| 12 | Общий сигнальный |
| 13 | Вход 3 |
| 14 | Вход 4 |
| 15 | Выбор режима |
| 16 | Напряжение питания |
| 17 | Выход 3+ |
| 18 | Общий |
| 19 | Выход 3- |
| 20 | Выход 4- |
| 21 | Общий |
| 22 | Выход 4+ |
| 23 | Напряжение питания |
Related Datasheets
| Номер в каталоге | Описание | Производители |
| TDA8350 | DC-coupled vertical deflection and East-West output circuit | NXP Semiconductors |
| TDA8350Q | DC-coupled vertical deflection and East-West output circuit | NXP Semiconductors |
| TDA8351 | DC-coupled vertical deflection circuit | NXP Semiconductors |
| TDA8351A | DC-coupled vertical deflection output circuit | NXP Semiconductors |
| Номер в каталоге | Описание | Производители |
| 6MBP200RA-060 |
Intelligent Power Module |
Fuji Electric |
| ADF41020 |
18 GHz Microwave PLL Synthesizer |
Analog Devices |
| AN-SY6280 |
Low Loss Power Distribution Switch |
Silergy |
| DataSheet26.com | 2020 | Контакты | Поиск |
↑ Детали, печатная плата и характеристики УМЗЧ
Вместо указанного на схеме транзистора 2N2222 можно применить транзисторы KSP2222, BC546, а также отечественные КТ3102А, КТ3102Б.
Любители, планирующие «выжать из схемы максимум», вместо неполярных конденсаторов С1, С2 и керамических С3, С4 могут использовать пленочные К73-17, WIMA. В этом случае печатную плату придется подкорректировать.
Для получения идентичных коэффициентов передачи каждого канала резисторы R5, R6 и R7, R8 необходимо подобрать попарно с отклонением от указанных на схеме номиналов не более 0,5…1%.
Трехконтактная вилка PLS может быть отрезана от длинной PLS-40 или PLS-80, имеющей требуемый шаг 2,54 мм.
Все детали УМЗЧ смонтированы на печатной плате (см. рис. 3), изготовленной из фольгированного стеклотекстолита толщиной 2 мм. Микросхема DA1 установлена на теплоотводе с площадью охлаждающей поверхности около 380 кв. см.
TDA7385 — схема четырех канального усилителя мощности
Также одним немаловажным фактором у TDA7386 является наличие эффективной системы защиты от короткого замыкания в нагрузке и перегрева. Кроме этого, у чипа есть функция MUTE, которая может, в случае необходимости отключать входные цепи микросхемы. На сегодняшний день такие четырех-канальные микросхемы как TDA7386 и TDA7385 очень востребованы радиолюбителями.
Особенно, такой четырех-канальный УМЗЧ популярен у тех, кто собирают собственными руками новые либо модернизируют штатные автомобильные усилители мощности. Здесь все дело в том, что усилитель в таком варианте значительно проще собрать и настроить, чем сделать схему на дискретных компонентах.
К тому же этот аппарат обладает превосходными электрическими характеристиками, имеет малые нелинейные искажения и эффективную защиту, следовательно, и воспроизводит звук высокого качества. Учитывая такие хорошие характеристики микросхемы и великолепное звучание, ее в большинстве случаев применяют как оконечный усилитель мощности в автомобильных магнитолах высокого качества и как следствие — дорогих.

Данная микросхема подключается почти также как указывает даташит с некоторым исключением. В целом эта схема выполнена с использованием минимума внешних электронных компонентов в обвязке чипа. Такой вариант построения усилителя мощности позволяет быстро собрать аппарат не только опытным радиолюбителям, но и тем, кто только начинает учится в этом деле. Что касается деталей используемых в обвязки микросхемы, то все резисторы являются металлопленочными с номинальной мощностью рассеивания 0.125 — 0.25 Вт.
Установленные в схеме конденсаторы должны быть с номинальном напряжением не менее 25v, подключаемая к УМЗЧ акустическая система может быть с динамиками имеющими сопротивление 4Ом либо 8Ом. Теплоотвод для охлаждения микросхемы, желательно поставить побольше, настолько, насколько позволяет корпус УМ, чтобы гарантировать надежный отвод тепла выделяемого чипом.
В случае, когда вам не требуется пользоваться функциями режима ожидания Stand By и временным отключением звука MUTE, то вам нужно будет сразу подключить эти выходы микросхемы к проводу положительного напряжения. Это будет означать, что в момент подачи напряжения питания, магнитола включится в автоматическом режиме, мягко и без щелчков.(ред)

Питающее напряжение усилителя составляет 12v — 18v, поэтому схема, собранная на TDA7386 может работать как в автомобиле, так и аудиосистемах для домашнего использования. Такое устройство можно свободно разместить, например в корпусе персонального компьютера, места там вполне хватит. Однако, сначала нужно убедится в достаточной мощности блока питания установленного в ПК, так чтобы он смог потянуть работу компьютера и усилителя мощности.
С такими звуковыми характеристиками, этот УМЗ отлично подойдет для геймеров, которые используют компьютерные игры многоканального звукового сопровождения. Если есть желание, то можно будет изготовить систему на восемь каналов с выходной мощностью каждого звукового тракта до 40 Вт, задействовав при этом только одну пару микросхем и один большой по площади рассеивания теплоотвод для охлаждения.
Предыдущая запись Texas Instruments TLV7031-Q1 и TLV7041-Q1: одноканальные компараторы
Следующая запись Способы изоляции акустики Wilson Audio снижающие вибрации
↑ Опыты с мостовым усилителем
проводились по схемам, показанным на рис. 10 и 12. На рис. 10 приведена схема экспериментального мостового усилителя. Исключён фрагмент. Полный вариант статьи доступен меценатам и полноправным членам сообщества. Читай условия доступа.
Рис. 10. Принципиальная схема экспериментального мостового усилителя
В отличие от схемы стереофонического усилителя (рис. 3), в которой предполагается, что разделительные конденсаторы имеются на выходе предыдущего устройства, на входе мостового усилителя включен разделительный конденсатор, определяющий нижнюю частоту, воспроизводимую усилителем.
В зависимости от конкретного применения емкость конденсатора С1 может быть от 0,1 мкФ (fн = 180 Гц) до 0,68 мкФ (fн = 25 Гц) и более. При емкости С1, указанной на принципиальной схеме нижняя частота воспроизводимых частот составляет 80 Гц.
Внутренние резисторы, подключенные к инвертирующим входам усилителя через разделительный конденсатор С2 соединены между собой, что обеспечивает на выходах равные по величине, но противоположные по фазе сигналы.
Конденсатор С3 осуществляет коррекцию частотной характеристики усилителя на высоких частотах.
Поскольку потенциалы выходов усилителя по постоянному току равны, стало возможным непосредственное подключение нагрузки, без разделительных конденсаторов.
Назначение остальных элементов описывалось ранее.
Для стереофонического варианта потребуется два мостовых усилителя на микросхеме TDA2822M. Схему включения несложно получить, взяв за основу рис. 4.
Надежная работа усилителя в мостовом режиме обеспечивается выбором соответствующего напряжения питания в зависимости от сопротивления нагрузки (см. таблицу).
Все детали мостового усилителя размещены на печатной плате размерами 32 х 38 мм из односторонне фольгированного стеклотекстолита толщиной 2 мм. Чертеж возможного варианта платы изображен на рис. 11.
Рис. 11. Размещение элементов на плате мостового усилителя
Детали мостового усилителя
DA1 — TDA2822M ST Корпус: DIP8-300 — 1 шт., SCS-8 Розетка dip узкая — 1 шт., R1 — Рез.-0,25-10к (Коричневый, черный, оранжевый, золотистый) — 1 шт., R2, R3 — Рез.-0,25-4,7 Ом (Желтый, фиолетовый, золотистый, золотистый) — 2 шт., С1 — Конд.0,22/63V К73-17 — 1 шт., С2 — Конд.10/16V 0511 +105°C — 1 шт., С3 — Конд.0,01/630V К73-17 — 1 шт., С4 – С6 — Конд.0,1/63V К73-17 — 3 шт., С7 — Конд.1000/16V 1021+105°C — 1 шт.
Принципиальная схема типового мостового УМЗЧ и размещение элементов на печатной плате показаны соответственно на рис. 12 и 13.
Исключён фрагмент. Полный вариант статьи доступен меценатам и полноправным членам сообщества. Читай условия доступа.
Рис. 12. Типовая схема включения микросхемы в мостовом режиме
Рис. 13. Размещение элементов типового мостового УМЗЧ
Детали типового мостового УМЗЧ
DA1 — TDA2822M ST Корпус: DIP8-300 — 1 шт., SCS-8 Розетка dip узкая — 1 шт., R1 — Рез.-0,25-10к (Коричневый, черный, оранжевый, золотистый) — 1 шт., R2, R3 — Рез.-0,25-4,7 Ом (Желтый, фиолетовый, золотистый, золотистый) — 2 шт., С1, С3 — Конд.10/16V 0511 +105°C (Емкость С3 может быть увеличена до 470 мкФ) — 2 шт., С2 — Конд.0,01/630V К73-17 — 1 шт., С4 – С6 — Конд.0,1/63V К73-17 — 3 шт.
Аналоги микросхемы tda7388
Ниже представлены микросхемы, который имеют одинаковую распиновку (pin-to-pin аналоги).
| ИМС | Описание | Примечание |
|---|---|---|
| TDA7381 | 4 x 25 W quad bridge car radio amplifier | Отличие: 25 вывод — диагностика |
| TDA7382 | 4 x 22 W four bridge channels car radio amplifier | Отличие: 25 вывод — клип-детектор |
| TDA7383 | 4 x 30 W quad bridge car radio amplifier | Отличие: 25 вывод — клип-детектор |
| TDA7384A | 4 x 46 W quad bridge car radio amplifier | |
| TDA7385 | 4 x 42 W quad bridge car radio amplifier | Отличие: 25 вывод — диагностика |
| TDA7386 | 4 x 45W quad bridge car radio amplifier | |
| TDA7387 | 4 x 41 W quad bridge car radio amplifier | |
| TDA7388 | 4 x 45 W quad bridge car radio amplifier | |
| TDA7389 | 4 x 45W quad bridge car radio amplifier | отличие: 25 вывод — клип-детектор |
| TDA7454 | 4 x 35 W high efficiency quad bridge car radio amplifier | отличие: 16 вывод — переключение режимов и 25вывод — клип-детектор |
| TDA7850 | 4 x 50 W MOSFET quad bridge power amplifier | отличие: 25 вывод — выход HSD/OD |
| TDA7851F | 4 x 48 W MOSFET quad bridge power amplifier | отличие: 25 вывод — выход OD |
| TDA7854 | 4 x 47W MOSFET quad bridge power amplifier | отличие 25 вывод — выход клип-детектор |
| STPA001 | 4 x 50 W MOSFET quad bridge power amplifier | Только в корпусеFlexiwatt25. Отличие: 25 вывод – OFFSET DETECTOR OUT |
| STPA002 | 4 x 52 W quad bridge power amplifier with low voltage operation | Только в корпусеFlexiwatt25. Отличие: 25 вывод – OFFSET DETECTOR OUT |
Схема УНЧ на микросхеме TDA1013

Тщательно изучив интересующий объект, выпаять по периметру детали сопредельных узлов. Мало того, что они не нужны, они мешают.
И вот, наконец, нужное добыто. Осталось припаять несколько проводов. Чтобы понять каких и куда, находим паспорт той микросхемы TDA1013. Нужна схема подключения.

Смотрим и читаем даташит: Vp – плюс питания, от 10 до 40 вольт, оптимально надо 14; минус питания на общий провод (к нему подрисован значок «земля»); на место Vctr (напоминает схематичное изображение подстроечного конденсатора) нужно подобрать переменный резистор (100k, для регулировки громкости); Vi – вход усиливаемого звука (его значение от 44 до 69 mV); на выходе нарисован динамик. Добытые знания переносим на «бумагу» — дорисовываем первую схему. Это то, что должны будем иметь фактически. Пора включать паяльник.

Припаиваем всё необходимое, но перед этим не забываем подработать платку по периметру напильником.

Подсоединяем штатный (от разобранного телевизора) динамик, подключаем источник звука (любой, но помним про 44-69 mV), блок питания подойдёт на 12V и 100 mA (лучше конечно 14V).





