Содержание
Сколько заряжать литиевый аккумулятор
Время зарядки аккумуляторов определяется процессом восстановления емкости. Различают полный и частичный заряд.
Емкость измеряется в ампер-часах. Это значит, если подать заряд, численно равный емкости, то за час на клеммах создастся нужное напряжение, а запас энергии будет 70-80 %. Если емкость измеряется в единицах С, при быстрой зарядке следует подавать ток 1С-2С. Время быстрой зарядки около часа.
Для полного цикла зарядки батарей из нескольких элементов, соединенных последовательно, используют 2 этапа – CC/CV. Этап СС длится, пока на клеммах не появится напряжение , равное рабочему, в вольтах. Второй этап: при стабильном напряжении подается в банку ток, но с увеличением емкости, он стремится к нулю. Время заряда занимает около 3 часов, независимо от емкости.
Чем измерять ёмкость аккумуляторов
В процессе эксплуатации, как мы выяснили, ёмкость литиевой батарейки постепенно уменьшается и со временем значение, указанное на корпусе, не будет соответствовать реальному положению вещей. Как определить реальную ёмкость аккумулятора в домашних условиях? Один из вариантов — использовать специальный универсальный прибор «Аймак», вмещающий интеллектуальное зарядно-разрядное устройство, тестер, вольтметр, амперметр и многое другое.

Вариант неплохой, но его не назовешь бюджетным. Прибор дорогой, а нужен он относительно редко. Гораздо проще для этих целей воспользоваться USB-тестером. Стоит он намного меньше, а точность измерения у устройства вполне приличная.

Чтобы измерить реальную ёмкость батарейки, её необходимо полностью зарядить, а затем разрядить через ту или иную нагрузку, включив между элементом и нагрузкой тестер. При этом вход прибора подключают к элементу питания, а выход — к нагрузке, в качестве которой можно использовать полуваттный резистор сопротивлением 8–16 Ом.

USB-тестер для своего питания требует напряжение величиной 5 В (на то он и USB), но отлично работает и при напряжении до 2,5 В. Так что использовать его для измерения ёмкости одной литиевой ячейки будет возможно.
Как правильно заряжать литиевые аккумуляторы
Существует несколько схем зарядки литиевых аккумуляторов. Чаще используется двухэтапная зарядка, разработанная компанией SONY. Не применяются устройства с применением импульсного заряда и ступенчатой зарядки, как для кислотных АКБ.
Зарядка любых разновидностей ионно-литиевых или литий-полимерных аккумуляторов требует строгое соблюдение напряжения. На одном элементе заряженного литиевого аккумулятора должно быть не больше 4,2 В. Номинальным напряжением для них считается 3,7 В.
Литиевые аккумуляторы можно ли заряжать быстро, не полностью? Да. Их всегда можно дозарядить. Работа батареи на 40-80 % емкости удлинняет АКБ срок годности.

Двухступенчатая схема зарядки батареи литиевых аккумуляторов
Принцип схемы CC/CV – постоянная сила зарядного тока/ постоянное напряжение. Как зарядить по этой схеме литиевый аккумулятор?
На схеме до 1 этапа зарядки изображен предэтап, для восстановления глубоко севшего литиевого аккумулятора, с напряжением на клеммах не менее 2,0 В. Первый этап должен восстановить 70-80 % емкости. Ток зарядки выбирают 0,2-0,5 С. Ускоренно заряжать можно, током 0,5-1,0 С. (С – емкость литиевых аккумуляторов, цифровое значение). Каким должно быть напряжение зарядки на первом этапе? Стабильным, 5 В. Когда достигнуто напряжение на клеммах аккумулятора 4,2 – это сигнал перехода на второй этап.
Теперь ЗУ поддерживает стабильное напряжение на клеммах, а зарядный ток по мере поднятия емкости снижается. При уменьшении его значения до 0,05-0,01 С зарядка закончится, устройство отключится, не допуская перезарядки. Общее время восстановления емкости для литиевого аккумулятора не превышает 3 часов.
Если литий-ионная батарея разряжена глубже 3,0 В, потребуется провести «толчок». Это заключается в зарядке малым током до тех пор, пока на клеммах не будет 3,1 В. Потом используется обычная схема.

Как контролируют параметры зарядки
Так как литиевые аккумуляторы работают в узком диапазоне изменения напряжения на клеммах, их нельзя перезаряжать выше 4,2 В и допускать разрядку ниже 3 В. Контроллер заряда установлен в ЗУ. Но каждый аккумулятор или батарея имеют собственные прерыватели, РСВ плату или РСМ модули защиты. В аккумуляторах установлена именно защита от того или иного фактора. В случае нарушения параметра, она должна отключить банку, разорвать цепь.
Контроллер – устройство, которое должно реализовать функции управления – переводить режимы CC/CV, контролировать количество энергии в банках, отключать зарядку. При этом сборка работает, нагревается.

Самодельные схемы зарядки, применяемые для литиевых аккумуляторов
- LM317 – схема простого зарядного устройства с индикатором заряда. От USB порта не запитывается.
- MAX1555, MAX1551- специально для Li Аккумуляторов, устанавливаются в адаптер питания от телефона в USB. Есть функция предварительного заряда.
- LP2951- стабилизатор ограничивает ток, формирует стабильное напряжение 4,08-4,26В.
- MCP73831- одна из простейших схем, подходит для зарядки ионных и полимерных устройств.
Если батарея состоит из нескольких банок, разряжаются они не всегда равномерно. При зарядке необходим балансир, распределяющий заряд и обеспечивающий равномерный заряд всех банок в батарее. Балансир может быть отдельным или встроенным в схему подключения АКБ. Устройство защиты батареи называется BMS. Зная как заряжать приборы, разбираясь в схемах, можно своими руками собрать схему защитного устройства для литиевого аккумулятора.
Шаг 2: Начинаем собирать
- Возьмите печатную плату общего назначения и поместите батареи поверх платы;
- Отметьте расстояние между краями батарей и их ширину печатной плате;
- Разверните 8 канцелярских скрепок и используя плоскогубцы, вырезайте зажимы с краев, как видно на изображении выше;
- Должно быть сделано в общей сложности 8 U-образных зажимов (в зависимости от количества заряжаемых батарей);
- Вставьте U-образные зажимы в печатную плату, чтобы батареи можно было установить между зажимами;
- Зажимы будут действовать как держатели батарей;
- Кроме того, используйте оставшиеся части от скрепок, чтобы сделать боковые упоры;
- Хорошо прикрепите зажимы на плате как показано на рисунке.
Примечание: убедитесь, что зажимы не подключены друг к другу во время пайки.
Рекомендации при эксплуатации для долговечной работы АКБ
Ни в коем случае нельзя допускать перегрева при длительной работе батарей. Потому что литии – активный щелочной металл. И вполне естественно, что при его нагреве может начаться реакция, которая приведет к воспламенению. Строго запрещается держать литий-ионные батарей вблизи открытого огня и нужно избегать прямых солнечных лучей. Особенно это касается смартфонов и ноутбуков.
Внимательно стоит относиться и к переохлаждению. Низкие температуры не так опасны и никаких страшных последствий они не вызовут. Зато снизят емкость батареи. Хранить литий ионные батареи лучше в заряженном состоянии, не допускать нарушения полярности при установке, замыкания контактов
Не нужно также разбирать аккумуляторный элемент. Это также небезопасно.
Видео к просмотру: Как и чем зарядить Li-ion и Li-po аккумуляторы 18650, от мобильного и др. Tp4056
Существуют универсальные зарядные устройства, которые подходят для подключения и к бытовой технике 220В, и к бортовой сети 12В. Все они оснащены корпусом, кабелем с вилкой, преобразователем в виде трансформатора, стабилизатором напряжения, контролем зарядки и светодиодным индикатором.
Кроме этого, в некоторых моделях есть и другие элементы – например, вольтметр или амперметр, дополнительный дисплей и так далее. Пользоваться ими удобно и совершенно несложно.
К таким моделям можно отнести зарядное устройство mh12210, есть и ряд других вариантов, которые при необходимости вы без труда найдете в любом магазине электроники.
Зарядное литиевых аккумуляторов

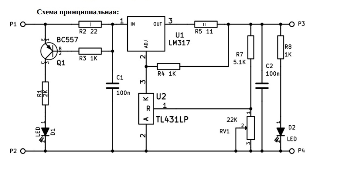
Самодельная зарядка литиевых АКБ — схема электрическая
Основой для данного прибора являются две микросхемы-стабилизатора 317 и 431 (тема на форуме).
Интегральный стабилизатор LM317 в данном случае служит источником тока, данную деталь берём в корпусе TO-220 и обязательно устанавливаем на теплоотвод с применением термопасты.
Регулятор напряжения TL431 выпускаемый компанией texas instruments существует кроме этого, в корпусах SOT-89, TO-92, SOP-8, SOT-23, SOT-25 и других.
Рекомендуемое входное напряжение от девяти и до двадцати вольт. Выходное же настраивается подстроечным резистором 22 кОм, оно должно быть в районе 4.2V.
Светодиоды (LED) D1 и D2 любого, приятного для вас цвета. Мной были выбраны такие: LED1 красный прямоугольный 2,5 мм (2,5 милиКандел) и LED2 зелёный диффузионный 3 мм (40-80 милиКандел). Удобно применять smd светодиоды, если вы не будете устанавливать готовую плату в корпус.
Минимальная мощность резистора R2 (22 Ohm) 2 Ватта, а R5 (11 Ohm) 1 Ватт. Все отсальные 0,125-0,25W.
Фото измерения вольтажа li-ion аккумулятора от сотового телефона до зарядки (3.7V) и после (4.2V), ёмкость 1100 mA*h.
Печатная плата для литиевого зарядного
Печатная плата (PCB) существует в двух форматах для разных программ — архив находится тут. Размеры готовой печатной платы в моём случае 5 на 2,5 см. По бокам оставил пространство для креплений.
Как работает зарядка
Как работает готовая схема такого зарядного устройства? Сначала аккумулятор заряжается постоянных током, который определяется сопротивление резистора R5, при стандартном номинале 11 Ом он будет примерно 100 мА. Далее, когда перезаряжаемый источник энергии будет иметь напряжение 4,15-4,2 вольта начнется зарядка постоянным напряжением. Когда же ток зарядки снизится до маленьких значений светодиод D1 перестанет светиться.
Как известно, стандартным напряжение для зарядки Li-ion является 4,2V, данную цифру необходимо установить на выходе схемы без нагрузки, с помощью вольтметра, так аккумулятор будет заряжается полностью. Если же немножко снизить напряжение, где-то на 0,05-0,10 Вольт, то ваш аккумулятор будет заряжаться не до конца, но так он прослужит дольше. Автор статьи ЕГОР.
Как определить с защитой от перезаряда аккумулятор или нет
Как правильно заряжать li-ion аккумуляторы и разберемся с аббревиатурами PCB, BMS и PCM, PCB
РСВ
В данном виде аккумуляторов нельзя допускать глубокой разрядки и перезаряда. Так как для них это опасно и из-за несоблюдения этих факторов они могут намного быстрее выйти из строя.
Именно поэтому, для контроля за состоянием батареи, некоторые производители встраивают в нее PCB модуль. Его задача как раз-таки не допустить глубокой разрядки или, наоборот, перезаряда.
Поэтому перед покупкой аккумулятора важно выяснить, оснащен он модулем PCB или нет. Потому что если данный элемент отсутствует, вам придется следить за состоянием батареи самостоятельно
PCM
Модуль PCM работает несколько по-иному. Во-первых, он встраивается не в элемент, а в устройство. К примеру, в смартфон. То есть, если плата PCB следит только за уровнем зарядки, то PCM занимается полностью управлением процесса – обеспечивает ток, контролирует температуру и напряжение.
По факту выступает узлом, который называется контроллером зарядки и который ее отключает, когда прибор зарядился. Либо делает это принудительно, если возникли проблемы с напряжением или другие неисправности.
Блок BMS
Его можно найти в аккумуляторах, составленных из батарей, включенных последовательно. Например, так устроены АКБ любого ноутбука. Как правило, при эксплуатации аккумуляторы теряют ёмкость по-разному. Один элемент всегда разряжается быстрее, чем другой. В результате один блок может быть полностью разряжен, тогда как остальные «тянут» и благодаря этому напряжение в целом будет в норме. И как раз задача модуля BMS – контролировать состояние каждого элемента и не допустить, чтобы напряжение в какой-то части стало критическим. Именно поэтому BMS часто называют балансиром.
Ремонт зарядной станции
Своими руками устраняют простые неисправности. Пример ремонта показан на станции 12В ДА-10/12ЭР для литий-ионных батарей напряжением 12 В, ток 1,8 А. Прибор состоит из понижающего трансформатора, четырехдиодного моста, сглаживающего пульсацию конденсатора. Светодиоды сигнализируют о подключении питания, начале и конце заряда.
Если не загорается индикатор включения, проверяют первичную обмотку трансформатора. Для этого измеряют тестером сопротивление, коснувшись щупами штырей вилки. Если есть обрыв, вскрывают корпус. Возможно, сгорел сетевой предохранитель, который меняют.
На некоторых моделях ЗУ установлен тепловой предохранитель. Он находится сверху первичной обмотки трансформатора под изоляцией, разрывает цепь при температуре +120…+130°С. Восстановление невозможно, поступают другим образом: пайкой соединяют концы обмоток. После этой операции трансформатор не защищен от короткого замыкания, поэтому лучше поставить сетевой предохранитель.
При целой первичной обмотке прозванивают вторичную и диоды. Один конец полупроводников выпаивают, подключают омметр, меняя положение щупов. Исправный диод показывает при одном подключении обрыв, при другом – КЗ. Перегоревшая первичная обмотка ремонту не подлежит – меняют трансформатор.
Если обнаружены неисправные диоды, устанавливают новые. Одновременно меняют и конденсатор: если в нем высыхает электролит, диоды перегружаются, сгорают.
Под увеличительным стеклом осматривают плату. Ликвидируют обнаруженные трещины, нарушенные контакты. Если все принятые меры не помогли, обращаются в мастерскую.
Что такое PCB, BMS и PCM
Прежде чем выяснить, как правильно заряжать литийионные аккумуляторы, разберёмся с аббревиатурами PCB, BMS и PCM, которые неразрывно связаны с источниками тока этого типа.
PCB
Как мы выяснили, литиевые источники не терпят глубокой разрядки и перезаряда. И в том, и в другом случае они катастрофически теряют электрическую ёмкость и выходят из строя. А в случае перезаряда могут даже загореться.
Для контроля за состоянием батареи в неё нередко встраивается модуль PCB — Power Control Board. Его задача — не допустить глубокой разрядки и перезаряда аккумулятора.

Принцип работы такого модуля достаточно прост. Помещённый на небольшой плате контроллер мониторит напряжение на клеммах аккумулятора. Как только оно упадёт ниже 2,8 В, микросхема закрывает соответствующий ключ, отключая элемент питания от нагрузки. При этом зарядка этого элемента разрешена.
Если напряжение на клеммах элемента становится выше 4,2 В (заряжен полностью), эта же схема другим ключом отключает элемент от зарядного устройства, но питание нагрузки разрешено. Таким образом, аккумулятор невозможно ни перезарядить, ни разрядить до критического значения.
Такие платы защиты встраиваются в большинство литиевых батарей. Исключение составляют лишь элементы, предназначенные для устройств с собственными системами контроля за состоянием аккумуляторов. В качестве примера можно взять батарею ноутбука, собранную из шести аккумуляторов 18650 без встроенной защиты.


PCM
Модуль PCM (Power Charge Module) обычно встраивается не в элемент, а в устройство, в котором элемент работает. К примеру, в смартфон. Если плата PCB следит только за уровнем зарядки аккумулятора, то блок PCM полностью управляет процессом зарядки — обеспечивает необходимый ток, контролирует температуру элемента, напряжение на нём.
Это как раз тот узел, который мы называем контроллером зарядки. Он является основным «управляющим» — отключает зарядку, когда батарея зарядилась, принудительно отключает мобильное устройство, если величина напряжения на аккумуляторе критически низкая. В этом случае модуль PCB будет только дополнительной защитой — практически никогда не срабатывает. Впрочем, существуют модули PCM, которые отвечают лишь за правильную зарядку, но не контролируют разряд. В этом случае в работу включается модуль PCB — встроенный в элемент или дополнительный.

BMS
Блок BMS (Battery Monitoring System) можно найти в аккумуляторах, составленных из батарей, включённых последовательно. Он есть, например, в АКБ любого ноутбука. Задача узла — контроль за состоянием каждой отдельной батареи и организация слаженной их работы. Разберём задачу, которую он выполняет, подробно. Итак, мы имеем аккумулятор, составленный из четырёх последовательно соединённых батарей.

Предположим, все элементы полностью заряжены. Напряжение на каждом из них — 4,2 В, на всей батарее 16,8 В. Начинаем разрядку. Через все элементы течёт одинаковый разрядный ток, а значит, разряжаются они одинаково. Но это только в теории. При эксплуатации аккумуляторы теряют ёмкость по-разному, то есть даже при одинаковом токе один элемент разрядится быстрее, другой медленнее. В результате какой-то из аккумуляторов будет уже глубоко разряжен, тогда как остальные ещё «тянут» и выходное напряжение всей батареи вроде ещё в норме.
То же самое произойдёт и во время зарядки. Элемент с наименьшей ёмкостью зарядится быстрее и, пока остальные набирают нужную ёмкость, перезарядится и выйдет из строя. Задача модуля BMS — контроль за состоянием каждого элемента и принятием тех или иных мер, если напряжение на каком-либо из них станет критическим. Если оно ниже, вся батарея отключается от нагрузки. Если выше, то соответствующий элемент отключается от зарядного устройства, когда остальные продолжают заряжаться.
Что такое плата зарядки TP4056 и как ею пользоваться
Как правильно заряжать литийионные батарейки, мы узнали. Но чем это сделать? Можно воспользоваться покупным зарядным устройством, но если есть желание, то реально собрать зарядку для литиевых аккумуляторов самостоятельно. Для этого достаточно будет купить готовый модуль TP4056 и собрать несложную схему.

Модуль зарядки литиевой ячейки TP4056 1 А
Прелесть такого решения ещё и в том, что стоит всё удовольствие на том же Aliexpress около 30 рублей. Чтобы на базе этого модуля собрать готовое устройство, необходимо собрать следующую несложную схему.

По умолчанию, такой модуль выдаёт ток зарядки 1 А и подойдёт для зарядки аккумуляторов ёмкостью 2 000—3 000 мА·ч. Если нам нужен меньший ток, то достаточно изменить номинал резистора R3 в соответствии с таблицей:
| Номинал R3, кОм | Ток зарядки, мА |
| 10 | 130 |
| 5 | 250 |
| 4 | 300 |
| 3 | 400 |
| 2 | 580 |
| 1,66 | 690 |
| 1,5 | 780 |
| 1,33 | 900 |
| 1,2 | 1000 |
В принципе, током 1 А можно заряжать аккумуляторы и большей ёмкости, но времени это займёт больше. Но если всё же нужен ток более 1 А, то будет несложно его увеличить, соединив несколько модулей параллельно. Для этого просто соединяем перемычками одноимённые выводы модулей.

Как правильно заряжать литиевые аккумуляторы
Существует несколько схем зарядки литиевых аккумуляторов. Чаще используется двухэтапная зарядка, разработанная компанией SONY. Не применяются устройства с применением импульсного заряда и ступенчатой зарядки, как для кислотных АКБ.
Зарядка любых разновидностей ионно-литиевых или литий-полимерных аккумуляторов требует строгое соблюдение напряжения. На одном элементе заряженного литиевого аккумулятора должно быть не больше 4,2 В. Номинальным напряжением для них считается 3,7 В.
Литиевые аккумуляторы можно ли заряжать быстро, не полностью? Да. Их всегда можно дозарядить. Работа батареи на 40-80 % емкости удлинняет АКБ срок годности.

Двухступенчатая схема зарядки батареи литиевых аккумуляторов
Принцип схемы CC/CV – постоянная сила зарядного тока/ постоянное напряжение. Как зарядить по этой схеме литиевый аккумулятор?
На схеме до 1 этапа зарядки изображен предэтап, для восстановления глубоко севшего литиевого аккумулятора, с напряжением на клеммах не менее 2,0 В. Первый этап должен восстановить 70-80 % емкости. Ток зарядки выбирают 0,2-0,5 С. Ускоренно заряжать можно, током 0,5-1,0 С. (С – емкость литиевых аккумуляторов, цифровое значение). Каким должно быть напряжение зарядки на первом этапе? Стабильным, 5 В. Когда достигнуто напряжение на клеммах аккумулятора 4,2 – это сигнал перехода на второй этап.
Теперь ЗУ поддерживает стабильное напряжение на клеммах, а зарядный ток по мере поднятия емкости снижается. При уменьшении его значения до 0,05-0,01 С зарядка закончится, устройство отключится, не допуская перезарядки. Общее время восстановления емкости для литиевого аккумулятора не превышает 3 часов.
Если литий-ионная батарея разряжена глубже 3,0 В, потребуется провести «толчок». Это заключается в зарядке малым током до тех пор, пока на клеммах не будет 3,1 В. Потом используется обычная схема.

Как контролируют параметры зарядки
Так как литиевые аккумуляторы работают в узком диапазоне изменения напряжения на клеммах, их нельзя перезаряжать выше 4,2 В и допускать разрядку ниже 3 В. Контроллер заряда установлен в ЗУ. Но каждый аккумулятор или батарея имеют собственные прерыватели, РСВ плату или РСМ модули защиты. В аккумуляторах установлена именно защита от того или иного фактора. В случае нарушения параметра, она должна отключить банку, разорвать цепь.
Контроллер – устройство, которое должно реализовать функции управления – переводить режимы CC/CV, контролировать количество энергии в банках, отключать зарядку. При этом сборка работает, нагревается.

Самодельные схемы зарядки, применяемые для литиевых аккумуляторов
- LM317 – схема простого зарядного устройства с индикатором заряда. От USB порта не запитывается.
- MAX1555, MAX1551- специально для Li Аккумуляторов, устанавливаются в адаптер питания от телефона в USB. Есть функция предварительного заряда.
- LP2951- стабилизатор ограничивает ток, формирует стабильное напряжение 4,08-4,26В.
- MCP73831- одна из простейших схем, подходит для зарядки ионных и полимерных устройств.
Если батарея состоит из нескольких банок, разряжаются они не всегда равномерно. При зарядке необходим балансир, распределяющий заряд и обеспечивающий равномерный заряд всех банок в батарее. Балансир может быть отдельным или встроенным в схему подключения АКБ. Устройство защиты батареи называется BMS. Зная как заряжать приборы, разбираясь в схемах, можно своими руками собрать схему защитного устройства для литиевого аккумулятора.
Зарядное устройство для Li-ion аккумуляторов 18650
Для длительной работы аккумуляторных батареек 18650 необходимо зарядное высококачественного формата. Дорогие современные приборы должны обслуживаться лучшей зарядкой 18650 аккумуляторов. Ошибка покупателей при приобретении нового гаджета, использовать старую зарядку. В результате акб быстро разряжается, долго заряжается, выходит из строя.
Существует целый ряд причин, по которым Вы не должны покупать дешевое зарядное устройство или вообще использовать старое зу. Перед покупкой следует подумать, какой зарядный прибор для аккумуляторных батареек выбрать, для чего именно нужен зарядный элемент, и будут ли полезны дополнительные функции для вашей зарядки.
Перед покупкой прибора для зарядки, необходимо ознакомиться с его техническими характеристиками:
- количество одновременно заряжающихся батарей – чем их больше, тем удобнее выполнять зарядку, особенно для тех, кто использует каждый день несколько устройств, нуждающихся в подзарядке.
- бренд производителя – лучше всего, чтобы АКБ и зарядка имели одинакового производителя, что убережет от быстрого износа и поможет лучше разобраться в инструкции;
- варианты подключения к сети – удобнее всего использовать модели, имеющие шнур;
- применимы ли индикаторы – более современные модели имеют LCD экран, где отображаются все процессы, происходящие в данный момент в зарядном устройстве;
- допустимое напряжение зарядки – чем оно сильнее, тем быстрее осуществляется процесс;
- какая защита от перепадов напряжения и перегрева;
- предусмотрена ли функция самостоятельного отключения питания в автоматическом режиме после полного заряда батареи; наличие защищает литиевый аккумулятор и продлевает его срок пользования.
Зарядное для акб
Зачем нужно качественное зарядное
Дешевое малофункциональное зарядное устройство для 18650 li ion аккумуляторов не владеет функционалом для защиты и улучшенной зарядки акб, не контролирует процесс зарядки, гаджет может не подзаряжаться или перезаряжаться. В старых, давно используемых приборах, отсутствует ресурс защиты от перезаряда и перегрева, в результате чего батарея быстро выходит из обихода
Только новый качественный прибор зарядит гаджет быстро, что важно для тех, кто ценит время
Зарядка для литиевых аккумуляторов 18650 должна выдавать 5 В и ток до 1 А. Литиевый элемент емкостью 2600 м/Ач должен заряжаться током до 2,6 А. Если в батарее есть графит, то напряжение не должно быть более 4,1 В. В противном случае произойдет окисление, и плотность энергии элемента увеличится. Продолжительность работы в режиме автономии будет уменьшаться. Но в современных приборах нет чистого графита. Перенапряжение не так опасно, хотя и нежелательно.
Если во время зарядки будет превышено напряжение, срок службы пальчиковых батарей уменьшится. Чтобы предотвратить это, в литиевые батареи устанавливаются специальные контроллеры. Это защитные платы, которые существуют для нескольких банок и для отдельных элементов 18650.
Какими бывают литиевые аккумуляторы
В зависимости от того, из какого материала изготовлен положительный электрод литиевого аккумулятора, существует их несколько разновидностей:
- с катодом из кобальтата лития;
- с катодом на основе литированного фосфата железа;
- на основе никель-кобальт-алюминия;
- на основе никель-кобальт-марганца.
У всех этих аккумуляторов имеются свои особенности, но так как для широкого потребителя эти нюансы не имеют принципиального значения, в этой статье они рассматриваться не будут.
Также все li-ion аккумуляторы производят в различных типоразмерах и форм-факторах. Они могут быть как в корпусном исполнении (например, популярные сегодня 18650) так и в ламинированном или призматическом исполнении (гель-полимерные аккумуляторы). Последние представляют собой герметично запаянные пакеты из особой пленки, в которых находятся электроды и электродная масса.
Наиболее распространенные типоразмеры li-ion аккумуляторов приведены в таблице ниже (все они имеют номинальное напряжение 3.7 вольта):
| Обозначение | Типоразмер | Схожий типоразмер |
|---|---|---|
|
XXYY0, где XX – указание диаметра в мм,YY – значение длины в мм, – отражает исполнение в виде цилиндра |
10180 | 2/5 AAA |
| 10220 | 1/2 AAA (Ø соответствует ААА, но на половину длины) | |
| 10280 | ||
| 10430 | ААА | |
| 10440 | ААА | |
| 14250 | 1/2 AA | |
| 14270 | Ø АА, длина CR2 | |
| 14430 | Ø 14 мм (как у АА), но длина меньше | |
| 14500 | АА | |
| 14670 | ||
| 15266, 15270 | CR2 | |
| 16340 | CR123 | |
| 17500 | 150S/300S | |
| 17670 | 2xCR123 (или 168S/600S) | |
| 18350 | ||
| 18490 | ||
| 18500 | 2xCR123 (или 150A/300P) | |
| 18650 | 2xCR123 (или 168A/600P) | |
| 18700 | ||
| 22650 | ||
| 25500 | ||
| 26500 | С | |
| 26650 | ||
| 32650 | ||
| 33600 | D | |
| 42120 |
Внутренние электрохимические процессы протекают одинаково и не зависят от форм-фактора и исполнения АКБ, поэтому все, сказанное ниже, в равной степени относится ко всем литиевым аккумуляторам.
Главные правила подзарядки аккумуляторов, каким током заряжать
li-ion аккумуляторы имеют свои срок службы и рассчитаны на определенное количество циклов заряда-разряда.
Они способны выдержать около 1000 циклов зарядки, после чего становятся непригодными для дальнейшего использования.
Поэтому, если вы хотите, чтобы ресурс на батарее сохранялся как можно дольше, рекомендуем вам следовать нескольким несложным правилам:
- Всегда ставьте аккумулятор на зарядку, когда емкость батарей составляет 10-20% от заряда. Никогда не ждите полной разрядки.
- Не спешите снимать полностью заряженный гаджет с зарядки. Оставьте его еще на 20-30 минут. За это время происходит зарядка малым током.
- Всегда используйте только оригинальное зарядное устройство
- Соблюдайте температурный режим. Заряжать аккумулятор нужно в помещении, при температуре выше +10 градусов.
При первой зарядке важно убедиться, что процесс происходит правильно. Сделать это совсем не сложно
Просто регулярно проверяйте температуру устройства, АКБ, всех разъемов и проводов. Сильного нагревания элементов быть не должно, иначе это будет говорить о неисправности.
Немного о литий-ионных батареях
Особенности АКБ типа 18650:
- Длительный срок службы. Источник питания способен выдерживать до 600 циклов разряда и заряда. Литиевые батареи обладают увеличенным сроком эксплуатации, они могут длительно сохранять емкость.
- Компактные размеры. Высота элемента составляет 65 мм, диаметр – 18 мм. Эти числа легли в основу названия аккумулятора. При небольших размерах батарея имеет широкие возможности.
- Наличие контроллера. Большая часть аккумуляторов старого образца отличается высокой взрывоопасностью. В корпусе батареи протекают химические реакции, скорость которых при перегреве многократно увеличивается. Возникало и механическое замыкание нескольких содержащих электролит емкостей, приводившее к возгоранию. Контроллер, встраиваемый в современные источники питания, препятствует сильному перегреву и взрыву. Это же от перезаряда.
- Невозможность длительного хранения. Долго находившиеся в нерабочем состоянии батарейки быстро утрачивают емкость. Заряжать li-ion аккумулятор нужно регулярно. При этом соблюдают ряд правил, препятствующих выходу изделия из строя. Нужно правильно рассчитывать ток заряда и ограничивать напряжение. Нарушение правил приводит к снижению срока службы.
Как собрать зарядное устройство для литиевых аккумуляторов своими руками

Схема зарядного устройства для литиевых аккумуляторов
Один из простейших, если не самый простой, вариант создания зарядного устройства. Он предусматривает использование микросхемы LM317. Она дешёвая и повсеместно доступная, плюс оснащается индикатором заряда.
Настройка сводится к тому, чтобы установить выходное напряжение номиналом 4,2 Вольта, используя подстроечный резистор R8. Только обязательно без подключённого аккумулятора. А также устанавливается зарядный ток методом подбора резисторов R4 и R6. Рекомендуемая мощность резистора R1 при этом должна составлять не менее 1 Ватт.
Когда светодиод на схеме погаснет, это сигнализирует о завершении процесса зарядки батареи. При этом показатели зарядного тока до нуля уменьшаться никогда не будут.
В подобной зарядке не рекомендуется слишком долго держать аккумуляторную батарейку после того, как процесс подзарядки завершится.
Микросхемы типа LM317, как и её аналоги, очень широко применяются во всевозможных стабилизаторах тока и напряжения. При этом купить их можно на любом радиорынке, а обойдутся они в сущие копейки.
Недостатком схемы можно считать питающее напряжение, которое обязательно должно составлять от 8 до 12 В. Это обусловлено тем, что для нормального функционирования микросхемы требуется разница между напряжением на АКП и питающим напряжением не меньше 4,25 В, то есть запитать устройство с помощью порта USB не получится.
Последовательность сбора зарядки литиевых аккумуляторов своими руками такова:
- подбираете подходящий корпус;
- крепите к нему блок питания (5 В) и элементы указанной схемы (обязательно в правильном порядке);
- берете латунь и вырезаете из неё две полоски, крепите их на гнёзда;
- используя гайку, устанавливаете расстояние между контактами и АКБ, которые собираетесь подключать;
- крепите переключатель, если хотите впоследствии иметь возможность изменять полярность на гнёздах (если — нет, оставляете все как есть).
Но если задачей является сборка зарядного устройства, ориентированного на работу с аккумуляторами 18650, тогда сразу стоит переходить к более сложным схемам, либо же покупать готовый девайс. Без соответствующих технических навыков собрать узел не получится. Порой действительно проще потратить немного больше денег, но взять заводской зарядник с необходимыми параметрами и защитой.
Ведущие производители зарядок для аккумуляторов 18650
Сегодня на рынке потребителям предлагается большое количество самых разных решений. Как правило, в большинстве случаев в продаже можно найти зарядные устройства от китайских производителей. Многие бренды, занимающиеся выпуском различных аксессуаров для электроники, предлагают оптимальные решения по моделям для 18650. Среди качественных брендов можно выделить такие решения, как: Jetting, VariCore, Vontar, LiitoKala и другие
Важно понимать, что не существует какого-либо единого стандарта для таких зарядок. Именно поэтому форм-фактор устройства сильно отличается от товара к товару
Чтобы батарея 18650 обеспечивала максимальную эффективность, важно правильно подобрать требуемую модель. Для более подробного изучения всех плюсов и минусов, стоит подвергнуть классификации самые востребованные и качественные решения, составив рейтинг. Потребителю останется только выбрать оптимальную зарядку, исходя из своих потребностей.
Шаг 6: Сборка, часть 1: прорезаем отверстия в корпусе












Для того, чтобы правильно уместить все электрокомпоненты в корпусе, в нем нужно прорезать отверстия:
- Лезвием ножа отметьте на корпусе границы батарейного отсека (рис.1).
- Горячим ножом прорежьте отверстие по сделанным меткам (рис.2 и 3).
- После прорезания отверстия, корпус должен выглядеть как на рис.4.
- Отметьте место, где будет находиться USB-разъем модуля TP4056 (рис.5 и 6).
- Горячим ножом прорежьте в корпусе отверстие для USB-разъема (рис. 7).
- Отметьте места на корпусе, где будут находиться диоды модуля TP4056 (рис. 8 и 9).
- Горячим ножом прорежьте отверстия под диоды (рис. 10).
- Таким же образом сделайте отверстия под разъем питания и выключатель (рис.11 и 12)





