Содержание
Видео по теме статьи
Этажерка в стиле прованс с пошаговым выполнением:
Этажерка для цветов:
Этот предмет мебели я сделал по воспоминаниям из детства. Была в нашем доме этажерка из брусков-стоек с полками из сплочённых дощечек. А на полках – интересные книжки, подшивки журналов. Но, потеснив их, ещё ставил туда предметы своей гордости – собственные поделки из картона или дерева (больше всего я любил мастерить модели автомобилей).
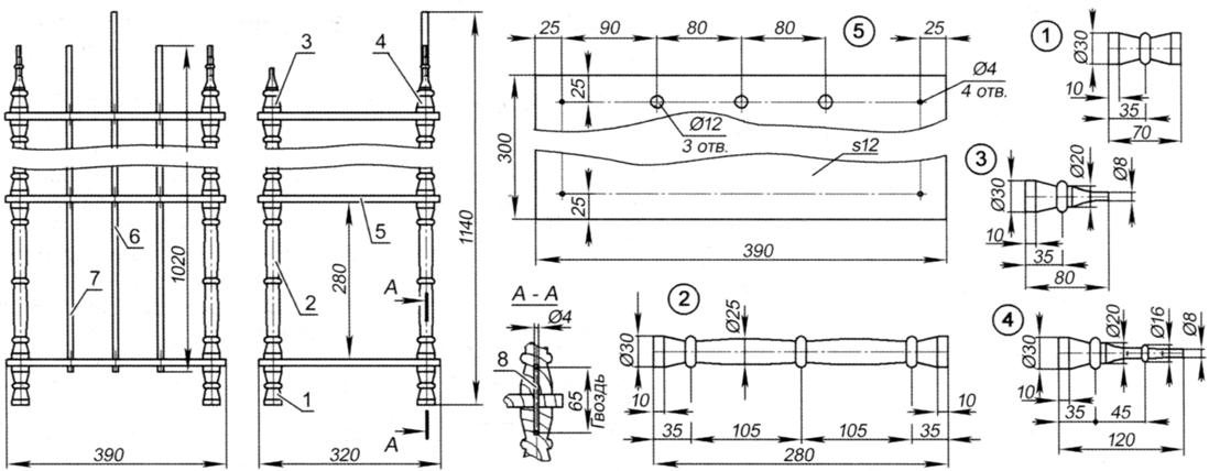
Вот и решил сделать этажерку «по мотивам», но современную. Для этого даже приобрёл токарный станок по дереву. Выполнил чертежи. Купил лист 12-мм берёзовой фанеры и пять берёзовых черенков для лопат диаметром 40 мм.
Из фанеры выпилил четыре полки, просверлил в них сквозные отверстия для сборочных шкантов и задних стержней. Зачистил все кромки и немного закруглил углы. Из черенков нарезал заготовок для балясин, шпилей и ножек и приступил к вытачиванию из них на токарном станке фигурных деталей. Опыт в этом деле у меня был «нулевым», поэтому очень пригодились чертежи. Специальный инструмент тоже отсутствовал – в качестве резцов использовал старые заточенные напильники, обломок метчика. Для подрезки выточенных деталей по длине применил ножовочное полотно по металлу – получилось аккуратно.

1 – ножка (4 шт.); 2 – межполочная стойка (12 шт.); 3 – передний шпиль (2 шт.); 4 – задний шпиль (2 шт.); 5 – полка (берёзовая фанера s12,4 шт.); 6 – задний центральный стержень (из берёзовой доски); 7 – задний боковой укороченный стержень (из берёзовой доски, 2 шт.); 8 – стальной шкант (16 шт.)
Для сверления отверстий под шканты в торцах стоек, ножек и шпилей изготовил кондуктор из деревянного кубика: в нём перовым сверлом диаметром 30 мм выполнил гнездо глубиной 5 мм и затем просверлил центральное сквозное отверстие диаметром 4 мм.
Все готовые, ошкуренные «нулёвкой» и очищенные от древесной пыли детали покрыл спиртовой морилкой под «красное дерево».

Сборку этажерки произвёл на стальных шкантах диаметром 4 мм и клее ПВА-М. Сначала прикрепил ножки снизу к нижней полке, а шпили – сверху к верхней. Затем вставил по четыре стойки между полками снизу вверх, а на завершающей стадии пропустил задние стержни через все полки сверху вниз и закрепил их гвоздиками в нижней полке.
Собранную этажерку простучал киянкой по шпилям и положил груз на верхнюю полку. После высыхания клея куском хлопчатобумажной ткани произвёл финишную сухую полировку всех деталей изделия.
А. МАТВЕЙЧУК, г. Заводоуковск, Тюменская обл.
Конструкции и соединения
Конструкция этажерки зависит от сферы ее использования, полета фантазии разработчика и вида используемых материалов.
Это может быть этажерка для книг или хранения обуви, для расположения цветочных горшков или детских игрушек, а также хранения иных предметов.
При использовании листового материала в качестве полок, каркас этажерки изготавливается из массива дерева, а соединение может быть выполнено в виде запила или посредством элементов крепления (уголков и пластин), а также способом «в накладку».
Способ «в накладку» характеризуется тем, что полки не ложатся непосредственно на вертикальные стойки, а монтируются на горизонтально расположенные элементы каркаса.
Если каркас выполняется из ДСП, фанеры или подобного материала, то соединение осуществляется только путем использования крепежных элементов.
Конструкция полок может быть различной, что также определяется сферой использования этажерки, как-то: плоские полки, используются для хранения различных предметов и вещей, коробчатого вида – применяются для посадки цветов и растений.
Полки могут быть расположены в одной вертикальной плоскости или смещены по отношению друг к другу.
Этажерки стоечного типа собираются путем установки специальных шипов с последующей проклейкой мест соединения элементов конструкции.
Этажерки модульного типа могут иметь различную конструкцию, которая зависти от материала, используемого при их изготовлении. Как правило, это ли листовой материал, собираемый путем использования крепежных элементов.
Дизайн и эскиз будущего изделия
Конструктивные особенности и внешний вид будущего изделия напрямую зависят от его месторасположения в доме. Если раньше стеллажи чаще использовались в подсобных или второстепенных помещениях, то сейчас они стали широко вписываться в интерьер гостиных и детских комнат, кабинетов и даже спален. Оригинальный, продуманный дизайн изделия способен придать интерьеру комнаты совершенно иной стиль.

Стеллажи различаются по виду: каркасные, балочные, модульные, консольные и верёвочные. Реже встречаются модели со свободнонесущей и мостовой схемой. Любой из выбранных вариантов можно изготовить в домашних условиях. Определившись с формой, рисуем эскиз или используем фото стеллажа, взятое из интернета.
Чтобы спроектировать изделие, потребуется измерять высоту комнаты (стеллаж чаще всего делает от пола до потолка), а также определиться с размерами полок. Чертёж позволит избежать ошибок и сэкономит материал в процессе заготовки элементов изделия.

Глубину стеллажа и ширину между стойками выбираем, исходя из размеров предметов, для которых он предназначен. Максимум длины полок – 150см, иначе возможен прогиб. Если предполагаются большие нагрузки, то шаг стоек необходимо уменьшить до 50 см. Эскиз можно сделать прямо на стене, возле которой будет стоять наше сооружение. Это упростит определение размеров стоек и полок изделия.

Как сделать стеллаж из дерева своими руками — подробный мастер-класс для начинающих
Стеллажи очень популярны благодаря своей функциональности. Они широко используются в складских помещениях на производстве, в бытовой сфере и жилых помещениях. Этот вид мебели идеально подходит для хранения многих предметов.

В мебельных магазинах эта продукция представлена достаточно широко, но она не всегда подходит под требования покупателя. Неподходящие размеры, дизайн и другие веские причины – повод самостоятельно взяться за изготовление данного предмета мебели.

Стеллаж, сделанный своими руками, имеет ряд преимуществ:
- органично вписывается в интерьер;
 - рационально использует пространство помещения;
 - полки рассчитаны на необходимую нагрузку;
 - размеры ячеек спланированы соответственно предметам и вещам, для которых предназначены.
 
Сделать его достаточно несложно, зато результат удовлетворит все запросы.
Необходимые материалы
Как сделать этажерку своими руками ясно. Следует определиться с материалами, необходимыми в этом деле.
- Пластиковую этажерку, купленную в магазине, собрать проще простого, достаточно собрать «конструктор» по инструкции и пользоваться с удовольствием.
 - При работе с деревом кроме основного материала понадобятся элементы крепления (саморезы, гвозди, уголки). Отметим, что дерево – материал подверженный механическим повреждениям: дерево рассыхается, дерево гниет, его едят насекомые. Чтобы защитить ваше произведение искусство, следует покрыть лаком или воском. Для придания цвета можно использовать краску или колеры.
 - Если речь идет о металле, то следует изучить вопрос более детально. В квартире железная этажерка может быть использована достаточно редко. На кухне – нержавейка, в ванной – нержавейка, в прихожей – нержавейка. Черный металл подойдет разве что для инструмента.
 - Стекло может быть материалом для полок, как по отдельности, так и в общей конструкции.
 

 У нее может быть четыре или больше ножек, между которыми установлены полки. Как правило, задних и боковых стенок у нее нет.

 Перед желающим научиться делать рустикальные вещи встают прежде всего две задачи: состаривание дерева с одновременным увеличением его декоративных качеств и поверхностной прочности а также, что касается именно стоечных этажерок, подгонка примыкания спилов веток для стоек.
Работа со всеми этими материалами требует определенного навыка и инструмента. Что говорить о более сложных материалах.

 Разновидность этажерок из планок внакладку – хозяйственные безрамные (с боковинами из одной доски каждая) этажерки-лестницы.

 Используйте декоративную ковку, канаты или кожаные вставки
Финальный декор стеллажа
Готовую конструкцию необходимо покрасить. Из всевозможных вариантов наиболее простые – это покрытие акриловой краской на водной основе или лакировка изделия.

Достоинство акриловой краски в том, что она быстро высыхает и практически не имеет запаха. Её можно использовать даже в доме, хотя помещение нужно будет всё-таки проветрить. Покрытие лаком предпочтительнее, если вы хотите сохранить структуру или слегка затонировать поверхность дерева. Бесцветный или колерованный под дуб, орех, ясень и другие породы деревьев лак следует наносить два-три раза. Каждый новый слой наносится после высыхания предыдущего.

Перед покраской стеллажа необходима грунтовка окрашиваемых поверхностей, если только не используется краска по типу два в одном. Грунтование поверхности обеспечит хороший результат и гарантирует, что не произойдёт отслаивания или растрескивания краски со временем. Если предполагается покраска масляными красками, то рекомендуется сделать это заранее вне жилого помещения. Все покрашенные детали заносим в дом для последующей сборки только после полного высыхания.
Выбор материала для работы
Благодаря доступности строительных материалов, каждый мастер имеет возможность сделать своими руками самые различные стеллажи. Наиболее оптимальными признаны следующие материалы:
Древесина. Как правило, из дерева изготавливают полки, а несущие конструкции выполняются из металлического профиля. Дерево является экологически чистым материалом, отличающимся достаточной прочностью, красивым природным оттенком. Однако, для защиты от влаги необходимо проводить качественную обработку влагостойким маслом.
Панели ДСП, МДФ, фанера являются более доступными по стоимости материалами. По прочности ничуть не уступают цельной древесине. Так же, как деревянный брус, панели из прессованной стружки абсолютно безопасны, не вызывают аллергических реакций, но требуют дополнительной защиты от влаги.

Металлические конструкции. Стеллажи, полностью сделанные из профиля своими руками, отличаются особой прочностью, красивым внешним видом, устойчивостью к влаге (особенно, после покрытия антикоррозийным составом).

Завершающий этап – декорирование
Если вас заинтересовал вопрос, как сделать этажерку своими руками, ответ перед вами. Но как задекорировать уже готовую этажерку? Самый простой способ – покраска. Выберите подходящий цвет и покрасьте свою полку на стойке из дерева или металла. Используйте декоративную ковку, канаты или кожаные вставки. Древесина сочетается с металлом, текстилем, растениями.

 Функционально – полки стоечных этажерок могут быть любой необходимой высоты и с выносом почти на всю ширину.

 Кованая или литая этажерка может быть произведением искусства, а функционально очень надежной и долговечной.
Удачной работы!

 Есть у стоечных этажерок довольно серьезный с точки зрения любителя недостаток: чтобы этажерка получилась красивой и оригинальной, нужны точеные деревянные детали.
Приступаем к построению
Назначение определено, расположение известно, схема будущего изделия готова, материал определены (дерево) — самое время приготовить необходимые материалы для начала работ.

Отвлекаться во время изготовления стеллажа на подготовительные работы не рекомендуется, чтобы не сделать ошибки в сборке.

Следующие материал понадобятся для сборки:
- Стойки изготавливаются из бруса, иногда из перфорированного профиля;
 - Рамы можно изготовить из реек или гофрированного профиля;
 - Полки, чаще всего, изготавливаются из соответствующих досок, ДСП, и иных древесных материалов;
 - Скреплять рейки, брусья и полки можно саморезами или металлическими уголками.
 

Смонтировать будущий стеллаж можно следующими инструментами, их легко найти почти в каждом доме: лобзик по дереву (или пила), дрель и шуруповерт (отвертка).

Алгоритм сборки:
- Необходимо распилить брус для создания стоек, полочных креплений (одинаковые детали обязательно должны совпадать по длине — внимательно измеряются до того как начать отрезать);
 - Стойки и другие элементы основной конструкции соединяются только в лежа на полу, ровная поверхность сильно облегчит работу по сборке, чтобы обеспечить правильную сборку будущего изделия;
 - Основная конструкция каркаса должна крепиться к стене помещения, чтобы добавить прочности и устойчивости будущей конструкции;
 - Выбираются фальцы для крепления полочек (фальцы обеспечивают дополнительную прочность будущей конструкции).
 








Схема работ представлена на картинках.























Последний этап монтаж полок. Для монтажа лучше использовать саморезы. Но, могут также подойти дюбеля.


По желанию, мастер может заняться декорированием. Обработка дерева обеспечивает больший срок эксплуатации деревянных изделий. Можно украсить различными способами. Некоторые из них представлены на фотографиях ниже.
Определяемся с дизайном и конструкцией
Дизайн этажерки целиком и полностью зависит от ваших желаний и возможностей. Если речь идет об этажерке, как элементе декора, то можно выбрать интересный материал: ротанг или стекло, бук или кованый металл.

 Многофункциональный предмет корпусной мебели, способный эффективно зонировать помещение и быть эстетически значащим в интерьере.

 Тут ажурность этажерки работает на функционал: растения при помощи этажерки можно расположить на минимальной площади пола так, чтобы они не затеняли друг друга и владельцу было удобно ухаживать за ними.
Естественно, что своими руками сделать такое под силу лишь настоящему мастеру, умеющему работать с тем или иным материалом и имеющим необходимые инструменты.

 Сделать этажерку можно из любого более-менее прочного и поддающегося обработке материала, но начинающим мебельщикам увлекаться их разнообразием не стоит.

 С той же целью сооружаются специальные полки для цветов, но они, как правило, стационарные, прикреплены к какому-то основанию, а этажерка переставная.
Говоря о прикладном смысле, сделать этажерку своими руками достаточно просто. Конструкция представляет собой два вертикальных основания и горизонтальные полки между ними. Вариантов крепления неимоверное множество и зависят они от материала изготовления.
- Самый простой способ — прикрутить полки к основанию с наружной стороны. Этот способ сборки актуален для этажерки из дерева. Если вы думаете, что это будет не красиво, то можем вас успокоить, есть заглушки для саморезов разных цветов.
 - Каждая полка имеет отверстия по углам, в эти отверстия вставляются столбики, разделяющие полки между собой. Чаще всего такую конструкцию предлагают для пластиковых полок для ванн или обуви. Но и стеклянные этажерки можно организовать подобным образом. Разделительные столбики могут быть хромированными. Хотя и металл можно собрать в этажерку подобным способом.
 - Многообразие фурнитуры позволяет выбрать элементы крепления, скрытые в теле изделия.
 
Этажерки, собранные на скрытых врезных столярных соединениях, самостоятельно делаются редко, а в продаже дороги.

 Этажерка и в наши дни может стать ключевым элементом дизайна интерьера.
Это основные примеры конструкции этажерок. Можно импровизировать или использовать декор. Так, кованые элементы могут придать самому простому и недорогому изделию из дерева не только шарм, но и роскошь.
Наиболее прочной является деревянная этажерка, собранная внакладку.
Хорошо сделанная рустикальная мебель смотрится потрясающе и вписывается почти в любой интерьер вплоть до лофта.
Наполная полка из лестницы
Старая и неисправная лестница может легко стать функциональным стеллажом или полкой. Стоит ошкурить лестницу, приколотить выпиленные дощечки на место полочек и закрепить у стены. Данная полка-лестница станет прекрасным дизайнерским решением для вашей комнаты
Источник фото: wikihow.com
Полка из деревянной лестницы, это, конечно, классика. Вы наверно, уже видели много фото таких конструкций. Но, тем не менее, всегда смотрятся оригинально, если красиво оформить, будет уместна даже в гостиной. Держать на ней можно все, от книжек до посуды и большое преимущество, всегда можно переставить в другое место. На этом фото еще один вариант напольной полки из лестницы и пошаговые фото изготовления.
Остается только найти старую лестницу и подготовить дощечки для полок. Работа по сборке не сложная, главное сделать правильные замеры.
Источник фото dcretive.ru
Скрытая полка за холодильником выдвижная своими руками
Подобную полку легко можно сделать не только для холодильника, но и для других проблемных участков вашей квартиры, например, для ванной.
Ниже вы сможете посмотреть пошаговые фото как это сделать своими руками, мы лишь добавим следующее:
- — холодильник, как и стена, могут может поцарапаться, поэтому следует подумать о направляющих.
 - — в инструкции к холодильнику не зря советуют оставлять между стенками холодильника и стенами комнаты пространство, это необходимо для циркуляции воздуха, что бы теплый воздух куда-то девался. Поэтому такая полка может быть приемлема для старого холодильника, у которого охлаждающая часть находиться позади, но для современных — такая полка неприемлема, поскольку у них охлаждающая часть вмонтирована в боковые стенки.
 
Напольная деревянная полка стенд для цветов
Эту деревянную полку для цветов вы сможете поставить как дома, в квартире, так и на даче на улице. По расположенным ниже пошаговым фото мастер класса вы сможете просто разобраться как сделать такую напольную полку для цветов своими руками. Автор советует для придания прочности полки все места крепления саморезов или гвоздей дополнительно скреплять водостойким клеем. Так же покрыть полку краской и морилкой
Этажерка для обуви
Неотъемлемой частью оформления прихожей является организация места для хранения обуви. Для этой цели можно воспользоваться угловой этажеркой. Прихожие, как правило, не отличаются большим пространством. Конструкция, которая для своего размещения не требует много места, станет удачным решением для данного помещения
При выборе этажерки для размещения обуви следует обращать внимание на функциональность и сочетание стиля данного изделия с дизайном прихожей

Полимерные конструкции
Наиболее доступными в финансовом отношении являются этажерки из пластика. Но их стоимость не отражается на качестве. Данные изделия изготавливаются из полимерного материала серого, коричневого, темно-синего и черного цветов. Такой пластик отличается следующими параметрами:
- Он является довольно прочным.
 - Готовые изделия устойчивы к влаге, их внешний вид не портится в результате загрязнений.
 - Ухаживать за ними достаточно просто.
 
Этажерки для обуви бывают различных размеров – от низких моделей до высоких изделий. Количество полочек также может быть разным. В качестве недостатка пластиковых этажерок можно определить их неустойчивость, поскольку пластик – это материал довольно легкий. Также создать с их помощью изысканный интерьер будет довольно сложно.

Деревянные этажерки
Более удобны в этом отношении этажерки из дерева. Среди главных преимуществ можно выделить такие факторы:
- Такие элементы мебели хорошо впишутся в классический интерьер, а также в оформление в стиле кантри и прованс.
 - К тому же данное изделие можно изготовить на заказ. При этом будут учтены такие моменты как оттенок, конфигурация и материал изделия.
 - Стоимость таких этажерок зависит от используемого материала. Цена изделий из древесно-стружечных плит является довольно демократичной. Изделия из сосны относятся к средней ценовой категории. А стоимость мебели из дуба будет достаточно высокой.
 
Среди недостатков конструкций можно обозначить такую особенность – деревянные этажерки не устойчивы к влаге, что является их недостатком как места для хранения обуви. Но если во время изготовления используются специальные влагоотталкивающие пропитки, эту проблему можно решить.

Металлические изделия
Еще одним вариантом этажерки для размещения обуви являются металлические изделия. Это кованая мебель, которая станет изысканным и стильным дополнением, как для классического, так и для современного дизайна. Такую мебель можно изготовить на заказ под определенный интерьер.
Этажерка фото:



Этажерки и Полки
Этажерки и полки 001
Этажерки и полки 002
Этажерки и полки 003
Этажерки и полки 004
Этажерки и полки 005
Этажерки и полки 006
Этажерки и полки 007
Этажерки и полки 008
Этажерки и полки 009
Этажерки и полки 010
Этажерки и полки 011
Этажерки и полки 012
Этажерки и полки 013
Этажерки и полки 014
Этажерки и полки 015
Этажерки и полки 016
Этажерки и полки 017
Этажерки и полки 018
Этажерки и полки 019
Этажерки и полки 020
Этажерки и полки 021
Этажерки и полки 022
Этажерки и полки 023
Этажерки и полки 024
Этажерки и полки 025
Этажерки и полки 026
Этажерки и полки 027
Этажерки и полки 028
Этажерки и полки 029
Этажерки и полки 030
Этажерки и полки 031
Этажерки и полки 032
Этажерки и полки 033
Этажерки и полки 034
Этажерки и полки 035
Этажерки и полки 036
Этажерки и полки 037
Этажерки и полки 038
Этажерки и полки 039
Этажерки и полки 040
Этажерки и полки 041
Этажерки и полки 042
Этажерки и полки 043
Этажерки и полки 044
Этажерки и полки 045
Этажерки и полки 046
Этажерки и полки 047
Этажерки и полки 048
Этажерки и полки 049
Этажерки и полки 050
Что нужно для изготовления передвижной конструкции
Для того чтобы самостоятельно изготовить мобильный стеллаж, вам нужно обзавестись такими заготовками:
- доски сечением 50х150 мм и длиной 2438 мм – в количестве 15 шт;
 - доски сечением 50х100 мм и длиной 2438 мм – 4 шт;
 - элементы сечением 25х50 мм и длиной 1828 мм – 10 шт;
 - доски 25х50 мм и длиной 2438 мм – 2 шт;
 - одна доска 50х50 мм;
 - дюбеля;
 - металлические стержни 1708 мм – 4 шт;
 - угловые скобы – 4 шт;
 - мебельные металлические колесики не менее 10 см в диаметре – 4 шт;
 - винты длиной 50 мм.
 

Также вам потребуется наличие таких материалов:
- наждачная бумага;
 - клей для столярных работ;
 - шпатлевка;
 - грунтовка по дереву;
 - краска или лак.
 
Также необходим инструмент для того, чтобы сделать карманные отверстия, дрель, уровень, линейка и рулетка, карандаш, угольник, пила, шлифмашинка.
Изготовление стеллажа
Определившись с эскизом, выбираем материал для стеллажа.
Для жилых комнат предпочтительнее конструкции из дерева или ламинированной древесно-стружечной плиты. В подсобных помещениях, подвале или гараже можно делать стеллажи из металла, ориентированно-стружечной или не ламинированной древесно-стружечной плиты, а также толстой фанеры. Требования к эстетическому виду будут ниже, нужно лишь учесть влажность местонахождения изделия и температурные перепады при выборе материала.

Инструкция по процессу изготовления стеллажа во всех случаях практически одинакова и содержит всего несколько операций.

Набор инструментов, необходимых для работы, минимален:
- Дисковая электропила или электролобзик. В случае их отсутствия просто ножовка по дереву.
 - Шуруповёрт или электродрель. Их аналоги: набор отвёрток и коловорот.
 - Молоток.
 

Для соединения всех деталей изделия нужно запастись шурупами и штифтами для полок. Можно использовать и гвозди, но учтите, что они не обеспечивают должной крепости соединения.

Итак, всё готово, приступаем к работе.
Отрезаем заданное схемой количество стоек по высоте будущего стеллажа. Строго следим за тем, чтобы размеры были одинаковые
Важно! Если для работы выбрано дерево, доски необходимо предварительно отшлифовать.
Следующий этап – заготовка двух поперечин по ширине конструкции. Они соединят сверху и снизу все стойки стеллажа в одно целое.
Если стойки находятся на одном расстоянии друг от друга, нарезаем необходимое количество полок одной длины
Если по дизайнерскому замыслу расстояние между ними разное, то режем полки соответственно размерам между парами стоек.
Подготовив всё необходимое, соединяем все стойки сверх и снизу подготовленными поперечинами. Полученный каркас прикрепляем к стене с помощью уголков или петель, которые предварительно привинчены шурупами к верхней поперечине или к стойкам, но тоже вверху. Если стеллаж встраивается между стен, то крайние стойки можно с помощью длинных шурупов прикрепить к боковым стенам. Достаточно будет по одному с каждой стороны и устойчивость гарантирована. Угловые конструкции можно не закреплять, так как крылья изделия будут располагаться в разных плоскостях, что и придаст ему устойчивость.
Распределение полок соответственно эскизу возможно двумя способами. Вариант первый — регулируемые полки просто лежат на штифтах, вставленных в высверливаемые заранее отверстия соответствующего диаметра. Второй способ — нерегулируемые полки жёстко крепятся к каркасу с помощью саморезов.
 

Следует учесть, если полки в каждом вертикальном пролёте будут располагаться на одном уровне с соседними, придётся с одной стороны вставлять внутрь штифты, а уже с другой крепить саморезами.

 




