Содержание
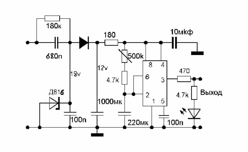
Идея 4. На базе таймера NE555
Этот вариант также относится к электронным реле, в котором задержка времени устанавливается при помощи популярного таймера NE555. С его помощью вы сможете собрать таймер, который оперирует коммутационными процессами, как на включение, так и на отключение.

Рис. 8. На базе таймера NE555
Как видите на схеме, таймер выполняет роль управляющего ключа, разрешающего выдачу электрического сигнала либо напрямую к прибору, либо через оперирующий орган – катушку реле. Когда времязадающая цепочка из двух резисторов и конденсатора достигнет насыщения, таймер выдаст на выход реле времени управляющий сигнал, который притянет к катушке прибора сердечник и замкнет контакты. К выходной катушке параллельно подключается светодиод, сигнализирующий о состоянии реле.
Практическая реализация этой схемы также требует определенных навыков и знаний в пайке радиодеталей и изготовлении печатных плат.
Описание схемы работы простого цифрового таймера
Как только будет включено питание таймера, конденсатор С1 заряжается через сопротивление R2 в результате чего на выводе 11 кратковременно появляется лог.1, переводя все выходы счетчика в ноль. Транзистор, подключенный к выходу счетчика, откроется и сработает реле, подключив своими контактами нагрузку.

С мигающего светодиода с частотой около 1,4 Гц поступают импульсы на тактовый вход (ножка 10) счетчика DD1. C каждым спадом входного импульса происходит приращение счетчика. По прошествии 256-и импульсов (по времени это займет приблизительно 256 / 1,4 Гц = 183 сек. или ~ 3 минуты), на выводе 12 возникает лог.1. В связи с этим транзистор закроется, обесточив нагрузку. Плюс ко всему лог.1 с выхода 12 поступает на тактовый вход DD1 через диод VD1, останавливая тем самым работу таймера.
Периодичность работы таймера можно подобрать путем подключения точку соединения резистора R3 и диода VD1 к различным выходам DD1. Немного подправив данную схему, возможно построить таймер, исполняющий противоположную функцию работы. Изменение затрагивает транзистор VT1. Его необходимо поменять на транзистор иной структуры.
Теперь при появлении на выходе счетчика лог.1, транзистор будет открываться и включать нагрузку. Взамен электрореле в данном варианте, возможно включить простой звуковой излучатель с внутренним генератором, к примеру, HCM1612X. Подсоединять электроизлучатель необходимо соблюдая полярность.
Простейший вариант
Пример конструктора для самодельной сборки таймера задержки отключения:
При желании есть возможность самостоятельно собрать реле времени по следующей схеме:

Время задающим элементом является конденсатор С1, в стандартной комплектации КИТ набора 1000 мкФ/16 В, время задержки составляет 10 минут. Регулировка времени осуществляется резистором R1. Питание платы 12 вольт. Управление нагрузкой осуществляется через контакты. Плату можно не делать, собрать на макете.

Для того, чтобы сделать реле времени, нам понадобятся такие детали:

Правильно собранное устройство не нуждается в настройке и готово к работе. Данное самодельное реле задержки времени было описано в журнале «Радиодело» 2005.07.
Шаг 4: Перекрываем кольцо таймера другим кольцом
Чтобы визуализировать отсчет времени, добавим к кольцу второй слой, который будет обрабатывать анимацию. Для этого расположим новое зеленое кольцо поверх оригинального, чтобы получился своего рода индикатор выполнения.
Сначала добавим элемент path в SVG.
document.getElementById("app").innerHTML = `
<div class="base-timer">
<svg class="base-timer__svg" viewBox="0 0 100 100" xmlns="http://www.w3.org/2000/svg">
<g class="base-timer__circle">
<circle class="base-timer__path-elapsed" cx="50" cy="50" r="45"></circle>
<path
id="base-timer-path-remaining"
stroke-dasharray="283"
class="base-timer__path-remaining ${remainingPathColor}"
d="
M 50, 50
m -45, 0
a 45,45 0 1,0 90,0
a 45,45 0 1,0 -90,0
"
></path>
</g>
</svg>
<span id="base-timer-label" class="base-timer__label">
${formatTime(timeLeft)}
</span>
</div>
`;
После этого добавим несколько стилей, чтобы круговая траектория выглядела как оригинальное серое кольцо
Важно, чтобы свойство stroke-width принимало значение, равное размеру исходного кольца. А также чтобы длительность transition была установлена на 1 секунду
.base-timer__path-remaining {
/* Такая же ширина, что и у исходного кольца */
stroke-width: 7px;
/* Замыкаем концы линии, чтобы создать круг */
stroke-linecap: round;
/* Делаем так, чтобы анимация начиналась вверху */
transform: rotate(90deg);
transform-origin: center;
/* Одна секунда подгоняется под таймер обратного отсчета */
transition: 1s linear all;
/* Задаем смену цвета кольца, когда обновляется значение цвета */
stroke: currentColor;
}
.base-timer__svg {
/* Переворачиваем кольцо и задаем движение анимации слева направо */
transform: scaleX(-1);
}
Но кольцо таймера пока не анимируется.
Для анимации линии оставшегося времени мы будем использовать свойство stroke-dasharray.
Приборы с механической шкалой
Одним из приборов, который имеет механическую шкалу, является бытовой таймер. Работает он от обычной розетки. Такой прибор позволяет управлять домашней техникой в определенном диапазоне времени. В нем установлено «розеточное» реле, которое ограничено суточным циклом срабатывания.
Для использования суточного таймера его нужно настроить:
- Приподнять все элементы, которые располагаются по дисковой окружности.
- Опустить все элементы, которые отвечают за настройку времени.
- Прокручивая диск, установить его на текущий промежуток времени.

К примеру, если элементы опущены на шкале, отмеченной цифрами 9 и 14, то нагрузка активируется в 9 часов утра и будет выключена в 14:00. За сутки можно создать до 48 включений аппарата.
Для этого нужно активировать кнопку, которая находится на боковой части корпуса. Если ее запустить, таймер включится в срочном режиме, даже если он был включен.
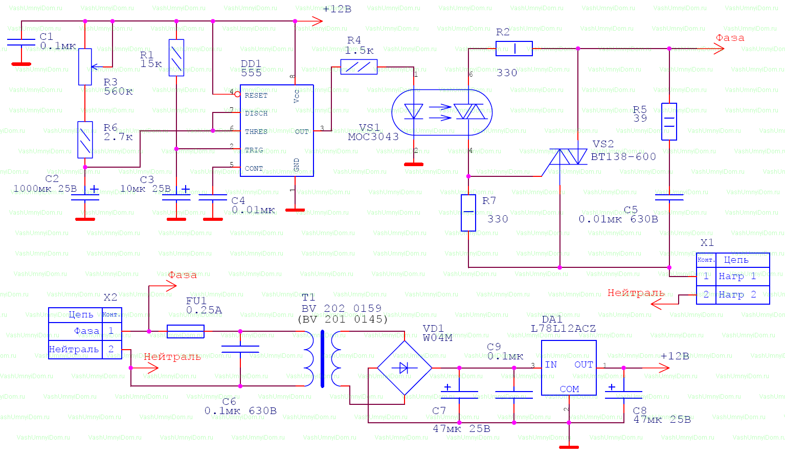
Реле времени выдержки с регулировкой времени 220 В
Чтобы сделать более надежное, качественное и безопасное устройство потребуется больше усилий и средств.
Далее пойдет речь именно о таком устройстве. На нашем сайте есть другая статья, о том, как сделать реле времени на 555 таймере своими руками с более простой схемотехникой, без трансформатора. Там же можно найти описание работы микросхемы 555.
Приведенная ниже схема собрана на микросхеме таймере 555, впервые выпущенной в 1972 году, но тем не менее не сбавляющей свою популярность. Применение микросхемы позволяет с большой степенью точности отсчитать необходимый интервал времени выдержки таймера от 3 сек до 10 минут.
Для питания устройства применяется трансформатор — управляющая часть схемы имеет гальваническую развязку.
Коммутация нагрузки производится с помощью силового симистора. Его включение осуществляется симисторной оптопарой, имеющей схему обнаружения нуля.
В результате — коммутация нагрузки происходит близко к моменту перехода синусоидального напряжения питания через ноль. Такое включение максимально безболезненно для нагрузки и не производит помех в момент включения.

Схема для новичков
Будучи начинающим радиолюбителем, можно сделать реле времени своими руками на 12В. Работать такой механизм будет по самому простому принципу.
Схема подключения реле времени:

Кнопка под обозначением SB1 замыкается, происходит полное заряжение С1. Когда кнопка отпускается, часть С1 будет разряжаться через R1 и базу транзистора, который обозначен в схеме под указателем VT1.
Пока конденсатор разряжается, тока достаточно для поддержания открытого состояния транзистора VT1, а значит реле будет работать, затем отключится. Конечно, можно сделать своими руками реле времени на 2 часа — все зависит от емкости конденсатора С1.
Принцип работы и области применения
Электромагнитное реле времени потребляет мало электроэнергии
Самый простой пример, позволяющий понять принцип работы реле, – заведенный на определенное время механический или электронный будильник. Для получения полноценного таймера к нему добавляется исполнительное устройство, выполняющее нужную функцию – подачу питания на люстру или вентилятор, например. Порядок работы такого реле:
- Как только установленный на таймере (часах) временной интервал истек, сигнал управления поступает на катушку реле.
- Сразу вслед за этим его рабочие контакты размыкают или замыкают питающую цепь.
- В результате отключается или включается подсоединенный к ней прибор.
В реальных устройствах подобный режим работы реализуется с учетом заранее заданной задержки по времени.
Таймеры различного типа широко применяются для управления функционированием промышленных установок, а также при включении и отключении бытовых приборов. В качестве коммутируемых домашних нагрузок обычно используются:
- осветительные приборы любого класса;
- различные образцы климатического оборудования;
- вентиляционные системы и подобные им устройства.
Перед тем как сделать таймер включения и выключения электроприборов своими руками, потребуется ознакомиться с разновидностями этих устройств.
Активация механизма
Подключение устройства производится в строгом положении, предписанным техпаспортом. Обычно прибор устанавливается в вертикальном положении, если он не отклоняется от вертикали более чем на 10 градусов. Также необходимо придерживаться температурного режима: от -20 до +50 градусов по Цельсию.
Третьим параметром, который учитывается при установке устройства, является влажность воздуха. Допустимый уровень не должен быть больше 80%. При подключении необходимо отключить электрическую схему от питательного устройства. Схема, как сделать реле времени 220В своими руками:

Дополнительно на самом корпусе имеются обозначения, указывающие в какой последовательности подключать элементы. Обычно это выглядит подобным образом:
- Первым делом подключается линия напряжения на клеммы питания.
- Далее, идет соединение фазной линии с рубильником и входным контактом.
- Последним шагом является подключение выходного контакта к фазной линии.
В действительности, реле времени подсоединяется по классическому пути многих приборов, то есть идет соединение питания и активация нагрузки через соответствующие контакты, которые образуют группы, их бывает несколько. Все зависит от реле, которое может быть однофазным или трехфазным.
Активация механизма
Подключение устройства производится в строгом положении, предписанным техпаспортом. Обычно прибор устанавливается в вертикальном положении, если он не отклоняется от вертикали более чем на 10 градусов. Также необходимо придерживаться температурного режима: от -20 до +50 градусов по Цельсию.
Третьим параметром, который учитывается при установке устройства, является влажность воздуха. Допустимый уровень не должен быть больше 80%. При подключении необходимо отключить электрическую схему от питательного устройства. Схема, как сделать реле времени 220В своими руками:

Дополнительно на самом корпусе имеются обозначения, указывающие в какой последовательности подключать элементы. Обычно это выглядит подобным образом:
- Первым делом подключается линия напряжения на клеммы питания.
- Далее, идет соединение фазной линии с рубильником и входным контактом.
- Последним шагом является подключение выходного контакта к фазной линии.
В действительности, реле времени подсоединяется по классическому пути многих приборов, то есть идет соединение питания и активация нагрузки через соответствующие контакты, которые образуют группы, их бывает несколько. Все зависит от реле, которое может быть однофазным или трехфазным.
Задержка отключения и включения реле с помощью конденсатора и резистора 12В
Не обязательно прибегать к использованию интегральных таймеров по типу NE555 если требуется всего лишь задержка перед старт/стоп. Использование конденсатора в паре с резистором и транзистором решит задачу без сложных ИС. Воспользуйтесь схемой ниже
Это классическая схема с использованием конденсатора, резистора, диода и биполярного транзистора. В схеме используется транзистор n-p-n типа. Работает она так: после подачи напряжение на резистор N сопротивления, начинает заряжаться конденсатор N емкости. При достижении напряжение смещения диоды открываются, а затем открывается управляющий эмиттерный p-n переход транзистора, который «открывает» транзистор и ток начинает течь в направлении коллектор-эмиттер.
Работает наш полупроводник в активном режиме. Пока управляющая базой величина тока не выйдет из этого режима, коэффициент усиления не приобретет нисходящую форму. Так продолжается пока величина тока вовсе не переступит порога отсечения — переход коллектор-эмиттер закроется. При включении происходит все да наоборот.
Для сборки рекомендуется использовать транзистор КТ827 с n-p-n переходом. Диод подойдет КД105Б или аналогичный по параметрам. Конденсатор и резистор подбирается в каждом случае индивидуально, об этом ниже.
Особенности устройства твердотельного реле
Независимо от того, какой производитель твердотельного реле, элементная база у него постоянна – в редких случаях можно найти незначительные различия. На входе обычно устанавливается резистор, соединяется он последовательно с оптическим устройством. Иногда сопротивление изготавливается по сложной конструкции, в которую включается защита от обратной полярности и регулятор тока. Нужно выделить такие свойства твердотельных реле:
- При помощи оптической развязки обеспечивается изоляция различных цепей электронного устройства.
- При помощи переключающей цепи удается осуществить подачу на нагрузку питающего напряжения.
- С помощью триггерной цепи обрабатывается входной сигнал и происходит его переключение на выход.
Какой принцип надо реализовать в самодельном реле времени
Основа кустарных автоматических расцепителей с таймерами — запуск настроенной (подобранной) выдержки. Часто это низко вольтовое изделие (5–14 В), реже делают для прямого подсоединения к обычной сети (диодные варианты).

Основы самых простых сборок
Таймер в данном случае, это конденсатор, длительность его разрядки — это и есть отсчет. Зарядка начинается по нажатию кнопки переключателя. Исполнительное устройство — электромеханическое реле (выглядит как небольшая коробочка), после «опустошения» конденсатора, ток на ее контактах исчезает, происходит расцепление.

В схему включают также настроечный (переменный, подстроечный) резистор для регулировки задержки, но в целом диапазон задается емкостью конденсатора (можно подбирать разные экспериментальным путем для требуемых промежутков) — она влияет на длительность его разрядки, соответственно, на общие рамки паузы.

Реле времени на тиристоре
Второй таймер (рис. 2) работает по принципу разряда предварительно заряженного конденсатора. В исходном состоянии тиристор и транзистор закрыты.

Рис. 2. Второй вариант реле времени на тиристоре.
При нажатии на пусковую кнопку управляющее напряжение поступает на тиристор и отпирает его. Одновременно заряжается конденсатор С1.
Отрицательная (левая по схеме) обкладка этого конденсатора через открытый тиристор VS1 соединяется с общей шиной, положительная обкладка — через диод VD1, резистор R1 и кнопку SB1 с шиной питания. Напряжение, снимаемое с конденсатора С1, запирает транзистор VT1.
После того как конденсатор С1 разрядится через включенный ему параллельно участок потенциометра R3, транзистор VT1 откроется и зашунтирует цепочку последовательно включенных полупроводниковых приборов: тиристора VS1, светодиода HL1 и диода VD2. Тиристор отключается, размыкая цепь питания нагрузки и цепь управления транзистора VT1. Схема возвращается в исходное состояние.
Интересной особенностью схемы является возможность установления времени включения нагрузки от 0 (при полностью введенной ручке потенциометра R3) до 40 секунд. В качестве нагрузки может быть использовано герконовое реле типа РМК 11105 сопротивлением 350 Ом на рабочее напряжение 5 В.
Включенное состояние устройства индицирует светодиод HL1, поэтому максимальный ток нагрузки не должен превышать 20 мА.
Области применения
Сложно найти направления в развитии электроприборов, в которой бы не нашел применение таймер NE/SE 555. На нем успешно конструируют платы генераторов и реле времени, с возможностью управления интервалом от микросекунд до нескольких часов, используют при создании датчиков освещенности и контроля уровня жидкости, охранной сигнализации и кодовых замков.
Сигнализатор темноты
С устройствами, включающимися или выключающимися при изменении силы светового потока (освещенности), каждый вольно или невольно сталкивается каждый день:
- на улицах с помощью таких устройств включаются фонари освещения;
- в подъездах – дежурное освещение лестничных площадок;
- в квартирах — различные устройства имеющий суточный ритм работы.
Принцип действия устройства, реагирующего на изменение освещенности, основан на том, что при изменении сопротивления фоторезистора, на входе NE555 меняется потенциал. Это влечет изменение напряжения на выходе и включает реле.
РИСУНОК 2
Принципиальная схема датчика света

Модуль сигнализации
Сигнализация, собранная с использованием микросхемы 555, использует ее как одновибратор, который, получив сигнал от датчика, генерирует управляющий сигнал включающий сирену. Продолжительность, тональность и громкость звучания регулируется введенными в схему переменными резисторами.
РИСУНОК 3
Принципиальная схема сигнализации

Метроном
Аналог механического прибора, задающего ритм определенной частоты и используемый музыкантами в процесс обучения и репетиций, имеет электронный аналог, собираемый с использованием таймера 555.
В данном случае микросхема работает в режиме мультивибратора, генерирующего периодические импульсы, которые регулируются транзисторами Q1 и Q2, обеспечивающими регулировку частоты импульсов. Непосредственно частота имульсов регулируется потенциометром Р1 . Для получения щелчка, схожего с щелчком механического метронома, в схему добавлен транзистор Q3 .
РИСУНОК 4
Принципиальная схема метронома

Таймер
Пример использования микросхемы по «прямому» назначению – отсчету интервала времени. Работа устройства основана на способности переключать режимы, выдавая сигналы на включение/выключение.
При разряженном конденсаторе потенциал на входе 555 обнулен. В процесс зарядки, требующей определенного времени, «отсчитывается» заданный интервал. После достижения заданного значения зарядки происходит разряд конденсатора, изменение потенциала. Таймер срабатывает на включение или выключение.
РИСУНОК 5
Принципиальная схема таймера

Точный генератор
Используется для регулирования параметров выходных импульсов в различных электронных устройствах. В частности – в высокочастотных преобразователях, входящих в блоки питания LED-лент.
РИСУНОК 6
Принципиальная схема таймера

Расположение и назначение выводов
Микросхема NE555 имеет восемь выходов. В настоящее время встречаются микросхемы в прямоугольных DIP-корпусах, хотя, изредка, можно встретить микросхему в круглом металлическом корпусе. От этого назначение выводов не меняется.
Расположение и нумерация показана на рисунке:
РИСУНОК 7
Расположение и назначение выводов NE555
Настройка таймер-розетки
Розетки-таймеры имеют несколько кнопок, при помощи которых делается настройка реле на нужный режим. Стоит отметить, что некоторые модели имеют свои особенности, поэтому знакомство с памяткой производителя является обязательным. Общий ход настройки состоит в следующих действиях:
- Вначале нажимают кнопку «включить», дисплей показывает разные значки, только после этого включают таймер.
- Затем обозначают время настройки (сутки, неделя) и обозначают границы времени действия прибора.
Вам это будет интересно Все об петли фаза-ноль
Процесс настройки розетки 220в завершается нажатием кнопки таймера. Для просмотра заданных настроек необходимо задержать руку на кнопке примерно на пять секунд. Перед началом работы рекомендуется сделать записи о произведенной настройке. Запрограммировав реле, не нужно забывать включить сам электроприбор.

Существуют розетки с таймером отключения и в этом случае включение прибора может не регулироваться. У таких розеток есть кольцо со специальным индикатором и режим работы прибора определяется его цветом. Зеленый загорается — электрический прибор отключен, горит желтый — работает в положенном режиме.
Чтобы их переключить, применяют и кнопку, и боковую часть. Благодаря первому режиму, розетка находится в постоянной работе, второй обеспечивает периодическое включение. Настройки при этом сохраняются в течение 4—5 дней даже без поступления электроэнергии. Реле с электронным управлением могут регулировать работоспособность бытовой техники в 150 вариантах.

Необходимость установки бытового вентилятора
Зачем он? В жилых и общественных помещениях устанавливается вентиляционная система, функционирующая за счет притоков свежего воздуха, но иногда существующей конструкции отвода недостаточно . Монтаж систем активной вентиляции не позволяет концентрироваться угарному газу, неприятным запахам или влажности в помещении. Что гарантирует избежать всех негативных последствий.
Причины его установки
Со временем каналы загрязняются и не могут справляться со своей функцией в полном объеме. Определить это несложно:
- на стенах, потолке, предметах, сантехнике появляется конденсат;
- зеркальные поверхности мутнеют;
- портится отделка;
- долго не исчезает неприятный запах.
Если стал заметен хотя бы один из признаков, требуется подключение вытяжки. Она позволит избежать застоя воздушных масс, неприятных запахов, плесени, сырости и грибковых образований. При правильной работе в помещении будет здоровый микроклимат, не появится конденсат, отделочные материалы и мебель сохранят первоначальный вид. Можно приобрести вентилятор с таймером или поставить его самому.

Где найти и как использовать готовые шаблоны с таймером
Упростить процесс создания письма с таймером помогут готовые шаблоны. Чтобы найти шаблоны с таймером, нажмите «Создать рассылку» и на шаге «Создание письма» выберите категорию «Ecommerce».

Выберите один из 5 шаблонов и нажмите «Использовать».
Шаблон откроется в конструкторе UniSender. Чтобы настроить таймер, нажмите на блок с таймером, а затем на кнопку «Configure» в свойствах блока.

Настройте дату события, от которого идет отсчет, и внешний вид таймера, нажмите «Сохранить».

Далее замените текст, картинки и ссылки в шаблоне на свои, и письмо с таймером готово, можно отправлять рассылку.
Часто встречающиеся ошибки при сборке и подключении GSM-розеток
Наиболее часто люди, слабо сведущие в вопросах подключения «умных» реле с удаленным СМС управлением, совершают достаточно простые ошибки монтажа:
- подвод фазового провода в коннектор, для этого не предназначенный, – «NO» или «NC»;
- попытка подключения нулевой линии вместо фазы;
- привод к прибору обоих проводников 220В, в особо тяжелых случаях всех трех – фазы, нуля и земли;
- превышение подключенными потребителями предельной мощности прибора.
Все эти нарушения монтажа приведут к выходу устройства из строя или даже его возгоранию. Нужно быть внимательным и точно изучить инструкцию к своему GSM реле. Кроме того, необходимо не забывать о том, какие выходы включены по умолчанию, а где отсутствует напряжение.
Бывает и такое при неверном подключении проводов к управляющему устройству
Детали и конструкция
Постоянные резисторы могут быть типа С1-4, С1-10, С1-14, С2-23, МЯТ, РПМ и аналогичные соответствующей мощности. Переменный резистор R4 предпочтительнее применить малогабаритный импортный. При использовании отечественного следует учитывать, что «наши» переменные резисторы могут иметь отклонение более 40 % от указанного на корпусе номинала, что усложнит настройку.
Автор применил импортный переменный резистор сопротивлением 99,2 кОм от узла настройки на канал от телевизора-радиоприёмника «Siesta». Ось применённого резистора пластмассовая, на неё надета регулировочная ручка из полистирола.
Дисковый варистор MYG10-471 можно заменить на FNR-10K471, FNR-14K471, INR14D471, INR14D511. Все дроссели малогабаритные промышленного изготовления от компьютерных устройств.
Если сопротивление обмотки дросселя L1 будет меньше 4 Ом, то последовательно с ним нужно включить проволочный резистор мощностью 2 Вт, если больше 7…8 Ом, то, возможно, придётся уменьшить максимальную мощность подключаемой нагрузки. Конденсаторы С1, С3 – С6 – высоковольтные керамические. Конденсатор С8 – SMD, устанавливают как можно ближе к выводам питания DD1.
Оксидные конденсаторы – импортные аналоги К50-68. Конденсатор С7 – плёночный К73-17, К73-24 или импортный аналог.
Диодный мост G2SBA60 рассчитан на ток 2А и напряжение 600 В, можно заменить на GBL06, RBV-406FI, G2SB60, или, например, на четыре выпрямительных диода 1N5406, КД226Г,1 N4006, КД243Ж, КД247Д. Этими же диодами можно заменить диоды 1N4005, 1N4007. Вместо диода FR107 подойдёт UF4007, FR157, FR207, FM207. Диод Шотки SR360 можно заменить на SR306 или MUR460, UF5403, FR303G, SRP300J.
Диод 1SS176S можно заменить на любой из серий 1 N914, 1 N4148, КД512,КД521, КД522.
Стабилитрон GZS12Z можно заменить на 1N4742A, BZV55C-12, TZMC-12 или отечественный 2С212Ц, КС212Ц. Вместо стабилитрона BZV55C-18 подойдёт 1N4746A, TZMC-18. Стабилитрон GZC5.1Z можно заменить на 1N4733A, BZV55C-5V1, TZMC-5V1.
Можно попробовать установить на место VD6 отечественный стабилитрон 2С151Т1. При установке на место ZD1 и, или VD5 отечественных стабилитронов, можно получить неработающую конструкцию или повредить из-за перегрева мощные полевые транзисторы.
Светодиоды RL30-CB744D синего цвета свечения и RL30-DR344S красного – с повышенной светоотдачей. Можно заменить любыми аналогичными, например, из серий КИПД21, КИПД40, КИПД66, L-1513.
Одним из таких светодиодов можно заменить АЛ307К. Вместо оптрона РС817 подойдёт любой четырёхвыводный РС817, PS817S, PS2501-1, РС814, РС120, РС123SFH617А-2, LTV817.
Транзистор 2SA1266 можно заменить на любой из серий SS9015, ВС557, КТ3107, КТ6112. Вместо КТС9013 может работать любой из ВС547, SS9013, SS9014, 2SC1815, КТ3102, КТ645, КТ6111.
Основное требование к VT2 – малый обратный ток коллектора. Полевой транзистор VT1 при мощности нагрузки до 30 Вт работает без теплоотвода. При мощности нагрузки 16 Вт (лампа накаливания) падение напряжения на открытом канале сток-исток не превышает 50 мВ, а с нагрузкой 60 Вт не более 200 мВ. Вместо 2SK1118 можно установить BUZ40B, IRFP450, IRF450, TSD2M450V, КП787А.
Лучшим вариантом на место VT1 будет современный полевой транзистор SPP20N60S5 или STW20NB50, MTW20N50E, SPW47N60C3. Вместо полевого транзистора SSS6N60A подойдёт SSS7N60B, SSS6N60A, SSP10N60B, P5NK60ZF, 2SK2562, P4NK60ZFP. При монтаже полевых транзисторов их необходимо защищать от пробоя статическим электричеством.
Кнопка SB1 любая малогабаритная со свободно разомкнутыми контактами без фиксации положения с пластмассовым толкателем. Если у кнопки есть металлическая обойма, то её соединяют с «минусом» VD1. Этим уменьшается вероятность негативного воздействия на DD1 разряда статики при приближении пальца к толкателю кнопки.
Вместо клавишного выключателя KCD-2011 подойдёт MR21, SWA206A, KCD1-101. Вместо микросхемы TL431A подойдёт любая в корпусе ТО-92 из LM431ACZ, AZ431, AN1431T.
Как настроить таймер включения и выключения электроприборов
Вне зависимости от марки и конструкции таймера и места его установки, настройки однотипных устройств выполняются аналогично, а именно:
- Настройка устройств механического типа. Розетки с таймером механического типа оснащаются поворотным барабаном, на котором нанесена разметка, определяющая цикличность включения и временной интервал. Для моделей, предназначенных к установке на ДИН-рейку, настройка выполняется поворотными регуляторами, посредством которых задаётся каждый из параметров отдельно.
- Настойка электронных приборов. Для настройки режимов работы таймеров данного типа используются кнопки, расположенные на корпусе устройства: TIMER и WEEK, DAY и ON, OFF и AUTO, а также CLOCK, MINUTE и HOUR. Процесс настройки конкретной модели отражён в инструкции по эксплуатации, идущей в комплекте поставки.
Настройка электронных моделей осуществляется при помощи кнопок, расположенных на их корпусе





