Содержание
УМНОЖИТЕЛИ НАПРЯЖЕНИЯ
В радиолюбительской практике часто требуется несколько напряжений для питания слаботочных узлов (специализированных микросхем, предварительных усилителей и т.п.), а имеющийся источник питания выдает одно напряжение. Чтобы не искать трансформатор с дополнительными обмотками, можно воспользоваться схемами умножения напряжения. Схема ниже:

Предлагаем еще несколько схем умножения напряжения. Изображена мостовая двухтактная схема удвоения напряжения. В этой схеме частота пульсаций выпрямленного напряжения равна удвоенной частоте сети (fn=2fc), обратное напряжение на диодах в 1,5 раза больше выпрямленного, коэффициент использования трансформатора — 0,64. Ее можно представить в виде двух последовательно включенных однополупериодных схем, работающих от одной обмотки трансформатора и подключенных к общей нагрузке. Если среднюю точку (точку соединения конденсаторов) подключить к общему проводу, получится двухполярный источник с выходным напряжением ±U. Вторая схема удвоения напряжения показана на рисунке 2, который вы видите ниже:

В ней вход (вторичная обмотка трансформатора) и выход имеют общую точку, что в ряде случаев может оказаться полезным. Здесь в течение отрицательного полупериода входного напряжения конденсатор С1 заряжается через диод VD2 до напряжения, равного амплитудному значению U-1. Во время положительного полупериода диод VD2 закрыт, а конденсатор С1 оказывается включенным последовательно с вторичной обмоткой Т1, поэтому конденсатор С2 через диод VD1 заряжается до удвоенного значения напряжения. Добавив к данной схеме еще один диод и конденсатор, получим варианты утроителей напряжения, которые представлены на следущих рисунках:

Схему на рис.2 можно каскадировать и получать весьма высокие напряжения. Такой каскадный умножитель представлен на рисунке:

В этой схеме все конденсаторы, за исключением С1, заряжаются до удвоенного напряжения Ui (Uc=2Ui), а С1 заряжается только до Ui. Таким образом, рабочее напряжение конденсаторов и диодов получается достаточно низким. Максимальный ток через диоды определяется выражением:lmax=2,1IH, где lH—ток, потребляемый нагрузкой. Необходимая емкость конденсаторов в этой схеме определяется по приближенной формуле:
С=2,85N*Iн/(Кп*Uвых), Мкф
где N—кратность умножения напряжения; IН — ток нагрузки, мА; Кп — допустимый коэффициент пульсаций выходного напряжения, %; Uвыlx—выходное напряжение, В.
Емкость конденсатора С1 необходимо увеличить в 4 раза по сравнению с расчетным значением (хотя в большинстве случаев хватает и двух-трех- кратного увеличения). Конденсаторы должны быть с минимальным током утечки (типа К73 и аналогичные).
Умножать напряжение можно и с помощью мостовых выпрямителей. Схема ниже на рисунке 6:

Здесь удобно взять малогабаритные выпрямительные мосты, например, серий RB156, RB157 и аналогичные. Конденсаторы СЗ…С6 (и далее) — емкостью 0,22…0,56 мкФ. Следует учитывать возрастание напряжения на обкладках конденсаторов и соответствующим образом выбирать их рабочее напряжение. Это же относится и к конденсаторам фильтра С1, С2.
При совсем малых токах нагрузки можно воспользоваться схемой одно- полупериодного умножителя:

В зависимости от необходимого выходного напряжения Uвых=0,83Uo определяется количество каскадов N по приближенной формуле:N=0.85U0/U1 где U1 — входное напряжение.
Емкость С конденсаторов С1…СЗ рассчитывается: С=34Iн*(Т+2)/U2 где lH —ток нагрузки умножителя; U2 — падение напряжения на R1 (обычно выбирается в пределах 3…5% от U-1).
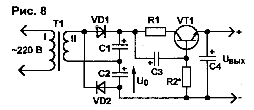
Снизить коэффициент пульсаций в умножителях напряжения можно с помощью транзисторных фильтров (рис.8),

Которые существенно уменьшают пульсации и шумы выходного напряжения и характеризуются весь малыми массогабаритными показателями. Сейчас выпускаются мощные транзисторы с допустимым напряжением 1,5 кВ и выше при токе нагрузки до 10 А. Диоды выбираются из условия Uобр=1,5U0 и Iмакс=2Iвых — Емкость С конденсаторов С1, С2 рассчитывается по приближенной формуле:
С=125Iн/U0
Сопротивление резистора R1 выбирается в пределах 20… 100 Ом. Емкость конденсатора СЗ определяется из выражения:
С3=0,5*10^6/(m*fc*R1)
где m — число фаз выпрямителя (т=2); fc — рабочая частота умножителя (fc=50 Гц).
Сопротивление R2 подбирается экспериментально (в пределах 51…75 кОм), поскольку оно зависит от коэффициента усиления по току транзистора VT1. В фильтре можно использовать отечественные транзисторы КТ838, КТ840,КТ872, КТ834 и аналогичные.
Форум по умножителям
Медицина
Одним из «экзотических» примеров применения УН в медицинской аппаратуре является его использование в конструкции электроэффлювиальной люстры (ЭЛ), которая предназначена для получения потока отрицательных ионов, оказывающих благоприятное воздействие на дыхательные пути человека.
Для получения высокого отрицательного потенциала для излучающей части генератора аэроионов использован УН с отрицательным выходным напряжением. Из-за достаточно большого объема вспомогательной информации рекомендации по конструкции и применению ЭЛ выходят за рамки настоящей статьи, поэтому ЭЛ упомянута только информативно.
Генератор с удвоением напряжения на выоде
На рисунке 4 показан генератор с выходным каскадом, в котором осуществляется удвоение выходного напряжения. При закрытом транзисторе VT3 к светодиоду приложено только небольшое по величине напряжение питания.
Электрическое сопротивление светодиода велико в силу ярко выраженной нелинейности ВАХ и намного превышает сопротивление резистора R6. Поэтому конденсатор С2 оказывается подключенным к источнику питания через резисторы R5 и R6.

Рис. 4. Схема низковольтного преобразователя с удвоением выходного напряжения.
Хотя вместо германиевого диода использован резистор R6, принцип работы удвоителя напряжения остается тем же: заряд конденсатора С2 при закрытом транзисторе VT3 через резисторы R5 и R6 с последующим подключением заряженного конденсатора последовательно с источником питания.
При приложении удвоенного таким образом напряжения динамическое сопротивление светодиода на более крутом участке ВАХ становится на время разряда конденсатора порядка 100 Ом и менее, что намного ниже сопротивления шунтирующего конденсатор резистора R6.
Расширить рабочий диапазон питающих напряжений (от 0,8 до 6 В) позволяет использование резистора R6 вместо германиевого диода. Если бы в схеме стоял германиевый диод, напряжение питания устройства было бы ограничено величиной 1,6…1,8 В.
При дальнейшем увеличении напряжения питания ток через светодиод и германиевый диод вырос бы до неприемлемо высокой величины и произошло бы их необратимое повреждение.
Практические схемы УН для КВ и УКВ
Радиолюбителям-коротковолновикам, занимающимся самостоятельным изготовлением радиоаппаратуры, знакома проблема изготовления хорошего силового трансформатора для выходного каскада передатчика или трансивера.
Эту проблему поможет решить схема, показанная на рис.2. Достоинством практической реализации является использование готового, не дефицитного в связи с уходом старой техники, силового трансформатора (СТ) от унифицированного лампового телевизора (УЛТ) второго класса, который можно использовать в качестве силового трансформатора для питания усилителя мощности (УМ) радиостанции 3 категории.
Рекомендуемое техническое решение позволяет получить от СТ все необходимые выходные напряжения для УМ без каких либо доработок. СТ выполнен на сердечнике типа ПЛ, все обмотки конструктивно выполнены симметрично и имеют по половине витков на каждой из двух катушек.
Такой СТ удобен как для получения необходимого анодного напряжения, так и напряжения накала, т.к. допускает использование в качестве выходной в УМ как лампы с 6-вольтовым накалом (типа 6П45С), так и лампы (типа ГУ50) с 12-вольтовым накалом, для чего необходимо только соединить обмотки накала параллельно или последовательно. Применение же удвоителя позволит без затруднений получить напряжение 550…600 В при токе нагрузки порядка 150 мА.
Этот режим оптимален для получения линейной характеристики для лампы ГУ50 при работе на SSB. Соединив обмотки накала последовательно (используемые в ТВ для питания накала ламп и кинескопа) и применив УН по схеме рис.3, можно получить источник отрицательного напряжения смещения для управляющих сеток ламп (порядка минус 55.65 В).
В связи с небольшим током потребления по управляющей сетке, в качестве конденсаторов такого УН можно применить неполярные конденсаторы 0,5 мкФ на 100.200 В.
Эти же обмотки можно использовать и для получения напряжения коммутации режима «прием-передача». При построении выходного каскада с заземленной сеткой управляющая сетка подключается к источнику отрицательного напряжения (УН 55.65 В), катод подключается через дроссель (015 мм, n=24, ПЭВ-1 00,64 мм) к -300 В, а на анод подается +300 В, напряжение возбуждения подается на катод через конденсатор .
Можно подключить управляющую сетку непосредственно к -300 В, катод подсоединяется к -300 В через две параллельно соединенных цепочки, каждая из которых состоит из стабилитрона Д815А и 2-ваттного резистора 3,9 Ом . Напряжение возбуждения в этом случае подается на катод через широкополосный трансформатор.
Если выходной каскад УМ выполнен по схеме с общим катодом, то на анод подается +600 В, а на экранную сетку +300 В с точки соединения С1, С2, С3, С4 (выход -300 В соединен с «общим» проводом RXTX), что позволяет избавиться от мощных гасящих резисторов в цепи экранной сетки, на которых бесполезно выделяется большая тепловая мощность. На управляющую сетку подается отрицательное смещение -55.65 В с упомянутого ранее УН.
Для уменьшения уровня пульсаций питающего напряжения в выпрямителе можно также использовать и штатные дроссели (L1, L2, рис.2) фильтра источника питания того же УЛТ типа ДР2ЛМ с индуктивностью первичной обмотки порядка 2 Гн. Намоточные данные СТ и ДР2ЛМ приведены в .
Принцип работы умножителя напряжения
Чтобы понять, как функционирует схема, лучше посмотреть работу так называемого универсального устройства. Здесь число каскадов точно не задано, а выходное электричество определяется формулой: n*Uin = Uout, где:
- n – количество присутствующих каскадов схемы;
- Uin – напряжение, подаваемое на вход устройства.
При начальном моменте времени, когда на схему приходит первая, допустим, положительная полуволна, диод входного каскада пропускает ее на свой конденсатор. Последний заряжается до амплитуды поступившего электричества. При второй отрицательной полуволне первый диод закрыт, а полупроводник второго каскада пускает ее к своему конденсатору, который также заряжается. Плюс к этому напряжение первого конденсатора, включенного последовательно со вторым, суммируется с последним и на выходе каскада получается уже удвоенное электричество.
На каждом последующем каскаде происходит то же самое – в этом принцип умножителя напряжения. И если просмотреть прогрессию до конца, то получается, что выходное электричество превосходит входное в энное количество раз. Но как и в трансформаторе, сила тока здесь будет уменьшаться при увеличении разности потенциалов – закон сохранения энергии также работает.
Удвоитель напряжения постоянного тока
Вместе с каналом “Обзоры посылок и самоделки от jakson” будем собирать схему. Автор видео ищет интересные применения микросхеме-таймеру NE 555, на раз это удвоитель напряжения. Это, пожалуй, одна из самых простых, доступных схем без использования трансформаторов, катушек, других деталей, которые порой трудно найти. Микросхема и другие радиодетали в этом китайском магазине.
Схема может увеличить напряжение постоянного тока с 12 до 24 V, но при этом есть один недостаток, ток не высокий, буквально до 50 мА. Понадобится подобный удвоитель напряжения только для устройств с малым потреблением. Но бывает еще одна его версия с использованием транзисторов, там уже ток будет повыше.
Схема удвоителя напряжения 12-24 вольта

Из деталей, которые понадобятся для сборки и пайки, это таймер NE 555, 2 резистора один на 15К, другой на 27 К, 2 неполярных конденсатора на 0,01 мкФ, 3 полярных конденсатора, 2 из которых имеют емкость 330 мкФ, один на 470 мкФ. Ну, последнее, это 2 диода, указано 1N4001, но на самом деле для сборки этой схемы подойдет, большинство других диодов.
Все детали, которые понадобятся, отставил в сторонку. Будем все собирать на макетной печатной плате. Сначала не совсем уверен в работоспособности, тем более в надежности этой схемы, поскольку брал ее из непроверенного источника. Но на данный момент единственный способ проверить – это ее собрать. Самому интересно будет ли она работать.
Рассмотрим как собирать подобные устройства, поскольку новички часто задают подобный вопрос в личных сообщениях, поэтому решил его разъяснить.

Начнем с того, что собирается все довольно-таки просто и, пожалуй, подобные схемы не намного сложнее каких-нибудь радиоконструкторов.
Все линии, примыкающие к деталям, к выводам, являются проводниками, они всегда параллельны или составляют между собой угол в 90 градусов, иначе быть не может. В местах их соединений используются точки, а там, где соединений нет, точки соответственно тоже не будет, то есть эти 2 проводника между собой не соединяются. Все детали в схеме имеют свое обозначение, отличаются по форме. Перечень всех маркировок вы сможете найти в интернете, они там все будут подписаны. Бывает так, что маркировка одной, той же детали в разных случаях может отличаться, поскольку это зависит от автора, от источника. Например, те же самые резисторы могут отличаться зигзагами, поэтому все детали подписаны, например R1, R2 это резисторы, C1, C2 – конденсаторы, VD1, VD2 – диоды. Указаны номиналы. Так устроены не все схемы. Бывает, что эти номиналы указаны в отдельной таблице. Но в любом случае, каждая будет подписана своей маркировкой, номером. Хотя бывает, что, этого нет. Но, в таком случае, у всех будет подписан номинал.
По поводу номиналов на примере резисторов, конденсаторов. Начнем с резисторов. Написано 15К. 15К – это 15 Кило, то есть буква «К» в конце обозначает «Килоом», если буквы «К» не будет – это «ом». В общем, все просто. Соответственно, 27К – 27 Килоом. Далее, конденсаторы. Уже немного сложнее. В нашем случае – это микрофарады, поскольку только они указываются с цифрой после запятой. Например, нанофарады, пикофарады так не указываются. Ну, также они обычно указываются буквами nf, pf, то есть нанофарады, пикофарады. Это то, что касается маркировки неполярных конденсаторов. А полярные конденсаторы всегда указываются в микрофарадах. По крайней мере, иного способа указаний ни разу не встречал. Хотя, возможно, в некоторых специфических схемах, используются большие величины. По крайней мере, пикофарады, нанофарады для обозначения полярных конденсаторов не используют.
Далее про полярности деталей. У некоторых она есть, у других нет. Например, у резисторов, неполярных конденсаторов полярности нет, то есть нет разницы – каким образом их устанавливать, куда какой вывод подсоединять, что не скажешь о полярных или как по-другому их называют электролитических конденсаторов, диодов. У этих деталей есть 2 разных вывода, один положительный, другой отрицательный. Например, в этой схеме у конденсаторов положительный вывод отмечен плюсом. Но опять же бывают другие, там маркировка немного отличается. Ну, соответственно другой контакт является отрицательным. А если ориентироваться по детали, например, если это новый конденсатор, то длинная ножка – это плюсовой контакт, короткая – минусовой. Или если деталь не новая, то проще будет ориентироваться по полоске со стороны минусового контакта. Такая белая полоска, ну, соответственно с минусом.
Умножитель напряжения ⋆ diodov.net

При изготовлении электронных устройств, в частности блоков питания, в некоторых случаях возникает необходимость иметь выпрямленное напряжение большей величины, чем на клеммах вторичной обмотке трансформатора или в розетке 220 В.
Например, после выпрямления сетевого напряжения 220 В на фильтрующем конденсаторе при очень малой нагрузке можно получить максимум амплитудное значение переменного напряжения 311 В. Следовательно конденсатор зарядится до указанного значения.
Однако применяя умножитель напряжения можно повысить его до 1000 В и более.
Удвоитель напряжения
Схема умножителя напряжения может выполняться в нескольких вариантах, одна принцип действия всех их заключается в следующем.
В разные полупериоды переменного тока происходит поочередно зарядка нескольких конденсаторов, а суммарное напряжение на них превышает амплитудное значение на обмотке.
Таким образом, за счет увеличения числа конденсаторов и, как далее будет видно, количества диодов, получают напряжение в несколько раз превышающее величину подведенного.
Теперь давайте рассмотрим конкретные примеры и схемные решения.
Пусть в начальный момент потенциалы на обмотке имеют такие знаки, что ток протекает от точки 1 к точке 2. Проследим дальнейший путь тока. Он протекает через конденсатор C2, заряжая его, и возвращается к обмотке через диод VD2.
В следующий полупериод ЭДС во вторичной обмотке направлена от точки 2 к 1 и через диод VD1 происходит зарядка конденсатора C1 до того же значения, что и С2.
Таким образом, за счет последовательного соединения двух конденсаторов C1 и C2 на сопротивлении нагрузки получается удвоенное напряжение.
Если измерить значение переменного напряжения на обмотке и постоянное на одном из конденсаторов, то они буде отличаться почти в 1,41 раза. Например при действующем значении на вторичной обмотке, равном 10 В, на конденсаторе будет приблизительно 14 В.
Это поясняется тем, что конденсатор заряжается до амплитудного, а не до действующего значения переменного напряжения. А амплитудное значения, как известно в 1,41 раза выше действующего.
К тому же мультиметром возможно измерить лишь действующие значения переменных величин.
Рассмотрим еще один вариант. Здесь для умножения напряжения используется несколько иной подход. Когда потенциал точки 2 выше потенциал т.1 под действием протекающего тока заряжается конденсатор С1, а цепь замыкается через VD2.
После изменения направления тока, вторичная обмотка W2 и конденсатор С1 можно представить, как два последовательно соединенные источника питания с равными значениями амплитуды, поэтому конденсатор С2 зарядится до их суммарного напряжения, т.е. на его обкладках оно будет в два раза больше, чем на выводах вторичной обмотки. Во время тога, как конденсатор С2 будет заряжаться, С1 наоборот, будет разряжаться. Затем все повторится снова.
Умножитель напряжения многократный
Процессы в схеме утроения напряжения протекают в такой последовательности: сначала заряжаются конденсаторы С1 и С3 через сопротивление R и соответствующие диоды VD1 и VD3. В следующий полупериод С2 через VD2 заряжается до удвоенного напряжения (С1 + обмотка) и на сопротивлении нагрузки получается утроенное значение.
Больший интерес имеет следующий умножитель напряжения. Рассмотрим принцип его работы. Когда потенциал точки 1 положителен относительно точки 2 ток протекает по пути через VD1 и С1 заряжая конденсатор.
В следующий полупериод, когда ток изменил свое направление, заряжается второй конденсатор через второй диод до величины, равного сумме напряжений на С1 и обмотке трансформатора. При этом С1 разрядится. В третий полупериод, когда первый конденсатор снова начнет заряжаться, С2 через третий диод разрядится на С3, зарядив его до двойного значения относительно выводов обмотки.
К концу третьего полупериода на нагрузку будет подано суммарное напряжение заряженных конденсаторов С1 и С3, т. е. примерно утроенное значение.
По аналогии с рассмотренными схемами могут быть построены схемы с большей кратностью умножения. Но следует помнить, что с увеличением числа умножений по причине большего содержание в схеме диодов и конденсаторов возрастает внутренне сопротивление выпрямителя, что приводит к дополнительной просадке напряжения.
Схемы с умножением напряжения применяются для питания малой нагрузки, т.е. сопротивление нагрузки должно быть высоким. В противном случае нужно использовать неполярные конденсаторы большой емкости, рассчитанные на высокое напряжение. Это связано с тем, что при значительном токе нагрузки конденсаторы будут быстро разряжаться, что вызовет недопустимо большие пульсации на нагрузке.
Последовательный многозвенный однополупериодный выпрямитель
Последовательный многозвенный однополупериодный выпрямитель (рис.3) с умножением напряжения чаще всего применяется при малых (до 10…15 мА) токах нагрузки.
Его схема состоит из однополупериодных выпрямителей — звеньев, в следующем алгоритме — одно звено (диод и конденсатор) — просто од-нополупериодный выпрямитель, состоящий из диода и конденсатора (выпрямителя и фильтра), два звена — умножитель напряжения в два раза, три — в три раза и т.д.
Величины емкости каждого звена в большинстве случаев одинаковы и зависят от частоты питающего УН напряжения и тока потребления .

Рис. 3. Схема многозвенного однополупериодного умножителя напряжения.
Конденсаторные установки крм
Физические процессы увеличения напряжения в многозвенном однополупериодном (рис.3) УН удобно рассматривать при подаче на него переменного синусоидального напряжения. Работает УН следующим образом.
При положительной полуволне напряжения на нижнем выводе вторичной обмотки Т1 через диод VD1 течет ток, заряжая конденсатор С1 до амплитудного значения.
При положительной полуволне питающего напряжения на нижнем выводе вторичной обмотки Т1 к аноду VD2 прикладываются сумма напряжений на вторичной обмотке и напряжение на конденсаторе С1; в результате чего через VD2 проходит ток, потенциал правой обкладки С2 относительно общего провода увеличивается до удвоенного входного напряжения и т.д. Отсюда следует, что чем больше звеньев, тем большее постоянное напряжение (теоретически) можно получить от УН.
Для правильного понимания образования и распределения потенциалов, возникающих на радиоэлементах при работе УН, предположим, что один входной импульс (ВИ) полностью заряжает конденсатор С1 (рис.3) до напряжения +U.
Представим второй положительный импульс, возникающий на верхнем выводе Т1 и поступающий на левую по схеме рис.3 обкладку С1 так же в виде заряженного до напряжения +U конденсатора (Си).
Их совместное соединение (рис.4) примет вид последовательно соединенных конденсаторов. Потенциал на С1 относительно общего провода увеличится до +2U, VD2 откроется, и до +2U зарядится конденсатор С2.

Рис. 4. Схема умножителя напряжения.
При появлении импульса величиной +U на нижнем выводе Т1 и суммировании его аналогичным образом с напряжением +2U на конденсаторе С2, через открывшийся VD3 на C3 появится напряжение +3U и т.д.
Снабберы, способные полностью подавлять пики напряжения
Из приводимых рассуждений можно сделать вывод, что величина напряжения относительно «общего» провода (рис.3) только на С1 будет равна амплитудному значению входного напряжения, т.е. +U, на всех же остальных конденсаторах умножителя напряжение будет ступенчато увеличиваться с шагом +2U.
Однако для правильного выбора рабочего напряжения используемых в УН конденсаторов имеет значение не напряжение на них относительно «общего» провода, а напряжение, приложенное к их собственным выводам. Это напряжение только на С1 равно +U, а для всех остальных оно независимо от ступени умножения равно +2U.
Теперь представим окончание времени действия импульса ВИ, как замыкание конденсатора Си (рис.4) перемычкой (S1). Очевидно, что в результате замыкания потенциал на аноде VD2 понизится до величины +U, а к катоду будет приложен потенциал 2U. Диод VD2 окажется закрытым обратным напряжением 2U-U=U.
Отсюда можно сделать вывод, что к каждому диоду УН относительно собственных электродов приложено обратное напряжение, не больше амплитудного значения импульса напряжения питания. Для выходного же напряжения УН все диоды включены последовательно.
Светотехника
Примером использования умножителя напряжения на четыре является схема для бесстартерного запуска ламы дневного света (ЛДС), показанная на рис.5, которая состоит из двух удвоителей напряжения, включенных последовательно по постоянному току и параллельно по переменному.
Рис. 5. Схема умножителя напряжения на четыре для бесстартерного запуска ламы дневного света.
Лампа зажигается без подогрева электродов. Пробой ионизированного промежутка «холодной» ЛДС происходит при достижении напряжения зажигания ЛДС на выходе УН. Поджиг ЛДС происходит практически мгновенно.
Зажженная лампа шунтирует своим низким входным сопротивлением высокое выходное сопротивление УН, конденсаторы которого в связи со своей малой величиной перестают функционировать как источники повышенного напряжения, а диоды начинают работать как обычные вентили.
2-обмоточный дроссель L1 (или два 1 -обмоточных) служит для сглаживания пульсаций выпрямленного напряжения. Падение напряжения питающей сети примерно равномерно распределяется на балластных конденсаторах С1, С2 и ЛДС, которые включены по переменному току последовательно, что соответствует нормальному рабочему режиму ЛДС.
При использовании в этой схеме ЛДС с диаметром цилиндрической части 36 мм зажигаются без каких-либо проблем, ЛДС с диаметром 26 мм зажигаются хуже, поскольку в связи с особенностями их конструкции напряжение зажигания даже новых ламп без подогрева накала может превышать 1200 В.





