Содержание
Основные параметры
Характеристики КРЕН12A, приведённые в технических описаниях (datasheet), стоит рассматривать с учётом максимальной рассеиваемой мощности устройства. В любых режимах работы не допускается её превышение, а для стабильной работы необходимо предусмотреть соответствующее охлаждение. Без использования радиатора предельная мощность ограничивается параметрами корпуса — обычно не превышает 1 Вт. Напряжение на входе микросхемы должно быть всегда больше, чем на выходе на 2-3 В.
Максимальные параметры
Приведём максимальные значения параметров для КРЕН12A:
- напряжение: на входе до 40 В; на выходе от 1.25 до 37 В;
- выходной ток 1.5 А;
- рассеиваемая мощность до 20 Вт;
- диапазон рабочих температур от 0 до +125 oC.
Не допускается превышать указанные значения.
Аналоги
У КРЕН12А есть отличные функциональные аналоги КР142ЕН12Б (до 1 А) и LM317T. Импортный по некоторым параметрам считается лучше отечественного. Возможно в связи с этим белорусский «Интеграл» в последнее время выпускает подобные устройства и с маркировкой «LM». Это обусловлено большой популярностью линейных стабилизаторов напряжения в мире, поэтому зарубежные производители все время совершенствуют их.
Как проверить работоспособность микросхем КРЕН
Микросхемы серии 142 имеют достаточно сложное устройство, поэтому мультиметром однозначно проверить её работоспособность невозможно. Единственный способ – собрать макет реального включения (на плате или навесным монтажом), который включает в себя, как минимум, входную и выходные ёмкости, подать на вход питание и проверить напряжение на выходе. Оно должно соответствовать паспортному.
Несмотря на доминирование на рынке микросхем зарубежного производства, приборы серии 142 удерживают свои позиции за счет качества изготовления и других потребительских свойств.
Источник
Характеристики
Предельно допустимые характеристики КР142ЕН5А, сильно зависят от температуры её корпуса (ТКОРП.) и приводятся в даташит производителей отдельно от остальных. Перечислим их:
максимальное напряжение на входе (UВХ.) до 15 В, при ТКОРП. = — 45 …+ 70 °C;
при ТКОРП. = — 45 …+ 100 °C:
- выходное напряжение (UВЫХ.) находится в диапазоне 4.9 … 5.1 В;
- рассеиваемая мощность (РМАКC.) без радиатора не более 1.5 Вт., с теплоотводом до 10 Вт;
- предельный выходной ток (при Р ≤ РМАКC.) IМАКC. до 1.5 А.
Электрические параметры
Кроме максимально допустимых значений у КР142ЕН5А есть электрические параметры. Они приводятся совместно с дополнительными условиями их измерения. Все значения в этом перечне справедливы только при условии температуры окружающей среды ТОКР. = + 25ОС.

Аналоги
Линейный стабилизатор напряжения КР142ЕН5А является аналогом зарубежных микросхем первого поколения серии LM7805, впервые представленных в 70-х годах американской компанией Fairchild Semiconductor. Это популярная импортная ИС из серии 78xx, так как имеет на выходе наиболее распространенные для питания различных приборов +5 В. Современными аналогами микросхемы являются: А7805Т, KIA7805, L7805CV, LM7805. Отечественную КР142ЕН5В можно так же рассмотреть в качестве полноценной замены.
Особенности маркировки
Не все экземпляры КР142ЕН5А имеют полную маркировку на корпусе. Вместо неё указывается условный код, по которому и узнают “кренку”. В этом случае на корпус наносится следующая информация: марка завода-изготовителя, тип микросхемы, год и неделя выпуска. 
Встречается так же и другое сокращенное обозначение данного устройства – КРЕН 5А.
Стабилизатор крен8б
В настоящее время интегральные стабилизаторы напряжения распространены достаточно широко. Источники питания с использованием таких стабилизаторов имеют небольшое количество дополнительных элементов, низкую стоимость и обладают отличными техническими характеристиками. Линейный стабилизатор крен8б – один из наиболее распространённых вариантов отечественного производства, являющийся аналогом импортных стабилизаторов линейки 78хх.

Действие стабилизатора
Стабилизатор кр1428б даёт возможность снабжения каждой платы сложного прибора отдельным стабилизирующим устройством и воспользоваться для его питания общим источником, не обеспеченным стабилизацией.
Поскольку поломка одного из стабилизаторов приводит к выходу из строя только подключенного к нему блока, это повышает общую надёжность устройств. Также такая схема подключения смогла решить проблему борьбы с помехами импульсного характера и наводками на длинные питающие провода.

Следует знать, что превышение значения тока, на которое рассчитано устройство, может повлечь за собой выход стабилизатора из строя. Однако современные стабилизаторы имеют защиту по току – в случае превышения максимальной нагрузки тока они просто отключаются.
К минусам линейных стабилизаторов можно отнести и сильный нагрев при повышенной нагрузке. Так повышение входного напряжения влечёт за собой перегрев стабилизатора. При разработке стабилизаторов крен8б эта проблема была решена обеспечением защиты по перегреву.

Технические характеристики:
- Стабилизатор кр1428б имеет следующие характеристики:
- допустимая величина выходного тока 1 Ампер;
- наличие внутренней термозащиты;
- защищённый выходной транзистор;
- отсутствие необходимости во внешних компонентах;
- внутренние ограничения токов короткого замыкания.
Применение
Применяться такой стабилизатор может в таких устройствах, как:
- в радиоэлектронных устройствах как источник питания логических систем;
- в устройствах воспроизведения высокого качества;
- в измерительных приборах.
При добавление в типовые схемы дополнительных элементов можно превратить стабилизатор из источника напряжения в источник с регулировкой как напряжения, так и тока.

Если длина соединительных проводов стабилизатора с фильтрующими конденсатами выпрямителя превышает 1 метр, тогда на его входе требуется установка электролитического конденсатора.

Выбор линейного стабилизатора крен1428б поможет решить проблему со стабилизацией напряжения в большом спектре радиоэлектронный и других устройств и продлит срок использования приборов.

Как сделать 12В стабилизатор
Простые, но при этом достаточно эффективные, надежные и долговечные стабилизирующие устройства можно сделать самостоятельно, используя при этом простые стабилитроны и специальные небольшие микросхемы типа LM317, LD1084, L7812, КРЕН (КР142ЕН8Б).
Стабилизатор на LM317
Процесс сборки такого стабилизирующего напряжение устройства состоит из следующих этапов:
- К среднему выходному контакту микросхемы припаивается 130 Ом сопротивление.
- К входному правому контакту припаивается проводник, подающий нестабилизированное напряжение от источника питания.
- Левый регулировочный контакт припаивается ко второй ножке резистора, установленного на выходе микросхемы.
Процесс пайки такого стабилизатора занимает не более 10 минут и с учетом недорогой микросхемы не требует больших капиталовложений. При помощи подобного устройства запитывают светодиодные фонари, ленты.

Микросхема LD1084
Схема подключения
Сборка устройства для стабилизации напряжения автомобильной бортовой сети с использованием микросхемы LD1084 производится следующим образом:
- К входному контакту микросхемы припаивается проводник с плюсовым напряжением от диодного моста.
- К регулировочному контакту припаивается эмиттер биполярного транзистора, базу которого через два резистора номиналом 1 кОм питает ток ближнего и дальнего света фар.
- К контакту выхода припаивается два резистора (один — обычный на 120 Ом, а второй — подстроечный, на 4,7кОм) и электролитический конденсатор на 10 мкФ.
Стабилизатор на диодах и плате L7812
Схема стабилизатора 12 В для светодиодов на плате L7812
Простой интегральный выравниватель на диоде Шоттки и двух конденсаторах собирают следующим образом:
- К входному контакту микросхемы припаивается: диод типа 1N4007, анод которого при помощи провода соединяется с плюсом источника питания, плюсовая обкладка мощного 16-ти вольтного электролитического конденсатора емкостью 330 мкФ.
- К правому выходному контакту припаивается нагрузка и ножка плюсовой обкладки 16-ти вольтного электролитического конденсатора на 100 мкФ.
- К среднему регулировочному контакту припаивается минус, идущий от батареи, и провод от минусовых обкладок конденсаторов.
От такого простого устройства можно запитывать мощные ленты из светодиодов и магнитолу.
Самый простой стабилизатор — плата КРЕН
Стабилизатор на микросхеме КРЕН
Схема стабилизатор напряжения на 12 вольт на основе платы крен (КР142ЕН8Б) включает в себя следующие компоненты:
- Припаянный к входному контакту выпрямляющий диод типа 1N4007.
- Микросхему КР142ЕН8Б либо KIA7812A.
- Два провода, припаянные к выходному и регулировочному контакту микросхемы и соединенные с нагрузкой и минусом источника питания.
Параметры микросхем LM-317
Кроме электрических качественных показателей, у сборки есть физические и защитные характеристики. К ним относятся следующие пункты:
- тип корпуса – TO-220, TO-220FP, TO-3, D2PAK, SOT-23;
- вид материала, из которого корпус изготовлен, – пластмасса;
- защита от КЗ – ISCCL (Internal Short-Circuit Current Limiting);
- TOP (Thermal Overload Protection) – защищённость по тепловым перегрузкам;
- контроль над максимальной мощностью рассеивания OS-AC (Output Safe-Area Compensation).
Внимание! Расположенные внутри ИМС датчики следят за установленным тепловым ограничением и при превышении максимальной рассеиваемой мощности отключают микросхему
Стабилизаторы КРЕН 142, схема КРЕН, микросхемы КРЕН, стабилизатор напряжения КРЕН, КР142ЕН
Чтобы подогнать показания измерительной головки , последовательно ей подключают подстроечный резистор можно многооборотный , и с помощью него подгоняют показания относительно эталонного амперметра, включенного последовательно с нагрузкой. Это значительно повысило надежность таких устройств выход из строя одного СН приводит к отказу только того блока, который к нему подключен , во многом сняло проблему борьбы с наводками на длинные провода питания и импульсными помехами, порожденными переходными процессами в этих цепях. Поскольку поломка одного из стабилизаторов приводит к выходу из строя только подключенного к нему блока, это повышает общую надёжность устройств. Такого тока в большинстве случаев достаточно для вывода из строя не только регулирующего транзистора, но и нагрузки.
Крен 12 вольт Стабилизатор напряжения крен 12 вольт, расположенный в блоке питания, является немаловажным узлом радиоэлектронной техники.
Стабилизатор тока можно получить, включив микросхему, как показано на рис. Это может быть бытовая и измерительная техника, радиоэлектронная аппаратура и прочие конструкции.
Технические характеристики К основным характеристикам стабилизатора крен 12 вольт относятся: отсутствие необходимости в дополнительных внешних компонентах; наличие внутренней системы термозащиты; присутствие защитной схемы выходного транзистора; внутренние ограничители тока коротких замыканий; лёгкость и малые габариты.
Применение Стабилизаторы на 12В широко используются в схемах электронных устройств как составляющие источников их электропитания. Если длина соединительных проводов стабилизатора с фильтрующими конденсатами выпрямителя превышает 1 метр, тогда на его входе требуется установка электролитического конденсатора.
При этом напряжение на выводе 8 микросхемы DA1 близко к 0.
СН, защищенный от повреждения разрядным током конденсаторов.
Посылка из Китая L7812cv
Климатические условия
Большинство рыночных стабилизатором рассчитаны на работу при температуре от 5 до 35 градусов тепла по Цельсию. Относительная влажность воздуха должна быть в пределах 35-90%. В атмосфере должны отсутствовать водяные брызги, пыль и тому подобное. Если это не предоставляется возможным, используют специальные корпуса. Хотя по отношению к температуре необходимо сказать, что самые передовые образцы могут выдерживать диапазон с -40 до +40 градусов, что смотрится весьма недурно в наших погодных условиях. Но благодаря нагреву самой машины можно использовать и самые распространённые модели, хотя в случае с ними могут быть определённые проблемы с быстрым запуском (возможно, перед активацией придётся подождать).
Типовая схема включения КР142ен5а
Стабилизатор серии КР142ен5а с постоянным положительным напряжением на выходе в 5 В имеет широкое применение в самых различных электронных приборах. Сфера его использования – в качестве источника питания для логических систем, аппаратов высокоточного воспроизведения и других радиоэлектронных приборов. Электрическая схема КР142ЕН5А показана на рисунке ниже.

Емкости С1, С2 играют корректирующую роль. С2 предназначена для сглаживания пульсации, а С1 – для защиты от вероятного высокочастотного возбуждения микросхемы. Ток нагрузки стабилизатора рассчитан до 2 А.
Если добавить в схему вспомогательные детали можно преобразовать её в источник с регулированием напряжения. При удалённом расположении КРЕН 142 (с длиной соединительных проводов один метр и более) от фильтрующих конденсаторов выпрямителя, к его входу следует присоединить конденсатор. Для регулирования напряжения на выходе используется внешний делитель. Для правильной работы устройства потребуется применение дополнительного радиатора. Эти модели являются аналогами импортных регуляторов серии 78xx.
Цоколевка и схема включения
Микросхема КР142ен5а рассчитана на максимальный ток 5 А, и она может его обеспечить. Но превышение тока грозит выходом устройства из строя. Ниже приводится вариант включения микросхемы. Разрешается производить монтаж микросхемы два раза, демонтаж один раз.

Крепёж схемы к печатной плате выполняется методом распайки выводов корпуса, см. цоколевку микросхемы на рисунке.

Характеристики стабилизатора
Микросхема кр142ен5а представляет собой стабилизатор компенсационного типа с регулируемым выходным напряжением положительной полярности.
- защита от перегрева;
- ограничение по току КЗ;
- масса не более 1,4 г;
- габариты 14,48х15,75 мм.
Предельные значения параметров режима эксплуатации и условий окружающей среды:
- Температура хранения -55 … +150 С;
- Температур кристалла в рабочем режиме -45 … +125 С.
Источник
Крен 12 вольт
Стабилизатор напряжения крен 12 вольт, расположенный в блоке питания, является немаловажным узлом радиоэлектронной техники. Не так давно подобные узлы были основаны на стабилитронах и транзисторах, на смену которым пришли специализированные микросхемы.
Плюсами таких схем стали способность в широких диапазонах выходного тока и выходного напряжения, а также присутствие системы, защищающей от перегрузок по электрическому току и перегревания – при превышении допустимого температурного значения кристалла микросхемы производится остановка тока на выходе.
Технические характеристики

К основным характеристикам стабилизатора крен 12 вольт относятся:
- отсутствие необходимости в дополнительных внешних компонентах;
- наличие внутренней системы термозащиты;
- присутствие защитной схемы выходного транзистора;
- внутренние ограничители тока коротких замыканий;
- лёгкость и малые габариты.
Выходной ток в стабилизирующих устройствах крен 12 может быть 1 или 1,5 А, максимальное напряжение – 30 или 35 В. Разность входного напряжения с выходным в таких стабилизаторах всегда одинакова и составляет 2,5 В.
КР142ЕН12А

Стабилизатор КР142ЕН12А и его аналог LM317 являются регулируемыми стабилизирующими устройствами компенсационного типа. Работают они с внешним разделителем напряжения в элементе измерения, что позволяет регулирование напряжения на выходе в диапазоне 1,3 В – 37 В.
Элемент регулирования находится в плюсовом проводе питания. Предел тока нагрузки не превышает 1 А.
Данные стабилизаторы считаются самыми «высоковольтными» в линейке К142, обладают высокой стойкостью к импульсным мощностным перегрузкам. Также они имеют систему, защищающую от перегрузок по току на выходе.

Прибор защищается пластмассовым корпусом, с вмонтированным удлинённым фланцем для теплоотведения. Массы подобных приборов не превышает 2,5 г.
Применение
Стабилизаторы на 12В широко используются в схемах электронных устройств как составляющие источников их электропитания. Это может быть бытовая и измерительная техника, радиоэлектронная аппаратура и прочие конструкции.
Также эти стабилизаторы используются автолюбителями при необходимости ограничения тока заряда аккумулятора, проверки источника питания, установке LED-лент в автомобильные фары во избежание частого сгорания светодиодов.
Простота схемного решения стабилизатора делает его лёгким в использовании даже для обычного обывателя, не обладающего специальными знаниями.
Стабилизатор напряжения 12 Вольт
В ситуациях, когда использование полноценного блока питания на 12 Вольт бессмысленно, гораздо проще понизить основное напряжение схемы локально в какой-то её части, используется интегральный стабилизатор напряжения 12 Вольт. Такие стабилизаторы производятся на основе отечественной серии КР142ЕН или популярных микросхемах линейки 78ХХ.
Такие стабилизаторы обеспечены защитами по току и перегреву, что делает блоки питания с их использованием практически неуязвимыми. Данные свойства делают стабилизатор полезным для целого ряда электронных устройств:
- бытовые электроприборы;
- измерительная, лабораторная техника;
- радиоэлектроника и пр.
Стабилизатор обладает такими характеристиками, как наличие внутренней системы терморегуляции, схемы защиты выходного транзистора, самозащита от импульсов коротких замыканий. Ток прибора на выходе равняется 1 А – 1,5 А, наибольшее значение напряжения 30 — 35 В.

Контакты микросхемы
Изготовляется в универсальном транзисторном корпусе, позволяющем размещать его на плате или теплоотводе. Наиболее распространённая модель LM317 встречается в корпусе TO-220 с буквой «Т» в конце маркировки. Буква «t» обозначает тип корпуса.

Цоколевка стабилизатора LM317 производится по трем контактам. Если смотреть на устройство спереди, то первый контакт слева (Adj) — это регулируемый вывод, средний (Vout) – выход и последний справа (Vin) — вход.
- Vin — это вывод, на него подается входное напряжение, которое нужно регулировать. Например, на него может подаваться 12 В, которое устройство будет понижать до 10 В на Vout.
- Vout — это вывод, на который выводится напряжение. Поверхность радиатора соединена с этим выводом микросхемы.
- Регулируемый (Adj) — это вывод, который позволяет регулировать выходное напряжение через подстрочный резистор.
Встречается в различных видов корпусов.

Номера контактов разных типов корпусов микросхемы.

Технические характеристики
В блоках питания от сети 220В линейный стабилизатор обычно устанавливается сразу после выпрямительного диодного моста, где выполняет свою основную роль источника вторичного электропитания (ИВЭП). Рекомендуемая производителями величина входного напряжения у КРЕН8Б находится в диапазоне 14,5 … 18 В. В любом случае, должно быть на 2,5-3 В больше от опорного.
Максимальные параметры
Изготовителями заявлены следующие максимальные параметры КР142ЕН8Б, при температуре корпуса (ТК) от -45 до +70оС, если не указано иного:
- входное напряжение (при ТК от -45 до +100оС) — до 30 В;
- мощность рассеивания – до 1,5 Вт; до 8 Вт (c теплоотводом);
- ток в нагрузке – до 1500 мА (c использованием теплоотвода).
Электрические параметры
Если ток в нагрузке будет более 100 мА, то рекомендуется применение теплоотвода. На практике его величина может достигать 900 мА, что на много меньше значения заявленного отдельными производителями в даташит, но вполне достаточного для большинства современных слаботочных систем. Сведения о электрических параметрах КРЕН8Б, при температуре окружающей среды +25оС, представлены в таблице ниже.
Типовое включение
Устойчивая работа электронных приборов обеспечивается стабильностью поданного на них электропитания. Отсюда и возникает потребность в его выравнивании до необходимого уровня. Превышение или снижение питающих значений недопустимо, так как приводит к неисправности в работе оборудования. Самый очевидный способ — использовать популярную отечественную микросхему из серии КР142.
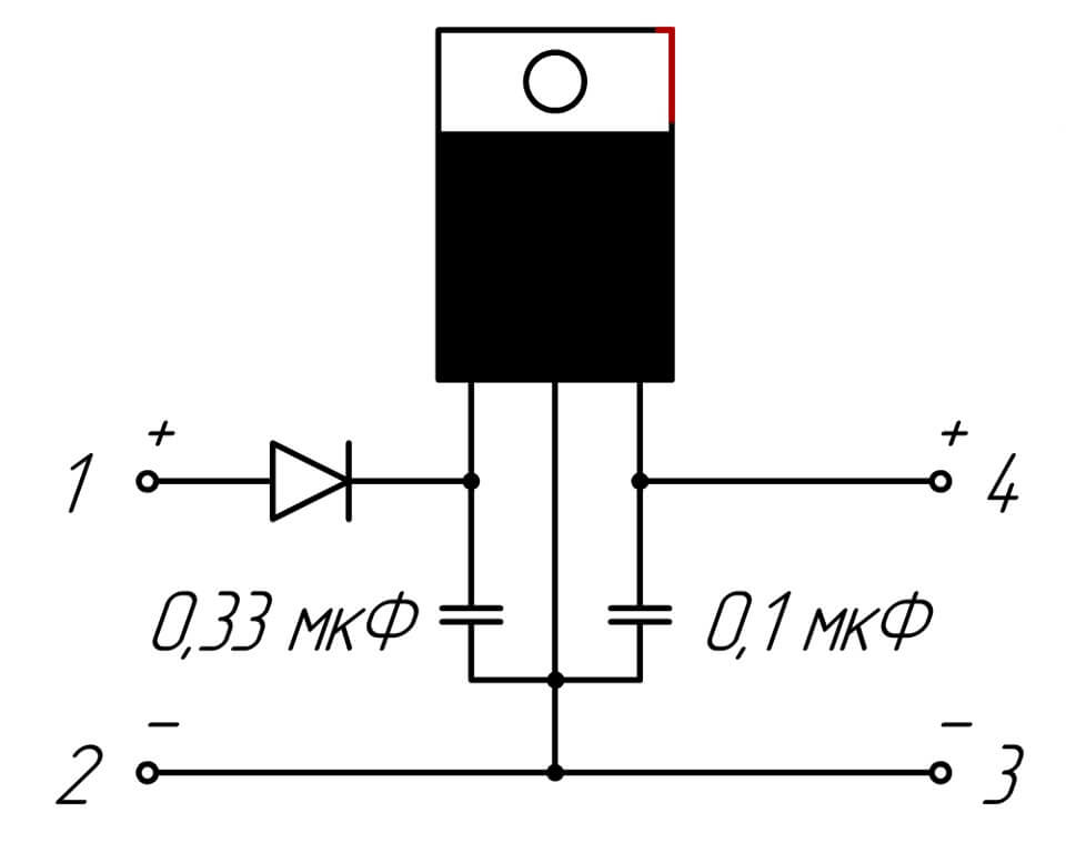
КР142ЕН8Б является одним из линейных стабилизаторов указанной серии. Его типовая схема подключения очень простая и подходит для всех КР142ЕН. Она включает в себя саму КРЕНку (еще одно неофициальное название 142ЕН8Б) и пару сглаживающих конденсаторов. В даташит рекомендовано применение небольших ёмкостей с величиной 0,33 и 1,0 мкФ. Обычно используют керамические или танталовые версии.
Если для проекта выбраны алюминиевые электролитические конденсаторы, то они должны быть не менее 10 мкФ. Их лучше подсоединять как можно ближе к выводам микросхемы. Многие радиолюбители делают это навесным монтажом, спаивая ножки радиоэлементов между собой.
Виды стабилизаторов
Широко примененяются в электронике два типа интегральных стабилизаторов:
- полупроводниковый (твердотельный);
- гибридно-плёночный (с элементами изготовленными из плёнок).

Полупроводниковые стабилизаторы, в свою очередь, подразделяются ещё на несколько групп:
- имеющие регулируемое напряжение на выходе – требуют подключения дополнительных элементов;
- обладающие фиксированным напряжением, подаваемым на выход – являются готовым к эксплуатации изделием, не требующим необходимости дополнительных включений в схему;
- двуполярные – используются для приборов, требующих двуполярного напряжения на выходе.
Целесообразность использования LT 1083/84/85
В схеме стабилизатора напряжения на 12 вольт может быть разная ИМС. В зависимости от серии микросхемы, условия для её работы разнятся. Микросборки серии LT 1083/84/85 можно применять для изготовления стабилизатора на такое напряжение.
К сведению. Ток на выходе LT 1083 может достигать 7 А, на LT 1084 и LT 1085 допустимые токи нагрузки – 5 А и 3 А, соответственно.
Конструкторы для радиолюбителей, поставляемые из Китая, предлагают самостоятельно собрать схему простого блока питания на подобной платформе стабилизаторов.
Стабилизатор, входящий в данную схему, выдаёт на выходе ток до 7,4 А. Резистор R2, позволяющий изменять величину выходного напряжения, можно заменить постоянным, подобрав его значение так, чтобы U на выходе было равно 12 В. Диоды подбираются на напряжение не менее 50 В и ток не менее 12 А.
Внимание! СН на этой микросхеме требует разницы напряжения между входом и выходом не менее 1,5 В. При выполнении этого условия ИМС будет выдавать стабильное напряжение. При этом она имеет тепловую защиту и защиту от превышения значения выходного тока
При этом она имеет тепловую защиту и защиту от превышения значения выходного тока.
Светодиодная лампа на 220 вольт GL5.5 с импульсным драйвером на микросхеме BP3122
Сначала о драйвере. Микросхема BP3122 специально разработана для светодиодного освещения и является высокоэффективной микросхемой импульсного источника питания с встроенными полевыми транзисторами (650V), что сводит к минимуму количество внешних элементов, позволяет уменьшить размеры платы и, соответственно, стоимость драйвера.
Стабилизация тока через светодиоды реализована без оптопары, цепи обратной связи на TL431 и вспомогательной обмотки трансформатора. Вместе с тем минимизировано количество внешних компонентов. Пусковой ток составляет 60 мкА . Конденсатор в цепи питания VCC заряжается через
пусковой резистор при включении. Как только напряжение VCC достигнет пускового порога,
BP3122 начнет вырабатывать импульсы. Напряжение питания микросхемы стабилизирует внутренний стабилизатор на 15V. Сверхнизкий ток потребления микросхемы не требует наличия вспомогательной обмотки на трансформаторе для питания микросхемы.
Для стабилизации выходного тока через светодиоды к выводу SC подключается внешний резистор, через который протекает ток выходного полевого транзистора. Падение напряжения на резисторе сравнивается на компараторе с внутренним источником опорного напряжения 500 мВ
Таким образом изменяется скважность импульсов и поддерживается постоянный ток через светодиоды с точностью плюс/минус 5%
Рекомендуемая выходная мощность микросхемы не более 5 Вт, а стабилизация выходного тока поддерживается в диапазоне входных напряжений переменного тока от 85 до 265 вольт. Максимальная частота переключения при нормальной работе составляет 65 – 70 кГц. В микросхеме реализованы: защита от короткого замыкания, защита от перенапряжения, защита от перегрева (порог 150 ℃ с гистерезисом 25 ℃) и другие. Если неисправность устранена, система восстановится и начнет нормально работать.
Внимание! Соблюдайте правила электробезопасности. Электротравмы, могут быть смертельными, а неправильный ремонт пожароопасным. Теперь, собственно, о лампе GL5.5 – E27
Срок службы, продекларированный производителем, 50 000 часов. Гарантию в магазине дали на пол года. А на традиционные энергосберегающие дают год
Теперь, собственно, о лампе GL5.5 – E27. Срок службы, продекларированный производителем, 50 000 часов. Гарантию в магазине дали на пол года. А на традиционные энергосберегающие дают год.
Китайские производители не оговаривают снижение яркости в процессе эксплуатации, а оно может достигать 50% и более в течение 1-2 лет и зависит от степени превышения номинальных режимов светодиодов. А цена у таких ламп пока-что, как у «вечных», хотя качественные диодные лампы стоят в разы дороже. Лампа будет светить, возможно, и 20 лет, но вы ее замените гораздо раньше, т.к. свет этот будет со временем все тусклее и тусклее. А причина простая, чтобы получить хорошую яркость дешевые светодиоды загоняют в жесткий режим. Нагрев таких светодиодов более 50 градусов даже на радиаторе, то есть они подвержены ускоренной деградации.
На выходе драйвера лампы GL5.5 установлены две параллельные цепочки из трех последовательно включенных светодиодов. Вместо предохранителя установлен резистор 2,2 Ом. При входном напряжении сети переменного тока 236 вольт напряжение на светодиодах составило 9,37 вольта постоянного тока. Ток через диоды – 250 мА. Получаем мощность около 2,5 Вт, до 50% которой уходит на нагрев светодиодов.
Все шесть светодиодов установлены на очень тонкой плате, приклеенной к алюминиевой пластине, которая крепится к алюминиевому радиатору с помощью двух винтов. В пластмассовой части лампы имеются вентиляционные отверстия.
Схема драйвера собрана на печатной плате с двухсторонним монтажом элементов. При включении лампы наблюдается задержка 0.5-1 сек до начала свечения. Стеклянный плафон рассеивает свет, а без плафона свет направленный и более яркий. Исходя из этого сравнение диодных ламп и ламп накаливания очень условно, но данную лампу можно приравнять к 40 ваттной лампе накаливания по силе света. Количество светодиодов и их размеры как в светильнике на 3 Вт, но они более мощные.
Напряжение на светодиоде
Схема светодиодной лампы на 220в
Лампа ЭРА А65 13Вт
Как паять светодиодную ленту
Светодиодная лента на 220 в
Простое зарядное устройство
Разрядное устройство для автомобильного аккумулятора
Схема драйвера светодиодов на 220
Подсветка для кухни из ленты
Подсветка рабочей зоны кухни
LED лампа Selecta g9 220v 5w
Светодиодная лампа ASD LED-A60
Схема светодиодной ленты
Простой цифровой термометр своими руками с датчиком на LM35
Общедомовой учет тепла
Какие существуют аналоги
Для некоторых приборов серии 142 существуют полные зарубежные аналоги:
Полный аналог означает, что микросхемы совпадают по электрическим характеристикам, по корпусу и расположению выводов. Но существуют еще и функциональные аналоги, которые во многих случаях замещают проектную микросхему. Так, 142ЕН5А в планарном корпусе не является полным аналогом 7805, но по характеристикам ей соответствует. Поэтому, если есть возможность установить один корпус вместо другого, то такая замена не ухудшит качество работы всего устройства.
Другая ситуация – КРЕН8Г в «транзисторном» исполнении не считается аналогом 7809 из-за того, что имеет меньший ток стабилизации (1 ампер против 1,5). Если это не критично и фактический потребляемый ток по цепи питания меньше 1 А (с запасом), то смело можно менять LM7809 на КР142ЕН8Г. И в каждом конкретном случае всегда надо прибегать к помощи справочника – зачастую можно подобрать что-то похожее по функционалу.
Конструкция и детали стабилизатора напряжения
В стабилизаторе напряжения можно применить постоянные резисторы МТ, МЛТ, ОМЛТ, С2-23, С2-33, подстроечный резистор СП5-16, СП5-2, СП5-3, СП5-2В, СП5-ЗВ, СП5-2ВА, СП5-ЗВА или как в СПО-05.
Конденсатор С1 — импортный фирм Jamicon, Samsung, Gloria, CapXon, остальные — плёночные К73-17 на напряжение 63 В.
Диоды 1N4148 можно заменить на КД522Б, КД510А, Д219А, Д223А, Д223Б, 1 N4001 — 1 N4007, диод КД209А — на КД212А, КД237А, КД213А.
Вместо транзистора КТ315Г можно использовать КТ315 А—КТЗ15В, КТ315Д—КТ315И, КТ3117А, а вместо КТ361Г — КТ361А— КТ361В, КТ361Д—КТ361И, КТ313А, КТ313Б.
Полевой транзистор RFP8P08 заменим на IRF5210, IRF6215, IRF9530, IRF9540, IRF9140.
Стабилитроны Д818Е можно заменить на Д818Д, КС191Д, КС 191Р, КС191Н, КС 191 У, КС191П, КС190В, КС190Г, КС190Д, а микросхему К561ТЛ1 — на К561ТЛ1 А, 564ТЛ1 или импортный аналог.
Вследствие простоты стабилизатор собран на отрезке макетной платы, который размещён в корпусе от реле-регулятора РН1. Возможно использование корпусов от регуляторов 12.3702, РН-2 . Плата закреплена на стойках. Мощный полевой транзистор VT3 необходимо установить через изолирующую теплопроводящую прокладку на основание корпуса, предварительно смазав поверхности теплопроводящей пастой.
Назначение выводов и принцип работы
По принципу работы все микросхемы серии относятся к линейным регуляторам. Это означает, что входное напряжение распределяется между регулирующим элементом (транзистором) стабилизатора и нагрузкой так, что на нагрузке падает напряжение, которое задается внутренними элементами микросхемы или внешними цепями.
Если входное напряжение увеличивается, транзистор прикрывается, если уменьшается – приоткрывается таким образом, чтобы на выходе напряжение оставалось постоянным. При изменении тока нагрузки стабилизатор отрабатывает так же, поддерживая неизменным напряжение нагрузки.
У этой схемы есть недостатки:
- Через регулирующий элемент постоянно протекает ток нагрузки, поэтому на нём постоянно рассеивается мощность P=Uрегулятора⋅Iнагрузки. Эта мощность расходуется впустую, и ограничивает КПД системы – он не может быть выше Uнагрузки/ Uрегулятора.
- Напряжение на входе должно превышать напряжение стабилизации.
Но простота применения, дешевизна прибора перевешивают недостатки, и в диапазоне рабочих токов до 3 А (и даже выше) что-то более сложное применять бессмысленно.
У регуляторов напряжения с фиксированным напряжением, а также у регулируемых стабилизаторов новых разработок (К142ЕН12, К142ЕН18) в трех- и четырехвыводном исполнении выводы обозначаются цифрами 17,8,2. Такое нелогичное сочетание выбрано, очевидно, для соответствия выводов с микросхемами в корпусах DIP. На самом деле такая «дремучая» маркировка сохранилась только в технической документации, а на схемах пользуются обозначениями выводов, соответствующим зарубежным аналогам.





