Содержание
Подготовка к работе, инструменты и оборудование
Прежде всего нужно тщательно взвесить, когда, где и для каких целей будет использоваться будущий квадроцикл — охоты и рыбалки, мотопрогулок на природе, перевозки грузов, других. Именно исходя из этого надо сделать выбор «донорского» ТС, определившись, насколько мощный нужен двигатель, какая подойдёт подвеска, какой багажник и др.
Чертежи можно взять из интернета готовые, составить с нуля самостоятельно либо совместить оба варианта и готовый переделать по своему усмотрению.
Список необходимых инструментов:
- сварочный аппарат;
- болгарка;
- дрель;
- набор ключей;
- различные мелкие орудия труда — штангенциркуль, молоток, нож, отвёртки, пассатижи и др.
Для самостоятельного изготовления рамы потребуется также оборудование для сгибания труб. При отсутствии можно арендовать его или отдать необходимые работы «на аутсорсинг» другому умельцу. Только при наличии недюжинной сноровки можно выгнуть трубы вручную, разогревая место загиба газовым резаком либо горелкой.
Комплектующие квадрика:
- двигатель;
- рама;
- задняя и передняя подвески;
- рулевое управление;
- тормозная система;
- система охлаждения;
- глушитель;
- электрооборудование — аккумулятор, фары;
- корпус, обвес.
Тормозную систему настоятельно рекомендуется приобрести либо совершенно новую, либо с ТС с кратчайшим сроком пробега. Использовать старые тормоза слишком опасно.
Глушитель вполне можно сделать самому. Всё остальное — приобрести на теневом рынке б/у деталей.
Двигатель
Силовую установку на квадроцикл, изготавливаемый в домашних условиях, берут от мотоциклов, автомобилей либо мотороллеров. Иногда в качестве основы используют даже мотор из мотоблока последнего поколения, мощность которого составляет до 15 л. с. Однако свою пользу имеет и применение двигателей, вынутых из мотороллеров, поскольку они позволяют экономить горючее. Квадроцикл, выполненный таким образом, очень легок. Его будет несложно вытянуть после застревания; эти достоинства изрядно омрачаются, впрочем, малой грузоподъемностью устройства.
Использование приводов от старых мотоциклов — тоже неплохая идея. Проблема в том, что на них не предусматривалось охлаждение. Это автоматически ставит крест на долгих летних поездках. Впрочем, охладительную систему иногда берут в готовом виде из ВАЗа и монтируют дополнительно. Хотя проще взять современный мотор марки Lifan.
Подвеска
На квадроциклы ставят как задние, так и передние подвески. Самым простым вариантом многие специалисты считают применение передней подвески от мотоцикла. Но поскольку это не всегда возможно, используют порой и заднюю от разных транспортных средств. Задний мост укорачивают сообразно габаритам; это решение позволяет воспользоваться дифференциалом. Однако конструкция существенно тяжелеет.
Рулевое управление и ходовая часть
Построение рулевой системы квадроцикла может вестись по мотоциклетной или по автомобильной схеме. Иногда даже комбинируются оба решения.
Вместо зубчатой пары правильнее поставить цепную передачу. Такой шаг позволит упростить техническое обслуживание и сделать его дешевле. Коробку передач желательно ставить механическую, чтобы была большая маневренность. Тем более что задние, низкие и высокие передачи на квадроцикле все равно придется менять вручную. Входные валы с КПП направляют четко на задний и передний мосты; колеса стараются брать от малолитражных автомобилей, с обуванием резиной подходящего типа.

Полный привод
Квадроциклы полноприводного типа могут иметь очень приличную проходимость, но только когда они оснащаются надежным, мощным мотором и шипованной резиной. Полный привод требует обязательно использовать рулевые механизмы от автомобиля. Дополнительно понадобятся механическая трансмиссия и дифференциалы. Типовая рама не годится, обязательно варят новую, учитывая объем мотора.
Изменения и необходимые детали
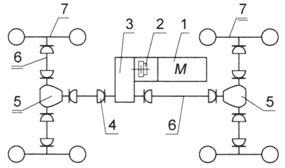
Так как двигатель в квадроцикле располагается продольно, выходные валы необходимо направить на передний и задний мост. Силовой агрегат, коробку перемены передач и корзину сцепления рекомендуется немного сместить относительно продольной оси симметрии влево, для уменьшения горизонтальных углов продольных шарнирных валов трансмиссии. Трансмиссию можно скомпоновать из запчастей любых отечественных автомобилей, но рекомендуется использовать разумные доработки. Например, из коробки передач необходимо удалить зубчатую пару и заменить её на цепную передачу. Межколёсные редукторы используются от вазовской «классики», можно заменить полуоси и «чулки» на валы от моделей с передним приводом. Рулевое управление можно использовать автомобильного типа – с рулевыми тягами или мотоциклетного типа – с рычагом и валом.
Окончание работы
Завершенная работа.
Панель позаимствована из автомобиля «ОКА».
Как сделать квадроцикл своими руками — задача трудная и ответственная, но посильная для мастера, отлично освоившего сварочное и токарное дело. Потраченные усилия и время окупаются не только большой экономией, но и полученным результатом — эксклюзивной, авторской моделью квадрика, которой больше ни у кого нет.
Особенности сборки самодельного транспортного средства сильно зависят от выбранной базы — двигателя и других элементов, которые используются мастером-умельцем.
6 лучших вариантов основы («донора») для задавшегося целью, как сделать квадроцикл.
- Мотоцикл «Урал».
- Мотоцикл «Иж».
- Мотороллер «Муравей».
- Другой мотороллер (скутер).
- Автомобиль «Нива».
- Автомобиль «Ока».
Чаще всего одни элементы конструкции берутся с мотоцикла, другие — с машины.
Помимо деталей (комплектующих) для квадрика его создателю понадобятся:
- сборочный «цех» — в этом качестве пригодится достаточно просторный гараж, снабжённый хорошим отоплением и освещением;
- набор оборудования и инструментов;
- чертежи.
Возможно, вас также заинтересует статья нашего специалиста, в которой рассказывается о том, как сделать .
Этапы превращения мотоблока в квадроцикл
Для простейшей конструкции квадроцикла особая переделка мотоблока не потребуется, главное – раздобыть подходящие для этой цели чертежи. Само превращения механизма в квадроцикл происходит в 3 этапа:
- Расширение колесной базы;
- Обустройство рамы;
- Установка подходящих по размеру колес.
Поскольку у всех стандартных моделей мотоблоков колеса находятся непосредственно под двигателем, то нужно их расширить. Специальные вставки, чтобы развести колеса, можно выточить на обычном токарном станке. Если же такой возможности нет, а колеса развести очень нужно, то можно пойти более простым, но и более затратным способом – приобрести в магазине специальные адаптеры для расширения колесной базы мотоблока.
Дальше для будущего квадроцикла нужно сделать надежную раму. Чаще всего при ее изготовлении за основу используется велосипедная или мотоциклетная рамы, но в случае необходимости можно ее сварить даже из обрезков водопроводных труб. В любом случае самодельная рама будет самым уязвимым узлом в будущем квадроцикле, поскольку после соединения с мотоблоком она неизбежно утяжелиться. Крепиться самодельная рама непосредственно к мотоблоку двумя шрифтами за поворотный шарнир.
На закуску остается постановка будущего вездехода на колеса. Сначала нужно определиться с дисками. Велосипеда здесь изобретать не нужно: лучшим вариантом будут автомобильные диски для резины с низким профилем, поскольку у них достаточно широкое ложе, и резиновая камера будет плотно прилегать к ним. А чтобы предохранить резину камеры от повреждения, между камерой и ободом лучше положить прокладку из плотной ткани.
С шинами на колеса тоже все просто: отлично подойдут камеры от колес больших грузовых машин. Камеры с низким давлением обеспечат механизму большую площадь сцепления с землей, вдобавок они при движении хорошо амортизируют, следовательно, при сборке квадроцикла можно обойтись без установки амортизаторов.
Единственный минус такого решения – сами по себе резиновые камеры очень непрочные, и без дополнительной защиты на них далеко не уедешь, тем более по бездорожью, где различные колючки, сучки и другие острые предметы встречаются на каждом шагу. Самый простой способ обеспечить камерам сносную защиту – обмотать их несколько раз брезентовым шлангом, зафиксировав в конце суперклеем.
Таким вот нехитрым способом можно из мотоблока своими руками сделать механизм, которому не нужна накатанная дорога и не страшны крутые склоны холмов и оврагов.
Самодельный квадроцикл с двигателем от ОКИ| 85 фото пошаговой сборки
Уважаемые посетители сайта «Самоделкин друг» сегодня мы с вами рассмотрим пошаговую инструкцию о том как самостоятельно собрать квадроцикл с двигателем от автомобиля ОКА своими руками. Автор и конструктор представленного квадроцикла Алексей Бразгин. По словам Алексея он давно мечтал собрать свой собственный квадроцикл, перед началом строительства машины просмотрел множество форумов, сайтов самоделкиных, от чего был приятно удивлен… богата Русь-Матушка Кулибинами)) смотрите раздел КВАДРОЦИКЛЫ И приступил к проектировке, сбору необходимых запчастей, узлов и агрегатов. В основном все детали взяты с отслуживших свой срок Отечественных автомобилей, так к примеру двигатель ОКА, элементы подвески ВАЗ, сателиты НИВА-214, гранаты ВАЗ-2109. Рама сварена из профтрубы с сечениями: 20х40, 20х25 и трубы на 20 для изготовления рычагов подвески. Шаровая от классики, пружины ОКА, сайлентблоки тоже классика 24 штуки. Приводные валы от ВАЗ 2109, электропроводка от скутера, диски R-15, резина «Форвард-сафари 540». Топливный бак так же самодельный сваренный Алексеем из листовой нержавеющей стали, вместимость бака 18 л. Кенгурятники передний и задний так же самодельные сварены из трубы.
Данный квадроцикл довольно мощный и с легкостью преодолевает любые преграды бездорожья, ямы, рвы, канавы с водой и без, крутые подъемы и спуски, глубокий и рыхлый снег, все этому зверю непочем)
Чтож, давайте перейдем к рассмотрению пошаговых фото сборки квадроцикла Алексея Бразгина.
Материалы
- двигатель ОКА
- элементы подвески ВАЗ
- проф труба 20х40 и 20х25
- труба 20 мм
- пружины ОКА
- амортизаторы классика
- диски R-15
- резина «Форвард-сафари 540»
- стекловолокно и эпоксидная смола
Инструменты
- сварочный инвертор
- УШМ (болгарка)
- дрель
- набор гаечных ключей
- краскопульт
- рулетка
- отвертка
Пошаговая инструкция по сборке квадроцикла с двигателем от автомобиля ОКА своими руками.



Первый квадроцикл


Все началось со сбора запчастей и прочего металлолома от Отечественного автопрома)











































































Самодельный квадроцикл 4х4 на базе ОКИ и другой техники

Представляем вам модель квадроцикла 4х4 с полным приводом, который предназначен покорять просторы бездорожья. Данная модель конструировалась путем сборки разнообразных узлов, агрегатов и деталей автомобильной техники разных производителей и марок — это и отечественные и иностранные модели. Квадроцикл собран на базе автосредства ОКА.
Технические характеристики собранной модели квадроцикла: -параметры ширины 1 м 55 см, базы 1 м 60 см;-параметры высоты от руля 1 м 30 см, от сиденья 90 см;-высота клиренса 43 см;-масса 390-410 кг;-поставлен двигатель от ОКА;-установлены редукторы осей от Мицубиси;-задние и передние поворотные кулаки и ступицы от Нивы;-использование привода от Нивы; -передние и задние подвески установлены на двойных рычагах; -в качестве упругих элементов использованы торсионы и пружины;-гидроусиление руля от Субару;-заблокированы межосевой и межколесный дифференциалы.
Поэтапная сборка квадроцикла

1. Варим диагональные распорки-усилители с рычагом. Труба Ф21х4.

2. подвеска имеет 4 рычага, на 1 рычаг по 2 = 16 единиц;
3. Токарные работы согласно чертежа переходника редуктора. Центровка и балансировка.
4. Сборка рычагов подвесок.
5. Использована рулевая рейка, в частности гидрораспределитель, от Тайоты, обточив шестерню, насаживаем кардан, вставляем в разрезе вала руля. Благодаря этому имеем жесткую связь.
6. Приваривается ухо. гидроцилиндр к сошке, располагая одну сторону к раме, а другую — к тяге.
7. Применение гидроусилителя без изменения конструкций.
8. Укорачиваем цилиндр для компактности до нужных размеров.
9. Настройка передней подвески, на очереди – упругие элементы.



10. Используем пружины с Урала в комплекте с амортизаторами, устанавливая на передней оси по 1 шт. на колесо.
11. Торсионная передняя и задняя подвески, и другие детали по чертежу.
12. Трансмиссия практически собрана, на очереди доработка внешнего каркаса.













Закончив, согласно чертежей конструкции, сборку, формируем и делаем дизайн. Очень интересная, но кропотливая и длительная работа.
Квадроцикл из оки своими руками
Силовым агрегатом для моего самодельного квадроцикла стал мотор от автомобиля «Ока» — 32-сильный, двухцилиндровый, четырёхтактный, жидкостного охлаждения. И если для автомобиля его мощности часто оказывалось маловато, то для квадроцикла должно было хватить с лихвой.
Рама машины — пространственная, сварная. Основные её элементы (две пары лонжеронов: верхняя и нижняя) выполнены из круглых труб типа ВГП-25 (водогазопроводных диаметром 25 мм с толщиной стенки 3,2 мм), вспомогательные (подкосы, поперечины и пр.) — из ВГТ-20. Лонжероны — гнутые: нижние в горизонтальной плоскости, верхние — в вертикальной. Изгибал трубы на трубогибе, «на холодную». Проушины (пары ушек) для крепления рычагов и амортизаторов подвески приваривал к раме сразу, а различные кронштейны — по мере монтажа узлов и агрегатов (по «месту»).
Трансмиссия вездехода — своеобразная. Хотя машина полноприводная, но раздаточной коробки в ней нет. Как известно, в «Оке» двигатель расположен поперёк, а на квадроцикле он установлен вдоль. Это позволило направить выходные валы из коробки перемены передач (КПП) не на правое и левое колесо (как в автомобиле), а на передний и задний мосты. Вот только сам силовой агрегат, сблокированный с «корзиной» сцепления и КПП, пришлось сдвинуть относительно продольной плоскости симметрии немного влево, чтобы уменьшить горизонтальный угол продольных шарнирных валов трансмиссии. Ну а их вертикальные углы оказались при этом незначительными.
Скомпонована трансмиссия из агрегатов различных отечественных автомобилей, в основном «вазовских» моделей. Но и готовые промышленные агрегаты тоже пришлось дорабатывать. Например, из КПП (от «Оки») для обеспечения оптимальной (уменьшенной) скорости и повышения крутящего момента удалил главную зубчатую пару и заменил её на цепную передачу. Шток переключения передач тоже сделал другой — удлинённый, с выпусками на обе стороны КПП. Шток может фиксироваться в трёх положениях: для включения 1-й и 2-й передач, 3-й и 4-й и задней. Рычаг выбора этих положений находится с правой стороны, а рычаг переключения скоростей — с левой.
Межколёсные редукторы — от задних мостов вазовской «классики», только их полуоси вместе с «чулками» удалены и заменены на валы со ШРУСами от переднеприводных моделей. ШРУСы в качестве шарниров использованы и в остальных промежуточных валах трасмиссии.
Пониженных передач и блокировки дифференциалов нет.
Рулевое управление — мотоциклетного типа (рычаг и вал) вверху и автомобильного типа (с рулевыми тягами) — внизу, только упрощённое, без рулевого механизма, с одной сошкой. Руль сначала использовал от мотоцикла «Минск», с диаметром трубы 22 мм, но он оказался немного тонковат. Позднее нашёл и поставил от мотоцикла «Урал». Рулевой вал — из трубы диаметром 20 мм и толщиной стенки 2,8 мм. На нижнем конце он имеет ограничитель хода. Внизу вал опирается на упорный подшипник, а в срединной части поворачивается в разъёмном капроновом кронштейне-втулке.
Сошка изготовлена из стального листа толщиной 8 мм по форме, напоминающей букву «Т». У края «стойки» выполнено отверстие диаметром 20 мм — в него вставлен и приварен рулевой вал, а в ушках — конические отверстия под шаровые наконечники рулевых тяг. Эти отверстия усилены подходящими приваренными шайбами. Ушки сошки немного загнуты вниз, чтобы они были почти параллельны тягам.
Колёса квадроцикла — 15-дюймовые, от автомобиля «Шевроле-Нива». Шины с соответствующим посадочным диаметром размерами 205/70 (ширина/ высота в процентах от ширины) с внедорожным рисунком протектора. Диаметр обкатки колеса — около 660 мм.
Подвески колёс — независимые, на двух треугольных поперечных рычагах каждое (верхнем и нижнем) с амортизаторами от автомобиля «Ока» (передними). Рычаги сварены из круглых труб типа ВГП-20. Упругие элементы (пружины) и амортизаторы — от автомобиля «Ока» (задние). В колёсные концы передних рычагов вварены ступицы колёс и поворотные кулаки — от автомобиля ВАЗ-2109. И те и другие пришлось доработать. В ступицах установил шпильки под колёса от «Нивы», а в передних кулаках — самодельные поворотные рычаги.
Глушитель — самодельный, двухсекционный. Для защиты от температурного коробления обвеса прикрыл его дистанционной крышкой, а входной патрубок изолировал асбестом.
Основные этапы работы над квадроциклом
Неплохой агрегат можно получить на базе мотоциклов советского выпуска. Например, если вы задумали создать квадроцикл из «Урала» своими руками можно условно разделить всю работу на четыре этапа:
- Модернизация рамы;
- Установка двигателя и трансмиссии;
- Оборудование подвески;
- Оснащение и установка приборной доски.
На первом этапе перработки «Урала» в квадроцикл вам придется поиграться с рамой. Хотя именно уральская рама наиболее подходящая для квадроциклов, она практически всегда остается без изменений, хотя это уже зависит от вашего чертежа. Чаще ее только обваривают системой для монтажа подвески.
Далее нужно подумать о задней подвеске и заднем мосте. Существует два решение этой проблемы. Первый – создание конструкции на базе родного кардана и редуктора. На выходе получится легкая конструкция без дифференциала. А второй варрант – конструкция на базе автомобильного моста. Но если вы не хотите иметь квадроцикл, шириной с автомобиль его придется укорачивать. Естественно, процесс не из легких, но вы получите дифференциал, которые не помешает на дорогах.
Но все же наиболее трудоемким процессом является создание передней подвески. Хотя сделать ее можно из чего угодно, ведь квадроцикл не имеет большого веса и поэтому надежные рычаги можно создать любого размера.
Квадроцикл из «Урала»: сборка
Перед началом работы разрабатывается чертеж, отображающий все детали, узлов и механизмы конструкции. Сначала из труб собирают раму при помощи сварки. Нужно контролировать, чтобы во всех участках конструкция была ровной. После этого к раме прикрепляется задняя и передняя ось.
После этого к металлическому каркасу прочно крепится двигатель, который может находиться как в передней, так и задней части конструкции. Мотор крепится при помощи болтов, которые нужно прочно затянуть ключом.
На задние колеса устанавливают трансмиссию с приводом. Этот элемент системы устанавливают сразу же после фиксации к раме мотора. Все соединения должны быть очень прочными, так как люфты недопустимы.
На последнем этапе монтируется руль, а за ним топливный бак. На посадочные места надевают колеса с дисками, а затем надевают шины. На задней оси устанавливается редуктор, с которым впоследствии соединяется двигатель. Нужно протянуть цепь от мотора к этой детали, после чего систему проверяют на работоспособность.
После этого уделяется внимание дизайну самодельного квадроцикла, устанавливается навесное оборудование, сидение, фары и прочее. Проводится электрическая система, проверяется качество ее работы
Мотоциклы, выпущенные ещё в советскую эпоху, уже считаются раритетом. Вряд ли какой-то из них он сможет заинтересовать в качестве транспортного средства. Музейный экспонат, не более того! Продается такая техника совсем дешево, чуть дороже металлолома. Несмотря на то, что старенький «конь» уже отслужил своё, пора, как говорится, на покой, но расставаться с ним не хочется. Знакомая ситуация? Часто у такого транспортного средства отсутствуют документы, далеко от дома на нем не уедешь – неприятности со стороны полиции гарантированы.
Не каждому придет в голову мысль о том, что старенький мотоцикл «Урал», пылящийся без дела в гараже, можно превратить в практичный агрегат. Такая самоделка из Урала не требует огромных денежных вложений, а вот определенный запас терпения и несколько часов свободного времени очень пригодятся.
Задняя подвеска
Первое, с чего нужно начать, это полная разборка мотоцикла. На начальном этапе нам понадобится только рама, без амортизаторов и руля. Как только Урал был разобран, необходимо определиться с типом подвески и найти соответствующие чертежи квадроцикла из Урала. В качестве подвески для квадроцикла можно использовать один из перечисленных вариантов:
- Жесткая подвеска, не имеющая амортизаторов
- Подвеска на амортизаторах с пружинами
- Подвеска на рессорах
Жесткая подвеска
Данный тип является наиболее простым в исполнении, так как не придется ставить дополнительные элементы подвески. Для изготовления жесткой подвески, не имеющей амортизаторов, нам необходимо удлинить раму. Для этого, при помощи болгарки отрезается задняя часть рамы, в том числе и маятниковая вилка, а затем к оставшейся части привариваются толстостенные трубки, диаметр которых должен составлять примерно ¾ дюйма. Остается лишь приварить мост, для чего желательно использовать укосины и косынки
Использование данных запчастей в конструкции квадроцикла, повышается надежность подвески, что крайне важно
На данном этапе работ стоит отметить, что на выходе с коробки передач мотоцикла Урал, получается обратное направление вращения, а, следовательно, перед установкой автомобильный мост нужно перевернуть. В противном случае, получится квадроцикл, который ездит не вперед, а назад.
Подвеска с амортизаторами
Такая подвеска более практична и комфортна, так как такие квадроциклы вряд ли будут использоваться для езды по ровным дорогам. Чтобы установить на будущий квадроцикл подвеску с амортизаторами, заднюю часть резать не придется. Также на месте остаются задний маятник и сайлент блоки. Процесс сборки начинается с приваривания моста к вилке. При этом, нужно обязательно с помощью широких косынок укрепить шов, который в противном случае, при эксплуатации просто вырвет.
В отличие от жесткой подвески, подвеска с амортизаторами требует применение полуоси от автомобиля, например, от ВАЗ 2108 или Оки. Карданный вал будет здесь не уместен только потому, что его крестовины технически не смогут передать крутящий момент под большим углом. Что касается пружин, то в большинстве чертежей квадроцикла из Урала, они остаются на прежнем месте.
Подвеска на рессорах
Такой тип подвески на самодельных квадроциклах встречается редко, и уместен лишь в том случае, если на квадроцикле планируется перевозить что-то тяжелое, а вдобавок ко всему будет использоваться кузов.
В первую очередь варится рама кузова. В связи с тем, что на нее пойдет большая нагрузка, рама должна быть сварена из толстостенных квадратных труб. Отлично подойдет сечение 70×40. По ширине рама должна соответствовать размерам моста, а по длине быть не короче рессоры. После того, как получился готовый кузов, остается приварить его к раме квадроцикла. Для этого нужно использовать укосины, тем самым обеспечивая высокую жесткость конструкции.
Вполне логично, что база квадроцикла с подвеской на рессорах будет гораздо больше, чем вышеперечисленные варианты, ввиду того, что задний мост расположен дальше. Однако это дает некое преимущество – можно использовать карданный вал от автомобиля, но он должен быть укороченным. Затем остается подсоединить один конец кардана к коробке передач, при помощи резиновой муфты, а другой – к мосту, через крестовину шарнира.
Как сделать квадроцикл своими руками на основе готовой рамы?
Необходимо снять с нее все лишнее, оставив только сам каркас. Задняя часть убирается, а спереди наращиваются трубы, и приваривается мост.
Далее берутся запчасти от автомобиля и дополнительные металлические трубы, оптимальным вариантом будут водопроводные. Для изготовления рамы под кузов понадобится труба 70х40. Ее длина должна равняться или быть больше длины рессоры, а ширина такая же, как у моста.
Кардан необходимо соединить с коробкой при помощи резиновой муфты, а с мостом – с помощью фланцев. Привод легко делается своими руками с помощью цепи от «ИЖа».
Если планируется установка пружин на амортизаторах, задний маятник желательно оставить с сайлентблоками.
После изготовления рамы на ней необходимо закрепить двигатель. Глушитель можно использовать самодельный.

Квадроцикл из Оки
Конструктор Сергей Плетнёв из Пермского края собрал квадроцикл на основе малолитражного автомобиля «Ока». На сборку у него ушёл год работы.
Основные комплектующие
- Руль от мотоцикла «Урал»;
- вазовские ШРУСы и межколёсные редукторы;
- 15-дюймовые передние и задние колёса от Niva Chevrolet;
- бензобак из 20-литровой канистры;
- двигатель, коробка передач, сцепление, часть приборной панели и подголовник от Оки.
Технические характеристики
Вес430 кгРазмеры2300х1250 ммВысота по рулю и седлу1250 / 900 ммКлиренс300 ммКолёсная база1430 ммКолея1045 ммМаксимальная скорость65 км/ч
Чертежи квадроцикла
Двухцилиндровый четырёхтактный двигатель жидкостного охлаждения от «Оки» выдаёт 32 л. с. Для автомобиля это мало, а для мотовездехода — вполне достаточно. Рулевое управление получилось гибридного типа. Сверху использованы мотоциклетные рычаг и вал, снизу — автомобильные рулевые тяги.
Трансмиссия у самодельного квадроцикла своеобразная. В её основу положены доработанные комплектующие от ВАЗа. Для понижения скорости и повышения крутящего момента была удалена зубчатая пара: вместо неё использована цепная передача. Мёжколёсные редукторы позаимствованы у «вазовской» классики. Полуоси автомеханик решил удалить и заменить их на ШРУСы переднего привода ВАЗа. ШРУСы также были использованы и в других узлах трансмиссии.
Квадроцикл построен на сварной пространственной раме из круглых труб типа ВГП-25 и ВГТ-20. Он получил независимую подвеску на треугольных поперечных рычагах и амортизаторы от Оки. Бамперы и кенгурятники сварены из 20-мм круглых труб. Глушитель разработан самим Плетнёвым. Он состоит из двух камер, входной патрубок загерметизирован асбестом. На создание стеклопластикового обвеса ушло 10 кг эпоксида, 1 кг пластификатора и 1 кг отвердителя, 5 м стекломата и 15 м стеклоткани.
4х4 с автомобильным двигателем
Типичный представитель относительно немногочисленного клана квадроциклов с автомобильным двигателем. Конструктор выбрал самый доступный и вероятно, самый удобный вариант – 33-сильный двухцилиндровый двигатель от компактного автомобильчика «Ока». Его плюсы перед аналогичным по мощности мотором “Днепра” и “Урала” — в больший долговечности и меньшей тепловой нагруженности благодаря наличию системы жидкостного охлаждения с радиатором.
Автомобильный двигатель выводит квадроцикл на новый уровень возможностей: становится доступным длительное движение в тяжелых условиях и с большим грузом.
Это, а также особенности переднеприводной трансмиссии “Оки” позволило сделать квадроцикл полноприводным. Автомобильный силовой агрегат расположили вдоль рамы, соответственно, каждый колесный привод автомобильчика на “квадрике” стал трансмиссионным валом (карданом), передающим крутящий момент к переднему и заднему мосту. Ведущие мосты сделаны на основе “жигулевских”, но каждую полуось заменили приводным валом от Lada Samara.

Схема трансмиссии квадроцикла 4х4: 1 — двигатель “Ока” 0,75 л; 2 – сцепление; 3 – МКП с “заниженной” главной парой; 4 – трансмиссионный вал (Шрусы ВАЗ-2108) до переднего моста; 5 – редукторы ведущих мостов (ВАЗ-2101); 6 – трансмиссионный вал. 7 – колеса.
Немного странно, что ни один из трех дифференциалов не имеет блокировки. Но для повышения крутящего момента в МКП “Оки” шестерни главной пары заменили на цепную передачу с большим значением. Интересно, что по признанию самого автора, работа над проектом заняла 11 месяцев, конструктор-любитель проводил в гараже каждый день по несколько часов – после основной работы.
Квадроциклы, сконструированные на базе мотоцикла «Урал»
На данный момент еще несколько десятилетий назад популярные в России отечественные «Уралы» сменены куда более юркими и экономными зарубежными моделями. В связи с этим у многих в гаражах еще недавний лучший «друг» стоит без дела и гниет. Но ни один русский человек не способен допустить того, чтобы добро пропадало зря.Поэтому «Уралы» все чаще используются для создания сравнительно нового для русского человека вида транспорта. Мотоцикл этот единогласно признан народными умельцами оптимальной основой для создания квадроцикла. Самодельные квадроциклы из него получаются на порядок более экономичными и обладают большей тягловой силой, чем их фабричные аналоги.
Создание квадроцикла на базе «Урала» состоит из двух этапов: конструирование задней части и передней. Использование редуктора «Урала» при создании задней части квадроцикла обеспечит конструкции не только прочность, легкость, но и простоту. Готовое средство в итоге и не будет оборудовано дифференциалом, чем, в сущности, можно и пожертвовать во имя сокращения временных затрат на его создание. Что касается конструирования передней части будущего транспортного средства, то оно займет куда больше сил и времени, чем предыдущий этап. Большая часть работы заключается в доведении до ума передних рычагов квадроцикла. Связано это с тем, что они должны быть менее жесткими, чем у автомобиля, но мощнее мотоциклетных.
Квадроцикл своими руками — полноценная техника или просто хобби?
Собирать квадроцикл своими руками увлекательно. Создатель приобретает опыт, тренирует находчивость и терпение. Однако самодельные мотовездеходы не стоит рассматривать как полноценную альтернативу заводским моделям — даже самый лучший квадроцикл, собранный своими руками, будет заведомо хуже серийного. Кроме того, самостоятельная сборка занимает много времени — даже опытные механики тратят год и более.
Если вам нужна качественная техника, присмотритесь к продукции CFMOTO. Если на покупку нет денег здесь и сейчас, мотовездеход можно взять в кредит и постепенно выплачивать средства без нагрузки на бюджет. На новую технику распространяется заводская гарантия. В плане комфорта и надёжности серийные экземпляры CFMOTO вне конкуренции — на них можно отправиться хоть в путешествие, хоть на скоростные покатушки.





