Содержание
Технические характеристики МД Пират
Для примера возьмём металлоискатель Пират, собранный на TL072. Основные характеристики по обнаружению мы уже указали, частота для PI — не показатель, осталось немного.
Питание
Схема рассчитана на напряжение 9-14 В, подбираем соответствующие аккумуляторы. Например, можно запитать схему от 3 батарей типа 18650 — они вполне доступны, как и зарядные устройства от них. Каждый выдаёт по 3,7 В, да и ёмкость у них немалая.

Можно применить AA в количестве 6-8 штук, если они есть в наличии и их не нужно покупать.
Читай также: Хочешь искать потерянное золото на пляжах? Переходи и узнаешь что нужно для пляжного копа!
Катушка
Катушка мотается очень просто. На любой подходящей оправке — ведре, пяльцах, трубе. Важен диаметр оправки, количество витков и сечение кабеля.

Смотрим видео камрада Sergey Sergio — он показывает уже намотанную на пяльцы катушку.
Стандартная «8-дюймовая» катушка на металлоискатель Пират имеет следующие характеристики:
- Диаметр 19 см.
- Число витков — 25.
- Сечение провода ПЭВ — 0,5 мм.
Покажем пример глубинной рамки для Пирата. Опубликовал ролик канал В поисках металла. В принципе, PI неплохо подходит для глубинников.
Схема металлоискателя пират

Металлоискатель пират состоит из передающего и приёмного узлов. Передающий узел состоит из генератора импульсов который собирается на микросхеме NE555 и мощного ключа, на транзисторе IRF740. Приёмный узел состоит из микросхемы К157УД2 и транзистора BC547.
На самом деле, детали достаточна распространенные но если всё таки вы не смогли их найти, попробуйте применить аналоги. Таймер NE555 можно заменить на отечественный аналог КР1006ВИ1, Вместо транзистор IRF740, можно поставить любой биполярный NPN структуры с Нкэ не ниже 200 вольт, можно даже выпаять из энергосберегающей лампы или зарядки от телефона, на крайний случай, подойдет даже КТ817. Транзисторы BC557 и BC547, на отечественные КТ3107 и КТ3102. У операционного усилителя К157УД2 есть полный аналог КР1434УД1В, так же его можно заменить на импортный TL072, но в этом случае, нужно будет переделать распиновку платы, так как у него 8 ног. Металлоискатель Пират на TL072 у меня тоже есть, схема и плата лежат в общем архиве. Кстати генератор импульсов можно собрать и на транзисторах:

Примеры находок
Полный багажник чёрного металла — таков хабар ведущего канала СЕРЫЙ КОПАТЕЛЬ 12. Как выдержит нагрузку задняя подвеска автомобиля — большой вопрос. Но результаты работы Пирата впечатляют.
Килограмм монет — в основном российские ходячки — накопал за один раз с Пиратом камрад victor partizan. Рублёвые, двухрублёвые, пятирублёвые, десятирублёвые — похоже, что половину стоимости металлоискателя камрад отбил за один коп.
Канал Копаем Вместе снял специальное видео о находках Пиратами. Смотрим.
Монеты в ассортименте, в том числе империя, коп по войне также результативен — накопали ржавый ТТ — ну не ради же восстановления оружия такие находки делают, наши читатели с законом в ладах.
Плата металлоискателя пират
Приводим печатные платы металлоискателя пират для программы Sprint-layout в формате .lay. Изготовить их Вы можете любым методом вытравливания печатных плат. Печатная плата на ne555 с микросхемой к175уд2:

Печатная плата на двух транзисторах в качестве генераторов сигнала:

Печатная плата на tl072 в SMD варианте:

Печатная плата на к561ла7:

Размеры плат:
- На NE555 — 30×80 мм;
- На транзисторах — 30×76 мм;
- На TL072 — 26×35;
- На К561ЛА7 – 30×76 мм.
Немного фото печатных плат:
Катушка для металлоискателя пират

Катушка для металлоискателя пират изготавливается из провода ПЭВ 0.5. Для намотки нам понадобиться окружность в диаметре 20 сантиметров. Наматываем 25 витков, на этом изготовление катушки закончено. Присоединение к плате должно идти на прямую и только после тестирования, можно пробовать штекеры и переходники. Категорически не рекомендуется использовать скрутки. Сопротивление катушки должно составлять до 2ух ом. Вот так подключаются переменные резисторы:
Глубинные катушки на мд пират
Для увеличения чувствительности и достижения ее максимума выполняем следующие шаги:
- Изготавливаем катушку в 25 витков и стандартным диаметром.
- Используем катушку отматывая каждый раз по витку и отрезая его, с каждым витком чувствительность должна повышаться.
- Как только замечаем, что чувствительность начинает падать, высчитываем количество витков и мотаем новую катушку на виток больше чем сейчас.
- На этом максимальная чувствительность достигнута.
Тестирование катушки должно происходить подальше от электронных и металлических предметов. Можно поиграться с резистором R7, ставим вместо него переменный(1 или 2 ватта) на 400 Ом и подкручиваем, при максимальной чувствительности, замеряем сопротивление и припаиваем постоянный с таким номиналом. На чувствительность так же влияет качество печатной платы, качество соединение катушки к плате, диметр катушки и ее сопротивление. Чем больше диаметр катушки – тем больше глубина обнаружения, но уменьшается чувствительность к мелким предметам. Если у вас низкая чувствительность, то следует пройтись по элементам о которых написано выше, возможно у вас там что-то не так. Параметры, при которых достигнута максимальная чувствительность датчика металлоискателя пират:
- Сопротивление резистора R7 – 75 Ом;
- Диаметр датчика – 20 см;
- Толщина провода – 0.45 мм;
- Сопротивление катушки – 2 Ом;
- Количество витков – 10 штук;
Катушка для металлоискателя пират из витой пары
Можно использовать витую пару для датчика металлоискателя пират. Для этого понадобиться 2.5 – 3 метра витой пары. Складываем провод пополам и отмечаем середины, далее делаем кольцо и отмечаем вторую половину круга (как указано на изображении), фиксируем обе половины и перекручиваем оставшиеся концы вокруг круга. При обмотке все должно быть плотно и без зазоров.

Распиновка проводов для катушки из витой пары:

Корпус катушку металлоискателя пират
В вопросе корпуса для датчика мд пират свобода творчества. Кто просто обматывает изолентой, кто делает из пластиковых труб. А если вы эстет, то можете заказать как у промышленных металлоискателей. Благо сейчас есть где приобрести все это дело. Что касается штанги, то тут так же размах для творчества, обычно все делают из полипропиленовых труб.

Металлодетектор Пират своими руками из готового набора

Всем здрасти!!!Раньше в детстве очень часто с друзьями мы собирали метал сдавали в приемку и покупали что нибудь себе. Я всегда мечтал себе насобирать на велосипед, но увы так и не собрал. Так и прошли годы и металлосбор ушел со временем.
Совсем недавно друг попросил сделать мд ему для поиска металла, я немного пошарил по интернету и нашёл две схемы, это на транзисторах и на таймере 555. Посмотрев отзывы решил собирать на 555 пирата, он очень легок в сборке один минус он не различает металлы, пищит на все одинаково. По мне всё равно, я бы копал все сигналы. Монеты он тоже видит, все же для поиска монет лучше брать профессиональный детектор, а для металло поиска самый раз это наш пират.
Раньше я не собирал подобные штуки и решил не заморачиваться и купить набор для сборки через интернет. Нашел подходящий сайт, сделал заказ, осталось только ждать. Ждал я набор 25ть дней, набор обошёлся мне 900 рублей. И так приступаю к сборке. Вот этот набор, все в комплекте деталей не особо много, думаю соберем и все сразу заработает, ведь пирата не надо настраивать, только подстраивать переменным резистором

Теперь перед сборкой для удобства нужно распределить все резисторы по номиналу сопротивления. Для этого нужен мультиметр, его у меня как всегда нет. Пришлось скачать приложение для цветовой расшифровки резисторов, легко и быстро разложил все резисторы по наминалу. Пару резисторов были больше номинала чем нужно было, но не существенно. Если и имелась какая-нибудь погрешность, это особо не повлияет на работу и стабильность пирата.

После установки резисторов на свои места, с обратной стороны припаиваю обработав место пайки паяльной кислотой, стараясь сильно не греть элементы около двух секунд максимум три.

Теперь устанавливаю диоды, и преобразователь соблюдая полярность.

Пришло время припаять микросхемы, желательно использовать панельки под них я решил без них, не нашел дома, а в набор это не положили, вообще набор был не полный, отдельно я докупал: клеммник, динамик, колпачок на переменник, короче больше у этого продавца брать не буду.

Еще немного деталей и наш мд готов.

Ну вот все детали на своих местах. Осталось припаять провода на динамик, питание, настройку у меня будет один переменник на 100к, потом может добавлю на 10к если понадобится, и подходящий штекер для катушки любой удобный для пользования.

Все припаяв, мою плату спиртом для устранения кз на плате от канифоли.

Для готовой платы подобрал коробочку от саморезов очень удобная, плотно закрывается и места хватает, установил все в неё, питание у меня 9вольт крона варта, в режиме работы кроны хватает на 10, 12 часов. На деле друг две недели по часа три, каждый день собирал металл, крона только начала садится.

Мотаю на 20см оправе 25 витков 0.4 провода, замеряю чуйку, мало чуйки, убираю еще виток, так и дошел до 22 витков. Нашел подходящий корпус, чуток корпус больше, ну ниче так сойдет. Залил все клеем, сверху залил воском для надёжности обмотал в три слоя изолентой.

Вот так креплю на штангу, использую держатель трубы на 25 мм.

Так креплю блок мд к штанге.

Для штанги подойдет что угодно, только пластиковое в радиусе 70см от катушки. У меня под рукой было метра два пп трубы на 25мм, соединение на 25мм, тройник на 25 мм, вся штанга легко разбирается и собирается за минуту. После сборки мд заработал сразу, я аж удивился, чуйка на воздухе 1тенге 5см, 10 тенге 12см, 50тенге 15..18см, ведро 50 см, кз люк метр. Для сбора металла идеальный вариант. Соберёт даже новичок, имея лишь немного опыта пайки, я тоже себе хочу собрать пирата, как буду собирать напишу в следующей статье.
Всем спасибо за внимание и До Новых Самоделок Друзья

Схема простого и достаточно эффективного металлоискателя «ПИРАТ»

Собрать такой аппарат под силу каждому, даже тем кто совершенно далек от электроники, просто нужно припаять все детали как на схеме. Металлоискатель состоит из двух микросхем. Они не требуют ни каких прошивок и программирования.
Питание 12 вольт, можно от пальчиковых батареек но лучше АКБ на 12в (небольшой)
Катушка намотана на оправке 190мм и содержит 25 витков провода ПЭВ 0.5
Характеристики: — Потребляемый ток 30-40 мА — Реагирует на все металлы дискриминации нет — Чувствительность 25 миллиметровая монета — 20 см — Крупные металлические предметы — 150 см — Все детали не дорогие и легкодоступные.
Список необходимых деталей: 1)Паяльник 2)Текстолит 3)Провода 4)Сверло 1мм
Вот список необходимых деталей

Схема самого металлоискателя

В схеме используются 2 микросхемы (NE555 и К157УД2). Они достаточно распространенные. К157УД2 — можно выковырять из старой аппаратуры, что я с успехом и сделал
Конденсаторы 100нФ обязательно брать пленочные, вот такие, вольтаж берем как можно меньше

Распечатываем эскиз платы на простой бумаге

Вырезаем под ее размер кусок текстолита.

Плотно прикладываем и острым предметом продавливаем по местам будущих отверстий

Вот как должно получиться.

Далее берем любую дрель или сверлильный станок и сверлим отверстия

После сверления, нужно прочертить дорожки. Можно сделать это через фоторезист, ЛУТ или просто прорисовать их Нитро лаком простой кисточкой. Дорожки должны получится точно такие же как на бумажном шаблоне. И травим плату.

В помеченных красным местах, ставим перемычки:

Далее просто припаиваем все компоненты на свои места.
Для К157УД2 лучше поставить переходную панельку.

Если такового нет, можно воспользоваться другим. У меня же медного лакированного провода оказалось не достаточно. Взял старый сетевой кабель.

Снял оболочку. Там проводов оказалось достаточно. Мне хватило двух жил, ими же и мотал катушку.

По схеме катушка диаметром 19 см и содержит 25 витков. Сразу замечу, что катушку нужно делать такого диаметра исходя из того, что вы будете искать. Чем больше катушка тем глубже поиск, но большая катушка плохо видит мелкие детали. Маленькая катушка хорошо видит мелкие детали, но глубина не большая. Я сразу намотал себе три катушки 23см(25 витков), 15см(17 витков) и 10см(13-15 витков). Если нужно накопать металлолом, то ставим большую, если на пляже мелочевку искать, то катушку меньше, ну сами разберетесь.
Катушку мотаем на чем угодно подходящего диаметра и плотно обматываем изолентой, что бы витки были плотно друг возле друга.

Катушка должна быть, как можно ровной. Динамик взял первый попавшийся.
Теперь все подключаем и пробуем схему на работоспособность.
После подачи питания, нужно подождать 15-20 секунд пока схема прогреется. Ставим катушку подальше от любого металла, лучше всего подвесить в воздухе. После начинаем крутить переменный резистор 100К пока не появятся щелчки. Как только щелчки появились крутим в обратную сторону, как только щелчки пропадут хватит. После этого, так же настраиваем резистор 10К.
На счет микросхемы К157УД2. Кроме той, что я выковырял, я еще 1 попросил у соседа и две купил на радио рынке. Вставил купленные микросхемы, включил прибор, а он отказался работать. Долго ломал голову, пока просто не поставил другую микросхему (ту что выпаял). И все сразу заработало. Так что вот для чего нужна переходная панелька, что бы подобрать живую микросхему и не мучатся с выпаиванием и впаиванием.
Покупные микросхемы

Моя и та что у соседа взял

Все готово, осталось только сделать штангу и поместить плату в корпус и на поиски кладов )
Вот ВИДЕО испытаний
Испытания дома проводил на средней катушке диаметром 15 см. Так вот золотое кольцо по воздуху ловило на 18см, ножницы 30см. настольная лампа 50см. что достаточно не плохо для такого метало детектора.
Качаем эскиз схемы платы: imp-MS.rar (скачиваний: 15699)
Становитесь автором сайта, публикуйте собственные статьи, описания самоделок с оплатой за текст. Подробнее здесь.
Схема простого и достаточно эффективного металлоискателя «ПИРАТ»

Собрать такой аппарат под силу каждому, даже тем кто совершенно далек от электроники, просто нужно припаять все детали как на схеме. Металлоискатель состоит из двух микросхем. Они не требуют ни каких прошивок и программирования.
Питание 12 вольт, можно от пальчиковых батареек но лучше АКБ на 12в (небольшой)
Катушка намотана на оправке 190мм и содержит 25 витков провода ПЭВ 0.5
Характеристики: — Потребляемый ток 30-40 мА — Реагирует на все металлы дискриминации нет — Чувствительность 25 миллиметровая монета — 20 см — Крупные металлические предметы — 150 см — Все детали не дорогие и легкодоступные.
Список необходимых деталей: 1)Паяльник 2)Текстолит 3)Провода 4)Сверло 1мм
Вот список необходимых деталей

Схема самого металлоискателя

В схеме используются 2 микросхемы (NE555 и К157УД2). Они достаточно распространенные. К157УД2 — можно выковырять из старой аппаратуры, что я с успехом и сделал
Конденсаторы 100нФ обязательно брать пленочные, вот такие, вольтаж берем как можно меньше

Распечатываем эскиз платы на простой бумаге

Вырезаем под ее размер кусок текстолита.

Плотно прикладываем и острым предметом продавливаем по местам будущих отверстий

Вот как должно получиться.

Далее берем любую дрель или сверлильный станок и сверлим отверстия

После сверления, нужно прочертить дорожки. Можно сделать это через фоторезист, ЛУТ или просто прорисовать их Нитро лаком простой кисточкой. Дорожки должны получится точно такие же как на бумажном шаблоне. И травим плату.

В помеченных красным местах, ставим перемычки:

Далее просто припаиваем все компоненты на свои места.
Для К157УД2 лучше поставить переходную панельку.

Если такового нет, можно воспользоваться другим. У меня же медного лакированного провода оказалось не достаточно. Взял старый сетевой кабель.

Снял оболочку. Там проводов оказалось достаточно. Мне хватило двух жил, ими же и мотал катушку.

По схеме катушка диаметром 19 см и содержит 25 витков. Сразу замечу, что катушку нужно делать такого диаметра исходя из того, что вы будете искать. Чем больше катушка тем глубже поиск, но большая катушка плохо видит мелкие детали. Маленькая катушка хорошо видит мелкие детали, но глубина не большая. Я сразу намотал себе три катушки 23см(25 витков), 15см(17 витков) и 10см(13-15 витков). Если нужно накопать металлолом, то ставим большую, если на пляже мелочевку искать, то катушку меньше, ну сами разберетесь.
Катушку мотаем на чем угодно подходящего диаметра и плотно обматываем изолентой, что бы витки были плотно друг возле друга.

Катушка должна быть, как можно ровной. Динамик взял первый попавшийся.
Теперь все подключаем и пробуем схему на работоспособность.
После подачи питания, нужно подождать 15-20 секунд пока схема прогреется. Ставим катушку подальше от любого металла, лучше всего подвесить в воздухе. После начинаем крутить переменный резистор 100К пока не появятся щелчки. Как только щелчки появились крутим в обратную сторону, как только щелчки пропадут хватит. После этого, так же настраиваем резистор 10К.
На счет микросхемы К157УД2. Кроме той, что я выковырял, я еще 1 попросил у соседа и две купил на радио рынке. Вставил купленные микросхемы, включил прибор, а он отказался работать. Долго ломал голову, пока просто не поставил другую микросхему (ту что выпаял). И все сразу заработало. Так что вот для чего нужна переходная панелька, что бы подобрать живую микросхему и не мучатся с выпаиванием и впаиванием.
Покупные микросхемы

Моя и та что у соседа взял

Все готово, осталось только сделать штангу и поместить плату в корпус и на поиски кладов )
Вот ВИДЕО испытаний
Испытания дома проводил на средней катушке диаметром 15 см. Так вот золотое кольцо по воздуху ловило на 18см, ножницы 30см. настольная лампа 50см. что достаточно не плохо для такого метало детектора.
Качаем эскиз схемы платы: imp-MS.rar (скачиваний: 15727)
Становитесь автором сайта, публикуйте собственные статьи, описания самоделок с оплатой за текст. Подробнее здесь.
Изготовления катушки для металлоискателя «Пират»
Как и другие модели импульсных приспособлений для нахождения металла, устройство нетребовательно к точности при изготовлении катушки. Вполне приемлемо использовать и ту, что намотана на оправку, диаметром 190-200 мм – 25 витков. При этом применяется обмоточный эмалированный провод с сечением 0,5 мм.
Витки катушки обматываются посредством изоляционной ленты или же скотча. Кстати, чтобы увеличить глубину поиска устройства, можно прибегнуть к обмотке названной детали, диаметром 260—270 мм, 21— 22 витками тем же проводом.
Катушка приспособления закрепляется в твердом корпусе, который должен быть сделанным, например, из пластмассы. Это нужно для того, чтобы обезопасить устройство от ударов о землю или же траву во время работы агрегата. Такой корпус можно приобрести в онлайн-магазинах. Вообще, при изготовлении катушек для поиска, использование деталей из металла не рекомендуется.
Выводы упомнутой детали припаиваются к многожильному проводу с сечением 0,5 – 0,75 мм. В идеале эта два самостоятельных переплетенных провода. Ваш прибор готов!

Настройка металлоискателя
Два переменных резистора — вот все органы управления, которые доступны кладоискателю.Первый резистор — подстроечный. На схеме он обозначен как R12. Он должен обеспечивать такое сопротивление, чтобы при отстройке от грунта настроечный R13 занимал бы среднее положение.

Отстройка от грунта — это, по совместительству, и настройка чувствительности. Выполняется она следующим образом: ставим катушку на землю. Выкручиваем настроечный потенциометр вправо. Динамик начинает издавать непрерывный треск. Крутим влево до того, чтобы металлоискатель изредка пощёлкивал — один раз в секунду-полторы. Добились такого результата — можно ходить.
Важно! Импульсный металлоискатель требует времени на стабилизацию. Поэтому крутить резистор и ходить начинаем не раньше, чем через 30 секунд после включения питания
Конструкционные особенности
В отличие от привычных VLF-приборов, металлоискатель Пират построен по схеме PI — Pulse Induction. Собственно, само название разработчики составили из PI и RAT — названия их сайта.
Отсюда получаем все прелести PI: отсутствие какой-либо дискриминации и так себе показатели по глубине — монету Пират видит на глубине до 20 см, а крупные металлические детали — до 1,5 метров. Зато цена — реально собрать рабочий прибор и не превысить сметы в 500 рублей. Даже при драконовском курсе доллара.

О штангах и прочих особенностях конструкции тут писать не приходится — каждый Кулибин делает своё. Материал Штанги Для Металлоискателей: Обзор + Как Сделать Своими Руками в помощь.
Читай также: Обзор штанг для металлоискателя, а также как сделать своими руками!
Примеры находок
Полный багажник чёрного металла — таков хабар ведущего канала СЕРЫЙ КОПАТЕЛЬ 12. Как выдержит нагрузку задняя подвеска автомобиля — большой вопрос. Но результаты работы Пирата впечатляют.
Килограмм монет — в основном российские ходячки — накопал за один раз с Пиратом камрад victor partizan. Рублёвые, двухрублёвые, пятирублёвые, десятирублёвые — похоже, что половину стоимости металлоискателя камрад отбил за один коп.
Канал Копаем Вместе снял специальное видео о находках Пиратами. Смотрим.
Монеты в ассортименте, в том числе империя, коп по войне также результативен — накопали ржавый ТТ — ну не ради же восстановления оружия такие находки делают, наши читатели с законом в ладах.
Конструкционные особенности
В отличие от привычных VLF-приборов, металлоискатель Пират построен по схеме PI — Pulse Induction. Собственно, само название разработчики составили из PI и RAT — названия их сайта.
Отсюда получаем все прелести PI: отсутствие какой-либо дискриминации и так себе показатели по глубине — монету Пират видит на глубине до 20 см, а крупные металлические детали — до 1,5 метров. Зато цена — реально собрать рабочий прибор и не превысить сметы в 500 рублей. Даже при драконовском курсе доллара.

О штангах и прочих особенностях конструкции тут писать не приходится — каждый Кулибин делает своё. Материал Штанги Для Металлоискателей: Обзор + Как Сделать Своими Руками в помощь.
Читай также: Обзор штанг для металлоискателя, а также как сделать своими руками!
Настройка металлоискателя
Два переменных резистора — вот все органы управления, которые доступны кладоискателю. Первый резистор — подстроечный. На схеме он обозначен как R12. Он должен обеспечивать такое сопротивление, чтобы при отстройке от грунта настроечный R13 занимал бы среднее положение.

Отстройка от грунта — это, по совместительству, и настройка чувствительности. Выполняется она следующим образом: ставим катушку на землю. Выкручиваем настроечный потенциометр вправо. Динамик начинает издавать непрерывный треск. Крутим влево до того, чтобы металлоискатель изредка пощёлкивал — один раз в секунду-полторы. Добились такого результата — можно ходить.
Важно! Импульсный металлоискатель требует времени на стабилизацию. Поэтому крутить резистор и ходить начинаем не раньше, чем через 30 секунд после включения питания
Инструкция по сборке
В задачу редакции не входит предоставление максимально подробной инструкции
Осветим основные нюансы, на что стоит обратить внимание кладоискателю, взявшемуся за изготовление палки-копалки своими руками
Отметим, что схема металлоискателя Пират — несложная, с монтажом справится даже начинающий радиолюбитель. Но прямые руки и элементарный набор инструментов всё-таки необходим.

Пират можно собрать как на микросхеме, так и на транзисторах. Умные люди советуют таки взять микросхемы, ибо транзисторы надо подбирать, результат работы с ними менее стабилен и, при нарушении характеристик, гораздо сложнее настраивается. Опять же для подбора транзистора нужен осциллограф, а он есть далеко не у каждого радиолюбителя.
Итак, как сделать металлоискатель Пират своими руками.
Необходимые детали
В список деталей для металлоискателя Пират входят:
- 15 постоянных резисторов;
- 2 переменных резистора;
- 5 электролитических конденсаторов;
- 2 плёночных конденсатора;
- один керамический конденсатор;
- 2 микросхемы;
- 3 транзистора;
- 1 диод;
- заготовка печатной платы;
- динамик на 8 Ом;
- катушка 2 Ом;
- питание.

Ознакомиться с конкретными номиналами прибора, а также подробнейшей инструкцией по его сборке можно на сайте https://sdelaysamodelku.ru/metalloiskatel-pirat-svoimi-rukami/.
На сайте md-kit.ru набор для сборки металлоискателя Пират на К157УД2 стоит 500 руб. Печатная плата и весь набор навески, можно не заморачиваться беготнёй по магазинам и радиорынкам.
Читай также: Не знаешь что такое частотность металлоискателя? Подробная статья про частоту металлоискателей. Переходи!
Схема металлоискателя пират
Даже при наличии печатной платы и набора компонентов, необходима принципиальная схема.
На первом рисунке представлена схема металлоискателя Пират на К157УД2.

Обратите внимание на левую часть. В ней присутствует микросхема NE555
В принципе, её можно заменить двумя транзисторами, как показано на рисунке ниже. Но с транзисторами есть заморочки, о которых мы уже писали — их нужно подбирать под требуемые характеристики, для чего понадобиться осциллограф. Если сборщика этот момент не пугает, вот схема без NE555.

Важно! Микросхему NE555 можно заменить на аналог — КР1006ВИ1. И вообще провести импортозамещение — транзисторы можно брать отечественные
А можно пойти другим путём и заменить усилитель К157УД2 на импортный TL072 или LM358.

Сборка металлоискателя Пират
Опишем алгори — когда есть только заготовка печатной платы и набор деталей. Если печатная плата куплена в наборе, переходим сразу к шагу 4.
- В программе для трассировки плат, например, Sprint Layout, рисуем печатную плату металлоискателя Пират.
- Печатаем трассировку и переносим на заготовку.
- Сверлим отверстия под монтаж и протравливаем плату.
- Аккуратно паяем детали.
- Подбираем корпус и помещаем схему в него.
- Соединяем готовый корпус с батарейным блоком — готовые блоки под любое количество AA или колодку для Кроны можно купить в радиомагазине или на Aliexpress.
- Наматываем катушку.
Сборка закончена, правильно собранная схема работает без дополнительных настроек.
Внешний вид собранного металлоискателя
В результате должна получиться коробочка с динамиком, из которой наружу выведены две рукоятки потенциометров. Питание может располагаться в той же коробочке, а может и в отдельной.

На штанге блок управления можно разместить так же, как у Tesoro Compadre) или же как у Golden Mask Deep Hunter Pro 3 SE. Вторая компоновка более традиционна для PI-приборов.
Важно! Блок управления не стоит намертво прикручивать к штанге. На случай использования рамки вместо катушки лучше сделать его быстросъёмным
Читай также: Залог успешного поиска, правильный подбор аксессуаров! Переходи и узнаешь как выбрать лопату для копа!
Собираем металлоискатель дома – совет от мастера №3
Мой интерес поиска металла в земле появился сравнительно недавно, когда на рынке товаров появился металлоискатель. Что же из себя он представляет? Прибор, который работает по принципу передача – прием. Включил, проводишь катушкой и вот – писк, значит предмет найден!
Люди были готовы копать каждый сантиметр земли вглубь, чтобы найти тайну, клад, металл, монеты. Чтобы глубина обнаружения была хорошая покупали дорогие товары от 10 тысяч и выше рублей.
Да вариант хороший купил и пользуйся. Но есть и другой вариант собрать его. Практически у всех нас есть гараж, погреб, сарай, мастерская, где лежат вещи из которых, если есть желание, собирается металлоискатель.
Нам остается произвести заказ через интернет или сходить в специализированный магазин и приобрести радиодетали, а также нам понадобится различный инструмент.
Также нам может понадобится мини дрель, принтер, копирка, если принтер отсутствует. В идеале нам поможет фрезерный самодельный станок с ЧПУ и программа схем печатных плат и разводка. Оставляю ссылку на данное видео. Он облегчает работу и уменьшает время выполнения.
Если изделие делается при помощи принтера нам понадобиться программа и готовая схема в ней под металлоискатель находим Спринт лаут в поисковой системе и устанавливаем ее. Отрываем и прикладываем файл с готовой схемой переносим рисунок на середину и нажимаем на печать.
Бумага нам нужна из журналов так как она идеальна, но можно и простую Снегурочку. Затем производим зачистку и обезжиривание текстолита, чтобы разводка как можно лучше отпечаталась.
Берем рисунок, который на бумаге, и прикладываем его к текстолиту плотно обжимаем и проглаживаем при помощи утюга 4-5 минут. Помещаем под воду и убираем лишнюю бумагу у нас должен отразиться рисунок схемы, затем сверлим и доводим дорожки лаком до идеала.
После, приступаем к травлению используя хлорное железо, работаем с ним в перчатках оно въедается в кожу и ее не возможно будет смыть. Так и в остальные материалы такие как обои, дерево, одежда.

Банка хлорного железа – 900 грамм
Нам понадобиться вся банка, то есть 900 г на ней написано. Затем 1:3 разводим ее водой в одной таре, наливаем из-под крана горячую воду в другую тару можно подогреть до 50-75С. Помещаем тару с раствором в теплую воду, а в раствор кладем текстолит с медным покрытием вниз и процесс пошел. Время травления зависит от свежести хлорного железа и составляет 20-45 минут. Достаём ее, сушим, проходим наждачной бумагой.
А бывает и такой момент, что нет принтера и станка, и сверла. Работа будет долгой и нервной. Просим знакомого или платим нам распечатают разводку.
Дальше приступаем к луде, но это на ваш выбор. После начинаем паять и собирать изделие. Начиная с мелких радиодеталей.
Давайте рассмотрим один из популярных, самодельных металлоискателей Пират. Он вам обойдётся всего в три тысячи рублей.

Радио 5 номер 2004 год
В свое время в радио кружке я собирал металлоискатель из журнала радио за 2004 год 5 номер – вот эта статья. Но у меня был опытный наставник с 35 летним опытом стажа работы по сборке радиотехники и разводку делали с помощью копирки да весь прибор я собирал при постоянном контроле его глаз. Небольшой обзор в виде скриншотов.
Давайте вернемся к нашему прибору пират и посмотрим весь процесс сбора. Готовая печатная плата выглядит так.

плата для сборки металлоискателя Pirat

Список деталей для сборки металлоискателя Пират
Далее приступаем к работе начиная вставлять резисторы, диоды и перемычку. Весь список радиодеталей приведён на картинке выше.
Далее будем паять оставшиеся детали конденсаторы и микросхемы.
Затем останется лишь катушка для этого нам понадобиться проволока 0.5 мм кастрюля любая. У меня вышло 25 витков, с диаметром 19 см.
Потом фольгой для экранирования, что бы не пищала на любые звуки. И скотчем.
Конструкцию катушки помещаем в банку из-под пресервов, где была сельдь, схему можно поместить в коробочку из самодельной фанеры или в большую распаянную коробку. Желаю удачи в сборе данного прибора, но есть один момент вам еще надо знать, где искать или это будет потраченное время.
Пират
Еще одна популярная импульсная модель для начинающих кладоискателей — металлоискатель пират. Его тоже несложно сделать своими руками, подробная инструкция в двух вариантах:
- На той же микросхеме NE555. Это классический генератор, который начинает работать, когда в зоне действия катушки появляется металл. Никаких регулировок не требуется, в динамике будет слышен только писк.

- По такому же принципу работает металлоискатель на транзисторе. На самом деле схема аналогичная, только NE555 заменен транзисторным генератором для КТ315.

подходить к блоку питания желательно на 12 вольт, так как качество работы зависит от напряжения. Платы уже протестированы, оба варианта показаны на иллюстрации.

Катушка (в данном случае одна) сделана из того же провода, что и трансформатор 0,5 мм. Оптимальный диаметр — 20 мм, количество витков — 25. Поскольку металлоискатель Pirate мы делаем своими руками, внешний дизайн отходит на второй план. Любой материал, который вы готовы выбросить, подойдет.
лучше сделать ручку съемной, чтобы ее было удобнее переносить. Помните, что использование металлов недопустимо.

Чувствительность регулируется двумя резисторами, которые меняются в реальном времени во время поиска. Настройка генератора не требуется.
А если качественно заклеить корпус, можно начинать искать «сокровища» в полосе для серфинга и даже на дне резервуара.

подводный металлоискатель своими руками сделать сложнее, но он даст неоспоримое преимущество перед конкурентами.
Улучшение характеристик
Глубинный металлоискатель своими руками может изготовить готовый «Пират» без дополнительных затрат. Для этого можно поступить двумя способами:
- Увеличение диаметра индуктора. При этом проницаемость вниз значительно увеличивается, но чувствительность к мелким объектам снижается.
- Уменьшите количество витков катушки при настройке схемы. Для этого придется пожертвовать катушкой для экспериментов. Время от времени мы снимаем (и режем), пока не увидим, что чувствительность начала снижаться. Вспомним количество витков при максимальных параметрах и создадим для этой схемы новую катушку. Затем меняем резистор R7 на переменный, с аналогичными параметрами мощности. Проведя несколько экспериментов с чувствительностью, фиксируем сопротивление, меняем переменную на постоянный резистор.
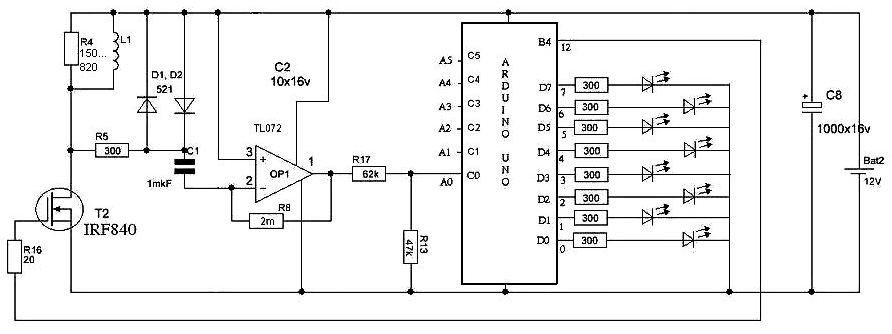
Металлоискатель Pirate можно собрать на популярном контроллере Arduino».

такой прибор удобнее использовать, но дискриминации по металлам все равно не будет.
Разобравшись, как сделать металлоискатель своими руками для любительских задач, вкратце разберем несколько серьезных моделей.
Технические характеристики МД Пират
Для примера возьмём металлоискатель Пират, собранный на TL072. Основные характеристики по обнаружению мы уже указали, частота для PI — не показатель, осталось немного.
Питание
Схема рассчитана на напряжение 9-14 В, подбираем соответствующие аккумуляторы. Например, можно запитать схему от 3 батарей типа 18650 — они вполне доступны, как и зарядные устройства от них. Каждый выдаёт по 3,7 В, да и ёмкость у них немалая.

Можно применить AA в количестве 6-8 штук, если они есть в наличии и их не нужно покупать.
Читай также: Хочешь искать потерянное золото на пляжах? Переходи и узнаешь что нужно для пляжного копа!
Катушка
Катушка мотается очень просто. На любой подходящей оправке — ведре, пяльцах, трубе. Важен диаметр оправки, количество витков и сечение кабеля.

Смотрим видео камрада Sergey Sergio — он показывает уже намотанную на пяльцы катушку.
Стандартная «8-дюймовая» катушка на металлоискатель Пират имеет следующие характеристики:
- Диаметр 19 см.
- Число витков — 25.
- Сечение провода ПЭВ — 0,5 мм.
Покажем пример глубинной рамки для Пирата. Опубликовал ролик канал В поисках металла. В принципе, PI неплохо подходит для глубинников.





