Содержание
Самодельный металлоискатель «Пират»: схема и подробное описание сборки
Самоделки на базе металлоискателя серии «Пират» одни из самых востребованных среди радиолюбителей. Благодаря хорошим рабочим качествам прибора, он может «засечь» предмет на глубине от 200 мм (для мелких вещей) и 1500 мм (крупные элементы).
Детали для сборки металлоискателя
Металлодетектор «Пират» является прибором импульсного типа. Для изготовления прибора вам потребуется приобрести:
- Материалы для изготовления корпуса, штанги (можно использовать пластиковую трубу), держателя и так далее.
- Проводы и изоленту.
- Наушники (подойдут от плейера).
- Транзисторы – 3 штуки: ВС557, IRF740, ВС547.
- Микросхемы: К157УД2 и NE
- Керамический конденсатор − 1 нФ.
- 2 плёночных конденсатора − 100 нФ.
- Электролитные конденсаторы: 10 мкФ (16 В) – 2 штуки, 2200 мкФ (16 В) – 1 штука, 1 мкФ (16 В) – 2 штуки, 220 мкФ (16 В) – 1 штука.
- Резисторы – 7 штук на 1; 1,6; 47; 62; 100; 120; 470 кОм и 6 штук на 10, 100, 150, 220, 470, 390 Ом, 2 штуки на 2 Ом.
- 2 диода 1N148.
Схемы металлодетектора для изготовления своими руками
Классическая схема металлоискателя серии «Пират» построена по микросхеме NE555. Работа устройства зависит от компаратора, один выход которого присоединён к генератору импульсов ИМС, второй − к катушке, а выход − к динамику. В случае обнаружения металлических предметов сигнал от катушки поступает на компаратор, а после − на динамик, который оповещает оператора о наличии искомых предметов.
Приёмный узел на микросхеме Пират
Плату можно разместить в простой распределительной коробке, которую возможно купить в магазине электрики. Если вам недостаточно такого инструмента, вы можете попробовать сделать прибор более совершенного плана, в помощь вам схема для изготовления металлоискателя с ориентиром на золото.
Схема сверхчувствительного металлодетектора Пират–4
Как собрать металлоискатель без использования микросхем
В этом устройстве для генерирования сигналов используются транзисторы советского образца КТ-361 и КТ-315 (можно воспользоваться аналогичными радиодеталями).
Как собрать печатную плату металлоискателя своими руками
Импульсный генератор собирается на микросхеме NE555. Через подбор С1 и 2 и R2 и 3 производится регулировка частоты. Полученные в результате сканирования импульсы передаются на транзистор Т1, а он передаёт сигнал транзистору Т2. Усиление звуковой частоты происходит на транзисторе ВС547 к коллектору, и подключаются наушники.
Плата металлоискателя Пират с динамиком
Для размещения радиодеталей используется печатная схема, которую можно легко изготовить самостоятельно. Для этого используем кусок листового гетинакса, покрытого медной электротехнической фольгой. На неё переносим соединяющие детали, размечаем места креплений, просверливаем отверстия. Дорожки покрываем защитным лаком, а после высыхания опускаем будущую плату в хлорное железо для травления. Это необходимо для удаления незащищённых участков медной фольги.
Как сделать катушку для металлоискателя своими руками
Для основы потребуется кольцо с диаметром порядка 200 мм (в качестве основания могут использоваться обычные деревянные пяльцы), на которое наматывается проволока 0,5 мм. Чтобы повысить глубину обнаружения металлов, каркас катушки должен быть в пределах 260−270 мм, а количество витков – 21−22 об. Если у вас нет под рукой ничего подходящего, можно намотать катушку на деревянной основе.
Катушка из медной проволоки на деревянной основе
| Иллюстрация | Описание действия |
![]() |
Для намотки приготовьте доску с направляющими. Расстояние между ними равно диаметру основания, на которое вы будете крепить катушку. |
![]() |
Намотайте проволоку по периметру креплений в 20−30 витков. Скрепите обмотку изолентой в нескольких местах. |
![]() |
Снимите обмотку с основания и придайте ей округлую форму, при необходимости скрепите дополнительно обмотку ещё в нескольких местах. |
![]() |
Подсоедините контур к устройству и протестируйте его работу. |
Катушка из витой пары за 5 минут
Нам понадобятся: 1 витая пара 5 cat 24 AVG (2,5 мм), нож, паяльник, припой и мультитестер.
| Иллюстрация | Описание действия |
![]() |
Сверните провод в два мотка косичкой. Оставляем по 10 см с каждой стороны. |
![]() |
Зачистите обмотку и освободите жилы для соединения. |
![]() |
Соединяем жилы согласно схеме. |
![]() |
Для лучшего крепления спаяйте их паяльником. |
![]() |
Протестируйте катушку в том же порядке, что и устройство из медной проволоки. Выводы обмотки нужно припаять к многожильному проводу с диаметром в пределах 0,5−0,7 мм. |
Приспособление «Пират»
А теперь мы рассмотрим современные приборы. Одни из них — «Пират» — металлоискатель, функционирующий на проводимости электричества, индуктивном и магнитном свойствах металла. Кстати, свое интересное название устройство получило от изобретателей: PI – импульсный принцип его работы, RAT – сокращение от «Радио Скот» (сайт изобретателей).
Металлоискатель «Пират», фото которого представлено в этой статье, обладает унифицированной конструкцией. Она включает генератор, производящий переменный ток, который проходит сквозь катушку с магнитным полем. Если металл, проводящий ток, приближен к катушке слишком близко, то вихревые потоки направятся на металл. Это способствует образованию переменного магнитного поля в металле. Обнаружить последний дает возможность использование другой катушки для измерения магнитного поля.
Очень простой и надежный металлоискатель на микросхеме К561ЛА7

Поиск кладов, древних реликвий и прочих интересных вещей для многих является довольно таки востребованным видом хобби, наряду с рыбалкой или охотой. Этот вид отдыха также можно считать активным, а для некоторых металлоискатель — вполне неплохое орудие для добычи денег, ведь в земле можно найти довольно таки большое количество черных металлов, которые сегодня ценятся. Ведь есть же пословица, что «мы ходим по деньгам». В магазине даже за не слишком мощный металлоискатель порой запрашивают приличные деньги. В этой статье речь пойдет о том, как можно собрать металлоискатель своими руками. Для этого требуются минимальные навыки в области работы с электроникой ну и небольшие (в сравнении с покупкой нового металлоискателя мизерные) вложения.
По словам автора, устройство способно обнаруживать металлическую крышку от банки на глубине в 20 см. Более мелкие предметы, такие как 5-ти рублевая монета, обнаруживаются на глубине 10 см.
Материалы и инструменты для сборки: — микросхема К561ЛА7 или ее аналог; — маломощный низкочастотный транзистор (подойдут КТ315, КТ312, КТ3102, аналоги: ВС546, ВС945, 2SС639, 2SС1815 и так далее) — любой маломощный диод (например кд522Б, кд105, кд106…); — три переменных резистора (4,7 kOm, 6,8 kOm, 10 kOm с выключателем); — пять постоянных резисторов (22 Om, 4,7 kOm, 1,0 kOm, 10 kOm, 470 kOm);] — пять керамических или слюдяных конденсаторов (1000 пф — 2 шт., 22 нФ -2 шт., 300 пф); — один электролитический конденсатор (100,0 мкф х 16В); — провод типа ПЭВ или ПЭЛ диаметром 0,6-0,8 мм; — наушники от плеера (или любые низкоомные); — батарейка на 9В.

Процесс изготовления металлоискателя:
Шаг первый. Корпус и внешний вид устройства
В связи с тем, что поиски происходят зачастую среди ветвей, травы или при влажной погоде, устройство должно быть надежно защищено от воздействия всех этих факторов. В качестве корпуса для электроники можно использовать коробочку из под мыла или от крема для чистки обуви. Главное, чтобы электронная часть была надежно защищена.
Еще в системе есть защитный диод. Он нужен для того, чтобы защитить электронику от неправильного включения батареи.
Шаг второй. Делаем поисковую катушку
Катушки наматывают на оправки с диаметром около 15-25 см. В качестве формы можно использовать ведро или челнок из проволоки или фанеры. Чем меньше будет катушка, тем меньше у нее будет чувствительность, все зависит от того, для каких целей будет использоваться металлоискатель.

Что касается провода, то это может быть провод в лаковой изоляции типа ПЭВ или ПЭЛ диаметром от 0.5 до 0.7 мм. Такой провод можно найти в старых телевизорах с кинескопом. Всего катушка содержит 100 витков, можно намотать от 80 до 120. Сверху все это дело плотно обматывается изолентой.

Когда катушка будет намотана, поверх нее делается обмотка из полоски фольги, при этом нужно оставить участок в 2-3 сантиметра не обмотанным. Фольгу можно найти в некоторых видов кабелей, еще ее можно добыть из шоколадок, нарезав на куски.

Поверх фольги наматывается не заизолированный провод, а лучше всего луженый. Начало провода остается в итоге на катушке, а другой конец припаивается к корпусу. Сверху все это опять хорошо обматывается изолентой.

Впоследствии катушка крепится на диэлектрик, как вариант подойдет нефольгированный текстолит. Ну а теперь катушку можно крепить к держаку.

Для соединения катушки со схемой нужно применять экранированный провод, экран подключается к корпусу. Подобные провода можно применяются для перезаписывания музыки с магнитофона. Еще можно использовать шнур НЧ, для подключения к телевизору различных устройств.Шаг третий. Проверка металлоискателя
Когда устройство будет включено, в наушниках можно будет услышать характерный шум, частоту нужно настроить регулятором. При поднесении катушки к металлу, шум в наушниках будет меняться.

Еще можно переделать схему таким образом, чтобы при работе металлоискатель молчал, а сигнал будет появляться лишь тогда, когда под катушкой будет появляться металл. При этом частота шума будет говорить о том, какой размер предмета и на какой глубине он находится. Но, по словам автора, при таком подходе сильно снижается чувствительность металлоискателя, и он улавливает только очень крупные предметы. Для получения нулевых биений нужно совместить две частоты.

Вот таким вот способом можно собрать простенький металлоискатель своими руками. Конечно, настоящий клад с ним вряд ли найдешь, а вот собирать монетки и утерянные сережки на пляже вполне возможно. К устройству можно сделать две катушки, одну для поиска крупных предметов, а вторую для поиска мелких.
Источник (Source)
Становитесь автором сайта, публикуйте собственные статьи, описания самоделок с оплатой за текст. Подробнее здесь.
Особенности работы
Перед началом поиска определяется максимальная чувствительность металлоискателя в воздухе. Регулятор устанавливается в положении, при котором периодичность щелчков в наушниках достигнет 2-3 секунды.
При повышенной минерализации грунта требуется отстройка прибора. Для этого катушка детектора опускается к земле и проводится регулировка для повышения чувствительности. При этом немного снизится глубина обнаружения.
Чтобы повысить уровень громкости и получить дополнительный индикатор, используются светодиоды VD1. Рекомендуется подобрать их с таким расчетом, чтобы не перегорели динамики, и установить на штанге для включения кнопку.
Материалы и инструменты для сборки
Необходимо запастись следующим набором радиодеталей и материалов:
- микросхема КР1006ВИ1 либо импортная NE 555 — основа будущей сборки;
- транзистор IRF 740;
- микросхема К157УД2, транзистор ВС547 — основа для приёмного узла;
- провод ПЭВ 0,5 — для изготовления катушки;
- транзисторы NPN;
- материалы для изготовления корпуса.
Инструментарий необходимый для монтажа металлоискателя:
- паяльник;
- изолента;
- сверло 1 мм.
Схему с набором остальных деталей можно скачать ниже.
Для электронной схемы понадобится также пластиковая коробочка. Для изготовления штанги, к которой будет крепиться катушка, необходимо приобрести отрез пластиковой трубы.
3 нюанса изготовления катушки корзины для МП своими руками
Катушку для МП своими руками изготовить не сложно. Большая точность сборки катушки не играет большой роли, если используется она на импульсном оборудовании. Не все знают, как намотать катушку на МП – просто наматывается на двухсотмиллиметровую оправку или немного меньше. Необходимо использовать 25 витков эмальпровода с диметром в 0,5 мм.
- Витки потребуется обработать при помощи изоленты.
- Для увеличения глубины поиска металлов, наматывают катушку 270 мм — 22 витка этим же проводком.
- Чтобы рассчитать катушку, желательно изучить таблицу параметров для разных размеров. Лучше использовать провод, имеющий диаметр в 0,5-0,6 мм. Но если их найти не удалось, тогда подойдет и 0,4 мм. В таблице указаны диаметры датчика, количество витков, диаметр сечения/проводка, индуктивность и сопротивление.

Чтобы работа Металлоискателя Пирата происходила без перебоев, катушку закрепляем в корпусе, что не содержит никакого металла. На изображении автор работы использовал полипропиленовую рубку. Это очень хороший вариант без использования металла внутри. В таком вопросе мастерам предоставляется полная свобода творчества – главное, чтобы не было никакого металла.


Применяют любой корпус, изготовленный из пластикового материала. Также некоторые люди, чтобы сэкономить время, обматывают изделие изолентой или скотчем. Но такой вариант смотрится не слишком эстетично, а потому желательнее все же взять за основу пластиковую трубку – выбор очень широкий и найти подходящую не составит труда в ближайшем магазине для сантехники.

Изготавливая пластиковое обрамление, полностью исключаем удары о грунт и траву на месте поиска металлических деталей. Корпус для катушки МП можно найти в сети. Многие эстеты заказывают изделия, применяемые на заводских агрегатах и ставят на свою самоделку – таким образом добиваясь эстетической красоты изделия.

При сборке катушек нужно избегать применения металла – он помешает работе над поисками и своей цели добиться не выйдет. Это крайне негативно скажется на оборудовании. Выводы от катушки необходимо падпаять к проводу с несколькими жилами. Он должен иметь диаметр сечения в 0,5 мм или чуть больше. В идеале это должны быть несколько проводов, свитых между собой.

Самодельная катушка для МП готова. Собрать Металлоискатель Пират своими руками не так сложно, как может показаться. И не стоит забывать, что в первую очередь металлодетектор изготавливается для конкретной цели – поиска металла. И потому выбирать некое особое оформление катушки – лишнее. Над этим следует задумываться только эстетам и перфекционистам. Обмотанная скотчем катушка даст такой же результат, как и деталь в заводском корпусе.
Металлоискатель «Пират» своими руками
Характеристики металлоискателя «Пират»
Название металлодетектора Pirat содержит в себе аббревиатуру от первых букв, обозначающих импульс (PI), и сокращения, созвучного с веб-адресом, где впервые было размещено описание самодельного изделия (radioskot).

Инструкция по изготовлению металлоискателя.
Отличительные черты металлоискателя «Пират»:
- отсутствие дорогостоящих комплектующих и необходимости долгой настройки;
- возможность обнаружения мелких металлических предметов на глубине до 25 см, крупных — до 1,5 м;
- питание от стандартного источника с напряжением от 9 до 12 В (в домашних условиях — блок питания, в полевых — аккумулятор);
- наличие звуковой индикации цели.
Катушка и прочее
Самое распространенное заблуждение начинающих радиолюбителей – абсолютизация схемотехники. Мол, если схема «крутая», то все будет тип-топ. Относительно металлоискателей это вдвойне неверно, т.к. их эксплуатационные достоинства сильнейшим образом зависят от конструкции и качества изготовления поисковой катушки. Как выразился некий курортный старатель: «Находимость детектора должна тянуть карман, а не ноги».
При разработке прибора его схему и параметры катушки подгоняют друг к другу до получения оптимума. Определенная схема с «чужой» катушкой если и заработает, то до заявленных параметров не дотянет. Поэтому, выбирая прототип для повторения, смотрите прежде всего описание катушки. Если оно неполное или неточное – лучше строить другой прибор.
О размерах катушки
Большая (широкая) катушка эффективнее излучает ЭМП и глубже «просветит» грунт. Ее зона поиска шире, что позволяет уменьшить «находимость ногами». Однако, если в зоне поиска окажется крупный ненужный предмет, его сигнал «забьет» слабый от искомой мелочи. Поэтому желательно брать или делать металлодетектор, рассчитанный на работу с катушками разного размера.
Монопетля
Традиционный тип катушки детектора металла т. наз. тонкая катушка или Mono Loop (одинарная петля): кольцо из многих витков эмалированного медного провода шириной и толщиной раз в 15-20 меньше среднего диаметра кольца. Достоинства катушки-монопетли – слабая зависимость параметров от типа грунта, сужающаяся книзу зона поиска, что позволяет, двигая детектор, точнее определять глубину и расположение находки, и конструктивная простота. Недостатки – малая добротность, отчего в процессе поиска «плывет» настройка, подверженность помехам и расплывчатая реакция на объект: работа с монопетлей требует значительного опыта пользования данным конкретным экземпляром прибора. Самодельные металлоискатели начинающим рекомендуется делать с монопетлей, чтобы без особых проблем получить работоспособную конструкцию и приобрести с ней поисковый опыт.
Примеры находок
Полный багажник чёрного металла — таков хабар ведущего канала СЕРЫЙ КОПАТЕЛЬ 12. Как выдержит нагрузку задняя подвеска автомобиля — большой вопрос. Но результаты работы Пирата впечатляют.
Килограмм монет — в основном российские ходячки — накопал за один раз с Пиратом камрад victor partizan. Рублёвые, двухрублёвые, пятирублёвые, десятирублёвые — похоже, что половину стоимости металлоискателя камрад отбил за один коп.
Канал Копаем Вместе снял специальное видео о находках Пиратами. Смотрим.
Монеты в ассортименте, в том числе империя, коп по войне также результативен — накопали ржавый ТТ — ну не ради же восстановления оружия такие находки делают, наши читатели с законом в ладах.
Устройство металлодетектора

Металлоискатель – самый главный инструмент ручного поиска металлов в хаотичной природной или искусственной среде. С помощью такого прибора можно искать не только чёрный металл, но и золото, серебро, другие драгоценные металлы. Принцип устройства любого металлоискателя основан на электромагнитных эффектах.
Вот как работает типичная технология поиска металла:
- Прибор создаёт электромагнитное поле.
- Металлический объект, скрытно расположенный в инородной среде, оказывает воздействие на такое поле, когда попадает в сферу его влияния.
- Прибор улавливает воздействие объекта на электромагнитное поле и сигнализирует об этом.
Большее количество моделей металлоискателей работают именно на таком принципе.
Технические различия такой аппаратуры позволяют получить более полную информацию о факте обнаружения металлического объекта, например:
- оценить массу находки;
- получить данные о форме, размерах и конфигурации объекта;
- уточнить место расположения, в том числе – по глубине.
Самые простые, примитивные металлоискатели (обычно это самодельные конструкции для поиска золота, серебра и других металлов энтузиастов-любителей) собирают из готовых устройств и изделий, работающих с использованием электромагнитных эффектов.
Многие знакомы с примитивной, но вполне работоспособной схемой металлоискателя, в котором электромагнитное поле создаёт импульсный элемент обычного калькулятора.
Популярные статьи Вязанный шар

Реакцию создаваемого поля на обнаруженные металлические объекты улавливает самый простой бытовой радиоприёмник. Сигнал о такой находке — звуковой, достаточно отчётливый и понятный.
Более сложные любительские и профессиональные устройства поиска металлов сохраняют логическую основу технологии в виде трёх компонентов:
- генератора электромагнитного поля;
- датчика изменений этого поля;
- аппаратуры оценки обнаруженных аномалий, сигнализирующей об этом.
Устройства разного уровня сложности и функционального потенциала могут быть условно разделены на группы. Классификация на основе профессионализма и специализации пользователей – одна из общепризнанных:
- любительская аппаратура, собранная собственноручно и используемая в качестве инструмента хобби или новичками в деле поиска металлов;
- полупрофессиональная аппаратура, необходимая увлечённым любителям и фанатикам;
- профессиональные металлоискатели для постоянно работающих в этой сфере;
- специальные аппараты для мастеров поиска металла в сложных условиях – на глубине, под водой, с выделением драгоценных металлов.
Распространение аппаратуры поиска металлов таково, что многие устройства этого типа можно приобрести в магазинах садового и дачного инвентаря.
Аппарат для поиска и обнаружения металла нужен не только в деле рециклинга, в поиске артефактов и кладов. Многочисленные системы безопасности, всем известные рамки – одна из версий технологии поиска металла. Настройки этих рамок ориентированы на поиск оружия и аналогичных опасных предметов.
Катушка
Очень важный узел аппаратуры поиска металлов – катушка или рамка. Это чаще всего обмотка специальной конфигурации, задача которой сформировать электромагнитное поле и уловить его реакцию на обнаружение инородного для среды поиска металлического тела.

Многие любители изготавливают каркасы катушек самостоятельно. Это делается из соображений экономии средств или в надежде получить более качественный инструмент авторской конструкции.
Для этого используются подручные средства – пластмассовые изделия, фанера и даже заполнение монтажной строительной пеной собранной обмотки.
Оператор поиска или кладоискатель стремится найти наиболее эффективную технику работы с металлоискателем, выбирая нужные режимы работы электроники и правильные приёмы манипуляций катушкой.
Электронная схема
Логический элемент металлоискателя – электронная схема. Она выполняет много функций:
- Первая задача этого компонента заключается в создании электромагнитного сигнала нужного формата, который при помощи катушки преобразуется в поле.
- Вторая задача электронной схемы – анализ улавливаемых рамкой изменений поля, их обработка.
- Третья задача – подача информирующего сигнала оператору – звуком, светом, показаниями индикаторов и приборов.
Многие электронные устройства достаточно просты, их сборку может выполнить даже новичок. Полученное устройство будет работоспособным без настройки, если сборщик в точности выполнил рекомендации разработчика такой схемы.
Как сделать несложный металлоискатель для поиска на пляже

В этой статье я расскажу, как собрать простой металлоискатель для поиска монет и драгоценностей на пляже. Он состоит из одной микросхемы — таймера NE555N, катушки и еще нескольких радиокомпонентов.
Рассчитывайте потратить на постройку этого металлоискателя до 300 рублей!
Требующиеся материалы

Для сборки металлоискателя вам потребуется:
- микросхема таймера NE555N, в корпусе DIP;
- резистор 47 кОм;
- два конденсатора 2.2 мкФ, 16 В;
- кусочек контактной макетной платы;
- батарейка на 9 вольт, переключатель, колодка для батареи;
- электромеханический звукоизлучатель;
- 100 метров медного провода диметром 0.2 миллиметра;
- немного плотного картона и клей.
Вместо электромеханического звукоизлучателя можете использовать конденсатор на 10 мкФ и любой динамик с импедансом 8 Ом, включенные последовательно.
Схема металлоискателя

Идея металлоискателя взята из книги «499 схем на таймере NE555
». Я только добавил выключатель между батареей и микросхемой, а так же я использую электромеханический звукоизлучатель из старого электронного будильника вместо динамика.
Поисковая катушка

Cамая сложная часть металлоискателя это его катушка. Я рассчитал, что катушка диаметром 90 мм должна иметь примерно 260 витков медного лакированного провода диаметром 0.2 мм. При этом ее индуктивность как раз будет примерно 10 миллигенри.
Наматывал катушку аккуратно, виток к витку. Чтобы провода не распускались, сверху обмотал намотку белой изолентой.
Если вы хотите сделать катушку большего диаметра, чтобы увеличить дальность обнаружения цели, то в сети есть несколько онлайн калькуляторов, с помощью которых вы сможете ее рассчитать.
Монтажная плата

Я разместил все электронные компоненты на кусочке макетной платы. Соединения выполнял самым обычным проводом, который был под рукой. Сама пайка платы заняла не более 15 минут.
Размер платы примерно получился равным размеру спичечного коробка.
Корпус

Ручку металлоискателя для упрощения я решил сделать из картона. В ручку устанавливается монтажная плата, выключатель и батарейка.
Все это вырезалась из плотного картона и склеивалось клеем ПВА. После того, как клей высох, я сделал отверстия в картоне под плату и провода.
Затем, я приклеил поисковую катушку к ручке термоклеем. Последним шагом я, так же используя термоклей приклеил плату и батарейку внутрь ручки.
Заключение

Работает металлоискатель следующим образом: пока рядом с катушкой нет металлических предметов, звукоизлучатель пищит с одинаковой частотой; при поднесении металлического предмета, тон звука изменяется в сторону более высокого.
Дальность обнаружения большой монеты по воздуху по моим измерениям составила 5 – 7 сантиметров!
zen.yandex.ru
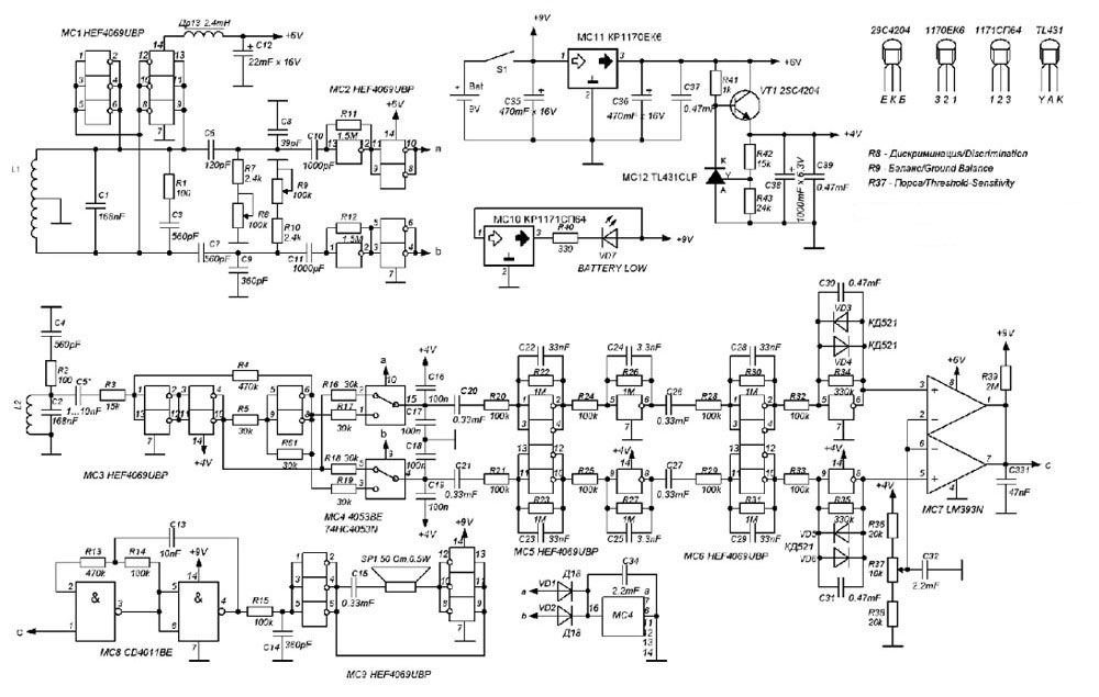
Схема металлоискателя пират
Схем мд пират достаточно много, так как прибор приобрел популярность, и некоторые авторы начали допиливать его для себя. В этой статье все их рассматривать не будем, а разберем только несколько распространенных и проверенных схем.
Схема металлоискателя пират на ne555
Это классическая схема металлоискателя пират, построена на микросхеме таймере ne555. На ее примере рассмотрим, как работает металлоискатель. Принцип работы прибора очень прост. Все завязано на компараторе, один вход которого соединён с генератором импульсов ne555, а второй с катушкой. Выход компаратора подсоединён к динамику. При обнаружении металла, сигнал с катушки идет на один из входов компаратора, если на двух входах имеется сигнал, то он появиться и на выходе, с выхода он идет на динамик, который сигнализирует нам о наличии металла под катушкой.
Будет интересно Как собрать самому Металлодетектор Шанс: Подробная инструкция и обзор прибора
Схема металлоискателя пират на транзисторах
Это вторая схема от автора, схема на транзисторах отличается от прошлой тем, что в качестве генератора сигналов тут используются транзисторы, это советские КТ-361 и КТ-315. Но если таких под рукой нет, то не стоит расстраиваться, можно подобрать аналоги, ведь эксперименты еще никто не запрещал.
Не авторские схемы
Существует еще несколько вариантов схем, о которых мы не можем не упомянуть. Это уже не авторская разработка, но проверенные на работоспособность.
Схема металлоискателя пират на tl072
Если Вы не можете отыскать достаточно редкую микросхему компаратора К157УД2. То можно заменить ее на зарубежную tl072, но тогда нужно немного сменить распиновку платы, так как у микросхемы tl072 меньше ножек. Печатная плата для изготовления мд пирата на этой микросхеме будет приложена ниже.
Схема металлоискателя пират на к561ла7

Эта схема не очень популярная, и о ней мало информации, если действительно интересуетесь этим вариантом, то рекомендуем изучить форум сайта автора. Видео работы на микросхеме к561ла7:
Технология работы
Большинство подобных приборов действует на электромагнитных импульсах. В целом, принцип работы металлоискателей «Пират», равно как и иных подобных моделей, можно описать следующим образом:
• Устройство создаёт в радиусе своего действия мощное электромагнитное поле.
• Объект из металла, который находится незаметно для глаз человека, при попадании под влияние такого поля начинает оказывать на него мощное воздействие.
• Прибор реагирует на оказываемое стороннее воздействие и выдает соответствующие ответные сигналы.
Большинство современных моделей металлоискателей устроены именно на данном принципе работы, который в целом можно назвать одним из наиболее эффективных при поисках металлов и предметов из них.
Но между разными аппаратами есть и существенные отличия. Технические возможности некоторых моделей позволяют искателю получать более полную картину о своей находке, которая попала в сферу влияния электромагнитного поля, исходящего от аппаратуры.
Так, металлоискатели дополнительно могут :
С приблизительной точностью оценивать массу.
Выдавать ориентировочные сведения о габаритных размерах и форме потенциальной находки.
Более точно оценивать место расположения и глубину залегания объекта под грунтом.
Выдавать сведения о том, объект из какого именно металла вероятнее всего попал в зону влияния.
В Интернете существует множество сведений о приборах различного уровня, особенностях их конструкции, а также самостоятельной сборке.
Наиболее простой и примитивный металлоискатель часто представляет собой самостоятельно собранную конструкцию, предназначенную для поиска различных видов металлов. Они обираются из готовых отдельных деталей, и работают на основе их электромагнитных импульсов.
Любители техники и радиоэлектроники возможно слышали об очень простой, однако показывающей неплохие результаты схеме металлоискателя. Согласно этой схеме, электромагнитное поле образует эффект импульса, схожий с небольшим калькулятором.
Реакцию, которая происходит при влиянии металлических объектов на электромагнитное поле можно с легкостью улавливать даже с помощью обычного радиоприемника, который используется в быту. Сигнал о подобной находке – громкий, отчетливый и понятный звук.
Если же вести речь о более сложных приборах, предназначенных уже для использования на профессиональном уровне, то такие металлоискатели обычно состоят из трех основных узлов:
Генератор электромагнитного поля.
Датчик, на котором отражаются изменения в поле.
Оборудование для дополнительной оценки обнаруженных предметов и сигнализации.
Металлоискатели могут иметь различные функциональные возможности и уровень сложности использования. Одна из общепринятых классификаций таких приборов разделяет их именно по этим параметрам:
• Любительские металлоискатели. Такие приборы чаще всего собираются вручную и применяются теми, для кого поиски больше похожи на хобби и увлечение, чем на профессиональную деятельность.
• Полупрофессиональная аппаратура. Это уже приборы, приобретаемые в специальных магазинах. Без этого оборудования не обойтись тем, для кого поиск металла стал чем-то большим, чем простое увлечение.
• Профессиональные металлоискатели. Этот вариант – дорогостоящая техника высшего уровня, с наиболее широким функционалом дополнительных опций и возможностей. Предназначены для тех, кто работает в данной сфере на постоянной основе.
• Спецтехника, предназначенная для ведения поисковых работ в нестандартных условиях: на большой глубине залегания, или даже под водой. Сюда же относятся металлоискатели, предназначенные для поиска отдельных видов металла. Например – существуют отдельные приборы, настроенные конкретно под поиски золота.
Любительские и полупрофессиональные модели металлоискателей вполне возможно купить в любом магазине дачного и садового инвентаря, который есть практически в любом, даже небольшом городе.
Металлоискатели – не только те приборы, которые используются при поиске различных кладов, старинных монет и артефактов
Всем известные рамки, используемые в системах безопасности при проведении массовых мероприятий, в крупных торговых центрах и объектах особой важности – один из вариантов реализации схожей технологии. Однако настройки этих рамок могут быть скорректированы и направлены на поиск оружия, взрывчатых веществ и других потенциально опасных предметов
Рассмотрим подробнее составляющие детали металлоискателя.














