Содержание
«Фарадеевский» фонарик — сборка
После того, как мы определились, из чего конкретно состоит фонарь Фарадея, стоит отметить, что у него все-таки есть источник питания, поэтому не правильно думать, что фонарику совсем не нужна батарея. Фактически, она разряжена, поэтому лампочка не горит.

Когда мы встряхнем фонарик, магнит или батарея будут проходить через индукционную катушку туда и обратно. Появится переменный ток, который, пройдя диодный выпрямительный мостик, станет ровным и постоянным.


В каждой инструкции по созданию фонаря будет сказано, что корпусом может служить любой предмет со светодиодной лампой или деталь, имеющая форму цилиндра, из пластмассы.
Фантазируйте, но не забывайте о свойствах выбираемого материала. В самодельных работах часто вместо аккумулятора используют конденсаторы.

Следуя из схемы по изготовлению, индукционная катушка образована двумя обмотками длиной сорок миллиметров (то есть каждая – по двадцать миллиметров, условно).
Рекомендуем посомтреть
-
Идеи как сделать станок для сверления — пошаговая инструкция как изготовить самодельное приспособление для сверления (80 фото)
-
Стропальные работы — что это? Особенности профессии, все обязанности, разрядность, преимущества и недостатки
-
Направленные Wi-Fi антенны — особенности выбора направления и варианты размещения оборудования (90 фото)

На обеих сторонах осуществляется намотка внахлест по шестьсот витков медного провода ноль/восемь миллиметров в толщину. От того, как была намотана катушка, будет зависеть и производительность всей конструкции.

Осуществляем все по разметке, первые витки строго друг к другу, обязательная фиксация клеем первого ряда. И далее виточки располагаются как можно аккуратнее и ближе друг к другу.


Это главные советы по монтажу фонарика своими руками. Встряхните свое устройство, если лампочка загорелась, значит, вы славно потрудились! Основную схему , как и фото самодельных фонарей , вы найдете в интернет- пространстве.

Сборка яркого фонарика на светодиодах
Для работы понадобится: большой шприц на 20 миллилитров, светодиод на 3,4 В/з Вт, подходящие по размеру линзы, кнопка небольшого размера, резистор с параметрами в 3 Ом/0,25 Вт, зарядный микромодуль ТР4056, небольшая пластинка из лёгкого металла (предпочтителен алюминий), медный кабель, АКБ на 3,7 Вт, клеящий материал, паяльник и расходники к нему, ножик, бормашинка, клеевой пистолет и обычная зажигалка.
Подготовка
Окружность пластикового колпака обводим на пластине из алюминия. Это необходимо для создания радиатора, который обезопасит светодиод от нагревания. Разметив пазы, вырезаем по контуру. Лучше всего это делать бормашинкой.
К тыловой части колпака наклеиваем будущий радиатор, предварительно вытащив линзы. Все отверстия должны совпасть.
Контакты светодиода необходимо пролудить и спаять с медной проводкой. Для безопасности спаянные места защитить кембриками и прогреть зажигалкой. Получившийся светодиод вставляем в колпачок с лицевой стороны.
Обработка корпуса
Рукоятка поршня шприца не нужна и его лучше убрать. Конус для игл тоже необходимо отрезать ножом и рядом проделать отверстия для контактов на соответствующем расстоянии. Контакты помещаем вовнутрь и на клеевую основу крепим пластиковый колпак.
Подключение
Литиевый аккумулятор необходимо поместить во внутрь будущего фонарика, предварительно прикрепив к нему клеммы. Контакты должны быть плотно зажаты аккумулятором. Для качественной работы, слегка подтянуть наружу.
Окончательный этап сборки
Припаиваемый к плате резистор подключается к кнопке. Пропаянные контакты защищаем при помощи термоусадочных кембриков.
Оставшиеся три контакта подключаем согласно схеме. Последним подключаем кнопочный выключатель. Всем этим начиняем оставшееся место корпуса фонарика, оставив наверху USB-вход и кнопку.
Фонарик готов к использованию и, по утверждению авторов схемы, может проработать около десяти часов на одном заряде.
На просторах интернета можно найти множество фото лучших самодельных фонариков и идей. Здесь приведена лишь самая простая, бюджетная, но качественная схема, которая не вызовет трудностей даже у начинающего мастера.
Самодельный светодиодный фонарь
Наряду с качественными светодиодными фонарями в магазинах часто встречаются дешевые подделки. Светодиоды в них быстро выгорают, в результате чего покупка быстро превращается в бесполезный мусор. Поэтому многие любители домашнего мастерства не без основания считают, что добросовестно выполненная самоделка гораздо надежнее и долговечнее покупного фонаря.

Аккумуляторный фонарь – основные детали (фото)
Поскольку светодиодные лампы давно покинули ряды дорогостоящих и дефицитных изделий, собрать комплектующие для работы труда не составляет.
Материалы и инструменты
За светодиодами вам придется идти в магазин, а аккумулятор сначала поищите дома: возможно, у вас валяется надоевшая вашему чаду (или младшему братишке) радиоуправляемая игрушка. Вообще большая часть необходимых материалов у вас наверняка уже есть. Надо только провести ревизию скопившегося «хлама».
Итак, вам надо приготовить:
- светодиодную лампу;
- аккумулятор на 12 В;
- кусок трубы, лучше ПВХ диаметром 50 мм;
- клей для ПВХ;
- два резьбовых фитинга ПВХ;
- резьбовую заглушку (тоже ПВХ);
- кусочек пенопласта;
- тумблер;
- изоленту.
Собрав все необходимые материалы, позаботьтесь об инструменте. Для работы вам потребуется:
- ножовка;
- надфиль;
- паяльник;
- припой;
- бокорезы;
- наждачка.
Приступаем к работе
Для начала при помощи пайки собираем электрическую цепь, состоящую из светодиодной лампы, аккумулятора и тумблера. После сборки можно проверить работу цепи и, если светодиод включается-выключается при манипуляциях тумблером, можете приступать к сборке механической части фонарика:
- в фитинге вырежьте отверстие под лампу (по краям пройдитесь надфилем);
- измерьте суммарную длину светодиода и аккумулятора и под этот размер отрежьте от трубы заготовку для корпуса;
- перед установкой лампы края отверстия смажьте клеем: так вы защитите внутренне пространство фонарика от попадания влаги. Дополнительную защиту обеспечат заглушка и фитинги;
- тумблер устанавливается под заглушкой, со стороны, противоположной лампе;
- подождите, пока клей высохнет – и можете приступать к испытаниям фонаря.
Вот так можно смастерить работоспособный светодиодный фонарик. На рыбалку и в поход с ним лучше не ходить, но светодиодный светильник для гаража и дома будет служить вполне эффективно.
Схема светодиодного фонарика
Домашние мастера хорошо знаю принцип работы светодиода и поэтому редко используют их по причине специфических характеристик. Обеспечить благоприятные условия для их работы можно при помощи простейшей схемы преобразователя напряжения.

Простейшая схема преобразователя напряжения
Питание светодиода осуществляется чрез транзисторный преобразователь.
В его состав входят:
- два транзистора;
- трансформатор;
- резистор.
Выводы обмоток соединяются по схеме, указанной на рисунке. Светодиод устанавливается на место лампы накаливания в корпус фонарика (он должен на 1 мм выступать из гнезда).

Схема подключения элементов в светодиодном фонарике

Светодиодный фонарь – устройство
Зарядное устройство с автоматическим выключением для аккумуляторного фонаря
Зарядное устройство с автоматическим выключением
В большинстве простейших зарядных устройств для никель-кадмиевых аккумуляторных батарей, применяемых, например, в карманных фонарях, не предусмотрено автоматическое прекращение зарядки. Сигнализирующий о её ходе светодиод зачастую продолжает светиться (иногда с пониженной яркостью) и после того, как батарея зарядилась полностью. Так, существует опасность выхода из строя некоторых элементов включённого в сеть зарядного устройства при нарушении контакта в цепи заряжаемой батареи.
Предлагаемое устройство, схема которого изображена на рисунке, за счёт незначительного усложнения лишено этих недостатков. Зарядка автоматически прекращается по достижении напряжением на аккумуляторной батарее заданного значения.

Ток зарядки зависит от ёмкости «гасящего» конденсатора С1. Применение двухполупериодного выпрямителя (диодного моста VD1—VD4) позволило вдвое уменьшить ёмкость этого конденсатора по сравнению с требующейся при однополупериодном выпрямителе. Это даёт возможность использовать конденсатор меньших размеров Пока тринистор VS1 закрыт, выпрямленный ток течёт через светодиод HL1 и заряжает батарею GB1. Свечение светодиода сигнализирует об идущей зарядке.
Напряжение открывания тринистора VS1 зависит от номиналов резисторов R4 и R5. Как только оно будет достигнуто, тринистор откроется, падение напряжения на нём станет меньше напряжения батареи. Светодиод HL1 окажется включённым в обратной полярности. Весь выпрямленный ток потечёт теперь через тринистор, а не через светодиод и батарею. Зарядка прекратится, а светодиод погаснет.
Благодаря конденсатору С2 ток через тринистор не спадает до нуля по окончании каждого полупериода сетевого напряжения, что могло бы привести к закрыванию тринистора. Он остаётся открытым до отключения устройства от сети. Тринистор откроется и при случайном или преднамеренном отключении аккумуляторной батареи, не давая напряжению на конденсаторе С2 превысить допустимое значение и этим защищая его и диоды VD1 —VD4 от пробоя.
Для налаживания устройства устанавливают в него временно вместо постоянного резистора R4 переменный сопротивлением 100 кОм и подключают частично заряженную батарею из трёх никель-кадмиевых аккумуляторов, последовательно с которой соединён переменный резистор сопротивлением 100…200 Ом. Батарея включается на зарядку, причём суммарное напряжение на .ней и последовательном переменном резисторе его движком устанавливают равным 4,3…4,4 В, что соответствует рекомендованному в статье В. Кириченко «Устройства контроля зарядки и разрядки аккумуляторов ручного фонаря» в «Радио», 2001, № 7, с. 36, 37
Медленно уменьшая сопротивление переменного резистора, заменившего R4, добиваются выключения светодиода HL1. Переменный резистор выпаивают, измеряют его сопротивление и заменяют постоянным ближайшего номинала. Далее устанавливают на минимум движок переменного резистора, включённого последовательно с батареей, и вновь начинают зарядку. Постепенно увеличивая сопротивление этого резистора, убеждаются, что светодиод погаснет, а зарядка прекратится при том же напряжении на батарее и резисторе, что и в первом случае. Теперь можно, исключив переменный резистор, подключить батарею непосредственно к зарядному устройству.
Конденсатор С1 должен быть рассчитан на работу при переменном напряжении частотой 50 Гц не менее 250 В. Учтите, что на конденсаторах, как правило, указано допустимое постоянное напряжение. Оно должно быть не менее 630 В. Ёмкость конденсатора выбирают из расчёта 0,1 мкФ на каждые 6 мА зарядного тока (при напряжении в сети 220 В). Диоды и тринистор могут быть любыми, выдерживающими с некоторым запасом зарядный ток аккумулятора и напряжение полностью заряженной батареи, желательно малогабаритными.
Тринистор КУ103А можно заменить более современным и имеющим меньший ток управления, например КУ112А. Если наблюдаются его ложные включения под воздействием помех, между выводами катода и анода тринистора рекомендуется подключить керамический или плёночный конденсатор ёмкостью 0,01…0,1 мкФ.
Автор использовал описанное устройство для зарядки установленной в карманном фонаре батареи аккумуляторов неизвестного типа, по внешнему виду и размерам похожих на аккумуляторы Д-0,26. Монтируя и налаживая зарядное устройство, следует помнить, что все его элементы находятся под сетевым напряжением. Зарядные устройства Схемы зарядных устройств Аккумуляторы
Самодельный светодиодный фонарь на 12 V: необходимые материалы и инструменты
Следует сказать сразу: в результате получится габаритный прибор, который скорее будет похож на небольшой прожектор. Однако изделие все равно можно носить с собой, чтобы, например, найти ночью дорогу домой. Устройство фонаря такого типа довольно простое, поскольку для его изготовления понадобится немного деталей, а точнее:
- светодиодная (LED) лампа на 12 V;
- двухдюймовая (50 мм) полимерная труба;
- два резьбовых фитинга и заглушка для ПВХ;
- клей для пластика;
- тумблер;
- изолента, нейлоновые стяжки и термоусадочные трубки — материалы, необходимые для монтажа электропроводки;
- аккумулятор на 12 V.
Последний элемент можно сделать самостоятельно из 8–12 штук батареек, используемых в радиоуправляемых машинках. Их нужно объединить в один аккумулятор, напряжение которого будет составлять 12 V. Из инструментов надо подготовить ножовку, напильник, наждачную бумагу, кусачки и паяльник с припоем.

Как собрать садовый светильник на солнечных батареях своими руками
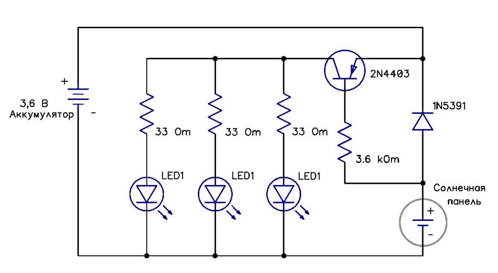
Типовая схема таких светильников очень простая, она состоит всего из семи элементов:
- резистор 47КОм;
- резистор 56Ом;
- диод КД243А (либо импортный 1N4001/7/ 1N4148);
- транзистор КТ361Г (либо импортный 2N3906);
- аккумулятор 3,7В/1500мАч;
- солнечная панель 5,5В/2Вт;
- светодиоды — один мощностью 3 Вт или несколько по 1-1,5Вт.
Ниже приведена базовая схема светильника на солнечной батарее.

Принцип действия предложенной цепи прост. Когда солнечный свет падает на панель, транзистор закрыт, и энергия накапливается на аккумуляторе. Когда на солнечную панель перестает попадать свет, транзистор открывается, и ток идет на светодиоды. Таким образом, в течение светового дня светильник заряжается, а вечером и ночью он светится. Для заряда хватает восьми часов, а время работы зависит от емкости аккумулятора и силы свечения светодиодов.
Собрать схему способен даже начинающий любитель. Есть несколько вариантов монтажа.
- Самостоятельно сделать небольшую плату (2х3см), вытравить на ней дорожки, а затем припаять все элементы схемы.
- Собрать схему без платы навесным монтажом. Но тогда позаботьтесь о качественной изоляции для стыков проводков и элементов, чтобы при помещении всех элементов в корпус фонарика не случилось замыкания цепи.
В обоих случаях схема без труда поместится в колпачке от дезодоранта. Там же можно разместить и аккумулятор. А солнечную панель при помощи термоклея можно прикрепить сверху. Для усиления яркости светильника используйте отражатель. Его делают из фольги или старого компакт-диска.
Преимущества LED светильников
Светодиодные осветительные элементы вытесняют с рынка привычные лампы накаливания. Это вызвано рядом преимуществ LED технологий:
- Отдача света в полупроводниках происходит более интенсивно. Они превосходят лампы накаливания по освещенности в 8 раз, а также работают лучше, чем натриевые или энергосберегающие приборы.
- За счет высокого коэффициента полезного действия по сравнению с распространенными лампочками светодиоды способны сэкономить от 60 до 90% электроэнергии. LED устройства расходуют меньше ресурсов, чем энергосберегающие (на 15-20%).
- Стоимость обслуживания полупроводников ниже, так как они имеют небольшое количество отказов и сбоев. Светодиоды используются в сложных эксплуатационных условиях – для аварийных систем, на высотных архитектурных объектах, в конструкциях с дорогой установкой, в освещении мостов.
- Новые приборы устанавливаются быстро, с немалой экономией по затратам на кабель, который в полупроводниках нужен меньшего диаметра.
- Продолжительность службы LED устройств: более 15 лет при работе по 8 часов в сутки.
- Для питания светодиодов применяют низкое напряжение. Это делает их монтаж и эксплуатацию безопаснее аппаратуры, рассчитанной на 220/380 В.
- Полупроводники обладают хорошей устойчивостью к вибрации, повышенной механической прочностью, высокими температурными характеристиками.
- Индекс цветопередачи полупроводниковых приборов превышает 80. Без потери энергии и использования фильтров устройства способны обеспечить глубокие и чистые цвета света.
- LED приборы подходят для таймеров, датчиков объема, диммеров (регуляторов силы света). Светодиоды широко применяются в программируемой аппаратуре с изменяемой интенсивностью освещения.
- В диодных изделиях отсутствуют ультрафиолетовое и инфракрасное излучения, свет монохроматический, нет стробирования и бликов. Это позволяет применять их в осветительных системах разного назначения, размеров и форм.
- У светодиодов минимальное время запуска. Даже при морозной погоде прибор мгновенно набирает цветовую температуру и заданный уровень освещенности.
- Из-за отсутствия вредных излучений и тепла полупроводники могут безопасно применяться в медицинских целях, а также для освещения помещений с людьми, животными и растениями.
- Приборы перерабатываются после выслуги положенного срока без получения опасных для экологии веществ.
https://youtube.com/watch?v=_ecU7DcH664
Проекты по теме:
К сожалению аккумулятор был изношен и его хватало для работы фонаря в течение 2 часов.

По этой причине от перегрева и сгорела первичная обмотка трансформатора. При подключении зарядного устройства напряжение на клеммах аккумулятора не изменялось, стало очевидным, что зарядное устройство не работает. Однако на практике это не совсем так, т
Но, хочу заострить ваше внимание, если корпус фонарика металлический — зарядное устройство туда не монтируйте, а сделайте его выносным, то есть отдельно. Назначение кружка — двойное
Состоит из двух ячеек по 2 вольта, соединённых последовательно. Типовыми неисправностями фонариков с аккумулятором являются: Выход из строя элементов сетевого выпрямителя диодов, электролитического конденсатора, резистора в цепи индикации ; Неисправность кнопки-выключателя легко чинится любой подходящей кнопкой с фиксацией или же рокерным выключателем ; Деградация старение аккумулятора;.
При положении движка переключателя в крайнем левом положении общий вывод подключается к левому выводу переключателя. Этот фонарик за доллара. Все три светодиода от аккумуляторов при номинальном напряжении 3,6 В потребляют ток не более 75…80 мА по мере разряда элементов ток будет снижаться, но все равно свечение будет достаточно ярким для подсветки. Введение транзисторов выровняло яркость, однако они имеют сопротивление и на них падает напряжение, что вынуждает преобразователь повышать уровень выходного до 4В, для снижения падения напряжения на транзисторах можно предложить схему на рис. Как оказалось в ручке небыло радиоэлектронных элементов. ВОССТАНОВЛЕНИЕ ГЕЛЕВЫХ АККУМУЛЯТОРОВ СВОИМИ РУКАМИ
Схема фонарика на светодиодах
В современных условиях лампы накаливания интенсивно вытесняются светодиодами. Они не выдержали конкуренции из-за более низкого КПД и меньшего срока службы. В переносных ручных светильниках полупроводниковые светоизлучающие элементы также получили широкое распространение. Но просто взять и заменить лампочку светодиодом (или матрицей из светодиодов) не получится. Нужно устройство, которое ограничило бы ток через полупроводниковые элементы. Оно называется драйвером и представляет собой электронный стабилизатор тока.

Схема карманного фонарика на светодиодной матрице.
Недостатком такой схемы является невысокая ремонтопригодность такого фонаря – для восстановления электронной схемы потребуется квалифицированный мастер и соответствующее лабораторное оборудование.

Схема карманного фонарика на светодиодной матрице с резистором в качестве драйвера.
Драйвером может служить обычный резистор, который ограничит ток и погасит излишки напряжения. Но на сопротивлении будет бесполезно теряться достаточно большая мощность. Для фонаря с питанием от сети этот факт не важен, а для светильника с батарейным или аккумуляторным питанием такой недостаток может оказаться критическим.
Светодиодный аккумуляторный фонарь — схема, ремонт, как сделать
В качестве образца возьмём аккумуляторный фонарик фирмы «ДиК», «Люкс» или «Космос» (см. на фото). Этот карманный фонарик, малогабаритный, удобный в руке и с достаточно большим рефлектором — 55,8 мм в диаметре, светодиодная матрица которого имеет 5 белых светодиодов, что обеспечивает хорошее и большое пятно освещения.
Кроме того форма фонарика всем знакома, а многим ещё с детства, одним словом — бренд. Зарядное устройство находится внутри самого фонарика, стоит только снять сзади крышку и воткнуть его в розетку. Но, ни что не стоит на месте и эта конструкция фонарика тоже претерпела изменений, особенно его внутренняя начинка. Последняя модель на данный момент — ДИК АН 0-005 (или ДиК-5 ЕВРО).
Более ранние версии — это ДИК АН 0-002 и ДИК АН 0-003 отличаются тем, что в них стояли дисковые аккумуляторы (3 шт), Ni-Cd серии Д-025 и Д-026, ёмкостью 250 мА/часов, или в модели АН 0-003 — сборка уже более новых аккумуляторов Д-026Д с большей емкостью, 320 мА/ч и лампочки накаливания на 3,5 или 2,5 В, с током потребления 150 и 260 мА соответственно. Светодиод, для сравнения, потребляет около 10 мА и даже матрица из 5 штук — это 50 мА.
Конечно, при таких характеристиках фонарик не мог долго светить, его максимум хватало на 1 час, особенно первые модели.
Что же такого есть в последней модели фонарика ДИК АН 0-005?
Ну во-первых — светодиодная матрица из 5 светодиодов, в отличие от 3-х или лампочки накаливания, что даёт значительно больше света при меньшем токе потребления, а второе — в фонарике стоит всего лишь 1 пальчиковый современный Ni-MH аккумулятор на 1,2-1,5 В и ёмкостью от 1000 до 2700 мА/ч.
Некоторые спросят, а как же пальчиковый аккумулятор на 1,2 В может «зажечь» светодиоды, ведь чтобы они ярко светили надо примерно 3,5 В? По этой причине в более ранних моделях ставили последовательно 3 аккумулятора и получали 3,6 В.
Но, тут уже не знаю кто первый придумал, китайцы или кто-то другой, сделать преобразователь (умножитель) напряжения с 1,2 В до 3,5 В. Схема простая, в китайских фонариках это всего лишь 2 детали — резистор и радиодеталь похожая на транзистор с маркировкой — 8122 или 8116, или SS510, или SK5B. SS510 — это диод Шоттки.
Светит такой фонарик хорошо, ярко, и что не маловажно — долго, а циклов заряд-разряд не 150, как в предыдущих моделях, а на много больше, что увеличивает срок службы в разы. Но!! Чтобы светодиодный фонарик служил долго, надо вставлять его в розетку с 220 В в выключенном состоянии! Если этого правила не придерживаться то при зарядке можно легко сжечь диод Шоттки (SS510), а часто заодно и светодиоды. Мне однажды пришлось ремонтировать фонарик ДИК АН 0-005
Не знаю точно, что послужило причиной выхода его из строя, но предполагаю, что воткнули его в розетку и забыли на несколько суток, хотя по паспорту заряжать надо не более 20 часов. Короче — вышел из строя аккумулятор, потёк, и сгорело 3 светодиода из 5, плюс преобразователь (диод) тоже перестал работать
Мне однажды пришлось ремонтировать фонарик ДИК АН 0-005. Не знаю точно, что послужило причиной выхода его из строя, но предполагаю, что воткнули его в розетку и забыли на несколько суток, хотя по паспорту заряжать надо не более 20 часов. Короче — вышел из строя аккумулятор, потёк, и сгорело 3 светодиода из 5, плюс преобразователь (диод) тоже перестал работать.
Аккумулятор пальчиковый на 2700 мА/ч у меня был, остался от старого фотоаппарата, светодиоды тоже, а вот найти деталь — SS510 (диод Шоттки), оказалось проблематично. Этот светодиодный фонарик скорее всего китайского происхождения и такую деталь наверное можно купить только там. И тогда решил слепить преобразователь напряжения из тех деталей что есть, т.е. из отечественных: транзистора КТ315 или КТ815, в/ч трансформатора и других (см. схему).
Схема не нова, она давно уже существует, я её только использовал в этом фонарике. Правда, вместо 2 радиодеталей, как у китайцев, у меня получилось 3, зато дармовые.
Электрическая схема, как видите, элементарная, самая сложная вещь — это намотать ВЧ-трансформатор на ферритовом кольце. Кольцо можно использовать со старого импульсного блока питания, от компьютера, или от энергосберегающей нерабочей лампочки (см. фото).
Внешний диаметр ферритового кольца 10-15 мм, толщина примерно 3-4 мм. Надо намотать 2 обмотки по 30 витков проводом 0,2-0,3 мм, т. е. мотаем сначала 30 витков, затем делаем отвод от середины и ещё 30. Если ферритовое кольцо берёте с платы люминесцентной лампочки — лучше использовать 2 штуки, сложить их вместе.
Вечный фонарик или фонарик Фарадея | Мастер-класс своими руками | Молодежный информационный портал
Вечный фонарик или фонарик Фарадея так называют фонарик с источником альтернативного питания. То есть данный фонарь не требует батареек или зарядки аккумулятора. Что бы его «зажечь» необходимо его потрясти. В самом фонарике стоит генератор и аккумуляторная батарея.
Давайте сначала познакомимся с заводским фонарем:

Я постарался максимально разрисовать конструкцию. Суть в том, что цилиндрический постоянный магнит свободно болтается в трубке — корпусе между резиновыми упорами или пружинками (где как) . А в цетре трубки намотана катушка. При тряске магнит бегает вверх вниз внутри катушки, создавая в ней при этом переменное электричество.

Далее это электричество поступает на диодный мостик и превращается в постоянное и заряжает аккумуляторы напряжением 3 вольта.

Посмотрим без корпуса.

Мы видим соленоид, цилиндрический магнит, ограничители, небольшую плату с диодами, переключателем и аккумуляторы. Ах да и светодиод на плате.

Трясем фонарик, включаем. Работает !

А вот наш опытный образец:

Коробочка из под Тик-так. Трубка на которую намотана катушка — корпус от шариковой ручки. Пару магнитиков от жесткого диска, есть там такие. Да, вместо аккумуляторов использованы конденсаторы. Белый светодиод. пару диодов.

Схема.
Есть особенность намотки катушки. Как Вы, наверное, заметили из схемы — катушка состоит из двух обмоток, общая длина катушки 40 мм. Делим мысленно попала. На первой половине наматываем 600 витков самого тонкого провода диаметром примерно 0,08мм. И на второй половине 600 витков. Вот и всё — двух секционная катушка готова. Далее по схеме.
Не забудте про ограничители, чтоб магнитики отталкивались и шустренько скакали.
А вот мой более мощный образец. Тут уже использована катушка с большим числом витов и трех секционный магнит.

Желаю удачных самоделок !





