Содержание
Схема линейного стабилизатора напряжения 12в
В линейных стабилизаторах используются микросхемы КРЕН, а также LM7805, LM1117 и LM350. Следует отметить, что символика КРЕН не является аббревиатурой. Это сокращение полного названия микросхемы стабилизатора, обозначаемой как КР142ЕН5А. Таким же образом обозначаются и другие микросхемы этого типа. После сокращения такое название выглядит по-другому – КРЕН142.
Линейные стабилизаторы или стабилизаторы напряжения постоянного тока схемы получили наибольшее распространение. Их единственным недостатком считается невозможность работы при напряжении, которое будет ниже заявленного выходного напряжения.
Например, если на выходе LM7805 нужно получить напряжение в 5 вольт, то входное напряжение должно быть, как минимум 6,5 вольт. При подаче на вход менее 6,5В, наступит так называемая просадка напряжения, и на выходе уже не будет заявленных 5-ти вольт. Кроме того, линейные стабилизаторы очень сильно нагреваются под нагрузкой. Это свойство лежит в основе принципа их работы. То есть, напряжение, выше стабилизируемого, преобразуется в тепло. Например, при подаче на вход микросхемы LM7805 напряжения 12В, то в этом случае 7 из них уйдут для нагрева корпуса, и лишь необходимые 5В поступят потребителю. В процессе трансформации происходит настолько сильный нагрев, что данная микросхема просто сгорит при отсутствии охлаждающего радиатора.
Схема истокового повторителя.
Биполярным аналогом этого устройства является эмиттерный повторитель (о нем шла речь тут). Вот как выглядит простейший повторитель на полевом транзисторе:

Ну давайте разбираться что же и как этот повторитель повторяет Напряжение на выходе:
U_и = i_с\medspace R_1
Ток стока мы можем определить через напряжение затвор-исток следующим образом:
i_с = g_m\medspace U_{зи} = g_m\medspace (U_з\medspace-\medspace U_и)
Подставляем i_с в формулу для U_и и получаем вот что:
U_и = \frac{R_1\medspace g_m}{1 + R_1\medspace g_m}\medspace U_з
И если сопротивление нагрузки R_1 намного превышает величину \frac{1}{g_m}, то мы получаем довольно-таки хороший повторитель (U_з = U_и).
Но у этой схемы есть парочка существенных недостатков. Во-первых, характеристики полевого транзистора трудно поддаются контролю при изготовлении, поэтому такой истоковый повторитель может иметь непредсказуемое смещение по постоянному току. А во-вторых, такой повторитель имеет довольно-таки большое выходное сопротивление, соответственно, амплитуда выходного сигнала все-таки будет меньше, чем амплитуда сигнала на входе.
Более качественный повторитель получается при использовании согласованных пар транзисторов. Такая схема выглядит следующим образом:

Рассмотрим работу данной схемы. Полевик Q2 задает определенный ток. Этот ток соответствует напряжению затвор-исток, равному нулю. Транзисторы включены последовательно, значит через Q1 течет такой же ток, а так как полевики абсолютно одинаковые, то и для Q1 напряжение затвор-исток равно нулю. В то же время:
U_{зи} = U_з\medspace-\medspace U_и = U_{вх}\medspace-\medspace U_{вых} = 0
Вот и получаем, что U_{вх} = U_{вых}, то есть напряжение на выходе повторяет сигнал на входе.
Эту схему истокового повторителя можно еще модернизировать, добавив резисторы в цепь истока. С помощью подбора их значений можно установить разные значения тока стока:

На этом заканчиваем с истоковыми повторителями и переходим к некоторым другим схемам на полевых транзисторах
Регулируемый стабилизатор напряжения схема
Нередко возникают ситуации, когда напряжение, выдаваемое стабилизатором, необходимо отрегулировать. На рисунке представлена простая схема регулируемого стабилизатора напряжения и тока, позволяющая не только стабилизировать, но и регулировать напряжение. Ее можно легко собрать даже при наличии лишь первоначальных познаний в электронике. Например, входное напряжение составляет 50В, а на выходе получается любое значение, в пределах 27 вольт.
В качестве основной детали стабилизатора используется полевой транзистор IRLZ24/32/44 и другие аналогичные модели. Данные транзисторы оборудуются тремя выводами – стоком, истоком и затвором. Структура каждого из них состоит из металла-диэлектрика (диоксида кремния) – полупроводника. В корпусе расположена микросхема-стабилизатор TL431, с помощью которой и настраивается выходное электрическое напряжение. Сам транзистор может оставаться на радиаторе и соединяться с платой проводниками.
Данная схема может работать с входным напряжением в диапазоне от 6 до 50В. Выходное напряжение получается в пределах от 3 до 27В и может быть отрегулировано с помощью подстрочного резистора. В зависимости от конструкции радиатора, выходной ток достигает 10А. Емкость сглаживающих конденсаторов С1 и С2 составляет 10-22 мкФ, а С3 – 4,7 мкФ. Схема сможет работать и без них, однако качество стабилизации будет снижено. Электролитические конденсаторы на входе и выходе рассчитываются примерно на 50В. Мощность, рассеиваемая таким стабилизатором, не превышает 50 Вт.
Простой стабилизатор тока на транзисторе
Параметры компонентов и рабочие характеристики схемы:
- R1 выбирают 1-15 Ом;
- R2 – от 150 до 250 Ом;
- D1 – стабилитрон или резистор подходящего номинала;
- Q1 – КТ 818 или аналог;
- напряжение источника питания – от 8 до 40 V;
- ток на выходе – 0,5-4,5А.

Пояснения:
- R2 и D2 формируют стандартный делитель напряжения;
- изменением потенциала на базе корректируется ток в цепи коллектора;
- при подключении мощной нагрузки R1 сильно нагревается;
- для точной регулировки выходных параметров устанавливают переменное сопротивление R2 (изменяют порог насыщения на соответствующем полупроводниковом переходе);
- при необходимости увеличивают выходной ток с применением составного транзистора.
Если расчет сделан точно, в рабочем диапазоне стабилизация тока выполняется с минимальными потерями. Простую схему несложно изготовить собственными руками даже без предыдущего опыта сборки.
Схемы инверторов
Получившееся выпрямленное напряжение поступает на преобразователь (инвертор). Его выполняют на биполярных или полевых транзисторах, а также на IGBT-элементах, сочетающих свойства полевых и биполярных. В последние годы получили распространение мощные и недорогие полевые транзисторы с изолированным затвором (MOSFET). На таких элементах удобно строить ключевые схемы инверторов. В схемах импульсных блоков питания используются различные варианты включения MOSFET, но в основном применяются двухтактные схемы из-за простоты и возможности наращивания мощности без существенных переделок.
Пуш-пульная схема

Схема пуш-пульного преобразователя.
Пуш-пульный инвертор (push – толкать, pull – тянуть) — пример двухтактного преобразователя. Транзисторные ключи работают на первичную обмотку трансформатора, состоящую из двух полуобмоток I и II. Транзисторы поочередно открываются на заданный промежуток времени. Когда открыт верхний по схеме транзистор, ток течет через полуобмотку I (красная стрелка), когда второй – через полуобмотку II (зеленая). Чтобы избежать ситуации, когда оба ключа открыты (из-за конечной скорости работы транзисторов), схема управления формирует паузу, называемую Dead time.

Управление транзисторами с учетом Dead time.
Такая схема хорошо работает при низком напряжении питания (до +12 вольт). Минусом является наличие выбросов амплитудой, равной удвоенному напряжению питания. Это влечет за собой применение транзисторов, рассчитанных на вдвое большее напряжение.
Мостовая схема
От главного недостатка предыдущей схемы свободна двухтактная мостовая.

Двухтактная мостовая схема инвертора.
Здесь одновременно открывается пара транзисторов T1 и T4, потом Т2 и Т3 (сигнал управления ключами формируется с учетом Dead time). При этом первичная обмотка подключается к источнику питания то одной стороной, то другой. Амплитуда импульсов равна полному напряжению питания, и выбросы напряжения отсутствуют. К минусам относят применение четырех транзисторов вместо двух. Помимо увеличения габаритов БП это ведет к удвоенным потерям напряжения.
Полумостовая схема
На практике часто применяют полумостовую схему инвертора – в определенной мере компромисс между предыдущими двумя схемами.

Полумостовая схема.
В этом случае одна сторона обмотки коммутируется поочередно открывающимися транзисторами Т1 и Т2, а другая подключается к средней точке емкостного делителя С1, С2. Достоинства схемы:
- в отличие от пушпульной отсутствуют выбросы напряжения;
- в отличие от мостовой используются только два транзистора.
На другой чаше весов – обмотка трансформатора запитана лишь от половины напряжения питания.
Однотактные схемы
В схемотехнике преобразователей применяются и однотактные схемы – прямоходовые и обратноходовые. Их принципиальное отличие от двухтактных – трансформатор (точнее, его первичная обмотка) служит одновременно накопительной индуктивностью. В обратноходовых схемах энергия накапливается в первичной обмотке во время открытого состояния транзистора, а отдается в нагрузку через вторичную обмотку во время закрытого. В прямоходовых накопление энергии и отдача потребителю происходит одновременно.

Две фазы работы обратногоходового однотактного инвертора.
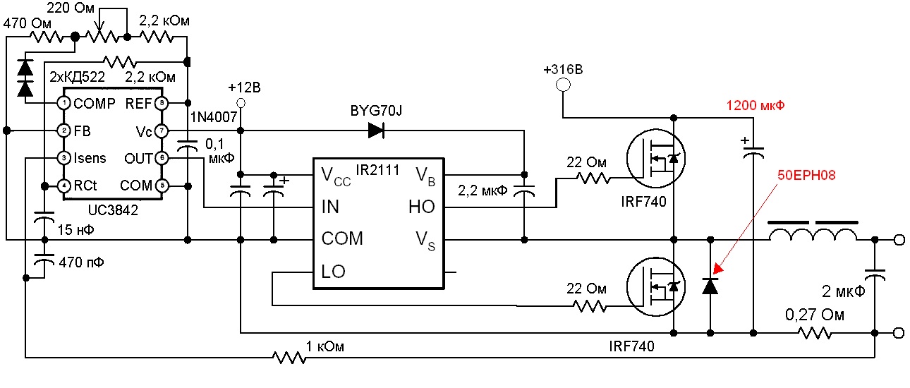
Стабилизированный регулируемый блок питания с защитой от перегрузок
Множество радиолюбительских блоков питания (БП) выполнено на микросхемах КР142ЕН12, КР142ЕН22А, КР142ЕН24 и т.п. Нижний предел регулировки этих микросхем составляет 1,2…1,3 В, но иногда необходимо напряжение 0,5…1 В. Автор предлагает несколько технических решений БП на базе данных микросхем.
Интегральная микросхема (ИМС) КР142ЕН12А (рис.1) представляет собой регулируемый стабилизатор напряжения компенсационного типа в корпусе КТ-28-2, который позволяет питать устройства током до 1,5 А в диапазоне напряжений 1,2…37 В. Этот интегральный стабилизатор имеет термостабильную защиту по току и защиту выхода от короткого замыкания.
Рис.1. ИМС КР142ЕН12А
На основе ИМС КР142ЕН12А можно построить регулируемый блок питания, схема которого (без трансформатора и диодного моста) показана на рис.2. Выпрямленное входное напряжение подается с диодного моста на конденсатор С1. Транзистор VT2 и микросхема DA1 должны располагаться на радиаторе. Теплоотводящий фланец DA1 электрически соединен с выводом 2, поэтому если DA1 и транзистор VD2 расположены на одном радиаторе, то их нужно изолировать друг от друга. В авторском варианте DA1 установлена на отдельном небольшом радиаторе, который гальванически не связан с радиатором и транзистором VT2.

Вы здесь
Главная › Инженеру-конструктору › 3. Электрооборудование, электроустановки › 3. Раздел 3.
Для получения более постоянного напряжения на нагрузке при изменении потребляемого тока к выходу выпрямителя подключают стабилизатор, который может быть выполнен по схеме, приведенной на рис. 1. В таком устройстве работают стабилитрон V5 и регулирующий транзистор V6. Расчет позволит выбрать все элементы стабилизатора, исходя из заданного выходного напряжения Uн и максимального тока нагрузки Iн. Однако оба эти параметра не должны превышать параметры уже рассчитанного выпрямителя. А если это условие нарушается, тогда сначала рассчитывают стабилизатор, а затем — выпрямитель и трансформатор питания. Расчет стабилизатора ведут в следующем порядке.
1. Определяют необходимое для работы стабилизатора входное напряжение (Uвып) при заданном выходном (Uн):
Uвып = Uн + 3,
Здесь цифра 3, характеризующая минимальное напряжение между коллектором и эмиттером транзистора, взята в расчете на использование как кремниевых, так и германиевых транзисторов. Если стабилизатор будет подключаться к готовому или уже рассчитанному выпрямителю, в дальнейших расчетах необходимо использовать реальное значение выпрямленного напряжения Uвып.
2. Рассчитывают максимально рассеиваемую транзистором мощность:
Рmах = 1,3 (Uвып — Uн) Iн,
3. Выбирают регулирующий транзистор. Его предельно допустимая рассеиваемая мощность должна быть больше значения Рmax, предельно допустимое напряжение между эмиттером и коллектором — больше Uвып, а максимально допустимый ток коллектора — больше Iн.
4. Определяют максимальный ток базы регулирующего транзистора:
Iб.макс = Iн / h21Э min,
где: h21Эmin — минимальный коэффициент передачи тока выбранного (по справочнику) транзистора..
5. Подбирают подходящий стабилитрон. Его напряжение стабилизации должно быть равно выходному напряжению стабилизатора, а значение максимального тока стабилизации превышать максимальный ток базы Iб max.
6. Подсчитывают сопротивление резистора R1:
R1 = (Uвып — Uст) / (Iб max + Iст min),
Здесь R1 — сопротивление резистора R1, Ом; Uст — напряжение стабилизации стабилитрона, В; Iб.max — вычисленное значение максимального тока базы транзистора, мА; Iст.min — минимальный ток стабилизации для данного стабилитрона, указанный в справочнике (обычно 3…5 мА). .
7. Определяют мощность рассеяния резистора R1:
PR1 = (Uвып — Uст)2 / R1,
Может случиться, что маломощный стабилитрон не подойдет по максимальному току стабилизации и придется выбирать стабилитрон значительно большей мощности — такое случается при больших токах потребления и использовании транзистора с малым коэффициентом h21Э. В таком случае целесообразно ввести в стабилизатор дополнительный транзистор V7 малой мощности (рис. 2), который позволит снизить максимальный ток нагрузки для стабилитрона (а значит, и ток стабилизации) примерно в h21Э раз и применить, соответственно, маломощный стабилитрон.
В приведенных здесь расчетах отсутствует поправка на изменение сетевого напряжения, а также опущены некоторые другие уточнения, усложняющие расчеты. Проще испытать собранный стабилизатор в действии, изменяя его входное напряжение (или сетевое) на ± 10 % и точнее подобрать резистор R1 по наибольшей стабильности выходного напряжения при максимальном токе нагрузки.
Стабилизатор на К142ЕН5 — с регулируемым выходным напряжением
В заметке С. Савина «Вариант включения стабилизатора К142ЕН5», опубликованной в «Радио» 1989, № 12, с, 66, речь шла о том, что если вывод 8 этой микросхемы подключить к общему проводу через стабилитрон, то напряжение на выходе стабилизатора увеличится на напряжение стабилизации включенного стабилитрона. Подобный совет повторил А. Гвоздак в статье «Доработка радиоконструктора «Юниор-1», помещенной в «Радио» № 6, с. 81—83 за 1991 г. Опыт показывает, что подборкой соответствующего стабилитрона можно в необходимой мере повысить выходное напряжение стабилизатора, но оно, как и при традиционном включении стабилизатора К142ВН5, фиксированное. Вместе с тем читатели нашего журнала сообщают, что аналогичный способ включения микросхемных стабилизаторов К142ЕН5 позволяет получить на выходе стабилизатора повышенное регулируемое напряжение. Об этом, в частности, рассказывают в своих письмах радиолюбители А. Чумаков из г. Йошкар-Ола и А. Черкасов из Караганды.
Работа стабилизаторов тока
Качественное питание всех электротехнических устройств можно гарантированно обеспечить лишь, используя стабилизатор тока. С его помощью компенсируются скачки и перепады в сети, увеличивается срок эксплуатации приборов и оборудования.
Основной функцией стабилизатора является автоматическая поддержка тока потребителя с точно заданными параметрами. Кроме скачков тока, удается компенсировать изменяющуюся мощность нагрузки и температуру окружающей среды. Например, с увеличением мощности, потребляемой оборудованием, произойдет соответствующее изменение потребляемого тока. В результате, произойдет падение напряжения на сопротивлении проводки и источника тока. То есть, с увеличением внутреннего сопротивления, будут более заметны изменения напряжения при увеличении токовой нагрузки.

В состав компенсационного стабилизатора тока с автоматической регулировкой входит цепь отрицательной обратной связи. Изменение соответствующих параметров регулирующего элемента позволяет достичь необходимой стабилизации. На элемент оказывает воздействие импульс обратной связи. Данное явление известно, как функция выходного тока. В зависимости от регулировок, стабилизаторы разделяются на непрерывные, импульсные и смешанные.
Среди множества стабилизаторов очень популярны стабилизаторы тока на полевых транзисторах. Подключение транзистора в данной схеме осуществляется последовательно сопротивлению нагрузки. Это приводит к незначительным изменениям тока нагрузки, в то время, как входное напряжение подвержено существенным изменениям.
Выбор схемы включения
На практике применяют разные инженерные решения. В частности, для подключения светодиодных светильников производители предлагают импульсные источники питания. Эти устройства выполняют свои функции с помощью частотного преобразования и модуляции сигнала. Для управления ключом устанавливают микросхемы. Для дозированного накопления энергии используют дроссель.
Импульсный стабилизатор тока
Для упрощения в данной статье рассмотрена линейная стабилизация. Устройства, созданные по этой схеме, не создают сильные электромагнитные помехи. В этом – главное отличие от импульсных аналогов.
ЛАБОРАТОРНЫЙ БЛОК ПИТАНИЯ
Лабораторный блок питания ни что иное как высококачественный универсальный источник питания с нормированными и термостабильными характеристиками. Эти устройства имеются на любом предприятии, которое занимается разработкой, изготовлением или ремонтом и/или ремонтом радиоэлектронной аппаратуры.
Используют их во время проверки и/или калибровки различных приборов. Кроме того они необходимы в тех случаях, когда нужно с высокой точностью подать питающее напряжение и ток на радиотехническое устройство.
Как правило, лабораторные блоки питания оснащаются всевозможными устройствами защиты (перегрузка, защита от короткого замыкания и пр.) и органами регулировки выходных параметров (напряжение и ток).
Лабораторные блоки оснащают также специальными входами для подачи модулирующих сигналов, что позволяет пользователю формировать выходное напряжение и ток произвольной формы.
Серийно выпускаемые лабораторные источники питания могут быть как линейными, так и импульсными.
Линейные.
Линейные лабораторные БП строятся на базе больших низкочастотных трансформаторов, которые понижают сетевое напряжение ~220 В частотой 50 Гц до определенного значения. Частота переменного тока при этом остается без изменений. Затем синусоидальное напряжение выпрямляется, сглаживается емкостными фильтрами и доводится до заданного значения линейным полупроводниковым стабилизатором.
Приборы, работающие по такому принципу обеспечивают требуемое значение выходного напряжения с высокой точностью. Оно отличается стабильностью и отсутствием пульсаций. Однако они имеют ряд недостатков:
- большие габаритные размеры и вес, который может быть больше 20 кг. Из-за этого мощность на нагрузке у таких БП редко превышает 200 Вт.;
- низкий КПД (не более 60%), что обусловлено принципом работы линейного стабилизатора, где все избыточное напряжение преобразуется в тепло;
- наличие высокочастотных помех, проникающих из сети ~220 в, 50 Гц., для устранения которых необходим сетевой фильтр;
- относительно небольшое время наработки на отказ, вызванное старением электролитических конденсаторов.
Импульсные.
В основу работы импульсных лабораторных блоков питания положен принцип заряда сглаживающих конденсаторов импульсным током. Он образуется в момент подключения/отключения индуктивного элемента. Переключение происходит под действием специально оптимизированных транзисторов, а выходное напряжение регулируется путем изменения глубины широтно импульсной модуляции (ШИМ).
Основные преимущества импульсных лабораторных источников обеспечиваются за счет:
- плавного изменения глубины ШИМ, что в свою очередь, позволяет закачивать в сглаживающие конденсаторы такое количество энергии, которое соизмеримо с энергопотреблением нагрузки БП. При этом КПД блока питания может достигать 90 и более процентов;
- высокочастотной составляющей, которая дает возможность использования сглаживающих конденсаторов значительно небольшой емкости.
За счет этого габаритные размеры корпуса невелики. Кроме того, за счет более высокого КПД значительно уменьшается выделение тепла и улучшается температурный режим работы источника питания.
Существенным недостатком импульсных лабораторных блоков, несколько ограничивающих их применение являются:
- высокочастотные пульсации на выходе, которые достаточно тяжело отфильтровать;
- радиочастотные наводки и их гармоники, вызванные периодическими токовыми импульсами.
При работе с радиочастотными схемами импульсные блоки питания необходимо располагать на максимальном расстоянии от них или использовать трансформаторные схемотехнические решения.
Основным техническим параметром лабораторных источников электро энергии является мощность. Здесь существует такое подразделение:
- стандартные, мощностью до 700 Вт. Их максимальный вес не превышает 15 кг.;
- большой мощности.
Стандартные исполнения могут быть как трансформаторными, так и импульсными. Предназначены они для работы с напряжениями в диапазоне от 15 до 150 В. При этом максимальный ток ограничивается величиной порядка 25 А. Как правило, они имеют от одного до трех каналов, из которых два являются регулируемыми.
РЕГУЛИРУЕМЫЙ ИСТОЧНИК ПИТАНИЯ С СИГНАЛИЗАЦИЕЙ ПЕРЕГРУЗКИ
Звуковая сигнализация позволяет пользователю быстро среагировать на аварийную ситуацию, если при экспериментах с различной радиоэлектронной аппаратурой возникла перегрузка источника питания. Схема источника питания с звуковым сигнализатором превышения потребления тока показана на рисунке.
Выпрямитель на диодах VD1—VD4 питается от трансформатора, вторичная обметка которого рассчитана на напряжение 18 В при токе нагрузки не менее 1 А, Регулируемый стабилизатор напряжения выполнен на транзисторах VT2 — VT5 по известной схеме. Переменным резистором R3 на выходе стабилизатора может быть установлено напряжение от 0 до +15 В.
Регулируемый стабилизатор тока

Меня как радиолюбителя со стажем 20 лет радует ассортимент продаваемых готовых блоков и модулей. Сейчас из готовых блоков можно собрать любое устройство за минимальное время.
Цена начинается от 35руб. за DC-DC преобразователь напряжения, драйвер подороже и отличается двумя тремя подстроечными резисторами, вместо одного.

Для более универсального использования лучше подходит регулируемый драйвер. Основное отличие, это установка переменного резистора в цепи, задающей амперы на выходе. Эти характеристики могут быть указаны в типовых схемах включения в спецификациях на микросхему, даташит, datasheet.


Слабые места таких драйверов, это нагрев дросселя и диода Шотки. В зависимости от модели ШИМ контроллера, они выдерживают то 1А до 3А без дополнительного охлаждения микросхемы. Если выше 3А, то требуется охлаждение ШИМ и мощного диода Шотки. Дроссель перематывают более толстым проводом или заменяют на подходящий.
КПД зависит от режима работы, разницы напряжения между входом и выходом. Чем выше коэффициент полезного действия, тем ниже нагрев стабилизатора.
Как устроен ШИМ контроллер
В стабилизированных и регулируемых источниках питания напряжение на выходе поддерживается методом широтно-импульсной модуляции (ШИМ). Суть метода в том, что первичная обмотка питается импульсами неизменной амплитуды и частоты. Для регулировки напряжения в зависимости от нагрузки или выбранного уровня изменяется ширина импульса. Трансформированные во вторичную обмотку импульсы затем выпрямляются и усредняются на выходном конденсаторе фильтра. Чем больше ширина импульса, тем выше усредненное напряжение. Если в результате увеличения тока нагрузки напряжение на выходе просело, ШИМ-контроллер сравнивает выходное напряжение с заданным и дает команду увеличить ширину импульсов. Если напряжение увеличилось, ширина импульсов уменьшается. Среднее напряжение также уменьшается.
Принцип регулирования выходного напряжения методом широтно-импульсной модуляции.
Культовой микросхемой для построения импульсных источников считается TL494. На ее примере можно разобрать принцип действия шим контроллера блока питания.
Распиновка TL494.
Назначение выводов микросхемы указано в таблице.
| Назначение | Обозначение | Номер вывода | Номер вывода | Обозначение | Назначение |
|---|---|---|---|---|---|
| Прямой вход усилителя ошибки 1 | IN1 | 1 | 16 | IN2 | Прямой вход усилителя ошибки 1 |
| Инверсный вход усилителя ошибки 1 | IN1 | 2 | 15 | IN2 | Инверсный вход усилителя ошибки 1 |
| Выход обратной связи | FB | 3 | 14 | Vref | Выход опорного напряжения |
| Управление временем задержки | DTC | 4 | 13 | ОТС | Выбор режима работы |
| Частотозадающий конденсатор | C | 5 | 12 | VCC | Напряжение питания |
| Частотозадающий резистор | R | 6 | 11 | С2 | Коллектор 2-го транзистора |
| Общий провод | GND | 7 | 10 | E1 | Эмиттер 1-го транзистора |
| Коллектор 1-го транзистора | C1 | 8 | 9 | E2 | Эмиттер 2 -го транзистора |
На выводы 7 и 12 подается напряжение питания +7..40 вольт. На выходе микросхемы установлены два транзистора, которые можно использовать для управления внешними ключами. Коллекторы (выводы 8 и 11) и эмиттеры (10 и 9) выходных транзисторов никуда не подключены. Их можно включать по схеме с открытым коллектором или с открытым эмиттером. Микросхема оптимизирована для управления ключами на биполярных транзисторах, но с использованием немного усложненных схемотехнических решений можно переключать и полевые транзисторы.
Структурная схема TL494.
Частоту генератора задают элементы, подключаемые к выводам 5 и 6. Напряжением на выводе 4 ограничивают ширину выходного импульса. Это необходимо для исключения «перехлеста» открытия транзисторов чтобы избежать ситуации, когда оба ключа оказываются открыты. Через этот вывод также можно организовать мягкий пуск БП. Вывод 13 служит для перевода микросхемы в однотактный режим. Если его подключить к общему проводу, импульсы на выводах обоих ключей станут одинаковыми. На выводе 14 постоянно присутствует образцовое напряжение, равное +5 вольтам. Оно может быть использовано в любых схемотехнических целях.
Выводы 1 и 2 служат прямым и инверсным выводами усилителя ошибки. Если напряжение на выводе 1 превышает напряжение на 2 ноге, то ширина выходных импульсов будет уменьшаться пропорционально разнице на этих выводах. Если напряжение на 2 выводе выше, чем на 1, то на выходе импульсы будут отсутствовать. Также работает второй усилитель ошибки (выводы 16 и 15). Выходы обоих усилителей соединены по схеме ИЛИ и подключены к ноге 3. Первый усилитель обычно используют для регулирования напряжения, второй – для регулирования тока.
Схема ИИП на TL494.
В качестве примера можно рассмотреть схему лабораторного источника на данной микросхеме. Здесь применены практически все технические решения, описанные выше. Регулируемая обратная связь, выполненная на операционных усилителях OP1..OP4, позволяет настраивать уровень выходного напряжения и ограничивать ток. Для создания импульсного напряжения используется полумостовой инвертор на биполярных транзисторах, подключенных к микросхеме посредством драйвера.
Для наглядности рекомендуем серию тематических видеороликов.
Также при создании ИИП применяются и другие микросхемы-регуляторы ШИМ. Они могут отличаться от TL494 по функционалу и назначению выводов, но в них используются те же принципы. Разобраться в их работе не составит труда.
Сборка стабилизатора тока из двух транзисторов
В этой схеме функции датчика выполняет резистор R2. Его номинал при подключении светодиодов выбирают с помощью формулы:
0,6/ Iн (ток в нагрузке).
Увеличение Iн открывает VT2, который, в свою очередь, запирает переход транзистора VT1.
Недостатком схемы специалисты считают существенное падение напряжения на основном транзисторе. При подключении нескольких светодиодов проблемы не возникают. Однако по мере увеличения нагрузки приходится ставить VT1 на крупный радиатор, обеспечивать эффективную вентиляцию рабочего объема. Подобные решения используют для создания мощных зарядных устройств.





