Содержание
Схема УНЧ на микросхеме TDA1013
Тщательно изучив интересующий объект, выпаять по периметру детали сопредельных узлов. Мало того, что они не нужны, они мешают.
И вот, наконец, нужное добыто. Осталось припаять несколько проводов. Чтобы понять каких и куда, находим паспорт той микросхемы TDA1013. Нужна схема подключения.
Смотрим и читаем даташит: Vp – плюс питания, от 10 до 40 вольт, оптимально надо 14; минус питания на общий провод (к нему подрисован значок «земля»); на место Vctr (напоминает схематичное изображение подстроечного конденсатора) нужно подобрать переменный резистор (100k, для регулировки громкости); Vi – вход усиливаемого звука (его значение от 44 до 69 mV); на выходе нарисован динамик. Добытые знания переносим на «бумагу» — дорисовываем первую схему. Это то, что должны будем иметь фактически. Пора включать паяльник.
Припаиваем всё необходимое, но перед этим не забываем подработать платку по периметру напильником.
Подсоединяем штатный (от разобранного телевизора) динамик, подключаем источник звука (любой, но помним про 44-69 mV), блок питания подойдёт на 12V и 100 mA (лучше конечно 14V).
УСИЛИТЕЛЬ ЗВУКА ИЗ ТЕЛЕВИЗОРА
Выражение «Сизифов труд» познан ста процентами радиолюбителей. Для успеха нужен положительный исход десятка (даже больше) выполненных работ, для того чтобы весь труд пошёл на смарку хватит одной единственной незначительной оплошности. А так иногда хочется, чтобы что-то получилось, особенно начинающему любителю электроники, освоившему ещё не весь арсенал навыков и умений. Однако безвыходных положений не бывает. На платах ранее принадлежавшим каким-то электронным устройствам всегда можно найти нечто, что после некоторой незначительной доработки станет отдельным, исправно функционирующим устройством. Так на плате, некогда входившей в состав телевизионного приёмника можно найти звуковой усилитель.
Его и искать-то особо не нужно, сам «лезет в глаза». Микросхема TDA c, торчащим «гребешком» — радиатором охлаждения и соответствующей «обвязкой» из электронных компонентов. Перед тем как выпилить ножовкой по металлу нужный фрагмент текстолита с деталями необходимо в обязательном порядке добыть принципиальную схему.
Структурная схема микросхемы TDA1557Q

Монтаж усилителя на TDA 1558Q

Если сборку можно производить навесным монтажом без применения печатной платы, то сначала у микросхемы надо удалить не используемые выводы 4, 9 и 15. Потом аккуратно распрямите выводы. Далее отогните выводы 5, 13 и 14 вверх, все эти выводы подключаются к плюсу питания. Следующим шагом отогните выводы 3, 7 и 11 вниз – это минус питания, или «земля». После этих манипуляций прикрутите микросхему к теплоотводу, используя теплопроводную пасту. На рисунках виден монтаж с разных ракурсов, но я всё же поясню. Выводы 1 и 2 спаиваются вместе – это вход правого канала, к ним надо припаять конденсатор 0.33 мкФ. Точно так же надо поступить с выводами 16 и 17. Общий провод для входа это минус питания или «земля». К выводам 5, 13 и 14 припаяйте провод плюса питания. Этот же провод припаивается к плюсу конденсатора 6800 мкФ. Отогнутые вниз выводы 3, 7 и 11 так же спаиваются вместе проводом, и этот провод припаивается к минусу конденсатора 6800 мкФ. Далее от конденсатора провода идут к источнику питания. Выводы 6 и 8 – это выход правого канала, 6 вывод припаивается к плюсу динамика, а вывод 8 к минусу. Выводы 10 и 12 – это выход левого канала, вывод 10 припаивается к плюсу динамика, а вывод 12 к минусу. Конденсатор 0.22 мкФ надо припаять параллельно выводам конденсатора 6800 мкФ.

Варианты собранных усилителей
Микросхемы имеют довольно высокую выходную мощность (около 22Вт х 2) и для её охлаждения понадобится радиатор, площадью не менее 100кв см. Можно применить радиатор от процессора.
Прежде чем подавать питание, внимательно проверьте правильность монтажа. На входе усилителя надо поставить сдвоенный переменный резистор 47-100 кОм для регулировки громкости.
Вышеизложенные схемы для начинающих радиолюбителей, вполне лёгкие в сборке и не нуждаются в настройке. Собраны на дешёвых деталях, которые можно купить в любом радиомагазине. Детали можно также найти в автомагнитолах.
- Доработка усилителя «Радиотехника У-101-стерео»
У многих со времен СССР остались усилители мощности «Радиотехника У-101-стерео». В статье, ниже рассмотрены его схема, характеристики и доработки.
МЗЧ с малыми нелинейными искажениями
Основные технические характеристики:
- Номинальная выходная мощность на нагрузке 8 Ом, Вт … 25
- Коэффициент гармоник, %, не более ……………….. 0,003
- Скорость нарастания выходного напряжения , В/мкс …. не менее 40
- Номинальное входное напряжение, В ……………….. 0,7 Подробнее…
Активная акустическая система.
Всем хороши минимузыкальные центры, и широкий набор функциональных возможностей, и неплохие характеристики, мало места занимают в квартире. Одно плохо, — выходная мощность невысокая, обычно не более 5-10W. Конечно, можно купить более мощный аппарат, но музыкальный центр с выходной мощностью около 100W стоит на порядок дороже. А это существенно для кармана многих наших граждан. Подробнее…
Аннтенные усилители — SWA
В публикуемой здесь статье наш постоянный автор анализирует схемотехнику антенных усилителей польского производства и обосновывает свой осознанный подход к их выбору с точки зрения коэффициентов шума и усиления.
Он также дает рекомендации по ремонту таких устройств, довольно часто выходящих из строя от грозовых разрядов, и устранению самовозбуждения.
Это позволит, надеемся, многим радиолюбителям не только выбрать необходимый усилитель, но и улучшить его работу. Подробнее…
Популярность: 55 904 просм.
Режимы работы и диагностика
Режим работы микросхемы задается напряжением на ножке 4:
- Низкий уровень — Standby;
- Средний уровень — MUTE;
- Высокий уровень — ON (усилитель включен, усиление 26 ДБ).
Вывод 16 является универсальным, он предназначен для диагностики, управления режимами работы УНЧ, а также для быстрого включения режима MUTE.
При работе в режиме ВХОДА, подавая напряжения получаем вот что:
- Низкий уровень (подключить к земле) — fast MUTE;
- Средний уровень — усилитель работает в классе В (внутренний преобразователь напряжения отключен);
- Высокий уровень — усилитель работает в классе H (внутренний преобразователь напряжения включен).
При работе в режиме ВЫХОДА, измеряя напряжения получаем вот что:
- Низкий уровень — говорит что усилитель находится в режиме MUTE;
- Средний уровень — говорит о том что УНЧ работает в классе B, внутренний преобразователь отключен, это вызвано превышением допустимой температуры > 120 градусов по Цельсию;
- Высокий уровень — УМЗЧ работает в классе H, внутренний преобразователь включен, температура чипа меньше 120 градусов по Цельсию.
Детали
- Микросхема Philips TDA 1557Q или 1553Q. TDA 1553Q — то же самое, что и 1557Q, только не будет «щелчка» при включении усилителя.
- Два переменных резистора по 100КОм для регулировки громкости.
- Три конденсатора по 0.1мкФ 25В.
Все это продается на радиорынках и в специализированных магазинах. Хотя можно купить только микросхему, обойтись без гнезд, а все остальное попытаться выдрать из старого телевизора.
Радиатор к микросхеме — пластина из меди или алюминия толщиной 2-5 мм, для теплоотвода. Площадь поверхности порядка 300 квадратных сантиметров, хотя можно, конечно, и больше. Радиатор можно найти в своем хозяйстве или отпилить у соседа :). Не хозяйство, радиатор =).
TDA8567q 4х25 Вт
Мостовой усилитель класса Hi – Fi на четыре канала. Открыть в полном размере
Есть защита от короткого замыкания выходного каскада и термозащита с уменьшением выходной мощности при перегреве. А еще микросхема обладает защитой от колебаний напряжения и режимом отключения. Еще данная микросхема обладает режимом вкл/выкл входного сигнала(режим Mute), и защитой при подаче напряжения на схему от «щелчка».
Характеристики микросхемы
| Параметр | Значение |
| Uпит | 6-18 В |
| Iвых | 7,5 А |
| Iпокоя | 230 мА |
| Pвых | 4х25 Вт |
| Rвх | 30 кОм |
| Коэффициент усиления | 26 дБ |
| Полоса частот | 20-20000 Гц |
| Коэффициент гармоник | 0,05 % |
| Rнагр | 4 Ом |
Назначение выводов
| Номер вывода | Назначение |
| 1 | Напряжение питания |
| 2 | Выход 1+ |
| 3 | Общий |
| 4 | Выход 1- |
| 5 | Выход 2- |
| 6 | Общий |
| 7 | Выход 2+ |
| 8 | Напряжение питания |
| 9 | Диагностика |
| 10 | Вход 1 |
| 11 | Вход 2 |
| 12 | Общий сигнальный |
| 13 | Вход 3 |
| 14 | Вход 4 |
| 15 | Выбор режима |
| 16 | Напряжение питания |
| 17 | Выход 3+ |
| 18 | Общий |
| 19 | Выход 3- |
| 20 | Выход 4- |
| 21 | Общий |
| 22 | Выход 4+ |
| 23 | Напряжение питания |
Неисправности
Правильно собранная схема не дает треска, щелчков или сильного шума, гула из колонок. Если что-то из этого есть, то надо проверить схему еще раз: может быть, не припаян какой-либо «минусовой» провод. К «минусу» питания должны быть также припаяны оплетки звукового кабеля от источника звука. Можно попробовать изменить положение проводов, укоротить их. Если усилитель не подает признаков жизни даже после поворота ручек резистора, надо проверить наличие питания. Если оно было подключено в обратной полярности, микросхема уже не оживет никогда. В этом случае она, как правило, вздулась или треснула, может быть вылетел кусок, пахнет гарью =). Собранную схему можно запихнуть в колонки или оформить в отдельный корпус.
Проверить конденсаторы можно, последовательно подключив к выводам батарейку с лампочкой: если лампочка постоянно горит — конденсатор выбрасываем. Переменные резисторы можно проверить омметром (или мультиметром, он же авометр), подключив его к среднему и поочередно к боковым выводам, — сопротивление при вращении ручки должно меняться. Также можно проверить лампочкой: при вращении ручки яркость свечения должна плавать.
Усилитель на TDA1562Q микросхеме 70Вт
08.12.2014 | Своими руками, Электро | 1 | Кирилл

В детстве собирал интересный усилитель на TDA1562Q, интересен он минимальным набором деталей, простотой и хорошей работой, а так же высокой выходной мощностью. Заявленная производителем мощность в 70Вт не RMS, т.
е эта мощность не может выдаваться постоянно, лишь в пиковые моменты.
Это связано что напряжение на микросхеме подкачивается за счет конденсаторов большой емкости, благодаря чему усилитель TDA1562Q, способен поднять мощность вsit чем аналогичные усилители без конденсаторной подкачки.
Усилитель на TDA1562Q был собран специально для самодельного сабвуфера, сердцем которого служила 10″ (дюймовая) низкочастотная головка Sony Xplod, несмотря на заявленную производителем завышенную мощность динамика, микросхем TDA1562Q раскачивала ее ОЧЕНЬ хорошо, на столько что в комнатке 10 м², басом качало и в грудак и шкафы.
Сабвуфер умер в пожаре, а усилитель остался, раздербаненый в поисках нужных деталей. А сейчас, я решил вернуть его к жизни и повторить удачный опыт сборки Бассзиллы.
Вернемся к восстановлению усилителя на TDA1562Q:
Схема включения и печатная плата позаимствована из набора NM2034 для сборки усилителя НЧ 70Вт, моно (TDA1562Q, авто)
Мне не хотелось придумывать велосипед.
— Нестеров Кирилл

Номиналы электронных компонентов приведены в таблице:
| Позиция | Наименование | Примечание | Кол. |
| C1 | 0,47мкФ/63В | Тип К73-17 | 1 |
| С2, СЗ | ОДмкФ или 0,22мкФ | Тип К73-44 (пленочный) (код 104 или 224) | 2 |
| С4 | 10мкФ/25…50В | 1 | |
| С5, С6 | 4700мкФ/25В | 0 17 | 2 |
| С7 | ОДмкФ | (104) | 1 |
| С8 | 2200мкФ/25В | 1 | |
| DA1 | TDA1562 | 1 | |
| HL1 | Светодиод, красный. 03 мм | 1 | |
| HL2 | Светодиод, зеленый, 03 мм | 1 | |
| R1 | 1 ОкОм | Подстроечный резистор | 1 |
| R2, R4 | 1 ОкОм | Коричневый, черный, оранжевый | 2 |
| R3 | 1 ООкОм или 91 кОм | Коричневый, черный, желтый или белый, коричневый, оранжевый | 1 |
| R5 | 1кОм | Коричневый, черный, красный | 1 |
| R 6 | 820 Ом | Серый, красный, коричневый | 1 |
| VD1 | Zeiiner 2V7 | Стабилитрон на 2,7 В 1/2W | 1 |
| VT1 | ВС558 | Возможная замена ВС557 | 1 |
| VT2 | ВС547 | Возможная замена ВС548 | 1 |
| PLS-40 | 2 контакта3 контакта | 2 2 | |
| Съемная перемычка (джампер) | 1 | ||
| А2034 | Печатная плата 67×37 | 1 |
Пайка
Распайка делается в следующем порядке: припаяй конденсатор между 10-й и 8-й ножками, потом к ним припаяй «+» и «-» питания соответственно. Затем перемычки (короткие проводки) между 8-й и 2-й, 8-й и 5-й, 10-й и 3-й ножками. Надо также припаять провода к 11-й и 10-й ножкам, позже к ним припаивается переключатель «stand by»: когда «+» питания не подается на 11-ю ножку, микросхема переходит в режим минимального энергопотребления.
К 1-й (правый канал) и 13-й (левый канал) ножкам припаивается по конденсатору. Конденсаторы припаиваются к переменным резисторам. На резисторе есть три вывода. Конденсатор припаивается к среднему, а к крайним припаиваются «-» питания (от 8-й ножки) и провод от источника звука соответственно. Длины проводов должно хватить для того, чтобы позже прикрепить резисторы к корпусу. К ножкам 4 и 6 (правый канал) и 7 и 9 (левый канал) припаиваются провода, идущие к колонкам.
Принципиальная схема
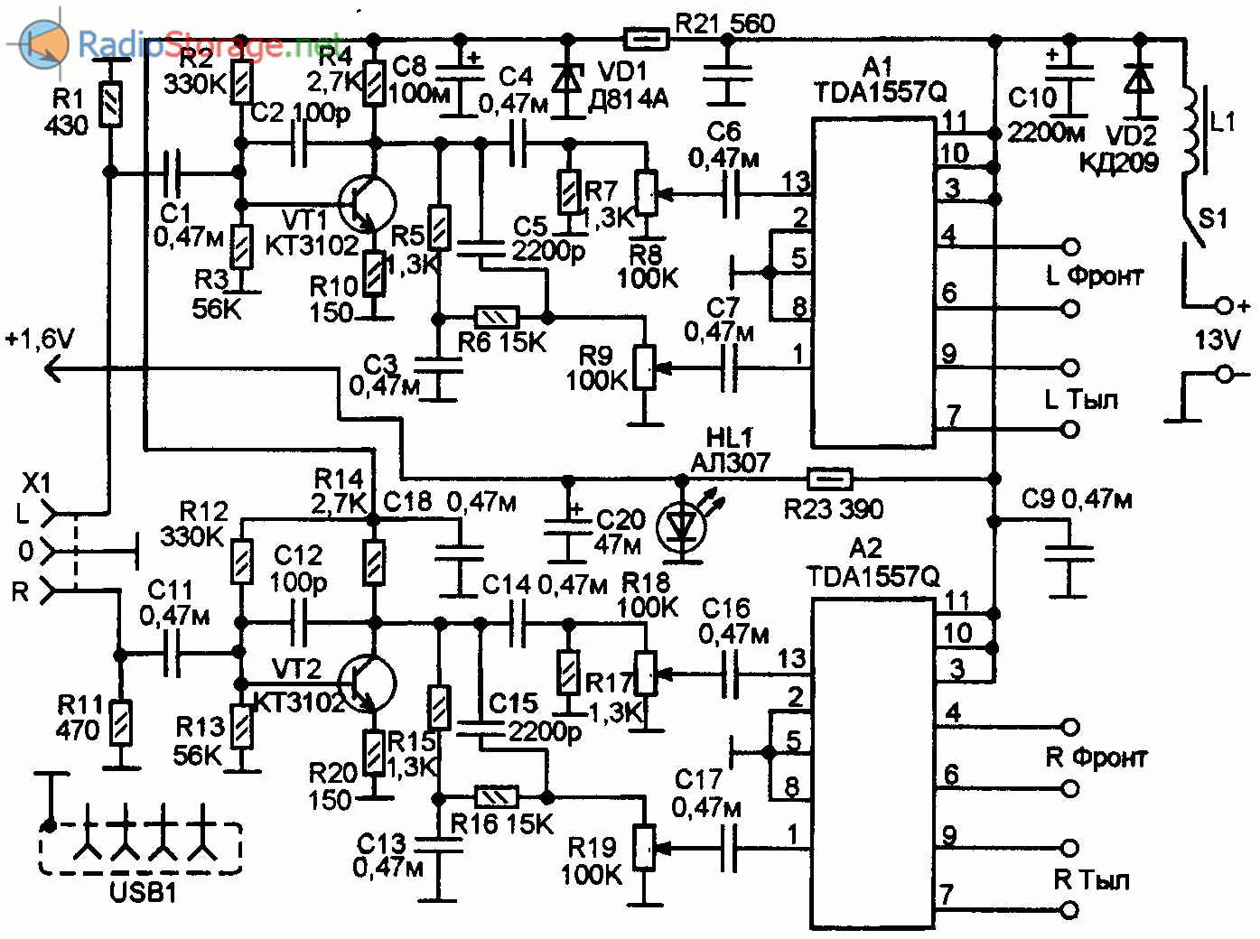
Принципиальная схема одного из возможных вариантов такого усилителя показана на рисунке. Усилитель предназначен для работы на четыре акустические системы, — две фронтальные и две тыловые.
Тыловые акустические системы двухполосные, каждая из них состоит из одного эллиптического динамика достаточно большого диаметра и одной «пищалки», — это готовые автомобильные акустические системы «PIONEER».
В автомобиле ВАЗ-21099 тыловые системы расположены в полке за задним сиденьем. Фронтальные акустические системы Попроще, каждая из них состоит из одного широкополосного динамика, которые расположены в специально предназначенных нишах в приборной панели ВАЗ-21099.

Рис. 1. Принципиальная схема четырехканального автомобильного усилителя звука на микросхемах TDA1557Q.
Тыловые каналы имеют подъем АЧХ на частотах выше 9000 Гц и ниже 300 Гц, а фронтальные, — в полосе от 300 до 10000 Гц.
Таким образом, всего четыре канала, и в каждом канале можно регулировать громкость отдельным переменным резистором (R8, R9, R18, R19).
Сигналы с телефонного выхода МР3 плейера через разъем Х1 поступают на два предварительных усилителя на транзисторах VT1 и VT2.
Усилители нужны чтобы поднять номинальный уровень сигнала до уровня номинальной чувствительности интегральных УМЗЧ TDA1557Q, на которых выполнены усилители мощности. Резисторы R1 и R11 «подгружают» выход телефонного усилителя МР-3 плейера, для того чтобы он работал в нормальном режиме.
После усилительных каскадов включены пассивные RC-фильтры, разделяющие каждый из стереоканалов на два канала с разными АЧХ (см. выше).
Усилитель на TDA1562Q микросхеме 70Вт
08.12.2014 | Своими руками, Электро | 1 | Кирилл

В детстве собирал интересный усилитель на TDA1562Q, интересен он минимальным набором деталей, простотой и хорошей работой, а так же высокой выходной мощностью. Заявленная производителем мощность в 70Вт не RMS, т.
е эта мощность не может выдаваться постоянно, лишь в пиковые моменты.
Это связано что напряжение на микросхеме подкачивается за счет конденсаторов большой емкости, благодаря чему усилитель TDA1562Q, способен поднять мощность вsit чем аналогичные усилители без конденсаторной подкачки.
Усилитель на TDA1562Q был собран специально для самодельного сабвуфера, сердцем которого служила 10″ (дюймовая) низкочастотная головка Sony Xplod, несмотря на заявленную производителем завышенную мощность динамика, микросхем TDA1562Q раскачивала ее ОЧЕНЬ хорошо, на столько что в комнатке 10 м², басом качало и в грудак и шкафы.
Сабвуфер умер в пожаре, а усилитель остался, раздербаненый в поисках нужных деталей. А сейчас, я решил вернуть его к жизни и повторить удачный опыт сборки Бассзиллы.
Вернемся к восстановлению усилителя на TDA1562Q:
Схема включения и печатная плата позаимствована из набора NM2034 для сборки усилителя НЧ 70Вт, моно (TDA1562Q, авто)
Мне не хотелось придумывать велосипед.
— Нестеров Кирилл

Номиналы электронных компонентов приведены в таблице:
| Позиция | Наименование | Примечание | Кол. |
| C1 | 0,47мкФ/63В | Тип К73-17 | 1 |
| С2, СЗ | ОДмкФ или 0,22мкФ | Тип К73-44 (пленочный) (код 104 или 224) | 2 |
| С4 | 10мкФ/25…50В | 1 | |
| С5, С6 | 4700мкФ/25В | 0 17 | 2 |
| С7 | ОДмкФ | (104) | 1 |
| С8 | 2200мкФ/25В | 1 | |
| DA1 | TDA1562 | 1 | |
| HL1 | Светодиод, красный. 03 мм | 1 | |
| HL2 | Светодиод, зеленый, 03 мм | 1 | |
| R1 | 1 ОкОм | Подстроечный резистор | 1 |
| R2, R4 | 1 ОкОм | Коричневый, черный, оранжевый | 2 |
| R3 | 1 ООкОм или 91 кОм | Коричневый, черный, желтый или белый, коричневый, оранжевый | 1 |
| R5 | 1кОм | Коричневый, черный, красный | 1 |
| R 6 | 820 Ом | Серый, красный, коричневый | 1 |
| VD1 | Zeiiner 2V7 | Стабилитрон на 2,7 В 1/2W | 1 |
| VT1 | ВС558 | Возможная замена ВС557 | 1 |
| VT2 | ВС547 | Возможная замена ВС548 | 1 |
| PLS-40 | 2 контакта3 контакта | 2 2 | |
| Съемная перемычка (джампер) | 1 | ||
| А2034 | Печатная плата 67×37 | 1 |
Сборка
Микросхему надо плотно прикрепить к радиатору проволокой, упругой пластиной или болтами, главное — не поломать. Для улучшения теплового контакта желательно использовать теплопроводную пасту типа КПТ-8 или другую (такой прокладывают кулер и проц).
Если планируется использовать усилитель «на всю катушку», нужно проследить за температурой радиатора: возможно, придется увеличить его размеры. Микросхема имеет защиту от перегрева и сгореть не должна, но, как говорил поручик Ржевский, — случаи разные бывают.
Собирать схему можно на печатной плате или на фанерке, но вообще схема слишком проста для того, чтобы возиться с платами, и вполне можно сделать навесной монтаж. То бишь крепим микросхему к радиатору и припаиваем провода в воздухе — на весу. Все провода (перемычки) надо сделать как можно короче, чтобы избежать наводок, а с ними — треска и шума.
Усилитель на TDA1562Q микросхеме 70Вт
08.12.2014 | Своими руками, Электро | 1 | Кирилл

В детстве собирал интересный усилитель на TDA1562Q, интересен он минимальным набором деталей, простотой и хорошей работой, а так же высокой выходной мощностью. Заявленная производителем мощность в 70Вт не RMS, т.
е эта мощность не может выдаваться постоянно, лишь в пиковые моменты.
Это связано что напряжение на микросхеме подкачивается за счет конденсаторов большой емкости, благодаря чему усилитель TDA1562Q, способен поднять мощность вsit чем аналогичные усилители без конденсаторной подкачки.
Усилитель на TDA1562Q был собран специально для самодельного сабвуфера, сердцем которого служила 10″ (дюймовая) низкочастотная головка Sony Xplod, несмотря на заявленную производителем завышенную мощность динамика, микросхем TDA1562Q раскачивала ее ОЧЕНЬ хорошо, на столько что в комнатке 10 м², басом качало и в грудак и шкафы.
Сабвуфер умер в пожаре, а усилитель остался, раздербаненый в поисках нужных деталей. А сейчас, я решил вернуть его к жизни и повторить удачный опыт сборки Бассзиллы.
Вернемся к восстановлению усилителя на TDA1562Q:
Схема включения и печатная плата позаимствована из набора NM2034 для сборки усилителя НЧ 70Вт, моно (TDA1562Q, авто)
Мне не хотелось придумывать велосипед.
— Нестеров Кирилл

Номиналы электронных компонентов приведены в таблице:
| Позиция | Наименование | Примечание | Кол. |
| C1 | 0,47мкФ/63В | Тип К73-17 | 1 |
| С2, СЗ | ОДмкФ или 0,22мкФ | Тип К73-44 (пленочный) (код 104 или 224) | 2 |
| С4 | 10мкФ/25…50В | 1 | |
| С5, С6 | 4700мкФ/25В | 0 17 | 2 |
| С7 | ОДмкФ | (104) | 1 |
| С8 | 2200мкФ/25В | 1 | |
| DA1 | TDA1562 | 1 | |
| HL1 | Светодиод, красный. 03 мм | 1 | |
| HL2 | Светодиод, зеленый, 03 мм | 1 | |
| R1 | 1 ОкОм | Подстроечный резистор | 1 |
| R2, R4 | 1 ОкОм | Коричневый, черный, оранжевый | 2 |
| R3 | 1 ООкОм или 91 кОм | Коричневый, черный, желтый или белый, коричневый, оранжевый | 1 |
| R5 | 1кОм | Коричневый, черный, красный | 1 |
| R 6 | 820 Ом | Серый, красный, коричневый | 1 |
| VD1 | Zeiiner 2V7 | Стабилитрон на 2,7 В 1/2W | 1 |
| VT1 | ВС558 | Возможная замена ВС557 | 1 |
| VT2 | ВС547 | Возможная замена ВС548 | 1 |
| PLS-40 | 2 контакта3 контакта | 2 2 | |
| Съемная перемычка (джампер) | 1 | ||
| А2034 | Печатная плата 67×37 | 1 |
↑ Начинаем сборку!
Перед сборкой усилителя подготавливаем все необходимые радиодетали согласно приведенному выше перечню элементов. С помощью тестера осуществляем входной контроль резисторов и конденсаторов. Резисторы и неполярные конденсаторы могут иметь отклонения от номинального значения +/-10%, а электролитические конденсаторы -10%…+80%. Далее с помощью пинцета формуем выводы радиодеталей. При установке вертикально расположенных элементов на печатную плату пригодится простейшее приспособление — полоска из изоляционного материала толщиной 0,6…1,0 мм с прорезью на конце (рис. 6). Применение этого приспособления поможет установить все элементы на одной высоте над платой, что придаст профессиональный вид выполненному монтажу.

Рис. 6. Приспособление для монтажа
Такая же полоска из изоляционного материала толщиной 1,5…2,0 мм позволит осуществить строго одинаковую обрезку выводов радиодеталей со стороны печатных дорожек.
Монтаж усилителя начинаем с установки двух перемычек
Обратите внимание на то, чтобы диаметр провода перемычки, расположенной под выводами микросхемы DA1 соответствовал толщине ее выводов. Далее устанавливаем все малогабаритные детали: резисторы, конденсаторы (кроме С6), транзисторы, светодиод и штыревой разъем со съемной перемычкой (джампером)
Последними запаиваем конденсатор С6 и микросхему DA1. Тщательно проверяем монтаж в соответствии со схемой (рис. 4). При этом особое внимание уделяем отсутствию замыканий между токоведущими дорожками, правильности установки электролитических конденсаторов, транзисторов и светодиода.
Усилитель с фильтром для сабвуфера — простая схема

Вещь, о которой мы сейчас расскажем, как понятно из названия статьи, является самодельным усилителем для сабвуфера, в народе называемом «Саб». Устройство имеет активный фильтр НЧ, построенный на операционных усилителях, и сумматор, обеспечивающий ввод сигнала с выхода стерео.
Поскольку сигнал для схемы берется с выходов на акустические системы, нет необходимости вмешательства в работающий усилитель. Получение сигнала с динамиков имеет еще одно преимущество, а именно — позволяет сохранить постоянное соотношение громкости сабвуфера к стереосистеме.
Естественно, усиление канала сабвуфера можно регулировать с помощью потенциометра. После отфильтровывания высоких частот и выделения низких (20-150 Гц), звуковой сигнал усиливается с помощью микросхемы TDA2030 или TDA2040, TDA2050. Это дает возможность настройки выходной мощности басов по своему вкусу. В этом проекте успешно работает любой динамик НЧ с мощностью более 50 Ватт на сабвуфер.
Описание работы схемы усилителя
Стерео сигнал подается на разъем In через C1 (100nF) и R1 (2,2 М) на первом канале и C2 (100nF) и R2 (2,2 М), в другом канале. Затем он поступает на вход операционного усилителя U1A (TL074).
Потенциометром P1 (220k), работающем в цепи обратной связи усилителя U1A, выполняется регулировка усиления всей системы. Далее сигнал подается на фильтр второго порядка с элементами U1B (TL074), R3 (68k), R4 (150к), C3 (22nF) и C4 (4,7 nF), который работает как фильтр Баттерворта.
Через цепь C5 (220nF), R5 (100k) сигнал поступает на повторитель U1C, а затем через C6 (10uF) на вход усилителя U2 (TDA2030).
2 uF) работают в петле отрицательной обратной связи и имеют задачу формирования спектральной характеристики усилителя. Резистор R12 (1R) вместе с конденсатором C9 (100nF) формируют характеристику на выходе.
Проверка полярности питания
Проверить полярность можно так: сначала убедись, что на мультиметре черный провод в гнезде с надписью common (общий) и изображением заземления, красный — в другом гнезде. Поставь режим измерения постоянного напряжения. Предел измерения установи 20В или больше. Подсоединяй черный провод мультиметра к предполагаемой земле, красный — к предполагаемому плюсу. Если все правильно, мультиметр покажет напряжение, например, 12.15В. Если питание перепутано, на индикаторе будет напряжение с минусом, вот так: -12.15В. Включишь в обратной полярности — можешь копать микросхеме могилку и ставить крест из проводков и оторванных ножек.
Проверка схемы
Проверь схему. Ножка 12 должна остаться пустой. Сопротивление колонок должно быть не ниже 4 Ом, иначе работать не будет: схема имеет защиту от короткого замыкания в нагрузке. Перед тем как подать питание, надо проверить, что выключатель «stand by» разомкнут (усилитель в состоянии пониженного потребления энергии) и резисторы находятся в крайнем положении, на минимальной громкости. Этому положению соответствует поворот ручек на резисторе в сторону припаянного «минусового» провода.
Не перепутай полярность питания! Если адаптер имеет смену полярности, посмотри, чтобы она была выключена. «Плюсовая» жила адаптера обычно имеет продольную белую полоску. Если используешь компьютерный блок питания — помни, что черный провод — земля, он же «минус», желтый дает +12В.
Пайка
Распайка делается в следующем порядке: припаяй конденсатор между 10-й и 8-й ножками, потом к ним припаяй «+» и «-» питания соответственно. Затем перемычки (короткие проводки) между 8-й и 2-й, 8-й и 5-й, 10-й и 3-й ножками. Надо также припаять провода к 11-й и 10-й ножкам, позже к ним припаивается переключатель «stand by»: когда «+» питания не подается на 11-ю ножку, микросхема переходит в режим минимального энергопотребления.
К 1-й (правый канал) и 13-й (левый канал) ножкам припаивается по конденсатору. Конденсаторы припаиваются к переменным резисторам. На резисторе есть три вывода. Конденсатор припаивается к среднему, а к крайним припаиваются «-» питания (от 8-й ножки) и провод от источника звука соответственно. Длины проводов должно хватить для того, чтобы позже прикрепить резисторы к корпусу. К ножкам 4 и 6 (правый канал) и 7 и 9 (левый канал) припаиваются провода, идущие к колонкам.
Сборка
Микросхему надо плотно прикрепить к радиатору проволокой, упругой пластиной или болтами, главное — не поломать. Для улучшения теплового контакта желательно использовать теплопроводную пасту типа КПТ-8 или другую (такой прокладывают кулер и проц).
Если планируется использовать усилитель «на всю катушку», нужно проследить за температурой радиатора: возможно, придется увеличить его размеры. Микросхема имеет защиту от перегрева и сгореть не должна, но, как говорил поручик Ржевский, — случаи разные бывают.
Собирать схему можно на печатной плате или на фанерке, но вообще схема слишком проста для того, чтобы возиться с платами, и вполне можно сделать навесной монтаж. То бишь крепим микросхему к радиатору и припаиваем провода в воздухе — на весу. Все провода (перемычки) надо сделать как можно короче, чтобы избежать наводок, а с ними — треска и шума.
Несколько УНЧ на ИМС серии TDA
| Юрий Баранов https://yooree.narod.ru Адрес Email — yooree (at) inbox.ru (замените (at) на @) |
Стереоусилитель 2х1 Вт
На рис. 1 приведена принципиальная схема стереофонического усилителя с выходной мощностью до 1 Вт на канал, собранного на одной интегральной микросхеме TDA7053 производства фирмы Philips в корпусе DIP-16, а также двух переменных резисторов, двух керамических и одного оксидного конденсаторов. Особенностью усилителя является наличие в каждом канале не одной, а двух динамических головок сопротивлением по 8 Ом. Здесь возможно использование самых распространенных головок 1ГД-40 старого производства или подобных по конструкции головок с эллиптическим диффузором, например 2ГДШ-2-8. Другой особенностью усилителя является то, что его выходы нигде не соединены с общим проводом питания. Это характерно для мостовых усилителей мощности с бесконденсаторным выходом.
Рис. 1. Принципиальная схема стереофонического УМЗЧ на ИМС TDA7053 с регуляторами громкости
Интегральная микросхема рассчитана на работу при напряжении питания 3-15 В и токе покоя около 5 мА. Минимальное сопротивление нагрузки — 8 Ом.
Такой усилитель удобно и экономично подключить к карманному плейеру и использовать для музыкального сопровождения. В этом случае целесообразно упростить конструкцию усилителя, убрав регуляторы громкости, поскольку они уже имеются в плейере. Измененная принципиальная схема усилителя приведена на рис. 2. Здесь на входе каждого канала установлен делитель напряжения из двух резисторов во избежание перегрузки усилителя. Сигналы снимаются с гнезда для внешнего телефона плейера с помощью двойного кабеля от стереофонического телефона, вышедшего из строя.
Рис. 2. Принципиальная схема стереофонического УМЗЧ на ИМС TDA7053 с нерегулируемыми входами
При повторении конструкций данных усилителей можно воспользоваться монтажными схемами и чертежами печатных плат, приведенными на рис. 3 и 4, а также рис. 5 и 6 соответственно.
Рис. 3. Монтажная схема УМЗЧ на ИМС TDA7053
Рис. 4. Печатная плата УМЗЧ на ИМС TDA7053
Рис. 5. Монтажная схема УМЗЧ на ИМС TDA7053 с нерегулируемыми входами
Рис. 6. Печатная плата УМЗЧ на ИМС TDA7053 с нерегулируемыми входами
Усилитель на выходную мощность до 5 Вт
На рис. 7 дана принципиальная схема самого простого, надежного, экономичного и широко распространенного в промышленной аппаратуре усилителя мощности звуковой частоты на отечественной интегральной микросхеме К174УН14, имеющей десятки аналогов за рубежом, среди которых самым популярным является ТДА2003. Микросхема предназначена для работы при напряжении источника питания 8-18 В и сопротивлении нагрузки не менее 2 Ом. При этом достигается равномерное усиление сигнала в полосе частот 30 Гц — 20 кГц, а ток покоя составляет 40-60 мА. Чувствительность усилителя — около 50 мВ. Микросхема снабжена собственным теплоотводом, допускающим работу с выходной мощностью не более 2 Вт. Для получения большей мощности обязательно требуется установка дополнительного пластинчатого либо ребристого или игольчатого теплоотвода.
Рис. 7. Принципиальная схема УМЗЧ на ИМС TDA2003
Большое усиление микросхемы требует принятия определенных мер по повышению стабильности и устойчивости ее работы. Это достигается двумя способами. Во-первых, для предотвращения самовозбуждения на высоких и ультравысоких частотах громкоговоритель шунтируется последовательно соединенными низкоомным постоянным резистором R4 типа С1-4 и керамическим конденсатором С6. Во-вторых, коэффициент усиления во всей полосе воспроизводимых частот стабилизирован за счет наличия на выходе усилителя делителя напряжения сигнала 1:100 и подачей с него напряжения отрицательной обратной связи на инвертирующий вход усилителя. Через оксидный конденсатор большой емкости С4 громкоговоритель подключен к выходу усилителя через стандартный акустический разъем и своим одним выводом соединен с общим проводом питания, то есть заземлен.





