Содержание
Камрад, рассмотри датагорские рекомендации
Внимание! 800 рублей для новичков на Aliexpress Регистрируйтесь по нашей ссылке. Если вы впервые на Aliexpress — получите 800.00₽ купонами на свой первый заказ.
Цифровой осциллограф DSO138
Кит для сборки
Цифровой осциллограф DSO138. Кит для сборки
Функциональный генератор. Кит для сборки
Настраиваемый держатель для удобной пайки печатных плат
Владимир (vladimirm2)
Хайфа
Список всех статей
Профиль vladimirm2
Живу в Израиле, родом из Одессы, бывший военный психолог, сегодня инженер сетевых компьютерных технологий или просто сисадмин.Лет десять, как увлекся ламповым звуком, в то время построил свой первый усилитель. Полгода выслушивал и настраивал, доволен. С тех пор были построены разные устройства, некоторые из них благодаря материалам и помощи людей этого портала. Нашел на вашем ресурсе много полезной для себя информации.С уважением ко всем! )
↑ Анализ даташитов и реальных измерений TDA7379
TDA7379Али
Зависимость выходной мощности TDA7379 от питания на нагрузке 4 Ом
В скобках мощность TDA7297 для сравнения. Видно что при нагрузке 8 Ом разница минимальна, а при нагрузке 4 Ом — значительна.TDA7379
Заявленные 2×38W/4Ω @18V, 1KHz возможны, если питание будет стабилизированным. Кроме того, мощность указана при искажениях 10%, а это невыносимые искажения при значительном ограничении. Реально, на пороге ограничения неискаженная мощность будет на 20…30% ниже, это 25…30 Вт на канал, очень неплохо для такой микросхемы. Кстати, ограничение наступает весьма мягко, по осциллографу куда лучше, чем в классе D.
Резюме.
Усилитель на tda7377 показал себя с самой лучшей стороны. Громкость, которую он выдает, хватает и даже остается с запасом. Для прослушивания музыки в квартире или просмотра фильмов, этот усилитель подойдет просто идеально.
Звук выдается чистый и без помех. Сабвуфер при опыте использовался небольшой, всего на 20 Ватт, но ресурсов усилителя хватило для того, чтобы нагрузить его низкими частотами и воздух вокруг буквально завибрировал.
Усилитель можно подключать не только к акустической системе 2.1, но еще и использовать его в машине. Диапазон напряжения от 10 до 18 Вольт позволяет это. Поэтому усилитель будет чувствовать себя в автомобиле вполне комфортно.
Диодный мост избавляет от надобности искать полярность, поэтому подключить и собрать его смогут даже новички.
Громкость и чистота звучания отлично подойдут для прослушивания аудио в доме или квартире. Что касается машины, то там надо будет использовать более мощный усилитель, чем 20 Ватник.
Техническая документация к электронным компонентам на русском языке.
Описание
ВЫСОКАЯ ВЫХОДНАЯ МОЩНОСТЬ (возможные варианты включения) :
2 x35 Вт макс./4 Ом 2 x30 Вт/4 Ом по стандарту EIAJ 2 x30 Вт/4 Ом по стандарту EIAJ 2 x 20 Вт/4 Ом при 14.4 В, 1 кГц, 10% 4 x 6 Вт/4 Ом при 14.4 В, 1 кГц, 10% 4 x 10 Вт/2 Ом при 14.4 В, 1 кГц, 10%
Минимальное количество подключаемых внешних компонентов:
— Нет конденсатора в цепи компенсационной обратной связи
— Внутренне фиксированное усиление (26 дБ BTL)
- Функция ожидания (КМОП-совместима)
- Беззвучный режим
- Проверка на:
— Короткое замыкание выхода на землю
— Короткого замыкания выхода на + источника питания
— Перегрев и отключение в случае перегрева
— От короткого замыкания
— Отключение нагрузки при перенапряжении
— От очень большой индуктивности нагрузки
— От случайного отключения земли
— От неправильного подключения полюсов источника питания
— От электростатических напряжений
 Внутренняя схема усилителя
 Внутренняя схема усилителя
TDA7377 — микросхема для автомобильных усилителей класса AB, способная работать по мостовой схеме или как четырехканальный усилитель. Полностью комплементарная структура выходного каскада и постоянный коэффициент усиления дают возможность получить максимальную при минимальном количестве внешних компонентов.
| Обозначение | Параметр | Значение | Ед. изм. | 
| Vop | Рабочее значение напряжения питания | 18 | В | 
| VS | Постоянное напряжение источника питания | 28 | В | 
| Vpeak | Максимум напряжения питания ( t= 50 мс) | 50 | В | 
| IO | Максимум выходного тока (не повторяющийся t = 100 мкс) | 4.5 | А | 
| IO | Максимум выходного тока (повторяющийся f > 10 Гц) | 3.5 | А | 
| Tstg, Tj | Температура хранения и температура перехода | от — 40 до 150 | °C | 
| Rth j-case | Тепловое сопротивление кристалл-корпус | 1.8 | °C/Вт | 
Trek planet walker comfort
 Цоколевка (вид сверху)
 Цоколевка (вид сверху)
| Обозначение | Параметр | Условия | Мин. | Тип. | Макс. | Ед. изм. | 
| VS | Диапазон питающего напряжения | 8 | 18 | В | ||
| Id | Потребляемый ток | RL = ∞ | 150 | мА | ||
| VOS | Выходное напряжение смещения | 150 | мВ | |||
| PO | Выходная мощность | THD = 10%; RL = 4 Ом | ||||
| Мостовая схема | 18 | 20 | Вт | |||
| С несимметричным выходом | 5.5 | 6 | Вт | |||
| С несимметричным выходом, RL = 2 Ом | 10 | Вт | ||||
| PO max | Максимальная выходная мощность (***) | VS = 14.4 В, Мост | 31 | 35 | Вт | |
| PO EIAJ | Выходная мощность по EIAJ | VS = 13.7 В, Мост | 27 | 30 | Вт | |
| THD | Коэффициент нелинейных искажений | RL = 4 Ом | ||||
| Несимметричная схема, PO = от 0.1 до 4 Вт | 0.02 | % | ||||
| Мостовая схема, PO = от 0.1 до 10 Вт | 0.03 | 03 | % | |||
| CT | Перекрестные помехи | f = 1 кГц, Несимметричная схема | 70 | дБ | ||
| f = 10 кГц, Несимметричная схема | 60 | дБ | ||||
| f = 1 кГц, Мостовая схема | 55 | дБ | ||||
| f = 10 кГц, Мостовая схема | 60 | дБ | ||||
| RIN | Входное сопротивление | Несимметричная схема | 20 | 30 | кОм | |
| Мостовая схема | 10 | 15 | кОм | |||
| GV | Усиление по напряжению | Несимметричная схема | 19 | 20 | 21 | дБ | 
| Мостовая схема | 25 | 26 | 27 | дБ | 
 Схема четырехканального усилителя
 Схема четырехканального усилителя
В данной схеме можно использовать конденсаторы C9, C10, C11, C12 меньшей емкости, если не будет подключаться нагрузка 2 Ома.
Купить TDA7377 можно здесь.
Если вы нашли ошибку, пожалуйста, выделите фрагмент текста и нажмите Ctrl+Enter.

Усилитель на TDA7377 с темброблоком (2 канала по 30Вт)
Усилитель на TDA7377 речь, о котором пойдёт в этой статье, является стереофоническим усилителем и включает в себя два канала усиления звука по 30Вт номинальной мощности, при работе на нагрузку 4 Ома. Кроме того в схеме есть стереофонический темброблок, который выполнен вместе с усилителем звуковой частоты на одной печатной плате, это очень удобно при встраивании усилителя в корпус.


Основные технические характеристики усилителя на TDA7377 с темброблоком
Напряжение питания………………………… +10В…+18В
Диапазон воспроизводимых частот………. 20Гц…20000Гц
Входное сопротивление……………………… 10кОм
Глубина регулировки тембра……………….. 20dB
Коэффициент гармоник,
при Uпит = 14.4В и P = 0,1…10Вт……… 0.03%
Номинальная выходная мощность,
при Uпит = 14.4В и R = 4Ома……………… 2×20Вт
при Uпит = 18В и R = 4Ома………………… 2×30Вт
Больше информации можно получить из даташита на TDA7377. Также микросхема может быть включена по трём вариантам схем: на две, три и четыре динамических головки. В нашем случае микросхема включена на две динамические головки, образуя два канала усиления (левый и правый), но при желании схему легко модернизировать до нужного количества выходов.


Схема усилителя на TDA7377 с темброблоком
Элементы схемы
| ОБОЗНАЧЕНИЕ | ТИП | НОМИНАЛ | КОЛИЧЕСТВО | 
| R1,R2,R11,R25,R26 | Резистор 0,25Вт | 10…18 Ом | 5 | 
| R3,R4 | Резистор 0,25Вт | 47…100 кОм | 2 | 
| R6,R7 | Резистор 0,25Вт | 1…1,2 кОм | 2 | 
| R8,R22,R23,R24 | Резистор 0,25Вт | 10…15 кОм | 4 | 
| R9,R10 | Резистор 0,25Вт | 91…100 кОм | 2 | 
| R12,R15,R18,R21 | Резистор 0,25Вт | 22 кОм | 4 | 
| R13,R14,R19,R20 | Резистор 0,25Вт | 4,7 кОм | 4 | 
| R27-R30 | Резистор 0,25Вт | 22 кОм | 4 | 
| R5 | Переменный | 10 кОм | 1 | 
| R16 | Переменный | 100 кОм | 1 | 
| R17 | Переменный | 50 кОм | 1 | 
| C1,C2,C9,C12 | Электролит | 4,7…10мкФ 25В | 4 | 
| C3,C5,C24 | Электролит | 47мкФ 25В | 3 | 
| C4,C8,C23,C26 | Керамический | 0,22…0,47мкФ | 4 | 
| C6,C7,C19,C20 | Пленочный | 0,33…0,47мкФ | 4 | 
| C10,C11,C15,C16 | Пленочный | 4,7нФ | 4 | 
| C13,C14 | Пленочный | 10нФ | 2 | 
| C17,C18 | Керамический | 10пФ | 2 | 
| C21 | Электролит | 1…2,2мкФ 25В | 1 | 
| C22,C25 | Электролит | 1000…2200мкФ 25В | 2 | 
| VD1 | Диод 1А 1000В | 1n4007 | 1 | 
| DA1,DA2 | Операц. Усил. | TL072 | 2 | 
| DA3 | TDA7377 | 1 | 
Немного слов…
Усилитель имеет режим St-by (спящий режим). Для того чтобы вывести усилитель из спящего режима, необходимо подключить к выводу «STBY» положительный вывод питания. Чтобы ввести в спящий режим, необходимо подключить к выводу «STBY» отрицательный вывод питания. В моем случае установлена перемычка на самой клемме.


Сборку лучше всего начинать с впаивания перемычек, внимательно проверяя их расположение на печатной плате. После перемычек впаиваются резисторы, микросхемы, а в последнюю очередь конденсаторы. После окончания пайки на печатной плате, необходимо тщательно очистить ее от канифоли.


В схеме есть регулировка низких частот с помощью переменного резистора R16, регулировка высоких частот с помощью R17 и соответственно регулировка громкости с помощью R5.


Микросхему TDA7377 необходимо установить на мощный радиатор через теплопроводящую пасту. Площадь радиатора должна составлять 400 кв.см и более. Если плата усилителя с темброблоком будет устанавливаться в металлический корпус, тогда микросхему необходимо устанавливать на радиатор через диэлектрические прокладки и втулки, а радиатор необходимо заземлить либо с помощью провода (подключенного к средней точке блока питания), либо через крепежные элементы (винты, болты) к корпусу усилителя.
Даташит на TDA7377 СКАЧАТЬ
Печатная плата усилителя на TDA7377 с темброблоком СКАЧАТЬ
Список деталей PDF СКАЧАТЬ
About designing amplifier with TDA7377 Stereo 2.1 + bass channel
Circuit to use the possibilities of the TDA7377 which has 4 outputs, 2 simple for satellites and the other two bridged for the subwoofer.
The circuit has balance control (P2), if not just need to connect the jumpers. Adjust overall volume (p1), tone control and volume adjustment of the subwoofer.
We have a pre amp (IC1) and bass filter (IC3) with bandwidth of 20-150Hz.
The circuit already has power supply by simply connecting a transformer (AC) simple 9-12 Volts / 3 Amps or more, can also be connected a source (DC) 12-18 volts / 3 amps. Can be a source of computer or notebook, battery car , etc.
This circuit is not the same as traditional circuit which adopts RC to control Bass/Treble via potentiometers, its Bass circuit adopts Low Pass Filter,doesn’t need additional Treble potentiometer, so it is quite suitable to be used for the power supply refitting for automobile, motorcycle, electric vehicles and multimedia audios, it can help a lot for promoting your sound quality.
Schematic of the audio power amplifier with TDA7377 2.1 – Stereo + Subwoofer
Suggested PCB design for audio amplifier 2.1
Pcb Copper Side Pcb SilkPcb Component Side
Pcb SilkPcb Component Side
| Part | Value | 
| Resistor 1/4W 5% | |
| R1, R3, | 2.7K – Red, Violet, Red, Gold | 
| R2 | 3.3K – Orange, Orange, Red, Gold | 
| R4, R11, R13 | 47K – Yellow, Violet, Orange, Gold | 
| R5, R12, R15, R19, R20 | 8.2K – Gray, Red, Red, Gold | 
| R6, R7 | 1k – Brown, Black, Red, Gold | 
| R8 | 68K – Blue, Gray, Orange, Gold | 
| R9, R10, R14, R18, R23, R26 | 10K – Brown, Black, Orange, Gold | 
| R16, R17 | 22K – Red, Red, Orange, Gold | 
| R21, R23 | 1.8K – Brown, Gray, Red, Gold | 
| R22, R24 | 6.8K – Blue, Gray, Red, Gold | 
| P1, P3 | 47K or 50K – Dual Potentiometer logarithmic | 
| P2 | 100k – Dual Potentiometer | 
| P4 | 47K or 50K – Single Potentiometer logarithmic | 
| C1 | 6800µF | 
| C3, C4,C14, C19, C30 | 10µF | 
| C5, C7, C8, C9, C10 | 4.7µF | 
| C6, C28, C31 | 100µF | 
| C22 | 0.47µF or Polyester | 
| C33, C34 | 1000µF | 
| Capacitors Polyester and ceramic | |
| C2, C15, C20, C32 | 100nF (104) – Ceramic or Polyester | 
| C11, C12 | 100pF (101) – Ceramic | 
| C13 | 220nF (224) – Polyester | 
| C16, C26, C27 | 100nF (104) – Polyester | 
| C17, C18 | 6.8nF (682) – Polyester | 
| C21, C23 | 4,7nF (472) – Polyester | 
| C24, C25 | 33nF (333) – Polyester | 
| C29 | 1nF (102) – Polyester | 
| Semiconductors | |
| B1 | Bridge Rectifier FBU8K or equivalent 200V / 2A | 
| IC1 | 7812 – positive voltage regulator 12 Volts | 
| IC2, IC3 | LM4558N or equivalent – Dual Operational Amplifier | 
| IC4 | TDA7379 or equivalent – see table in the text | 
| LED1 | Red Led 5mm | 
| Connectors | |
| ST1, ST2 | Connector 9-way (Optional) | 
| X1 | Connector Terminal Block 2 pin – AC | 
| X2 | Connector Terminal Block 2 pin – DC Power | 
| X3 | Connector Terminal Block 2 pin – Input right channel | 
| X4 | Connector Terminal Block 2 pin – Input Left Channel | 
| X5 | Connector Terminal Block 2 pin – Audio output Left channel | 
| X6 | Connector Terminal Block 2 pin – Audio output Right channel | 
| X7 | Connector Terminal Block 2 pin – Audio Output Subwoofer | 
| Miscellaneous | |
| Welding, Wire, Box to accommodate circuit, printed circuit board heatsink to the TDA7377, Transformer, Sockets for Op Amp, etc.. | 
Buy kits or Assembled board for this circuit TDA7377 2.1 direct from china to worldwide via Aliexpress.
Error in previous version:
- The capacitor C27 (100µF) inverted.
- Remove C26 de 10nF or change to 6.8nF.
- Change the resistors R8, R10 and R18 47K, from GND reference to + 12V. Pull up terminal of each resistor connected to GND and solder a wire to the jumper after 7812 or pin 8 of the op amp.
TDA7377 — Четырехканальный усилитель — DataSheet
Описание
ВЫСОКАЯ ВЫХОДНАЯ МОЩНОСТЬ (возможные варианты включения):
2 x35 Вт макс./4 Ом2 x30 Вт/4 Ом по стандарту EIAJ2 x30 Вт/4 Ом по стандарту EIAJ2 x 20 Вт/4 Ом при 14.4 В, 1 кГц, 10%4 x 6 Вт/4 Ом при 14.4 В, 1 кГц, 10%4 x 10 Вт/2 Ом при 14.4 В, 1 кГц, 10%
— Нет конденсатора в цепи компенсационной обратной связи
— Внутренне фиксированное усиление (26 дБ BTL)
- Функция ожидания (КМОП-совместима)
- Беззвучный режим
- Проверка на:
— Отсечку
— Короткое замыкание выхода на землю
— Короткого замыкания выхода на + источника питания
— Плавное включение
— Перегрев и отключение в случае перегрева
Защита :
— От короткого замыкания
— От перегрева
— Отключение нагрузки при перенапряжении
— От очень большой индуктивности нагрузки
— От случайного отключения земли
— От неправильного подключения полюсов источника питания
— От электростатических напряжений

TDA7377 — микросхема для автомобильных усилителей класса AB, способная работать по мостовой схеме или как четырехканальный усилитель. Полностью комплементарная структура выходного каскада и постоянный коэффициент усиления дают возможность получить максимальную при минимальном количестве внешних компонентов.
| Обозначение | Параметр | Значение | Ед. изм. | 
| Vop | Рабочее значение напряжения питания | 18 | В | 
| VS | Постоянное напряжение источника питания | 28 | В | 
| Vpeak | Максимум напряжения питания ( t= 50 мс) | 50 | В | 
| IO | Максимум выходного тока (не повторяющийся t = 100 мкс) | 4.5 | А | 
| IO | Максимум выходного тока (повторяющийся f > 10 Гц) | 3.5 | А | 
| Tstg, Tj | Температура хранения и температура перехода | от — 40 до 150 | °C | 
| Rth j-case | Тепловое сопротивление кристалл-корпус | 1.8 | °C/Вт | 

| Обозначение | Параметр | Условия | Мин. | Тип. | Макс. | Ед. изм. | 
| VS | Диапазон питающего напряжения | 8 | 18 | В | ||
| Id | Потребляемый ток | RL = ∞ | 150 | мА | ||
| VOS | Выходное напряжение смещения | 150 | мВ | |||
| PO | Выходная мощность | THD = 10%; RL = 4 Ом | ||||
| Мостовая схема | 18 | 20 | Вт | |||
| С несимметричным выходом | 5.5 | 6 | Вт | |||
| С несимметричным выходом, RL = 2 Ом | 10 | Вт | ||||
| PO max | Максимальная выходная мощность (***) | VS = 14.4 В, Мост | 31 | 35 | Вт | |
| PO EIAJ | Выходная мощность по EIAJ | VS = 13.7 В, Мост | 27 | 30 | Вт | |
| THD | Коэффициент нелинейных искажений | RL = 4 Ом | ||||
| Несимметричная схема, PO = от 0.1 до 4 Вт | 0.02 | % | ||||
| Мостовая схема, PO = от 0.1 до 10 Вт | 0.03 | 03 | % | |||
| CT | Перекрестные помехи | f = 1 кГц, Несимметричная схема | 70 | дБ | ||
| f = 10 кГц, Несимметричная схема | 60 | дБ | ||||
| f = 1 кГц, Мостовая схема | 55 | дБ | ||||
| f = 10 кГц, Мостовая схема | 60 | дБ | ||||
| RIN | Входное сопротивление | Несимметричная схема | 20 | 30 | кОм | |
| Мостовая схема | 10 | 15 | кОм | |||
| GV | Усиление по напряжению | Несимметричная схема | 19 | 20 | 21 | дБ | 
| Мостовая схема | 25 | 26 | 27 | дБ | 

В данной схеме можно использовать конденсаторы C9, C10, C11, C12 меньшей емкости, если не будет подключаться нагрузка 2 Ома.


Купить TDA7377 можно здесь.
Если вы нашли ошибку, пожалуйста, выделите фрагмент текста и нажмите Ctrl+Enter.
Характеристики
Как указано в datasheet TDA7377 работает от однополярного питания до 18 В. Характеризуется высокой мощностью усиления. С нагрузкой 4 Ом на один канал, в двухканальной стереоконфигурации, от неё можно кратковременно добиться до 35 Вт. Но если задействованы четыре выхода одновременно, то уже не более 6 Вт. Поэтому её редко используют в схемах «квадро».
Приведем основные максимально допустимые значения параметров для TDA7377:
- питающее напряжение (VS) до 18 В;
- ток на выходе (IO) до 4.5 А;
- рассеиваемая мощность (Ptot) до 36 Вт (при Tcase=+85 оС);
- температура хранения/рабочая от -40 до +150 оС;
- термическое сопротивление кристалл-корпус (Rthj-case) до 1.8 оС /Вт.
Стоит заметить, что это предельно возможные значения для микросхемы, помещенной в идеальные условия для эксплуатации. Они достижимы только при хорошем охлаждении и на коротких промежутках времени. Производитель не рекомендует работу устройства в таких режимах и предупреждает о вероятном выходе его из строя при этом.
При нормальной работе микросхема, подключенная к питанию в 14.4 В с нагрузкой 4 Ом, может выдать на выходе до 18-20 Вт. При этом, коэффициент нелинейных искажений, если не превышать мощностью в 10 Вт, составит не более 0,3 %.
В режиме квадро, в аналогичных условиях функционирования, можно получить до 6 Вт. При этом, коэффициент нелинейных искажений будет значительно ниже — не более 0,02 %.
Во всех случаях необходимо предусмотреть установку устройства на алюминиевый радиатор.
Аналоги
Аналог для TDA7377 трудно подобрать такой же мощный и качественный, так как полностью похожих по параметрам микросхем не существует. Вместе с тем, её возможно заменить на более дорогие устройства: TDA7375А, TDA7379. Это тоже достаточно распространенные усилители. Распиновка и функциональные схемы у них, согласно технического описания, идентичны.
Схемы
Для функционирования TDA7377 используется схема включения: в четырехканальном режиме (квадро), в двухканальном-мостовом или комплексном 2.1 (стерео/мост). Все они приводятся в datasheet с указанием необходимой электронной обвязки. Для работы микросхемы используется однополярное питание.

Усилитель TDA7377 Stereo 2.1 + басовый канал
Простая конструкция УНЧ способна использовать все возможности микросхемы ТДА 7377, которая имеет четыре выхода, два стандартных, к которым подключаются сателлиты и два мостовых, обеспечивающих работу сабвуфера. В схеме есть контроль баланса (P2), если он не нужен, то просто нужно подключить перемычки.
Регулировка общей громкости и настройка тембра сабвуфера осуществляется двойным логарифмическим потенциометром (p1). В схеме предусмотрен предварительный усилитель (IC1) и фильтр низких частот (IC3) с полосой пропускания 20–150 Гц. Усилитель уже имеет свой источник питания, нужно только подключить трансформатор (AC), рассчитанный на 9-12 Вольт/3 А или больше, также можно подключить источник (DC) 12-18 Вольт/3 А. В качестве источника питания может быть компьютер или ноутбук, автомобильный аккумулятора и т.д.
Эта схема отличается от традиционных тем, что она использует RC для управления низкими/высокими частотами с помощью потенциометров, использование фильтра нижних частот, не требует дополнительного потенциометра высоких частот, поэтому он вполне может быть переоборудован для автомобилей, мотоциклов, электромобилей и мультимедийные аудиосистемы, они могут значительно улучшить качество вашего звука.
Схема усилителя мощности звука с ТДА 7377 2.1 — стерео + сабвуфер
Предлагаемая печатная плата для аудиоусилителя 2.1
 Печатная плата со стороны фольги
Печатная плата со стороны фольги
 PCB шелкография
PCB шелкография
 Сторона компонентов печатной платы
Сторона компонентов печатной платы
| Название | Значение | 
| Резистор 1/4 Вт 5% | |
| R1, R3, | 2.7K — красный, фиолетовый, красный, золотой | 
| R2 | 3.3K — оранжевый, оранжевый, красный, золотой | 
| R4, R11, R13 | 47K — желтый, фиолетовый, оранжевый, золотой | 
| R5, R12, R15, R19, R20 | 8,2 К — серый, красный, красный, золотой | 
| R6, R7 | 1k — коричневый, черный, красный, золотой | 
| R8 | 68K — синий, серый, оранжевый, золотой | 
| R9, R10, R14, R18, R23, R26 | 10K — коричневый, черный, оранжевый, золотой | 
| R16, R17 | 22K — красный, красный, оранжевый, золотой | 
| R21, R23 | 1.8K — коричневый, серый, красный, золотой | 
| R22, R24 | 6,8 К — синий, серый, красный, золотой | 
| P1, P3 | 47K или 50K — двойной логарифмический потенциометр | 
| P2 | 100k — двойной потенциометр | 
| P4 | 47K или 50K — логарифмический однопотенциометр | 
| Электролитические конденсаторы | 
C1
6800µF
C3, C4,C14, C19, C30
10µF
C5, C7, C8, C9, C10
4.7µF
C6, C28, C31
100µF
C22
0.47µF или полиэстер
C33, C34
1000µF
Конденсаторы Полиэфирные и керамические
C2, C15, C20, C32
100nF (104) – керамика или полиэстер
C11, C12
100pF (101) – керамический
C13
220nF (224) – полиэстер
C16, C26, C27
100nF (104) – полиэстер
C17, C18
6.8nF (682) – полиэстер
C21, C23
4,7nF (472) – полиэстер
C24, C25
33nF (333) – полиэстер
C29
1nF (102) – полиэстер
Полупроводники
B1
Мостовой выпрямитель FBU8K или аналог 200В/2А
IC1
7812 — стабилизатор положительного напряжения 12 Вольт
IC2, IC3
LM4558N или аналогичный — Двойной операционный усилитель
IC4
TDA7379 или аналог — см. Таблицу в тексте
LED1
Красный светодиод 5 мм
Разъемы
ST1, ST2
Разъем 9-контактный (опционально)
X1
Разъем клеммной колодки 2 контакта — AC
X2
Клеммная колодка разъема 2 контакта — питание постоянного тока
X3
Клеммная колодка разъема 2 контакта — вход правого канала
X4
Клеммная колодка разъема 2 контакта — входной левый канал
X5
Разъем Клеммная колодка 2 контакта — Аудиовыход Левый канал
X6
Разъем Клеммная колодка 2 контакта — Аудиовыход Правый канал
X7
Клеммная колодка разъема 2 контакта — аудиовыход сабвуфер
Загрузите файлы PDF для этой сборки — плата, сторона меди, сторона компонентов, шелкография, схема TDA7377, Datasheet.
Скачать PDF tda7379-2.1-te1.com.br-2016
Предыдущая запись Усилитель мощности HEXFET: полупроводниковые компоненты
Следующая запись Фрезерный станок с ЧПУ своими руками
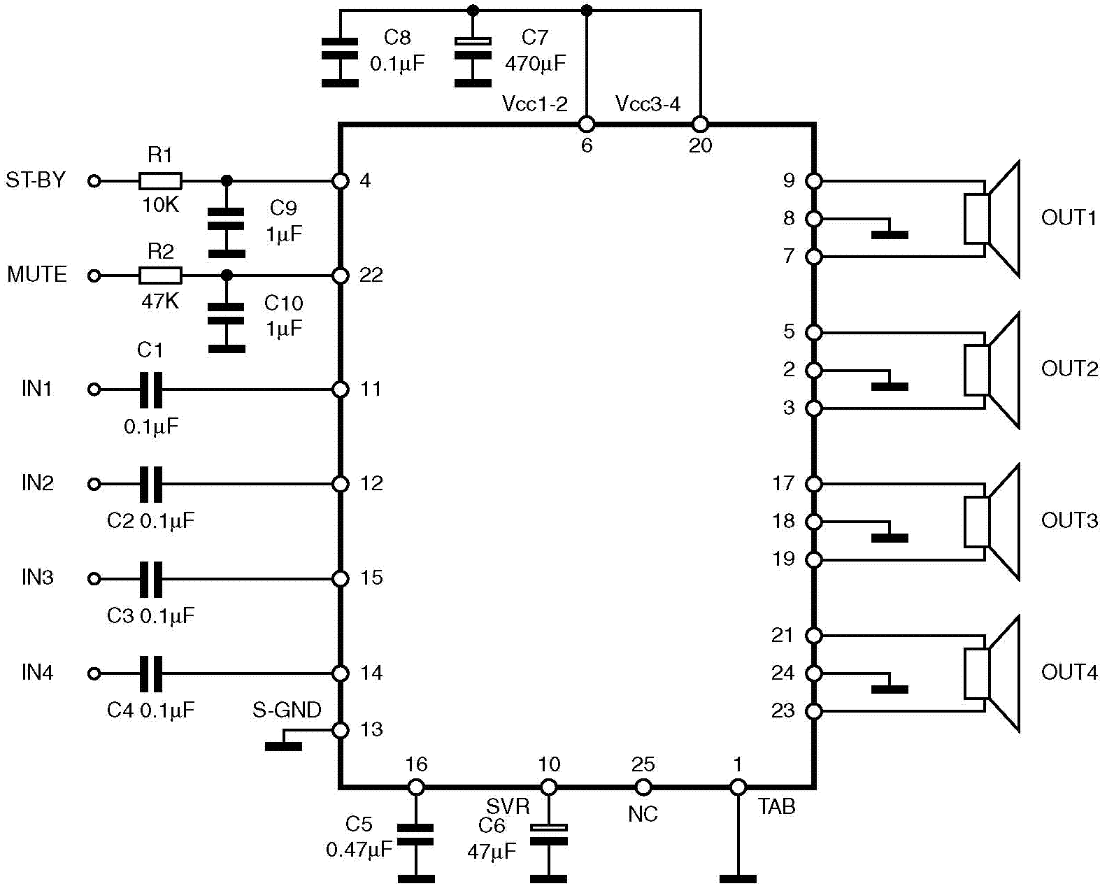
Схема усилителя на tda7388

На рисунке представлена схема подключения микросхемы tda7388, конденсатор C6 необходим для регулирования времени выключения/выключения и выполняет значимую роль в оптимизации щелчков при переходных процессах. Минимально значение емкости для такого конденсатора 10 мкФ.
Входной сигнал подается через конденсаторы с емкостью 0.1 мкФ на выводы 11,12,15,14 относительно вывода S-GND, при такой емкости нижняя частота среда будет 16 Гц.
Управление режимами работы ST-BY или MUTE можно использовать любые транзисторы небольшой мощности, либо CMOS вывод микроконтроллера. На этих выводах посажены RC цепочки которые необходимы для сглаживания управляющих сигналов, в противном случае при управлении микросхемы могут быть слышны щелчки управления. Для управления 22 выводом необходим так около 10 мкА, поэтому стоит резистор 70 кОм.
Если на выходе усилителя присутствуют какие либо шумы, то необходимо на входе повесить ФНЧ первого порядка, RC цепочка 1 кОм+220 пФ.
Усилитель на TDA7377, 2X30W — Меандр — занимательная электроника
Одним из простых интегральных усилителей, которые могут быть без особых усилий собраны за пару часов и развернуты в небольшой автомобильной или домашней акустической системе, с возможностью подключения к МР3 плееру, ноутбуку, ресиверу — является усилитель, собранный на микросхеме TDA7377.Такой усилитель просто и быстро монтировать — демонтировать, тем более что на базе TDA7377 можно собрать автомобильный усилитель AB класса в нескольких исполне ниях: квадрафоническом, стереофоническом (мостовом) или комплексном варианте 2.1 (стерео — мостовом). При этом выходная мощность в квадро — варианте при использовании 4-х омных динамиков составит 6 ватт на канал, а при использовании 2-х омных динамиком порядка 10 ватт на канал. Мостовая схема рассчитана на применение только 4-х омных динамиков и при напряжении питании 14,4 вольта составляет 18-20 Вт на канал. А при подаче напряжения питания 18В можно получить мощность до 30 Вт на канал.
Вот схема подключения усилителя:
Фото:
Печатная плата:
Скачать
Примечание! Не забудьте поставить TDA7377 на радиатор!
Внимание! Копирование этого материала разрешается только с указанием ссылки на данный сайт http://meandr.org/
Описание усилителя tda7377
Самым главным элементом усилителя является микросхема tda7377. Она считается квадро-схемой. У нее один канал мостовой, и два других сателиты.
В комплект также входят две печатные платы
При покупке плат обращайте внимание на наличие лужения на задней стороне плат
Для чего это нужно? Как всем известно, микросхемы потребляют большой ток и дорожки на схеме, если они сделаны из одной фольги, просто выгорят.
На лицевой стороне платы есть маркировка. В них разберется даже самый начинающий пользователь.
 
Маленькая плата предназначена для регулировочных ручек. Второй, основной, является главным модулем усилителя. Кстати, на него не нужно ничего паять, все подкручивается с помощью наклеммников.
Положительным моментом является наличие диодного моста на лицевой панели. Мост защищает усилитель от переполюсовки и играет роль ключа.
Входами являются два «тюльпана» и два клеммника. Справа находится питающий, слева — дополнительный по главному входу, используется для подключения модуля МР-3.
 
Платы соединяются специальным шлейфом, что упрощает задачу по взаимодействию плат. Однако у этого шлейфа есть один недостаток. Шлейф не экранированный. То есть если вокруг усилителя будут помехи, то могут появиться наводки на него. Но тут может быть, что они появятся, а может и нет.
Если наводки появятся, то можно поменять провода на шлейфе на экранированные и эта проблема решится.
Еще одним важным элементом является операционный усилитель, на основе которого построен фильтр низких частот.
Datasheet Download — ST Microelectronics
| Номер произв | TDA7377 | ||
| Описание | 2 x 30WDUAL/QUAD POWER AMPLIFIER FOR CAR RADIO | ||
| Производители | ST Microelectronics | ||
| логотип | |||
| 1Page 
 
  TDA7377 2 x 3W DUAL/QUAD POWER AMPLIFIER FOR CAR RADIO HIGH OUTPUT POWER CAPABILITY: 2 x 35W max./4Ω 2 x 3W/4Ω EIAJ 2 x 3W/4Ω EIAJ 2 x 2W/4Ω @14.4V, 1KHz, 10% 4 x 6W/4Ω @14.4V, 1KHz, 10% 4 x 1W/2Ω @14.4V, 1KHz, 10% MINIMUM EXTERNAL COMPONENTS – OUT TO VS SHORT – SOFT SHORT AT TURN-ON TDA7377V TDA7377H – TO GND – TO VS – ACROSS THE LOAD 1/1 
 
 
 TDA7377 DESCRIPTION The TDA7377 is a new technology class AB car radio amplifier able to work either in DUAL Vop VS Vpeak IO IO Ptot Tstg, Tj Parameter Output Peak Current (not repetitive t = 100µs) Output Peak Current (repetitive f > 10Hz) Power Dissipation (Tcase = 85°C) Storage and Junction Temperature °C THERMAL DATA Rth j-case Description °C/W PIN CONNECTION (Top view) DIAGNOSTICS 2/1 
 
 TDA7377 ELECTRICAL CHARACTERISTICS (Refer to the test circuit, VS = 14.4V; RL = 4Ω; f = 1KHz; Tamb = 25°C, unless otherwise specified Symbol VS Id VOS PO Parameter PO max PO EIAJ THD RIN Input Impedance GV Voltage Gain GV Voltage Gain Match EIN Input Noise Voltage SVR ASB ISB VSB VSB Ipin7 Supply Voltage Rejection Icd off Icd on Vsat pin10 Clipping Detector (**) Pin 10 Pulled-up to 5V with 10KΩ; RL = 4Ω (***) Saturated square wave output. RL = ∞ THD = 10%; RL = 4Ω Bridge Single Ended, RL = 2Ω VS = 14.4V, Bridge VS = 13.7V, Bridge RL = 4Ω Single Ended, PO = 0.1 to 4W Bridge, PO = 0.1 to 10W f = 1KHz Single Ended Rg = 0; ”A” weighted, S.E. Non Inverting Channels Rg = 0; f = 300Hz PO = 1W VST-BY = 0 to 1.5V Play Mode Vpin7 = 5V Max Driving Current Under 18 2 5.5 6 1 31 35 27 3 0.02 KΩ KΩ dB µV µV µV dB µA V µA mA µA µA V 3/1 | |||
| Всего страниц | 10 Pages | ||
| Скачать PDF | 
TDA8567q 4х25 Вт
Мостовой усилитель класса Hi – Fi на четыре канала. Открыть в полном размере
Есть защита от короткого замыкания выходного каскада и термозащита с уменьшением выходной мощности при перегреве. А еще микросхема обладает защитой от колебаний напряжения и режимом отключения. Еще данная микросхема обладает режимом вкл/выкл входного сигнала(режим Mute), и защитой при подаче напряжения на схему от «щелчка».
Характеристики микросхемы
| Параметр | Значение | 
| Uпит | 6-18 В | 
| Iвых | 7,5 А | 
| Iпокоя | 230 мА | 
| Pвых | 4х25 Вт | 
| Rвх | 30 кОм | 
| Коэффициент усиления | 26 дБ | 
| Полоса частот | 20-20000 Гц | 
| Коэффициент гармоник | 0,05 % | 
| Rнагр | 4 Ом | 
Назначение выводов
| Номер вывода | Назначение | 
| 1 | Напряжение питания | 
| 2 | Выход 1+ | 
| 3 | Общий | 
| 4 | Выход 1- | 
| 5 | Выход 2- | 
| 6 | Общий | 
| 7 | Выход 2+ | 
| 8 | Напряжение питания | 
| 9 | Диагностика | 
| 10 | Вход 1 | 
| 11 | Вход 2 | 
| 12 | Общий сигнальный | 
| 13 | Вход 3 | 
| 14 | Вход 4 | 
| 15 | Выбор режима | 
| 16 | Напряжение питания | 
| 17 | Выход 3+ | 
| 18 | Общий | 
| 19 | Выход 3- | 
| 20 | Выход 4- | 
| 21 | Общий | 
| 22 | Выход 4+ | 
| 23 | Напряжение питания | 
Характеристики микросхемы TDA7388
| Параметр | Условия теста | Значение | 
|---|---|---|
| Ток покоя | RL = ∞ | 120 — 350 mA | 
| Выходное смещение | Режим воспроизведения | ±100 mV | 
| Скачек напряжения во время вкл./выкл. | ±80 mV | |
| Усиление по напряжению | 25 — 27 dB | |
| Выходная мощность | THD = 10 %, Vs= 14.4 V | 26 W (typ) | 
| Максимальная выходная мощность (немузыкальная) | Vs= 14.4 V Vs= 15.2 V | 41 W 45 W | 
| Гармонические искажения | POUT = 4 W | 0.04 % (typ) | 
| Подавление пульсаций источника питания | f = 100 Hz, VR = 1 VRMS | 50 — 65 dB | 
| Верхняя частота среза | POUT = 0.5 W | 100 — 200 kHz | 
| Входное сопротивление | 70 — 100 kOhm | |
| Стереоразделение | f = 1 kHz, POUT= 4 W | 60 — 70 dB | 
| Потребляемый ток в ждущем режиме | VST-BY = 0 | 20 uA (max) | 
Схема усилителя на tda7388

На рисунке представлена схема подключения микросхемы tda7388, конденсатор C6 необходим для регулирования времени выключения/выключения и выполняет значимую роль в оптимизации щелчков при переходных процессах. Минимально значение емкости для такого конденсатора 10 мкФ.
Входной сигнал подается через конденсаторы с емкостью 0.1 мкФ на выводы 11,12,15,14 относительно вывода S-GND, при такой емкости нижняя частота среда будет 16 Гц.
Управление режимами работы ST-BY или MUTE можно использовать любые транзисторы небольшой мощности, либо CMOS вывод микроконтроллера. На этих выводах посажены RC цепочки которые необходимы для сглаживания управляющих сигналов, в противном случае при управлении микросхемы могут быть слышны щелчки управления. Для управления 22 выводом необходим так около 10 мкА, поэтому стоит резистор 70 кОм.
Если на выходе усилителя присутствуют какие либо шумы, то необходимо на входе повесить ФНЧ первого порядка, RC цепочка 1 кОм+220 пФ.
Аналоги микросхемы tda7388
Ниже представлены микросхемы, который имеют одинаковую распиновку (pin-to-pin аналоги).
| ИМС | Описание | Примечание | 
|---|---|---|
| TDA7381 | 4 x 25 W quad bridge car radio amplifier | Отличие: 25 вывод — диагностика | 
| TDA7382 | 4 x 22 W four bridge channels car radio amplifier | Отличие: 25 вывод — клип-детектор | 
| TDA7383 | 4 x 30 W quad bridge car radio amplifier | Отличие: 25 вывод — клип-детектор | 
| TDA7384A | 4 x 46 W quad bridge car radio amplifier | |
| TDA7385 | 4 x 42 W quad bridge car radio amplifier | Отличие: 25 вывод — диагностика | 
| TDA7386 | 4 x 45W quad bridge car radio amplifier | |
| TDA7387 | 4 x 41 W quad bridge car radio amplifier | |
| TDA7388 | 4 x 45 W quad bridge car radio amplifier | |
| TDA7389 | 4 x 45W quad bridge car radio amplifier | отличие: 25 вывод — клип-детектор | 
| TDA7454 | 4 x 35 W high efficiency quad bridge car radio amplifier | отличие: 16 вывод — переключение режимов и 25вывод — клип-детектор | 
| TDA7850 | 4 x 50 W MOSFET quad bridge power amplifier | отличие: 25 вывод — выход HSD/OD | 
| TDA7851F | 4 x 48 W MOSFET quad bridge power amplifier | отличие: 25 вывод — выход OD | 
| TDA7854 | 4 x 47W MOSFET quad bridge power amplifier | отличие 25 вывод — выход клип-детектор | 
| STPA001 | 4 x 50 W MOSFET quad bridge power amplifier | Только в корпусеFlexiwatt25. Отличие: 25 вывод – OFFSET DETECTOR OUT | 
| STPA002 | 4 x 52 W quad bridge power amplifier with low voltage operation | Только в корпусеFlexiwatt25. Отличие: 25 вывод – OFFSET DETECTOR OUT | 
Итог по комплекту
Он совершенно не сложный. Как и говорилось выше, с его сборкой сможет разобраться даже начинающий модельер, самое главное, чтобы пользователь умел работать паяльником, чтобы все эти детали припаять к платам. Если пользователь не умеет этого делать, то можно либо попросить того, кто справится с этой задачей, или же купить готовый, собранный усилитель на платах.
 
Присутствует радиатор, для того, чтобы охлаждать микросхему. Чтобы радиатор работал нормально, его нужно будет еще дополнительно обдувать, чтобы он сам тоже не нагревался.
Можно ли использовать усилитель на tda7377 для сабвуфера (системы 2.1)
Можно. Для примера разберем самую простую схему подключения. Источником звука был выбран смартфон. Провод выходит из него и подключается к клеммнику, предназначенного для МР-3 устройств. Можно его припаять с обратной стороны, если нету провода с соответствующим клеммником.
При подключении питания к усилителю, используются два клеммника, находящиеся с правой стороны. При подключении можно не заморачиваться с полярностью. Потому что на плате есть диодный мост, который выпрямит напряжение так как нужно. Поэтому не бойтесь, что сможете спалить усилитель.
Тут же подключается сабвуфер, а сателиты подключаются обратной (левой) стороны.
Регулировку (вторую плату) подключать нужно с помощью шлейфового соединения.
 
Важное замечание. Усилитель является универсальным, поэтому если можете обойтись без сателитных колонок, то будет достаточно лишь подключить к усилителю сабвуфер
При подключении питания вы услышите коммутационный щелчок в динамиках, это значит, что усилитель подключился. После этого необходимо будет подключить источник звука к усилителю.
В нашем случае — это обычный смартфон.
 
Для регулировки звука как раз понадобится вторая плата с регулировочными трубками. Правая отвечает за уровень громкости. Вторая, которая по середине — это тембр, делает звук выше или глуше.
Наконец, самая интересная регулировка, находящаяся слева с краю, отвечает за уровень баса.
↑ Выводы
Часто начинающие любители жалуются на малую мощность, но дело может быть совсем не в этом, а в недостаточном уровне сигнала от источника. У рассмотренных микросхем усиление равно 26 дБ т. е. 20 раз, а у TDA7297 оно равно 33 дБ т. е. 44 раза. Разница существенная! При одинаковом входном сигнале не вызывающем ограничения, мощность излучемая динамиками, будет у TDA7297 в 4 раза выше! Однако максимальная неискаженная мощность (при достаточном входном сигнале) будет выше у TDA7379.При нагрузке 8 Ом предпочтительнее TDA7297, а при 4 Ом — TDA7379. Забавно, что стоимость этих и более мощных микросхем, одинакова — «всё за доллар».
 
 










