Содержание
Простая схема усилителя звука
Любой низкочастотный каскад, предназначенный для воспроизведения музыки, состоит из предварительного блока, регуляторов тембра или эквалайзера и оконечного каскада. Если устройство предназначено для работы с несколькими источниками звука, следует предусмотреть селектор входов. Так как уровень сигнала с различных устройств отличатеся друг от друга, то в селекторе учитывается возможность выравнивания входных напряжений за счёт усиления или ограничения. Самым чувствительным является микрофонный вход, а самым «грубым» является вход, предназначенный для подключения линейного выхода магнитолы или тюнера. Принципиальная схема предварительного каскада может быть собрана на транзисторах или операционных усилителях.
Простая схема усилителя звука с регулировками звука и регуляторами тембра реализована на одном транзисторе обратной проводимости. В схеме рекомендуется использовать КТ315 или КТ3102 с любым буквенным индексом. Резистором R8, на коллекторе транзистора, устанавливается напряжение 6 вольт, а резистор R1 можно заменить на постоянный. Его величина подбирается в зависимости от уровня входного сигнала.
Своими руками схему аудио усилителя легко собрать на операционном усилителе, который обладает высоким входным сопротивлением, широкой полосой обработки и малым уровнем собственных шумов.
В этой схеме используется микросхема К1401УД2, которая содержит 4 отдельных узла с общим питанием. На этой микросхеме собирается предварительный канал для стереофонического тракта. 2 ОУ работают в правом канале и 2 в левом. В монофоническом варианте можно использовать только два элемента. Устройство состоит из канала предварительного увеличения уровня с коррекцией входного напряжения и активного трёхполосного регулятора тембра, который работает по низким, средним и высоким частотам. Существенным недостатком предварительных каскадов на операционных схемах сводится к тому, что им требуется двухполярный источник питания, что заметно усложняет конструкцию.
Усилитель мощности звука так же может быть выполнен на различной элементной базе. Чаще всего для этой цели используются комплементарные пары транзисторов разной проводимости или специализированные интегральные микросхемы. Простой каскад собран на маломощных кремниевых транзисторах. Вместо пары КТ315-КТ361 можно использовать пару КТ3102-КТ3107.
Перед подачей питания динамик следует отключить, а вместо резистора R1 поставить цепочку из, соединённых последовательно, постоянного резистора на 33 кОм и потенциометра на 270 кОм. Включить питание и вращая движок потенциометра выставить в контрольной точке указанный ток коллектора. Затем замерить полученное сопротивление цепочки и заменить её на, ближайший по номиналу, постоянный резистор. Далее подбором резистора R3 нужно установить в той же точке половину питающего напряжения. Далее подключается динамик и на вход подаётся низкочастотный сигнал с источника звука. Схема не имеет регулятора громкости и тембра, поэтому к нему можно подключить любой предварительный каскад, имеющий эти функции.
↑ Схема усилителя

Особенности представленной схемы:
CFA (токовая обратная связь) Кус = 3; Диапазон частот от 10 Hz и далеко за пределами звукового диапазона. Кг < 0,005% при Uвых =1 В, Rн = 32 Ом Ток покоя 100 мА
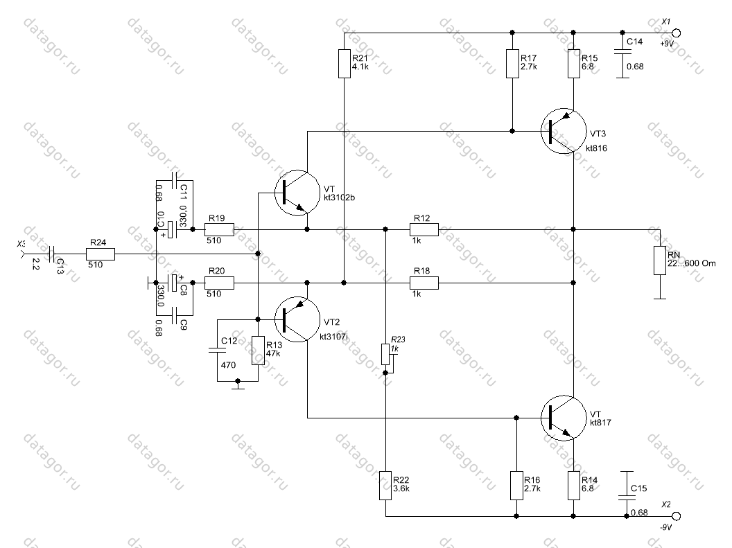
По выражению автора схемы, усилитель получился простой, как валенок, при этом симметричный и в классе «А». Нелинейность компенсируется, что позволяет использовать транзисторы без подбора. Усилитель абсолютно устойчив. Нет разделительного конденсатора на выходе. Не боится КЗ на выходе. Для питания требует стабилизированный источник. Выходные транзисторы нужно ставить на радиатор. Электролиты в цепи ООС желательно ставить как можно лучшего качества, не б/у.
Выходная амплитуда при питании ±9В составляет около ±6В. Если поднять питающее напряжение до ±12В, то придется увеличить резисторы R21 и R22 — они задают смещение и, следовательно, ток покоя. В этом случае максимальный размах выходного напряжения будет ±9В. Для повышения Кус надо уменьшить R19, R20 до 330…270 Ом
Автор применил точные резисторы из ряда E96, например, 4К12 это не опечатка. Можно поставить 3.9…4.3 кОм. Мощности резисторов в цепях коллектора-эмиттера выходных транзисторов R14, R15 и Rдоп. достаточно по 1 Вт, (это с запасом). Остальные резисторы — 0,25 Вт.
В качестве выходных транзисторов, кроме указанных на схеме, были использованы с успехом на разных экземплярах усилителя BD139+BD140, КТ814+КТ815, MJE15034+MJE15035 и др. Спектр возможных к применению транзисторов обоих каскадов очень широк.
На транзисторах
Такая схема выглядит просто, но в эксплуатации, по заверению специалистов, она весьма привередливая — все зависит от основных параметров выбранных вами резисторов и конденсаторов. Размеры ее тоже громоздкие — как правило, все радиолюбители используют простую двухкаскадную конструкцию на двух транзисторах. Часто используемые — это КТ 315 или им подобные, из таких устройств можно делать все, что угодно, и усилитель звука для наушников, в том числе.
Недостатки:
- необходима подборка точного напряжения питания для коллектора, базы и эмиттера:
- к базе должны подходить два типа напряжений: отрицательное и положительное по отдельным линиям с установкой сопротивления;
- для обеспечения номинального напряжения нужно специально подбирать резисторы.

Двухкаскадная конструкция на двух транзисторах
Изготавливаем плату
Печатное изделие — главное, если вы хотите сделать высококачественный усилитель. Только при ее наличии ваше изделие будет работать стабильно. Сделать ее в домашних условиях можно без проблем, если знать тонкости ЛУТ технологии — это перенос рисунка стандартной платы при помощи лазерного принтера и обыкновенного утюга.
Для осуществления задуманного воспользуемся программой Sprint-Layout 6.0 — русская версия, она имеет в активе около 4,6 тысячи макросов. Ее отличительные черты:
- все справочные данные на русском языке;
- надписи на плате можно делать кириллицей;
- идеально подходит для оперативной системы windows 7;
- интерфейс программы изменен для начинающих пользователей;
- работать можно с любого компьютерного устройства, сохраняется на флешке, не оставляет следов в любой системе.

Изображение распечатывают только на глянцевую бумагу, можно использовать различные буклеты, которые раздают в переходах метро и торговых комплексах.
Печатать необходимо на максимуме, тогда копия будет качественная — весь рисунок должен четко просматриваться. После этого накладываем его на обезжиренную плату и проглаживаем утюгом, выставленным на третью позицию мощности, несколько минут. Для фотобумаги хватит полминуты.
Затем надо произвести травление — для этого используем раствор хлорного железа, считающийся специалистами оптимальным вариантом. При помощи ацетона очищаем медные дорожки от оставшейся краски и начинаем их лужение. Чтобы все получилось хорошо, лучше использовать сплав Розе, который изобрел германский химик — поэтому он и назван его фамилией.
Несколько гранул этого сплава опускаем в приготовленную емкость с водой (обязательно с плоским и ровным дном) и ждем полного их расплавления. Потом кладем пластину рисунком вниз и водим ею по днищу с расплавленными гранулами. Мягкой губкой удаляем разводы и лишние наплывы на дорожках.

Конструкция
Все элементы конструкции (кроме силового трансформатора) размещаются на одной печатной плате. Если вы решите использовать внешний блок питания или собрать его по другой схеме, около 70% печатной платы останутся свободными.
Схема расположения элементов представлена на рисунке:

Увеличение по клику
На рисунке представлен чертёж печатной платы со стороны деталей:

Увеличение по клику
На рисунке представлен чертёж нижней стороны печатной платы:

Увеличение по клику
Чертежи печатных плат в народном формате SLayout можно забрать здесь.
Главная особенность монтажа: на корпусе с нижней стороны TPA6120A2 есть контактная площадка примерно 3×4мм. Она должна быть припаяна к площадке на печатной плате под микросхемой, которая служит теплоотводом.
Фотография готовой конструкции:

При первом включении следует вынуть два предохранителя на выходе источника питания и убедиться в его работоспособности. Если выходные напряжения в норме, верните предохранители на место. Сам усилитель в наладке не нуждается.
Разместить плату можно в корпусе подходящих размеров, желательно металлическом для экранирования от внешних помех.
На транзисторах
Такая схема выглядит просто, но в эксплуатации, по заверению специалистов, она весьма привередливая — все зависит от основных параметров выбранных вами резисторов и конденсаторов. Размеры ее тоже громоздкие — как правило, все радиолюбители используют простую двухкаскадную конструкцию на двух транзисторах. Часто используемые — это КТ 315 или им подобные, из таких устройств можно делать все, что угодно, и усилитель звука для наушников, в том числе.
Недостатки:
- необходима подборка точного напряжения питания для коллектора, базы и эмиттера:
- к базе должны подходить два типа напряжений: отрицательное и положительное по отдельным линиям с установкой сопротивления;
- для обеспечения номинального напряжения нужно специально подбирать резисторы.

Двухкаскадная конструкция на двух транзисторах
Схема гитарного усилителя с питанием от батарейки
Левая часть схемы это простейший преобразователь, справа сам усилитель. Всё на транзисторах.

Схема гитарного усилителя на транзисторах питающегося от батарейки
Трудно определить, на сколько хватает батареи, потому что используются батареи уже отработавшие в других устройствах, в разной степени разряженности.

На выходе преобразователя измеренное напряжение около 3,3-3,5 В. Белый и синий светодиод светились без проблем. Катушки должны быть связаны друг с другом единым сердечником, потому что принцип работы инвертора основан именно на этом. Данная конфигурация известна как генератор Мейснера.

R8 изменяет громкость на выходе, диапазон значений от 2,2 до 38 Ом. Но конечно лучше сделать классически — подключить R8 прямо к земле. От коллектора через 220 мкФ электролита подать сигнал на наушники. Лучше избегать использования тантала, поскольку такие конденсаторы не подходят для качественного звука из-за шумов.

Входной импеданс можно менять значением R1. Но если хотите усилить мощность и повысить качество — соберите другую схему, несколько усовершенствованную.
Зачем нужен усилитель для наушников
Вопрос о том, нужно ли усиливать звук в головных телефонах, волнует многих пользователей наушников. Ведь практически в каждом устройстве, воспроизводящем аудиосигналы (плеер, магнитола, персональный компьютер, смартфон и пр.) имеется встроенный усилитель, оснащенный отдельным выходом для подключения наушников. Мало того, измерение параметров встроенных усилителей, проведенные без подключения нагрузки (на холостом ходу), показывает, что все они отвечают требованиям, необходимым для качественного звучания головных телефонов. Однако все дело в том, что при подключении к воспроизводящему устройству ситуация кардинально меняется, причем не в лучшую сторону. И проблема заключается именно в согласовании этих устройств между собой.

Совет! Поэтому специалисты советуют при подключении головных телефонов к источнику звука обращать особое внимание на рекомендованную изготовителем последнего величину сопротивления нагрузки. Иначе при прослушивании фонограмм возникнут искажения, способные существенно ухудшить качество звучания
При несоответствии выходного сопротивления звуковоспроизводящего устройства импедансу головных телефонов возможны следующие последствия:
- высокая чувствительность низкоомных наушников способствует появлению фонового шума;
- при подключении высокоомных головных телефонов к низкоомному входу источника звука громкость звучания фонограммы может значительно снизиться и т. д.
Избежать означенных проблем можно, если подключать наушники к источнику звука через внешнее усилительное устройство с достаточно большим (свыше 20 кОм) входным сопротивлением. Такой прибор прекрасно взаимодействует с любым встроенным усилителем, поскольку функционирование последнего на высокоомную нагрузку мало чем отличается от его работы на холостом ходу. О сопротивлении наушников подробнее можно узнать из нашей статьи.
На заметку! Встроенный усилитель без труда обеспечивает максимально возможные характеристики воспроизводящего устройства, а вот полностью раскрыть потенциал подключенных головных телефонов — это задача усилителя для наушников.
Схема вторая, продвинутая
На глаза попалась схема усилителя для наушников, которая называлась «Блок регулирования громкости и тембра для стереонаушников». (Автор — Анджей Космински, Hobby Elektronik, №2/2000, c. 48–49). Сами регуляторы громкости и тембра выполнены на микросхеме А1 — TDA1524A в типовой схеме включения. (Так было написано в журнале, в оригинальном описании на микросхему схема немного другая. Но здесь схема приводится именно в «опубликованнном» виде).
На сдвоенном операционном усилителе А2 собран «мощный» усилитель, способный работать на низкоомные наушники.
Глубина регулировки громкости (R2) от –80 до +21 дБ, тембра НЧ (R4) +/- 12дБ на частоте 100 Гц, тембра ВЧ (R5) +/- 10 дБ на частоте 10 кГц.
Максимальное входное напряжение не более 2,5 Вольт, напряжение питания 12 Вольт, потребляемый ток 40 мА. Регулировочные резисторы должны быть на 47 кОм с линейной зависимостью изменения сопротивления от угла поворота движка (так называемая группа «А»).
Сложностей в изготовлении возникнуть не должно. Если захотите питать усилитель от источника +12 Вольт из блока питания компьютера — придется принимать меры для защиты от помех по цепям питания (таким же образом, как поступают изготовители автомобильных магнитол — ставят специальные фильтры).
Любители стрелялок могут ограничиться данными конструкциями, а меломанам предлагается читать текст дальше.
Второй вариант схемы УНЧ для электрогитары

Схема 2 простого транзисторного гитарного усилителя Усилитель работает в режиме класса AB, подстроечный резистор 470R PR1 контролирует ток покоя, протекающий через выходные транзисторы BD139 / BD140. Регулировка здесь — компромисс между низким уровнем искажений и низким током покоя. Как правило в покое ток составляет около 15 мА, повышаясь до 150 мА при входном сигнале 50 мВ. АЧХ показана ниже и является плоской от 20 Гц до 100 кГц:

Этот усилитель имеет соотношение сигнал / шум 115 дБ при частоте 1 кГц. Общее усиление обеспечивается соотношением резисторов 22 кОм и 1 кОм. Радиатор на паре BD139 / BD140 рекомендуется, но не обязателен, просто транзисторы будут горячими.

Такой УНЧ имеет действительно хорошие параметры, нужно лишь изменить ваш конвертер, потому что с 3 В он естественно не запустится.

Данный маленький гитарный усилитель давно делался на заказ. Вся схема была запитана от 3х литиевых аккумуляторных батареек (последовательно). Для сборки версии к наушникам достаточно заменить BD на более слабую пару BC, и, конечно, добавить входной каскад на транзисторе FET.
И третий вариант схемы, тоже на нескольких транзисторах, смотрите в другом материале.
Доводим схему до ума
Представленная в документе схема несколько неполная и отражает лишь самое главное. Для нормально работы следует дополнить схему и добавить входные цепи. Так же параллельно резистору R 2
следует добавить конденсатор (C 2) небольшой емкости. Он нужен для исключения самовозбуждения ОУ.
Чтобы не изобретать велосипед, входные цепи были позаимствованы у усилителя для наушников FiiO Olympus E10. Так же на схеме теперь обозначены выводы для сдвоенного операционного усилителя в корпусе DIP8.
Я не сторонник конденсаторов(C 1
) по входу. Однако не всегда известно каков будет источник сигнала, и насколько там возможно присутствие постоянного напряжения. Желательно его установить, чтобы втыкать усилитель куда вам заблагорассудится.НО при желании его можно и закоротить.
↑ Настройка
R23 — балансировка, т. е. установка «0» на выходе. R15 и R14 задают требуемый ток покоя. С указанными номиналами он около 100…120 мА. Если ток покоя нужен другой — надо их пропорционально уменьшить или увеличить. Если есть генератор и осциллограф, то настройка компенсации выполняется подбором R19 или R20. Если нет, ну и ладно, и так будет очень неплохо.
То есть нам нужно применить этот способ настройки компенсации в реалиях нашей схемы. В качестве генератора можно использовать звуковую карту + софт, в качестве осциллографа — ПК, ещё потребуется прибор в режиме измерения микроампер, например, Ц4315 — 50 мкА.
Питающий трансформатор у меня ТП-20-14, выдаёт 2×9 В переменки. Двуполярный стабилизатор на LM317/337 выдаёт ±7 В, запаса по напряжению почти нет. Нужно будет с этим что-то сделать, так как при пониженном напряжении сети возникает гул — стабилизатор выходит из режима стабилизации. В остальном всё прекрасно.
Сборка усилителя
Собирая этот усилитель мне захотелось отойти от классического металлического шасси в пользу «хорошо звучащего» дерева. Правда вместо дерева я воспользовался фанерой, которая в прошлой жизни гордо называлась кухонной доской.
Но вот корпус я все равно предпочел сделать из метала для экранировки потрохов усилителя. На роль крышки пошла крышка от куска какого-то военного прибора для проверки радиоламп в полевых условиях. Это счастье досталось мне от соседа, после сноса его гаража.
После того как я определился с расположением элементов на фанерной крышке корпуса, были просверлены все необходимые отверстия
Тут стоит заострить внимание, пожалуй, только на сверление отверстий под панельки для ламп. Т.к
панельки было решено устанавливать с верхней стороны, то для свободного доступа к контактам, с внутренней стороны я высверливал отверстия бОльшего диаметра, оставляя 4 слоя фанеры, для крепления самих ламп.
Тут стоит быть осторожным и внимательным т.к. фанера любит расслаиваться. Поэтому как только появлялся намек на трещину я подклеивал его суперклеем.
TPA6120A2
Микросхема TPA6120A2 от Texas Instruments представляет собой высококачественный усилитель для наушников высокой верности. В ней используется архитектура усилителя с дифференциальным входом, несимметричным выходом и обратной связью по току. Именно благодаря в большей мере последней получаются низкие искажения и шум, широкая полоса частот, высокое быстродействие.
Микросхема содержит два независимых канала с отдельными выводами питания. Каждый канал имеет характеристики:
- выходная мощность 80 мВт на нагрузке 600 Ом при питании ± 12В при уровне искажений+шум 0,00014%
- динамический диапазон более 120 дБ
- уровень сигнал/шум 120 дБ
- диапазон напряжения питания: ± 5В до ± 15В
- скорость нарастания выходного напряжения 1300В/мкс
- защиту от короткого замыкания и перегрева
Для сравнения уровень искажения+шум у «народной» микросхемы LM386 составляет 0,2%. Хотя, конечно, высокие параметры ещё не гарантируют качественно звучания. Для получения максимального результата надо учесть рекомендации производителя по выбору внешних элементов и топологии печатной платы. Всё это можно найти в технической документации на данную микросхему.
Питания усилителя
Питание напрямую определяет качество звука усилителя. Конечно, лучше использовать более высокое напряжение питания, которое ко всему еще и двухполярное. Для портативной конструкции, которая будет питаться от одного аккумулятора хорошим напряжением можно считать ±5 вольт.
Этого будет с запасом для раскачки большинства наушников, но при этом такую мощность потянет аккумулятор. Для получения требуемого напряжения воспользуемся dc-dc преобразователем.
DC-DC преобразователь — это устройство способное преобразовывать постоянное напряжение одной величины в постоянное напряжение другой величины.
Усилитель своими руками 100Вт/200Вт
На вход первого транзистора ставится регулятор громкости переменный резистор 47 кОм, он же снижает уровень шума усилителя.
При минимальной громкости шум не прослушивается, а при максимальной маскируется полезным сигналом.
Параметры изделия: 150Вт на нагрузку 4 Ом и 100Вт на нагрузку 8 Ом.
Второй усилитель звука лишен недостатков первого, что касается шума. Усилитель работает в классе В, диоды D2-D3-D4 задают данный режим работы выходным транзисторам VT4-VT5.
Транзисторы VT3-VT5 устанавливаются на теплоотвод, через изолирующие прокладки применяя при этом термопасту.
Сделанный УНЧ своими руками можно применить в активной колонке, сабвуфере воспроизведения низких частот превосходны.
В этой статье на нашем сайте www.radiochipi.ru мы расскажем вам как самостоятельно собрать усилители звука, что и позволит сэкономить на покупке уже готовых моделей.
Какой усилитель мощности будет лучшим?
Единого мнения о том какой тип усилителя лучший не существует. В настоящее время имеется возможность самостоятельной сборки двух типов усилителей звука:
Ламповые модели пользовались популярностью в недалёком прошлом. Они отличаются увеличенными размерами и повышенным потреблением электроэнергии.
Но при этом подобные ламповые усилители превосходят своих конкурентов по качеству звучания.
Транзисторные усилители имеют компактный размер и малое потребление электроэнергии. При этом они обеспечивают отличное качество звука.
С чего начать работу?
Для начала вам надлежит определиться с мощностью будущего усилителя. Стандартным параметром мощности для использования усилителя в домашних условиях является уровень в 30 – 50 Вт. Если же вам нужно изготовить простой усилитель звука, который будет использоваться для масштабных мероприятий, мощность может составлять 200-300 ватт.
Для работы нам потребуются следующие инструменты:
- Набор отверток.
- Мультиметр.
- Паяльник.
- Материал для изготовления корпуса.
- Электродетали.
- Текстолит для печатной платы.
По сути, печатные платы являются основой для будущего усилителя. Собрать её в домашних условиях не составит сложности.
Для выполнения печатной платы своими руками вам потребуется:
- Текстолит, имеющий медную фольгу.
- Моющее средство.
- Бытовой утюг.
- Самоклеящаяся китайская плёнка.
- Лазерный принтер.
- Сверло для работы с платой.
Кусок хлопчатобумажной ткани или марлевый тампон. Вырезаем из текстолита заготовку будущей платы. Оставьте с каждой из сторон сантиметровый запас. При помощи моющего средства необходимо обработать кусок текстолита, чтобы медная фольга получила розовый цвет. Промываем сделанную нами заготовку и тщательно её выслушиваем.
Приклеиваем самоклеящуюся плёнку к листу формата А4. Распечатываем на принтере заготовку будущей платы. Рекомендуется установить на максимум подачу тонера в принтер. На рабочую поверхность следует уложить фанеру, старую книгу и сверху плату фольгой вверх. Все накрываем офисной бумагой и тщательно прогреваем горячим утюгом. Прогревать нужно около 1 минуты.
Наносим распечатанную схему с листа бумаги на разогретую плату. Накрываем сверху плату листом бумаги и в течение 30 секунд прогреваем утюгом. Разглаживает рисунок при помощи тампона поперечными и продольными движениями. Дождитесь остывания заготовки, после чего можно снять с неё подложку.
Радиодетали
Простой усилитель для звука, собранный своими руками, как и любое другое аналогичное устройство, включает в свою конструкцию некоторое количество различных радиодеталей.

Набор деталей подготавливается по списку, в соответствии с выбранной схемой. Как правило, в него входят: микросхемы TDA, резисторы, конденсаторы, тестовый динамик и алюминиевый радиатор.

В том случае, если предстоит создание усилителя звука на транзисторах высокой мощности, следует, помимо транзисторов, подготовить некоторое количество радиаторов несколько больших габаритов.

Печатная плата – в том случае, если мастер не собирается травить модуль самостоятельно с помощью химикатов, таких как хлорное железо, следует заказать макетную плату с уже готовыми контактными вырезами.

Подобные отверстия на макетной плате соединяются между собой простой медной проволокой или кусками провода без изоляции.


Электромонтажные кабели. Можно использовать практически любой провод, диаметр которого приблизительно равен пяти квадратным миллиметрам
При подборе кабеля обратите внимание на то, как легко снимается изоляция.

Хорошими вариантами станут провода с аббревиатурами КСВВ или КСПВ. Как правило, при финальном монтаже и соединении уже готовых модулей используется многожильный провод марки ШВВП с диаметром в один квадратный миллиметр.

Следует подготовить набор для пайки, найти который можно практически у каждого радиолюбителя: канифоль и паяльный флюс. Помните, что сборка усилителя на скрутках, не будет обладать достаточной надежностью.

Медные провода, соединенные обычной скруткой, обладают свойством быстро окисляться и терять свои качества. Использовать можно и модель сборки на гайках, но подобные варианты редко рассматриваются мастерами из-за слишком большой трудоемкости.

Как уже говорилось ранее, помимо вышеприведенных материалов и инструментов, понадобиться блок питания, сделать который можно самостоятельно. Далее последует рассказ о том, как сделать усилитель звука.

Корпуса
Как оказалось, изготовить приятный внешне и подходящий по всем параметрам корпус для лампового усилителя задача нетривиальная. Стенки корпуса должны быть толстыми, чтобы не прогибаться под многокилограммовыми трансформаторами, коих аж 5 штук. Отверстия под лампы, разъемы и переключатели должны быть рассчитаны и вырезаны с точностью до миллиметра. А еще нужны внутренние экраны, щели вентиляции и т.д. В результате пришлось создавать 3D-модель, чтобы все детали можно было согласовать окончательно.
3D- модель усилителя
После изготовления корпуса из стали, а передней панели из алюминия, все отверстия были вырезаны с помощью лазерной резки. Дальше корпус был отдан на покраску. С фонокорректором все оказалось несколько проще. Единственное что, пришлось подгонять его внешней вид и высоту под корпус усилителя, чтобы они смотрелись в едином стиле. Для пущей красоты, ручки, ножки и прочая мелочь были заказаны готовые, на алиэкспресс.
Оставалась еще одна, немаловажная, вещь — нанесение надписей на передние панели. Т.к. я изначально хотел корпуса именно в черном цвете, вариант с нанесением надписей лазерной гравировкой отпадал. Пришлось искать конторы, которые могли бы с этим справиться. Первым логичным вариантом была шелкография. Но из-за пары панелей никто браться не хотел, а при минимальном заказе в 20 штук, цена уже выходила не совсем адекватная. Следующим вариантом были фирмы по изготовлению всяческой рекламы с их продвинутыми принтерами. В большинстве мест, куда я обращался, мне отказали, либо сославшись на то, что поверхность панелей шершавая и краска поплывет, либо на то, что для печати панель должна быть плоской, а не с торчащими сзади шпильками. Но к счастью, была найдена организация, которая согласилась взять заказ и выполнила его на должном уровне.
Передние панели после нанесения надписей
Заключение
Полученная схема усилителя, собранная на OPA2132 и работающая даже при напряжении питания ±5В свободно раскачивает Sennheiser HD380 Pro.
Не люблю описывать звук субъективными терминами вроде «высокие стали хрустальными» или «басы теплыми», скажу лишь то, что при использовании хорошего ОУ, этот усилитель для наушников обладает достаточным запасом громкости и выходной мощности. При этом он не требует никакой настройки и использует минимум деталей, обеспечивая при этом достойное качество звука.
Материал подготовлен исключительно для сайта AudioGeek.ru
Заглядывайте на мой YouTube канал





