Содержание
Чертежи и устройство простых бетономешалок

Самодельная бетономешалка любого типа рассчитана на приготовление определенного объема смеси. Начинают изготовление устройства с выбора подходящей схемы. Она должна соответствовать объему строительных работ, финансовым возможностям.
Определяют какой тип привода будут применять. Ручной, если на участке нет источника электроэнергии, или электрический. Учитывают параметры, которые важны при выборе движка и редуктора:
- для замешивания 1 л раствора расходуется мощность 20 Вт;
- качественную смесь получают, если скорость вращения вала − 30-50 об/мин.
Если редуктор выдает в минуту меньше оборотов, то увеличивается время замешивания.
Бетономешалка принудительного типа из жестяной кастрюли
Для приготовления раствора разной жесткости подходит бетоносмеситель принудительного действия, у него универсальное назначение. На самодельном стационарном или передвижном устройстве перемешивают сухие, мокрые, увлажненные смеси. Для простейшей домашней модели нужна жестяная кастрюля, примерные габариты:
- глубина − 50 см;
- диаметр – 60 см.
За основу берут схему заводской бетономешалки принудительного действия с вертикальным расположением смесительного вала.

Ее упрощают, ограничиваясь одним разгрузочным люком. Устанавливают электродвигатель от бытового устройства. Для перемешивания ингредиентов смеси делают лопасти из стального листа либо раму из прута. Ротор (вал приводной) делают из трубы, в качестве крепежа используют:
- арматуру;
- куски швеллера;
- уголок.
Из швеллера (уголка) сваривают станину. В днище вырезают отверстия: в центральной части – для установки вала, сбоку – для разгрузочного люка.
Вибрационная бетономешалка из перфоратора
Эту конструкцию выбирают, если нужен раствор высокого качества. Чаще всего рабочую емкость делают из газового баллона. Стенки бака должны быть толстыми, а его диаметр соизмерим с размером вращающегося элемента.

Вибратор (6) изготавливают из двух соединенных вместе металлических тарелок. Их подбирают по диаметру, который должен соответствовать размеру рабочей емкости и мощности перфоратора. Условие – 15-20 см на 1 кВт.
Корпус (1) для перемешивания компонентов раствора должен быть высоким, круглой формы. К одной из стенок крепят кронштейн (2). Он необходим для фиксации устройства (3), генерирующего виброимпульсы. Функции генератора выполняет перфоратор мощностью 1300-1500 Вт. Шток (4) подбирают так, чтобы вибратор во время замешивания располагался по центру приготавливаемой смеси.
Бетономешалка с ручным приводом из бочки
Устройство бетономешалки из бочки с горизонтальным валом наглядно показано ниже на рисунке. Для загрузки компонентов сбоку вырезают прямоугольное отверстие – 240 × 300 мм. Вертикальные стойки сваривают из 2 отрезков швеллера, уголка.

Для вала, его изготавливают из стальной трубы диаметром 40-50 мм, вверху стоек, используя болтовое соединение (М10), устанавливают посадочные места подшипников. Крепят вал на фланцы, их нужно 4 штуки – 2 снаружи, 2 внутри, последние предотвращают разрыв стенок емкости.
Для лучшего смешивания ингредиентов раствора на внутренние стенки с помощью болтовых соединений устанавливают гребенку (длина 760 мм), делают ее из штырей и уголка 50 × 50 мм. Параметры:
- шаг – 5 см;
- диаметр – 12 мм;
- длина – 15 см.

Для вращения на приводной вал устанавливают два рычага. Используют подручный материал для их изготовления. Рукоятки делают оптимальной длины, чтобы обхватывать их обеими руками во время работы.

Люк крепят к стенке бочки шарнирами, обычно используют карточные петли (неразборные). Для герметизации края загрузочного отверстия оклеивают кусками мягкой резины. Берут полоски толщиной около 8 мм. Для фиксации люка в рабочем состоянии используют специальные карабинные защелки, или прикрепляют на стенку и крышку 2 уголка с высверленными отверстиями для стяжных болтов.
Емкость для бетономешалки: тонкости изготовления
Для самодельного средства необходимо подготовить металлическую бочку объемом до двести литров.
Изготовление самодельных бетономешалок любых видов построено на общих технологических принципах. Для проведения процедуры потребуется прочная емкость, имеющая цилиндрическую форму и грушу со средним объемом в 150—200 литров. Далее крепкий металл для предполагаемой рамы, для маленьких смесителей подойдут деревянные или пластиковые держатели, лопасти для переворачивания раствора, ковш для выгрузки и передач материала на трактор или другую спецтехнику, редуктор или электродвигатель для бетономешалки. Для передвижения агрегат устанавливают на роликах.
Новаторам будет актуально руководство, что поможет быстро изготовить самодельный бетоносмеситель. Потребуется:
- Металлический бак, что отвечает за объем бетономешалки.
- Прут или уголок из стали будет основой станины.
- Два новых или ранее эксплуатируемых подшипника.
- Металлическая труба или отрез арматуры, это будет ось и ручка.
- Болгарки и аппараты для сваривания.
- Механический набросок или компьютерная программа «конструктор».
Популярные конструкции бетономешалок своими руками
Рассмотрим несколько простых вариантов, которые пользуются наибольшей популярностью.
Вариант №1. Механическая
Конструкцию этого несложного агрегата с механическим замесом вы можете увидеть на изображении ниже. Главное преимущество такой бетономешалки в том, что она имеет внушительный объем. Что касается привода, то он в данном случае может быть как ручным, так и электрическим. Для выгрузки бетона бадью необходимо наклонить набок.

Но есть и минус, присущий, в принципе, всем агрегатам с бадьей цилиндрической формы – это некачественное перемешивание в углах. Еще смесь разбрызгивается, если скорость составляет более 35-ти оборотов за минуту. Но со второй проблемой можно справиться, если наварить по завершении сборки ту часть бочки, которая была отрезана, обратно на свое место и проделать в ней лючок.
Вариант №2. Горизонтальная комбинированная конструкция, которая оснащена гребенками
Данная конструкция, равно как и описанная выше, тоже бывает как ручная, так и электрическая. К преимуществам можно отнести высокую однородность замешивания, а также высокую скорость и качество данной процедуры. Подобную бетономешалку делают из старой бочки, но ее качество мало чем уступает лучшим современным моделям промышленного назначения. Что характерно, скорость замешивания при этом определяется числом оборотов, а не временем (чтобы приготовить раствор, нужно провернуть всего три-четыре раза).

Хотя есть и минус – он состоит в том, что конструкция достаточно сложная. Для изготовления даже ручного варианта понадобится несколько десятков различных элементов
При этом особое внимание должно уделяться именно разгрузочному люку – все уплотнители, шпингалеты с петлями должны быть исключительно качественными и надежными. Тем не менее, если вам предстоит выполнить много работы за рекордно короткое время в месте, где нет электрического питания, то такая бетономешалка очень даже пригодится
Наконец, заметим, что аналогичные конструкции изготавливаются и в промышленных масштабах.
Вариант №3. Электрическая конструкция
Это, пожалуй, наиболее распространенный вариант, который в большинстве случаев и копируется домашними умельцами. Следовательно, что-то особенно пояснять не нужно. Схему вы можете найти на изображении ниже. Существует масса разновидностей, имеющих те или иные конструктивные отличия, а найти детальные чертежи не составит труда. Словом, приведем лишь некоторые объяснения.
- Горловина и дно емкости обязательно должны быть укреплены планками, приваренными крест-накрест.
- Больше всего подходит в данном случае рамный миксер, который приварен к оси.
- Рекомендуется, чтобы емкость вращалась вместе с осью – так конструкция рамы получится сложнее, зато вам не придется уплотнять вал в днище (последнее как раз и является одной из причин непродолжительного эксплуатационного срока мешалок).
Вариант №4. Вибрационный агрегат
Довольно часто люди, имея перфоратор мощностью 1-1,3 киловатта с ударными механизмом, который включается принудительно, пробовали изготовить вибрационную бетономешалку самостоятельно, однако в большинстве случаев они не получали желаемого результата.
Ознакомимся с распространенными ошибками.
Прежде всего, это неправильный подбор емкости. Последняя должна быть только круглой, не слишком широкой, но зато высокой.
Вибратор располагается неправильно. Его следует расположить на оси емкости, а расстояние от него до дна должно приблизительно соответствовать его радиусу. Над самим вибратором должен быть раствор высотой, не превышающий его (опять же) диаметр.
Применяется плоский вибратор. Дело в том, что если он изготовлен из листа металла, то не сумеет возбудить в бетоне требуемую систему волн
Важно, чтобы профиль элемента был хотя бы примерно таким, как продемонстрировано на изображении. Оптимальный вариант – пара блюдец либо тарелок (предпочтение лучше отдавать металлическим), которые сложены вместе.
И последнее – это вибратор слишком большого размера
Его диаметр должен составлять по 15-20 сантиметров на каждый киловатт мощности. Проще говоря, если мощность перфоратора составляет тех же 1,3 киловатта, то прибор справится с тарелками диаметром 25 сантиметров. Если диаметр будет большим, то бетономешалка своими руками попросту не сумеет «раскачать» раствор.
Если будете следовать всем этим требованиям, то сможете получить бетон отменного качества.

Изготовление бадьи
Бадья-миксер для бетономешалки должна иметь достаточную прочность, поэтому для ее изготовления необходим металл толщиной не менее 2 мм. Дно бадьи выполняют из более толстого металла 5 мм. В области горловины бадья сужается в виде конуса. Чертеж бадьи приведен на рисунке.

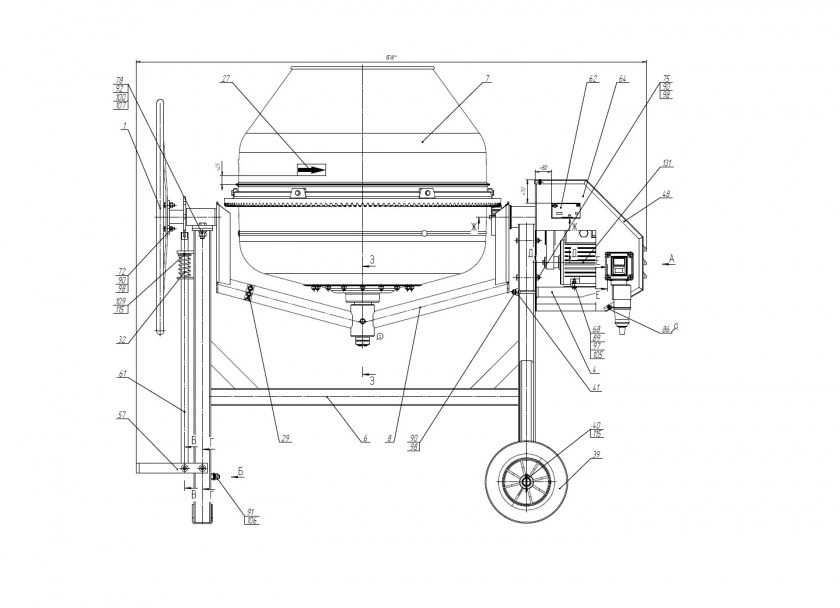
Чертеж бетономешалки
Технология выполнения бадьи-миксера:
- Из стали выполняют фланец-ступицу по чертежу. Можно использовать готовую деталь подходящих размеров.
- Из листовой стали 5 мм выкраивают днище в форме круга, размечают и сверлят в нем 8 отверстий диаметром 6,5 мм для крепления фланца-ступицы в соответствии с чертежом.
- Из стали 2 мм выкраивают обечайку шириной 150 мм и лепестки конуса – 4 штуки.
- Детали сгибают по шаблону или с помощью тисков и молотка.
- С помощью сварочного аппарата соединяют лепестки в конус, образующий горловину. К конусу приваривают обечайку, усиливая ее стальной лентой, приваривают дно. Швы зачищают от окалины.
- Горловину необходимо усилить, чтобы избежать ее деформации. Сделать это можно при помощи арматурного прутка 10 мм, согнутого в окружность необходимого радиуса. Пруток приваривают по внешнему краю горловины на расстоянии 1 см, после чего загибают края наружу и развальцовывают их вокруг прутка.
- Внутри бадьи дополнительно приваривают крест-накрест три рассекателя, выполненных из арматурного прутка 16 мм, загнутого под прямым углом. Они придадут конструкции дополнительную прочность и улучшат условия смешивания раствора.
Для разного типа
С учетом целей, для которых готовится бетон, необходимо правильно подобать пропорции материалов
Кроме этого, очень важно принять во внимание метод заливки: ручной или механизированный. Если все мероприятия будут выполняться руками, то нужно добиться пластичности. В этом случае главное не перестараться и не добавить много виды, иначе раствор будет расслаиваться и потеряет свою прочность
В этом случае главное не перестараться и не добавить много виды, иначе раствор будет расслаиваться и потеряет свою прочность.
Где и при каких условиях происходит , указано в данной статье.
Одного рецепта по приготовлению бетона нет, ведь каждый человек выбирает свои пропорции. Причина в том, что процесс получения раствор может предполагать использование самых различных компонентов.
О том как происходит приготовление бетона вручную и в каких пропорциях указано в данной
Чаще всего строители применяют рецепт, согласно которому необходимо взять 2 части цемента и столько же песка, 4 части щебня. После того, как сухие ингредиенты были перемешены, к ним добавляют воду. Бывают случаи, когда количество щебня снижается до 3 частей для определения оптимальной консистенции раствора необходимо провести небольшой эксперимент. Только методом эксперимента можно определить подходящий для вас вариант.
Таблица 3 – Перевод массы материала из кг в л
| Материал | Вес 10 л материала, кг |
| Цемент | 15 |
| Песок крупный | 15,5 |
| Песок мелкий | 17 |
| Щебень фракции 5-10 мм | 14,3 |
| Щебень фракции 5-20 мм | 14 |
| Щебень фракции 20-40 мм | 13,8 |
| Щебень фракции 40-70 мм | 1,35 |
| Гравий фракции 5-20 мм | 17 |
| Гравий фракции 20-40 мм | 15 |
Все приведенные значения характерны только для сыпучих материалов. Чтобы повысить точность необходимо самостоятельно взять 10 л ведро и произвести замер всех ингредиентов. Причина в том, что при использовании материалов с крупным размером зерна, представленные в таблице значения могут сильно отличаться от реальных. Лучше всего дл этих целей применять емкость с литровой разметкой. Необходимо произвести вычисления на число целых ведер каждого компонента и объем довеска на 1 закладку.
О том каковы пропорции бетона м200, можно узнать из данной
Каковы технические характеристики бетона м 200 указано
Во время получения раствора очень важно не завышать необходимое количество жидкости. Очень часто в целях повышения пластичности раствора многие немного превышают объем воды
Делать это категорически запрещено. В противном случае показатель прочности заметно снизится. В результате это отразится и на возводимой конструкции.
На видео – приготовление бетона в бетономешалке, пропорции:
Для выполнения замеса раствора в бетономешалке необходимо применять классический рецепт. Он предполагает:
- 2 части цемента,
- 4 части песка,
- 8 частей щебня,
- 1 часть воды.
Если применять цемент М400, то приготовленная смесь будет иметь характеристики, схожие с бетоном класса В20. При использовании М500 получится класс прочности .
Каковы характеристики бетона В 15 можно узнать прочитав данную
Может показаться, то процесс приготовления раствора для бетона – дело простое. Но это не совсем так. Чтобы раствор сочетал в себе все необходимые качества, необходимо четко придерживаться соблюдения пропорций. Процесс измерения необходимых ингредиентов может происходить любым приведенным ниже методов. Какой лучше всего подходит для вас, решить только вам. Но только при этом учитывайте участок, на котором происходит строительство, качество компонентов.
Комментариев:
В бетономешалке — это единственный разумный выход в ситуации, когда объем предстоящей заливки слишком велик для производства смеси в корыте, а возможностей для подачи ее из автобетоносмесителя нет.
При большом объеме предстоящей заливки для приготовления раствора целесообразно использовать бетономешалку.
Но для обеспечения непрерывной подачи и нужной пропорции стоит изучить основы работы с этим средством механизации.
Бетоносмеситель из 200 литровой бочки своими руками
Любая стройка, как правило, предполагает осуществление ряда работ с использованием цементного раствора. Особенно актуальным бетонирование представляется для собственников загородных домов, находящихся в состоянии «перманентного» ремонта и облагораживания прилегающей территории. Применение бетона в таком случае востребовано повсеместно: и при заливке садовых дорожек, и при устройстве от мостков, и при возведении ограды. Ввиду столь острой потребности в цементном растворе, необходимое количество которого определяется масштабом реализуемых работ, многие строители собственноручно замешивают бетонные смеси или предпочитают приобретать уже в готовом виде. Это, безусловно, очень удобно, хоть порой и не совсем рационально, ведь стоимость цементного раствора достаточно высока, а его зачастую требуется не так уж и много. К тому же, далеко не всегда есть возможность воспользоваться профессиональными услугами по изготовлению бетона и его транспортировке к рабочему объекту.
Гораздо более обоснованным с экономической точки зрения будет самостоятельное замешивание раствора – оно и обойдётся на порядок дешевле, и, что немаловажно, не потребует значительных временных затрат. Обладая достаточным терпением и приложив некоторые усилия, можно изготовить бетон вручную, но лучше купить (арендовать) для этой цели качественную бетономешалку или сконструировать бетоносмеситель своими руками. Применена бочка 200 л, двигатель электрический на 250Вт/1430 оборотов
220В. Взято колесо от мотоцикла Урал, вырезана средняя часть, 2 кольца сваренные между собой, полученный шкив приварен ко дну бочки. Рама — 59 труба, швеллер и 2 ремня
Применена бочка 200 л, двигатель электрический на 250Вт/1430 оборотов. 220В. Взято колесо от мотоцикла Урал, вырезана средняя часть, 2 кольца сваренные между собой, полученный шкив приварен ко дну бочки. Рама — 59 труба, швеллер и 2 ремня.
Источник
Становитесь автором сайта, публикуйте собственные статьи, описания самоделок с оплатой за текст. Подробнее здесь.
Бетономешалка своими руками: чертежи и конструктивные особенности при постройке + 71 фото
Если у вас собственный дом или дача, значит вы часто сталкиваетесь с необходимостью проведения строительных работ тех или иных масштабов.

Никакое строительство не сможет обойтись без бетона – будь то беседка, ограда, терраса или дорожка.

Если вы запланировали несколько крупных построек, то можно оформить заказ на готовый заводской бетон – его доставят прямо на ваш участок. Бригада строителей обычно так и делает.







Но этот вариант имеет следующие минусы:
- высокая цена бетонной смеси;
- вам придется приобрести бетон объема бетономешалки, т.е. несколько кубов. Не каждая стройка требует такого количества бетона;
- плотная жилая застройка может не позволить проехать тяжелой технике.

Есть еще вариант – брать бетономешалку на прокат, но при частом использовании это выйдет дороже, чем приобрести ее в собственность.

Вследствие всего вышеперечисленного иметь собственную бетономешалку – лучший выход. Изготовить такой необходимый агрегат собственноручно вполне осуществимо.







Бетономешалка, сделанная своими руками имеет следующие плюсы:
- Она будет иметь нужную вам форму;
- Такой агрегат имеет низкую себестоимость, так как может быть сделан из материала, находящегося под руками;
- Самодельную бетономешалку легко обслуживать и ремонтировать;
- Ей можно гордиться перед соседями и знакомыми.

Перед изготовлением бетономешалки лучше на собственном опыте опробовать покупной вариант — предложите свою помощь соседям, имеющим промышленный экземпляр, или разово воспользуйтесь прокатом. Это поможет понять принцип ее действия и выбрать подходящие параметры.

Большой размер не означает лучший вариант. Такие агрегаты очень энергозатратны. Как маленькая емкость, так и крупная лимитирует количество бетона, получаемого за 1 цикл. Вследствие этого к выбору параметров бака следует подходить очень ответственно.







Чтобы сделать бетономешалку своими руками, вам потребуется крепкая ёмкость в форме цилиндра, прочная рамная конструкция, механизм переворачивания, чтобы выгружать готовый бетон, и редукторный двигатель.








Вам потребуется:
- металлическая бочка, емкостью 100 – 200 л;
- стальной уголок или профиль для станины;
- два б/у подшипника;
- отрезок металлической трубы для оси и ручки.

Из инструментов понадобится болгарка и сварочный аппарат.
- Прорезаем в бочке отверстие в виде прямоугольника, образуя щель по стыку. Привариваем на внутренней поверхности порожек из уголка и прокладываем его резиной с целью герметизации.
- Крышка будет распахиваться наружу, поэтому необходимо установить прочные петли и надежный запор. Имеющуюся заливную дырку можно не заваривать, штатная крышка достаточно надежная.
- Внутри привариваем несколько лопастей из листовой стали толщиной 2-3 мм для перемешивания.
- В центре боковых частей привариваем подшипники, прикручиваем ступицы или просовываем стальную ось.
- Закрепляем бочку на станине, привариваем с одного конца ручку, наподобие колодезной. Бетономешалка готова!





Суть такой бетономешалки в стационарном баке и активных перемешивающих лопатках.

У подобного агрегата есть как плюсы, так и минусы.



Бак изготовлен из 200 л бочки, на которую наварены стенки. Верхняя часть забрана решёткой. Для основания используется профилированная труба. Бак крепится жёстко. Исходные компоненты раствора загружаются сверху, слив готового бетона происходит благодаря затвору с резиновой прокладкой.

Смесительный вал делается из автомобильного коленчатого аналога, лопатки – из уголков и приваренных к ним стальных листов, толщиной 3 мм. В точке выхода вала к редуктору располагается сальник.

Двигатель используется от подъёмного крана. Его мощность 5,5 кВт. Редуктор оттуда же. Мотор имеет 3 фазы и способность менять направление вращения.

Под работающую бетономешалку подставляется поддон, собирающий вытекающую в начале воду. Ее выливают назад в бетономешалку.




















Подготовка к изготовлению бетономешалки
Перед изготовлением конструкции, необходимо сделать чертеж или эскиз будущего изделия, подготовить место сборки: подвести электричество, обеспечить, чтобы шум и грязь не попадали в жилой дом или грядки с растениями.
Чертеж для изготовления бетоносмесителя
Из инструментов могут понадобиться:
- Аппарат для сварки.
- Электрическая дрель.
- Набор отверток.
- Ножовка по металлу.
- Емкость.
- Металлический прокат для изготовления рамы.
- Подобрать мотор, мощностью минимум 1,3 кВт.
- Металл для лопаток, используемых при перемешивании компонентов.
- Если это будет шнековая бетономешалка своими руками, понадобится подобрать или изготовить шнековый вал.
На стадии подготовки к работе необходимо решить вопрос, будет бетономешалка для заливки фундамента своими руками на колесах или стационарная. После этого можно приступать к работе.
Но для более качественной сборки конструкции, решения всех вопросов, как изготавливается своими руками бетономешалка, видео окажет неоспоримую помощь.
Изготовление ручной бетономешалки
Эскиз для сборки простейшей бетономешалки
Представленная на эскизе мини бетономешалка своими руками, может быть изготовлена из материалов, которые можно найти у любого хозяина своего участка. При этом:
- Емкостью может быть старая бочка, с двух сторон закрытая крышками, или большого диаметра труба с заваренными с двух сторон торцами. По центру, по длине бочки вырезается отверстие, для загрузки компонентов и выгрузки готового раствора.
- По центрам обоих торцов просверливаются отверстия, под имеющуюся в наличии трубу, которая будет служить осью вращения емкости.
- Для большей жесткости конструкции на торцы привариваются или прикручиваются фланцы, внутренний диаметр которых выполняется с небольшим, до 0,5 мм зазором с осью.
- Внутри бочки крепится на болтах или приваривается гребенка, что улучшает смешивание компонентов для получения раствора.
- Ось с барабаном крепится на опоры. Собрать их можно из швеллеров или уголков, которые имеются в наличии.
- На конце оси крепится кронштейн с рукояткой.
Изготовление бетономешалки с приводом
Привод на бетономешалке
Большая бетономешалка своими руками изготавливается с электроприводом.
Инструкция по ее сборке предлагает такой порядок работ:
Собирается рама с бочкой для будущего агрегата. Она должна быть достаточно прочной, из-за большой нагрузки на основание. При этом:
- Раму стоит изготавливать их профильного уголка со стенками не менее 130 мм.
- Для крепления элементов используются болты диаметром 27 мм.
- Бочка устанавливается под углом 35°.
- Для передачи крутящего момента от двигателя на бочку, крепится зубчатый венец, его можно использовать от двигателя автомобиля «Волги», приварить или прикрутить болтами.
- На раму крепится редуктор.
- Устанавливается бочка. Внутреннюю часть барабана можно наполнить по своему усмотрению или воспользоваться такой же конструкцией, как и для ручной бетономешалки.
- Для изготовления пеноблоков, собирается бетономешалка для пенобетона своими руками. Ее отличие от бетономешалок — наличие специального перемешивающего устройства.
Смеситель для пенобетона своими руками
Крепится штурвал для опрокидывания бочки.
Чтобы изготовить бетономешалку своими руками любого вида, для большей наглядности проведения работ по сборке, стоит просмотреть видео в этой статье.
Несколько советов по эксплуатации оборудования
Собранная конструкция, как и любое оборудование, требует соблюдения правил эксплуатации:
- Нельзя опускать руки во вращающийся барабан.
- При подключении электричества нужно следить за исправностью проводки.
- Даже к неработающему агрегату не следует подпускать детей.
- При использовании передвижной конструкции, всегда нужно ставить под колеса упоры, перед началом работы.
- Из-за большой вибрации барабана, могут нарушиться соединение элементов в узлах, которые требуют периодического подтягивания крепежных деталей.
- Никогда нельзя оставлять включенную технику без присмотра.
Изготовленная даже самая простая бетономешалка своими руками, значительно облегчает выполнение тяжелой работы, связанной с использованием бетонного раствора, экономит не только силы, но и время человека.
Подготовка чертежей
Выбранную ёмкость необходимо отобразить в масштабе на бумаге. Все расчеты, размеры обязательно переносят на план-схему. Там же отображают расположение каркасной стойки, непосредственно самой бочки и дополнительной фурнитуры (креплений, поворотных механизмов, мотора с защитным щитком).

При отсутствии художественных навыков всегда можно воспользоваться готовыми план-проектами для различных моделей бетономешалок.

Обратите внимание!
-
Тиски своими руками: простые и надежные самодельные тиски от А до Я (190 фото)
-
Вибростол своими руками — выбор материалов, узлов и агрегатов для вибростола с пошаговым описанием изготовления
-
Зернодробилка своими руками — принцип работы, виды и особенности создания устройства для переработки зерновых культур
https://youtube.com/watch?v=cdYu9bNRUw0
https://youtube.com/watch?v=mU7JPUEq4E0
Как замесить бетон в бетономешалке своими руками
Прежде чем приступить к изготовлению бетонной смеси, заранее запаситесь требуемым по расчетам количеством щебня, песка и цемента, привезите воду. Следите за материалом, чтобы песок был чистым, не разбавленным глинистыми добавками, что ухудшит качества бетона. Возможно, вам понадобится калькулятор цемента.
Если хотите на выходе получить по-настоящему качественную смесь, которая прослужит вам верой и правдой, используйте «правильную» воду: она не должна иметь в составе солей или иных добавок, ухудшающих качество.
- Смешиваем песок и цемент в сухом виде, для чего желательно использовать отдельную емкость – только после этого ссыпаем раствор в состав барабана;
- Добавляем в барабан требуемое количество воды и тщательно перемешиваем;
- В конце засыпаем в барабан щебень.
Теперь вы знаете, как пользоваться бетономешалкой, однако вам необходимо позаботиться и о ее дальнейшей правильной эксплуатации – очистке от раствора. Чтобы бетономешалка не сломалась, необходимо каждый раз очищать барабан от смеси. Для этого можете добавить в воду щебень или гравий и включить оборудование – мелкий камень возьмет на себя остатки приготовленной смеси.
Главное – не оставляйте остатки раствора внутри барабана, поскольку цемент затвердеет и не даст возможности вам работать в нем дальше. А если вы вдруг забудете удалить раствор и постараетесь выбить его с помощью молотка, это в большинстве случаев приведет к порче бетономешалки. Так что обязательно чистите оборудование после каждого использования.
Почему нельзя дрелью?
Каждый, кто хоть раз сталкивался со строительством, ведущимся частным образом, видел процесс или слышал о возможности замешивания раствора с использованием электрической дрели. И, казалось бы, зачем связываться с бетономешалкой-самоделкой, когда есть такое «оригинальное» решение. Однако решение это весьма сомнительное:
Во-первых, дрель так долго не протянет, это не ее рабочий режим. Она вообще под подобные работы не приспособлена.
А во-вторых, чтобы получить действительно качественный раствор, дрель придется постоянно перемещать по емкости в разных направлениях. И тогда трудозатраты вкупе с временными окажутся экономически абсолютно невыгодными. Проще озаботиться и смастерить бетономешалку.
С какой скоростью мешать бетон?
Мы не будем подробно рассматривать процесс замешивания бетона – это тема отдельной статьи. Отметим лишь тот факт, что момент кручения играет далеко не последнюю роль.
Читать также: Стандарты обжима витой пары
Вот почему редуктор «стиралки» лучше обычного мотора от скутера или авто. Он выдерживает практически любую нагрузку и может работать на невысоких оборотах. 25 полных циклов (оборотов) в минуту достаточно.
Для обеспечения такого количества редуктор может иметь разную схему. Самый простой, типичный вариант, когда редуктор сделан из ремня и шкива. Бетоносмеситель своими руками с моторчиком от мопеда отличается мобильностью. Редуктор удобен и компактен, для функционирования не нужна электроэнергия. Даже если у вас большая территория, сделанный аппарат перемещается по ней без лишних забот и хлопот.
Редуктор в данном случае должен быть цепным, иначе конструкция будет плохо функционировать.
Недостатки применения
- У электрических приборов это открытие люка спустя некоторое время после прекращения подачи электричества и, как следствие, сброс бетона (иначе тот застынет).
- Кроме того, бетономешалки, в принципе, являются сезонными. В большинстве своем они (в особенности, небольшие агрегаты) не могут быть использованы при минусовой температуре. Вследствие этого зимой приходится дополнительно использовать парогенератор.
- Отдельно стоит выделить минусы мотоприводных устройств – это дороговизна используемого топлива, высокий уровень шума во время функционирования, а также токсичность выхлопов.
- Простая растворомешалка, способная функционировать при температуре не ниже +2 градусов, не имеет оборудования, которое обеспечивает нагрев смеси.
- Производительность ручных агрегатов достаточно низкая, в то время как трудоемкость замешивания, напротив, высокая.
Как устроена бетономешалка?
Стандартная конструкция включает в себя:
- станину (она может быть как на шасси, так и стационарной);
- замешивающие рабочие органы;
- емкость, в которой происходит непосредственно процесс замешивания;
- разгрузочный механизм;
- трансмиссию;
- движущий агрегат (он может быть, к примеру, бензиновым или же электрическим).

Ознакомимся с каждой из конструктивных составляющих более детально.
- Итак, станина представляет собой конструкцию, выполненную из профилей/труб и предназначающуюся для соединения всех частей бетономешалки в одну систему. Если агрегат небольшой, то станина может быть оснащена двумя\четырьмя колесами, чтобы легче было его транспортировать.
- К замешивающим органам зачастую можно отнести лопасти, шнеки и прочие детали, воздействующие непосредственно на ингредиенты замешиваемого бетона.
- Емкость – это элемент, в котором все эти ингредиенты перемешиваются. Ее объем и габариты зависят преимущественно от того, какова производительность бетономешалки.
- Разгрузочный механизм – он, как можно судить из названия, предназначается для извлечения бетона с целью дальнейшего применения в строительных работах. Тоже может быть разным.
- Наконец, трансмиссия с движущим агрегатом нужны для превращения той или иной энергии в движение замешивающего органа. Как уже отмечалось ранее, двигатель бывает электрический (используется чаще всего) или же бензиновый.

Расчет груши бетономешалки на объем 0,25 куба
Часть первая
Немного математики: (СА) 2=(Ев) 2 + (Вв) 2 (СА) 2 = 402 + 152 =182500мм2 СА =427,2мм ОС=ОХ=d/2 xCA = 200×427,2 = 85440 =569,6 мм D/2 – d/2 350-200 150 ОА=ОУ=ОС+СА =569,6 + 427,2 =996,8мм АУ (по окружности) = АВ х 3,14 = 700х3,14 =2198ммЧасть вторая
самая простая : Размеры прямоугольника — Ев на АУ. Т. е в данном случае 300мм на 2198мм
Часть третья
Для того, чтобы получить неровное дно груши бетономешалки, нужно вырезать круг с диаметром большим, чем диаметр самой груши бетономешалки.
Здесь уже на любителя: я взял диаметр 740мм
. Можно было и больше: тогда бы низ получился по круче.
Но у нас получается вот так:
⌀740 х 3,14 =2324мм Нужная нам длина окружности (700х3,14) =2198 мм Получаем величину Х = 2324-2198 =126 мм Удаляем, как показано на рисунке. Внутренний диаметр круга зависит от диаметра используемого венца + 70 — 100 мм.
Для груши взяты стальные листы 2,5 мм, выровнены кувалдой и выкроены по заранее приготовленным чертежам.
Дно груши бетономешалки сделано из листовой стали толщиной 5 мм.
Облазил инет в поисках самодельных бетономешалках и посмотрев несколько вариантов накидал проект.
Закупив профиль 40*20*2 13метров и трубу 20*2,8 4 метра начал все варить.
В первый день сварил каркас под бочку и каркас на чем она будет стоять и вертеться.
Еще нам надо будет 4 подшипника и ступица, подшипники я купил внутренний у них 25 внешний 70, а ступицу взял старую от камри на которой будет соять бочка.
на 20 трубу одел подшипники пришлось токо в 6 местах распил зделать что бы на 20 трубу оделся 25 подшипник. так как с учетом стенки наружний диаметр у 20 трубы 25,6мм.





