Содержание
Уравнение разности через дискретную временную выборку
Уравнение с дискретной разностью легко получить путем дискретизации приведенной выше ступенчатой входной характеристики через регулярные интервалы, где и — время между выборками. Взяв разницу между двумя последовательными выборками, мы имеем
пТ{\ displaystyle nT}пзнак равно,1,…{\ Displaystyle п = 0,1, …}Т{\ displaystyle T}
- vотыт(пТ)-vотыт((п-1)Т)знак равноVя(1-е-ωпТ)-Vя(1-е-ω((п-1)Т)){\ Displaystyle v _ {\ rm {out}} (nT) -v _ {\ rm {out}} ((n-1) T) = V_ {i} (1-e ^ {- \ omega _ {0} nT }) — V_ {i} (1-e ^ {- \ omega _ {0} ((n-1) T)})}
Решая, мы получаем
vотыт(пТ){\ Displaystyle v _ {\ rm {out}} (нТ)}
- vотыт(пТ)знак равноβvотыт((п-1)Т)+(1-β)Vя{\ Displaystyle v _ {\ rm {out}} (nT) = \ beta v _ {\ rm {out}} ((n-1) T) + (1- \ beta) V_ {i}}
Где βзнак равное-ωТ{\ displaystyle \ beta = e ^ {- \ omega _ {0} T}}
Используя обозначения и , и подставляя наше выборочное значение , мы получаем разностное уравнение
Vпзнак равноvотыт(пТ){\ Displaystyle V_ {п} = v _ {\ rm {out}} (нТ)}vпзнак равноvяп(пТ){\ Displaystyle v_ {п} = v _ {\ rm {in}} (нТ)}vпзнак равноVя{\ displaystyle v_ {n} = V_ {i}}
- Vпзнак равноβVп-1+(1-β)vп{\ Displaystyle V_ {п} = \ бета V_ {п-1} + (1- \ бета) v_ {п}}
Анализ ошибок
Сравнивая восстановленный выходной сигнал из разностного уравнения, с входной ступенчатой характеристикой , мы обнаруживаем, что существует точная реконструкция (ошибка 0%). Это восстановленный выход для неизменяемого во времени входа. Однако, если вход зависит от времени , например , эта модель аппроксимирует входной сигнал как серию ступенчатых функций с длительностью, вызывающей ошибку в восстановленном выходном сигнале. Ошибка, вызванная изменяющимися во времени входными данными, трудно определить количественно, но она уменьшается по мере увеличения .
Vпзнак равноβVп-1+(1-β)vп{\ Displaystyle V_ {п} = \ бета V_ {п-1} + (1- \ бета) v_ {п}}vвне(т)знак равноVя(1-е-ωт){\ displaystyle v _ {\ text {out}} (t) = V_ {i} (1-e ^ {- \ omega _ {0} t})}vв(т)знак равноVягрех(ωт){\ displaystyle v _ {\ text {in}} (t) = V_ {i} \ sin (\ omega t)}Т{\ displaystyle T}Т→{\ displaystyle T \ rightarrow 0}
Предназначение

Сделать фильтр для сабвуфера
Фильтр или кроссовер(см.Самодельные кроссоверы для акустики и их предназначение), как его еще называют, сегодня выполняет важнейшую функцию. Дело в том, что практически все современные динамики, включая и сабвуфер, воспроизводят эффективно только определенную долю частот. К примеру, тот же басовик воспроизводить хорошо в состоянии только низкие басы.

Фильтр для автомобильного сабвуфера
За границами «родной» полосы (эффективно воспроизводимой), звуковое давления, идущее из динамика, заметно снижается и возрастает одновременно с этим уровень искажений. В таком случае говорить о каком-то качестве звука просто глупо и следовательно, чтобы решить проблему, приходится использовать в аудиосистеме несколько динамиков(см.Как выбрать динамики для автомагнитолы своими силами). Такова реалия: это происходит и в домашней акустике, и в автомобильной. Это не новость.
Типичные схемы расположения динамиков в авто и роль фильтров

Динамики в авто
Касательно автомобильной акустики хотелось бы выделить две типичные схемы построения системы звука, с которыми знакомы, наверное, все, кто много мало знаком с автозвуком.Речь идет о следующих схемах:
Наиболее популярная схема подразумевает три динамика. Это басовик (нацеленный исключительно на низы), динамик средних и низких частот (мидбасс) и отвечающий за воспроизведение ВЧ, твитер.

Фильтр низких частот сделать самому для сабвуфера
Именно для того, чтобы не нарушать это требование, предназначены электрические фильтры, в роль которых входит выделение конкретных «родных» частот и подавление «чужих».
Типы фильтров
Фильтры(см.Как сделать самому фильтр для автомагнитолы) частот различаются по типам.Принято выделять следующие варианты:
Обычные фильтры, принцип действия которых сводится к тому, чтобы у их катушек индуктивности сопротивление возрастало с ростом частоты сигнала и спадало у конденсаторов, которыми они наделены. Несложно догадаться, что в таких фильтрах эффективно пропускают НЧ катушки индуктивности, а ВЧ – конденсаторы.

Полосовой фильтр
- Режекторный фильтр – полная противоположность полосовому. Здесь та полоса, которая ПФ пропускается без изменений, подавляется, а полосы вне этого интервала усиливаются;
- ФИНЧ или фильтр подавления инфранизких частот стоит особняком. Принцип его действия основывается на подавлении высоких частот с низким показателем среза (10-30Гц). Предназначение этого фильтра – непосредственная защита басовика.

Нч фильтр для сабвуфера самому
Параметры
Кроме типов фильтров, принято разделять и их параметры.К примеру такой параметр, как порядок, свидетельствует о количестве катушек и конденсаторов (реактивных элементов):
- 1-ый порядок содержит только один элемент;
- 2-ой порядок два элемента и т.д.
Другой, не менее важный показатель – крутизна спада АЧХ, показывающая, насколько резко фильтр подавляет «чужие» сигналы.
Для сабвуфера
В принципе, любой фильтр, в том числе и этот, представляет собой сочетание нескольких элементов. Обладают компоненты эти свойством избирательно пропускать сигналы определенных частот. Принято разделять три популярные схемы этого разделителя для басовика.Они представлены ниже:
Первая схема подразумевает самый простой разделитель (изготовить который своими руками, не составит никакой сложности). Он выполнен в виде сумматора и стоит на одном транзисторе. Конечно, серьезного качества звука с таким простейшим фильтром не добиться, но из-за своей простоты, он прекрасно подходит любителям и начинающим радиоманам;

Простая схема
Две другие схемы намного сложны, чем первая. Построенные по эти схемам элементы, размещаются между местом выхода сигнала и входом усилителя басовика.
Каким бы ни был разделитель, простейшим или сложным, он должен иметь следующие технические характеристики.
| Питание/напряжение | 12-35 В |
| Частота среза | 100 Гц |
| Потребление тока | 5 мА |
| Усиление «родной» частотной полосы | 6 дБ |
| Подавление «чужой» полосы | 12 дБ |
Фильтрация через преобразование Фурье
По идее, вам никто не мешает делать с сигналом дискретное преобразование Фурье, обработать частоты и затем сделать обратное преобразование.
Если не думать над реализацией ДПФ, то такой подход я бы назвал достаточно интуитивным и простым в программировании (опять же, если взять ДПФ из какой-нибудь либы и не кодить самому).
Минусы подхода — во-первых, ДПФ принимает на вход массив из семплов, размер которого является степенью двойки. Это значит, что выходной сигнал уже будет с задержкой. Во вторых, каждый 512-й семпл мы будем производить данный алгоритм: ДПФ, обработка частот сигнала, обратное ДФП. Это не малые вычисления. В-третьих, есть еще минусы и тонкости, которые знают адепты цифровой обработки сигналов.
Мы не будем рассматривать применение ДПФ, а заглянем в теорию цифровых фильтров; напишем фильтр, который обрабатывает значения семплов и имеет линейную вычислительную сложность в зависимости от длины входящего массива семплов.
Одноэлементные фильтры высоких и низких частот
Как правило, одноэлементные фильтры высоких и низких частот применяют непосредственно в акустических системах мощных усилителей звуковой частоты, для улучшения звучания самих звуковых «колонок».
Они подключаются последовательно с динамическими головками. Во первых, они берегут как динамические головки от мощного электрического сигнала, так и усилитель от низкого сопротивления нагрузки не нагружая его лишними динамиками, на той частоте, которую эти динамики не воспроизводят. Во вторых, они делают воспроизведение приятнее на слух.
Чтобы рассчитать одноэлементный фильтр, необходимо знать реактивное сопротивление катушки динамической головки. Расчёт производится по формулам делителя напряжения, что так же справедливо для Г-образного фильтра. Чаще всего, одноэлементные фильтры подбирают «на слух». Для выделения высоких частот на «пищалке» последовательно с ней устанавливается конденсатор, а для выделения низких частот на низкочастотном динамике (или сабвуфере), последовательно с ним подключается дроссель (катушка индуктивности). Например, при мощностях порядка 20…50 Ватт, на пищалки оптимально использовать конденсатор на 5…20 мкФ, а в качестве дросселя низкочастотного динамика использовать катушку, намотанную медным эмалированным проводом, диаметром 0,3…1,0 мм на бобину от видеокассеты VHS, и содержащую 200…1000 витков. Указаны широкие пределы, потому, как подбор – дело индивидуальное.
И тут что-то пошло не так…
После воплощения схемы в железе, выяснилось, что сигнал на выходе буфера за 5-10 секунд после включения доходит до положительного напряжения питания. Ну и само собой, дальше схема ничего интересного не выдает.
В моем случае перед фильтром стоит разделительный конденсатор. А после фильтра — повторитель на ОУ. При этом возникла ситуация, что нет привязки операционных усилителей к земле по постоянному напряжению. Все соединения с землей идут только через конденсаторы, т.е. по переменному напряжению.
Как результат, конденсаторы заряжаются и схема перестает работать, как нам бы этого хотелось. Для решения проблемы оказалось достаточным установить постоянный резистор величиной в 1 МОм с выхода фильтра на землю.
Что касается качества звука, то тут никаких претензий к фильтру нет. До него были опробованы разные варианты фильтров, среди которых просто RC цепь в ОС ОУ и фильтр Баттерворта 2-го порядка, который для звуковых цепей оказался неприменим.
Фазировка динамиков
На этом сведение подходит в концу. Остается только определиться с фазировкой динамиков. Тут есть как минимум три способа: на слух, по форме АЧХ и по фазовому сдвигу на частоте раздела. Если у динамиков АЧХ и ФЧХ в меру линейная, и фильтр фазу на разделе сильно не накручивает, то при смене правильной фазы на неправильную на частоте раздела появится глубокий провал, пропустить его сложно. В таком случае стоит подгонять фазу по по ее сдвигу. Сделать это можно осциллографом подавая на горизонтальную развертку сигнал с усилителя, а на вертикальное отклонение с микрофона.
Подают на вход усилителя синус с частотой раздела и не меняя взаимного расположения микрофона и колонки переключают ВЧ и НЧ динамики. По одинаковости фигур Лиссажу делается вывод о равенстве фаз излучателей. Этот метод хорошо подходит для фильтров первого порядка. С кривизной наших динамиков этот метод себя не оправдывает, поэтому сравниваем АЧХ при разной фазировке.

Второй вариант заметно хуже. Однако и первый не предел мечтаний, но так как двигать индуктивности катушек не просто, а ковыряться дальше уже лень, то все было оставлено как есть.
Фильтр на гираторах
В глубинах документации от Burr Brown был найден очень интересный документ AB-026. Он повествует о построении ими фильтров на гираторах для демонстрационных плат с ЦАП и АЦП.
Хорошая у них документация, не так давно у них же была найдена схема усилителя для наушников.
Ребята из Burr Brown рекомендуют применять для ЦАП фильтр на гираторе третьего порядка, а для АЦП фильтр на гираторах 6-го порядка.
В статье будет рассмотрен только фильтр третьего порядка. Ибо фильтр 6-го порядка это два фильтра третьего порядка включенные последовательно.
Схему фильтра мы рассмотрим чуть позже, а пока рассмотрим зачем это вообще нужно.
Цифровые фильтры
Большую часть информации и вывод формул я взял из книги Digital Signal Processing: A Practical Approach — очень рекомендую, она есть в русской версии — Цифровая обработка сигналов. Практический подход, заинтересованные найдут PDF в сети.
Хочу сделать важное замечание. Тема построения и рассчитывания фильтра действительно очень сложна, содержит массу тонкостей и нюансов, требует знания и понимания теории
В этой статье я покажу, как рассчитать формулы фильтра Баттервота, чтобы у читателя возникло понимание, откуда выводятся эти формулы. Но почему именно такие исходные формулы, почему именно такие замены — можно понять лишь погрузившись в глубокую теорию цифровой обработки сигналов.
Когда я начинал гуглить код фильтров, я сразу находил множество непонятного математического кода, и хотелось хоть чуть-чуть понять, откуда берутся такие рассчетные формулы. Осциллятор, огибающая, дилей — понимание и программирование работы этих составляющих лично мне кажется интуитивным, но только не фильтров. Этой статьей я хочу пробудить интерес к цифровой обработке сигналов) Буду рад, если возникнет желание разобраться в этой теме более основательно.
Вам нужно знать (хотя бы немножко) такие термины как свертка, импульсная характеристика фильтра, передаточная функция фильтра.
Аппроксимация АЧХ идеального фильтра (картинка из советского учебника, не нашел исходник)
Фильтр изменяет сигнал, «убирая» в нем выбранные частоты. Существующие фильтры не идеальны. Полоса пропускания — полоса частот, которую фильтр «не затрагивает» (на графике есть некоторая изменения — особенность неидеального представленного фильтра). Полоса подавления — полоса нежелательных частот. В полосе перехода происходит спад частот. Естественно, фильтр ближе к «идеальному» тем, насколько меньше он искажает полосу пропускания, насколько сильно он подавляет частоты в полосе подавления и насколько узка полоса перехода. Есть разные «приближения» фильтров — фильтр Чебышёва, Баттервота, и так далее — их вы найдете в книжках и на просторах сети.
Порядок фильтра и его добротность
Следующий параметр, с которым надо определиться — это порядок фильтра и его добротность. В данной статье будут рассматриваться два порядка, первый и второй.
- С первым все просто: есть катушка, есть конденсатор, считаем их параметры под требуемую частоту среза и при надобности корректируем значения до получения желаемой АЧХ, ФЧХ, ИЧХ.
- Со вторым порядком по-хитрее, там уже две катушки и два конденсатора. От значений номиналов зависит такой параметр как добротность, он определяет крутизну спада АЧХ и в некоторой степени сдвиг фазы. Поскольку влияние фазового сдвига и крутизны умозрительно не прикинешь, остается просто выбрать в какую сторону думать. А думать тут в сторону низкой добротности, читай больше индуктивности в катушках, меньше емкости в конденсаторах.
Как выбрать порядок. Тут руководствуются уже знакомыми соображениями о том, на что способны излучатели, в особенности высокочастотник. Если большой ход ему противопоказан (как в нашем случае) то предпочтение отдаем второму порядку.
Для полноты картины следует упомянуть, что порядок также определяет степень совместной работы динамиков, но это уже информация для самостоятельного размышления.
Как сделать своими руками
Пассивный фильтр для сабвуфера своими руками просто изготовить благодаря использованию небольшого количества элементов. Фильтр низких частот собирается с учетом нижеприведенных моментов:
Сборка может проводиться по схеме, которая скачивается из сети или создается своими руками. В интернете встречается большое количество различных калькуляторов. Их применение существенно упрощает расчеты. Для этого достаточно ввести исходную информацию, и программа при применении формул рассчитывает требуемые показатели.
Основными параметрами, применяемыми при расчетах, являются индуктивность и емкость.
Простейшая схема представлена сочетанием конденсатора или катушки. Первый элемент можно приобрести в специализированном магазине, для повышения показателя проводится соединение нескольких
Катушка часто изготавливается самостоятельно, для этого применяется медная проволока и стержень из специального сплава.
Пайка отдельных элементов должна проводиться с особой осторожностью. Это связано с тем, что слишком высокая температура может привести к перегреву платы и некоторым другим проблемам.
После создания самодельной конструкции следует провести подключение фильтра к сабвуферу. Подключение выполняется следующим образом:
- Фильтр подключается к сабвуферу через выход предварительного усилителя после регулятора, который отвечает за регулировку громкости. Это позволяет существенно повысить качество звука.
- Потенциометр применяется для регулирования соотношения громкости сабвуфера и всего сигнального тракта.
- К выходу проводится подключение усилителя мощности, который работает по классической схеме. Оба применяются для мостового соединения.
Финишный этап заключается в герметизации всех соединительных элементов. В противном случае на контактах со временем может появиться коррозия, которая станет причиной снижения проводимости. Активный изготавливается с применением управляющей платы.
Изготовление акустики с пассивным излучателем
В отличие от фазоинвертора акустика с пассивным излучателем настраивают на частоту в 2–3 раза ниже резонансной частоты головки fS.
При этом добротность используемых головок должна быть в пределах 0,2–0,8.
Чем меньше объём оформления, тем меньше должна быть добротность головки.
Ящик для фазоивертора можно изготовить из фанеры или ДСП плит толщиной 8–12 мм, при этом следует учесть, что он не должен иметь щелей. Внутрь ящика полезно поместить звукопоглощающий материал, например, поролон толщиной 15–30 мм, который сделает более гладкой частотную характеристику громкоговорителя в области средних частот.
Проверить правильность настройки сделанного фазоинвертора можно либо по видимой при резонансе ФМ амплитуде колебаний пассивного радиатора, либо по возрастающей при резонансе громкости, в чем можно убедиться, поставив кусок фанеры между диффузорами и поднесся ухо к диффузору пассивного радиатора.
Также, как и в обычном фазоиверторе, частотная характеристика полного сопротивления громкоговорителя в фазоиверторе с закрытым отверстием должна иметь два максимум почти одинаковой высоты.
Активный фильтр для сабвуфера своими руками
По сравнению с пассивными конструкциями, активные схемы выравнивают амплитудно- частотную характеристику низкочастотного сигнала, корректируя пики и спады, негативно влияющие на прослушивание музыки. Простой фильтр для сабвуфера своими руками можно сделать на малошумящем операционном усилителе.
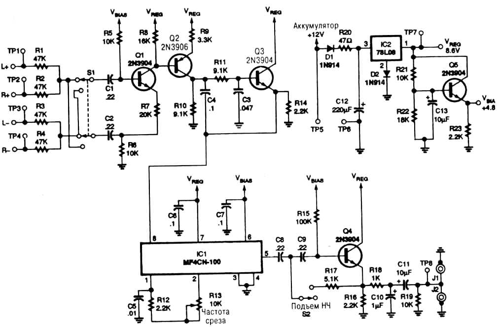
Схема фильтра НЧ для сабвуфера, сделанного своими руками, состоит из двух операционных усилителей и небольшого числа дискретных элементов. В качестве основного элемента используется интегральная микросхема LM324, которая содержит четыре операционных усилителя с однополярным питанием, что особенно удобно, если сабвуфер будет использоваться в автомобиле. Активное устройство обеспечивает подавление высокочастотной части звукового диапазона, начиная с 120 Гц. Существует много схем разного уровня сложности, которые сделаны на микросхемах или транзисторах. Интегральные схемы требуют меньшего количества деталей и не критичны к изменению напряжения питания.
Более качественную схему можно сделать на специализированной микросхеме РТ2351. Сигналы с выходов стереофонического усилителя поступают на входные каскады, микшируются и поступают на активный блок подавления низких частот. Точка начала подавления высокочастотной части спектра определяется величиной конденсаторов С3 и С7. Буферный каскад позволяет подключать устройство непосредственно к акустической системе.
Сигнал с двух каналов стереофонического усилителя через RCцепочки поступает на соответствующие входы интегральной микросхемы. Благодаря стабилизатору микросхему можно питать от любого однополярного источника постоянного тока напряжением до 20 вольт. Порог среза активного устройства составляет примерно 70 Гц. Для некоторых акустических систем эта величина подавления может быть слишком низкой. Для величины подавления 200 Гц номиналы конденсаторов должны быть следующими:
- С1 – 0,47 мкф
- С2 – 0,47 мкф
- С3 – 0,047 мкф
- С7 – 0, 068 мкф
Активный блок ограничения высокочастотной части звукового диапазонаможет использоваться как для домашнего звукового комплекса, так и в автомобиле
Недостатком данной схемы можно считать отсутствие плавной регулировки полосы пропускания, но для работы звукового комплекса это не так важно
Делаем корпус
Для создания корпуса я использовал корпус от DVD ROM. Его нужно полностью разобрать, но сохранить болтики, фиксирующие крышку, они нам ещё понадобятся. Вынимаем все потроха, отдираем пластмассовую переднюю панель и счищаем этикетку сверху. Далее измеряем переднюю панель и по её размерам нужно вырезать прямоугольники из оргстекла (желательно вырезать немного побольше, чтобы потом можно было немного отшлифоваться неровности в случае каких-либо перекосов). Сверлим отверстия под разъемы входов и выходов, а также под переменные резисторы и разъем подключения микрофона. Затем нужно высверлить фрезой прямоугольную дырку под выключатель (его берём от компьютерного блока питания). На задней панели я решил продублировать входные и выходные разъемы 3.5 мм разъёмами ‘тюльпан’. Мало ли понадобятся. Переднюю и заднюю панели прикручиваем на болты М3. Вкручиваем их столько, сколько необходимо, чтобы панель держалась и не шаталась. Поскольку панели прозрачные, просто жизненно необходимо поставить внутрь корпуса синий светодиод! Питаем его от 9 вольт – оттуда же, откуда и микрофонный предусилитель.
Чуть не забыл! Очень важно на выходы сумматоров поставить два подстроечных резистора, сопротивлением 20 – 50 кОм для согласования амплитуд на каждом канале. Далее ищем два одинаковых (прям одинаковых) постоянных резистора на 22 – 47 кОм, подключаем их на выходы, подаём сигнал на вход и вращением движков подстроечных резисторов добиваемся одинаковой амплитуды на обоих каналах
Ручки на переменные резисторы поставил чёрные пластмассовые. Не идеал конечно, но всё равно неплохо, мне нравится. Корпус ОБЯЗАТЕЛЬНО закоротить подключить к общему проводу! Если этого не сделать, он будет работать, как антенна и помех будет тьма.
А вот, как всё это выглядит внутри:

…и снаружи:

А вот, как я сделал сам микрофон. Взял картонную трубку без дырок на боковой поверхности, нашел подходящую по диаметру пробку от бутылки, впихнул одно в другое, просверлил отверстие для провода в пробке и засунул в трубку плату микрофонного предусилителя, зафиксировав всё термоклеем (его не видно, а держится отлично). Также необходимо сделать из куска пластика заглушку на микрофон с несколькими отверстиями. Она выполняет защитную функцию, предотвращая попадания пальцев и других инородных предметов на капсюль. Ну и, разумеется, перемотать всё это дело изолентой, куда ж без неё!

Построение цифрового фильтра с конечной импульсной характеристикой
Вступление издалека
Недавно передо мной встала достаточно интересная задача, с которой я раньше никогда не сталкивался — борьба с шумом. Мы принимали сигнал с датчиков на аналогово-цифровой преобразователь (АЦП) А так как данная тема для меня была (хотя и сейчас есть кое-где) темным лесом, я пошел мучить вопросами гугл, мне показалось освещена эта тема не очень подробно и доступно, поэтому решил написать статью с примером разработки и готовым исходником.
Ближе к делу
Цифровые фильтры могут быть двух видов – с конечной и с бесконечной импульсной характеристикой (КИХ и БИХ). Для решения моей задачи подходит КИХ-фильтр, поэтому про него и расскажу. Для начала посмотрим как же он работает:

Здесь показан пример фильтра нижних частот, как видно на рисунке, этот фильтр пропускает нижние частоты, а все остальные старается отсечь (подавление), или хотя бы ослабить (переход). Отклонения в полосе пропускания и полосе подавления выбираются в зависимости от принимаемого сигнала, но при использовании различных весовых функций, на них могут накладываться определенные ограничения. Например, если используется весовая функция Хэмминга, то эти отклонения будут равны между собой. Ширина полосы перехода ∆F зависит от длины фильтра и от весовой функции (для функции Блэкмена ∆F=5,5|N).
Работает фильтр довольно просто: фильтр получает значения, с помощью коэффициентов преобразует их и выдаёт выходную последовательность, тогда с формулой самого фильтра всё понятно:

Она реализуется через цикл, но постойте, а где же взять нужные коэффициенты? Вот тут-то как раз и зарыта собака (и не одна).
Параметры фильтра
Естественно для разных фильтров нужны разные коэффициенты, и для этого нужно определиться с параметрами фильтра, это обычно сначала делается теоретически (с умным видом прикидываем какая у нашего сигнала частота, потом частоты, которые надо отсеивать), а потом изучаем АЧХ реальных измерений (и осознаем, как сильно мы ошибались). По этим АЧХ мы определяемся с идеальной частотной характеристикой (какие частоты проходят свободно, какие мы убираем и как сильно), теперь нам нужна идеальная импульсная характеристика её можно посчитать как Фурье-образ от идеальной частотной: где H_D(w) – идеальная характеристика.
Но можно пойти и по более простому пути – есть уже заранее вычисленные идеальные импульсные характеристики, например для фильтра нижних частот формула выглядит следующим образом:
где fc и wc – частота среза.
Итак, осталось уже немного идеал идеалом, а мы имеем дело с практикой, и нам нужна «реальная» импульсная характеристика. Для её расчета нам понадобится весовая функция w(n), их есть несколько разновидностей, в зависимости от требований к фильтру (Хэмминга, Хеннинга, Блэкмена, Кайзера, о них не говорю, ибо статья и так большая), в нашем случае я использую функцию Блэкмена:
где N – длина фильтра, т.е. количество коэффициентов.
Теперь надо перемножить идеальную импульсную характеристику и весовую функцию:
Финишная прямая
Теперь мы готовы рассчитать выходные значения, по формуле фильтра, она самая первая в этой статье, ну вот и всё, в завершение привожу исходный код фильтра: void Filter (const double in[], double out[], int sizeIn) { const int N = 20; //Длина фильтра long double Fd = 2000; //Частота дискретизации входных данных long double Fs = 20; //Частота полосы пропускания long double Fx = 50; //Частота полосы затухания long double H = {0}; //Импульсная характеристика фильтра long double H_id = {0}; //Идеальная импульсная характеристика long double W = {0}; //Весовая функция //Расчет импульсной характеристики фильтра double Fc = (Fs + Fx) / (2 * Fd); for (int i=0;i=0) out+= H*in; } }При подготовке статьи использовались: Основные характеристики и параметры фильтров. analogiu.ru/6/6-5-2.html Айфичер Э. Джервис Б. Цифровая обработка сигналов. Практический подход. 2-е издание
Коротко об АЧХ фильтров.
Ниже приведу (напомню) некоторые особенности, влияющие на АЧХ фильтров из-за не
идеальности (некоторых) характеристик используемых ОУ и структуры фильтров. Она
по-разному проявляется в ФНЧ и ФВЧ и в зависимости от используемой структуры
фильтра. Для этого были экспериментально сняты АЧХ фильтров в диапазоне до пяти
мегагерц для каждого фильтра. Полную АЧХ фильтров приводить не буду (они
известны и описаны в соответствующей литературе), а опишу только фрагменты АЧХ,
отличающихся от идеальной АЧХ.
Для снятия АЧХ фильтров использовался функциональный генератор с верхней
частотой 5мГц и выходным сопротивлением 50Ом. Контроль выходного напряжения
фильтра осуществлялся осциллографом. Следует отметить, что в ряде случаев
определенный интерес представляет и поведение АЧХ фильтров выше 5мГц, однако
соответствующим генератором я не располагаю.
Фильтр 3-го порядка для ЦАП на гираторе
Итак, разобрались с вопросами, возникающими в первую очередь. Теперь наконец перейдем к самой схеме. Она представлена на следующем рисунке.
Фазовая характеристика на выходе получившегося фильтра все же немного загибается к концу. Поэтому частота среза была выбрана такой, чтобы в слышимом частотном диапазоне фазовые искажения были минимальными.
Частота среза была выбрана равной 40 кГц. При этом фазовые искажения в диапазоне 1-10кГц, для указанной схемы, составили менее 0.1%. А это самый слышимый частотный диапазон. Загиб на частотах 10-20кГц минимален. Это потрясающий результат для фильтра в звуковых цепях.
На следующем графике приведена АЧХ сигнала после фильтра и относительная ошибка фазы (мелкие коллебания фазовой характеристики). Большие колебания ошибки фазы в области низких частот на самом деле составляют лишь 0.02 градуса. Да и в этом диапазоне наше ухо к фазовым искажениям практически не чувствительно.
Еще одним плюсом применения фильтра на гираторе для звука является то, что сигнал не проходит непосредственно через операционный усилитель. ОУ лишь вносит свой вклад в звук, но влияет меньше, чем в случае обычных активных фильтров.
Тем не менее качество операционного усилителя, как и качество всех остальных компонентов все равно имеет большое значение.
В авторском варианте были использованы AD8066. Это прецизионные скоростные ОУ с частотой пропускания до 145МГц и скоростью нарастания сигнала 180 В/мкс. На форумах эти ОУ часто хвалят и за их «звуковые» свойства. Они прекрасно продемонстрировали себя и в этой роли.
Активный фильтр высоких частот
Активные фильтры обладают огромным преимуществом перед их пассивными «сородичами», тем более на частотах, значение которых меньше 10 кГЦ. Дело в том, что пассивные содержат катушки повышенной индуктивности и конденсаторы, которые обладают большой емкостью. Из-за этого они получаются громоздкими и дорогостоящими, и поэтому их характеристика по итогу выходит далеко не идеальной.
Большой индуктивности достигают благодаря увеличенному количеству витков катушки и использования ферромагнитного сердечника. Это освобождает ее свойства чистой индуктивности, потому что длинный провод катушки с большим числом витков имеет значимое сопротивление, а ферромагнитный сердечник подвергается влиянию температуры, что в значительной мере сказывается на его магнитных свойствах. Из-за того, что необходимо использовать большую емкость, приходится применять конденсаторы, которые обладают не лучшей стабильностью. К ним можно отнести электролитические конденсаторы. Фильтры, именуемые активными, во-многом лишены указанных выше недостатков.
Дифференциаторные и интеграторные схемы построены с применением операционных усилителей, они собой представляют простейшие активные фильтры. Когда выбирают элементы схемы по четкой инструкции, соблюдая зависимость от частоты дифференциатора, они становятся высокочастотными фильтрами, а от частоты интеграторов, напротив, – низкочастотными. Фото, объясняющие все сказанное, приведено ниже:

Важные характеристики АС
Для начала разберёмся чем характеризуется акустическая система. Тут три характеристики: амплитудная, фазовая и импедансная.
АЧХ считается наиболее важной, так как больше определяет звучание, впрочем не в ней счастье, ровная АЧХ еще не гарантия хорошего звука.
ФЧХ сама о себе не слышна, может быть слышен резкий перегиб фазы в точке раздела.
ИЧХ вовсе на звучание не влияет, зато влияет на усилитель, но не на каждый, а лишь на тот у которого высокое внутреннее сопротивление, в частности ламповые.
Из-за кривого импеданса многие колонки могут не спеться с лампой, вся неровность импеданса вылезет в АЧХ. В каком-то случае это может пойти на пользу, но надеяться на это не стоит, хотя бы потому, что такая акустика будет крайне чувствительна к усилителю, станут слышны лампы, их режимы, а сравнение с каменным усилителем становится вообще не корректным.
Потому, если задаться цель построить акустику мало чувствительную к усилителю, необходимо обеспечить постоянство импеданса во всем диапазоне частот, а это накладывает определенные ограничения. В частности это обязывает применять фильтра настроеные на равную частоту среза и имеющие равную добротность.
Это правило позволяет для настройки фильтра контролировать только линейность импеданса, что исключает необходимость измерения АЧХ фильтров и в случаи отсутствия хорошего микрофона в измерении ачх динамиков, то есть можно обойтись минимальным набором приборов: генератором (возможно программным) и вольтметром.
Как сделать самостоятельно
Самостоятельно изготовить кроссовер сложно. Автовладельцы часто сталкиваются с тем, что даже в дорогой акустической системе двухполосного фронта отсутствует это устройство. Чтобы создать элемент в домашних условиях, потребуется:
- силиконовый герметик;
- удобный паяльник;
- термоусадочная трубка;
- хороший клей;
- фольгированный стеклотекстиль;
- прибор для измерения индуктивности;
- хлорное железо.
В некоторых случаях нужно подготовить провода, чтобы соединить все детали. Самодельное устройство изготавливают следующим образом:
- наматывают медную проволоку толщиной 1 мм на катушку индуктивности;
- берут для основы ферритовый сердечник, уменьшающий вес конструкции и ее габариты;
- измеряют индуктивность с помощью прибора;
- изготавливают плату из фольгированного стеклотекстиля, проделав в нем отверстия для провода и разных деталей;
- протравливают плату в хлорном железе;
- прикрепляют к плате конденсаторы и катушку индуктивности с помощью клея;
- соединяют акустические провода, используя паяльник с тонким жалом и соблюдая полярность во время подключения;
- обтягивают готовое изделие термоусадочной трубкой, края которой покрывают слоем герметика для повышения надежности.
Если соблюдать последовательность действий, то можно самостоятельно собрать кроссовер с минимальными затратами на покупку необходимых материалов и инструментов.
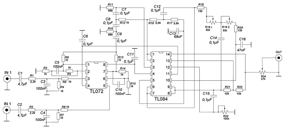
Описание работы схемы усилителя
Стерео сигнал подается на разъем In через C1 (100nF) и R1 (2,2 М) на первом канале и C2 (100nF) и R2 (2,2 М), в другом канале. Затем он поступает на вход операционного усилителя U1A (TL074). Потенциометром P1 (220k), работающем в цепи обратной связи усилителя U1A, выполняется регулировка усиления всей системы. Далее сигнал подается на фильтр второго порядка с элементами U1B (TL074), R3 (68k), R4 (150к), C3 (22nF) и C4 (4,7 nF), который работает как фильтр Баттерворта. Через цепь C5 (220nF), R5 (100k) сигнал поступает на повторитель U1C, а затем через C6 (10uF) на вход усилителя U2 (TDA2030).
Конденсатор С6 обеспечивает разделение постоянной составляющей сигнала предусилителя от усилителя мощности. Резисторы R7 (100k), R8 (100k) и R9 (100k) служат для поляризации входа усилителя, а конденсатор C7 (22uF) фильтрует напряжение смещения. Элементы R10 (4.7 k), R11 (150к) и C8 (2.2 uF) работают в петле отрицательной обратной связи и имеют задачу формирования спектральной характеристики усилителя. Резистор R12 (1R) вместе с конденсатором C9 (100nF) формируют характеристику на выходе. Конденсатор C10 (2200uF) предотвращает прохождение постоянного тока через динамик и вместе с сопротивлением динамика определяет нижнюю граничную частоту всего усилителя.
Полезное: Знаменитый усилитель мощности класса A First Watt Нельсон Пасс
Защитные диоды D1 (1N4007) и D2 (1N4007) предотвращают появление всплесков напряжений, которые могут возникнуть в катушке динамика. Напряжение питания, в пределах 18-30 В подается на разъем Zas, конденсатор C11 (1000 — 4700uF) — основной фильтрующий конденсатор (не экономьте на его ёмкости). Стабилизатор U3 (78L15) вместе с конденсаторами C12 (100nF), C15 (100uF) и C16 (100nF) обеспечивает подачу напряжения питания 15 В на микросхему U1. Элементы R13 (10k), R14 (10k) и конденсаторы C13 (100uF), C14 (100nF) образуют делитель напряжения для операционных усилителей, формируя половину напряжения питания.





