Содержание
Усилитель LM386: варианты построения усилителя на микросхеме
А вот если вообще удалить R2 и подключить C2 к контактам 1 и 8, то мы можем увеличить коэффициент усиления до 200
Важно понимать, что увеличение коэффициента усиления не обеспечивает увеличение выходной мощности. Повышенное усиление используется только тогда, когда нужно увеличить очень слабый входной сигнал

Хотя можно построить хорошие усилители звука из дискретных транзисторов, но они все-таки не могут сравниться со многими доступными нам ИС аудиоусилителей. ИС предлагают множество преимуществ, включая высокую эффективность, высокий коэффициент усиления, низкий ток в режиме ожидания, небольшое количество компонентов, компактные размеры и, конечно же, невысокая стоимость.
Неудивительно, что микросхемы аудиоусилителей заменили дискретные транзисторы в большинстве бытовых электронных устройств. Хотя многие экспериментаторы избегают этих маленьких черных загадок, но я собираюсь раскрыть некоторые из их секретов и продемонстрировать, насколько легко ими пользоваться.

Наш первый усилитель показан на рисунке 1 и использует микросхему LM386. Усилитель LM386 теперь выпускается в 3-х вариантах; LM386-1, LM386-2, LM386-3 с уровнями выходной мощности 300, 500 и 700 милливатт соответственно. Тип, продаваемый американской компанией Radio Shack, — это LM386-1, который мы использовали в этой схеме. Возможно, наиболее уникальной особенностью является то, что он может работать при напряжении до 5 вольт и доступен в любой розничной сети Radio Shack.
Как и обычные операционные усилители, интегральные схемы аудио усилителя имеют инвертирующий и неинвертирующий вход. Входные сигналы обычно подаются на неинвертирующий вход, в то время как инвертирующий вход обычно заземляется. Из-за высокого коэффициента усиления усилителей на интегральных схемах, настоятельно рекомендуется изолировать от источника питания, чтобы предотвратить колебания.
В этой схеме R1 и C1 очень хорошо справляются с этой задачей. Резистор R3 регулирует усиление, а конденсатор C3 связывает выход с динамиком. Связь выходных конденсаторов является обязательной практически во всех конструкциях ИС аудиоусилителей.

Наша следующая микросхема — LM380, она также бывает двух видов; LM380-8 и LM380 с выходной мощностью 700 мВт и 2 Вт соответственно. На Рисунке 2 изображен LM380-8, а на Рисунке 3 — LM380. LM380-8 поставляется в корпусе с 8 выводами, и его базовая схема практически идентична LM380, за исключением другого вывода. LM380 поставляется в корпусе с 14 выводами, а выводы 3, 4, 5, 10, 11 и 13 подключены к земле и служат радиатором.

Опыт показал, что LM380 должен быть припаян непосредственно к печатной плате (без разъема IC), если он будет работать с номинальной выходной мощностью 2 Вт
Эта микросхема может сильно нагреваться, поэтому важно избавиться от лишнего тепла через контакты. Основными преимуществами микросхем серии LM380 являются более высокая выходная мощность, очень низкий уровень искажений и небольшое количество внешних компонентов
Независимо от того, какую громкость обеспечивает аудио-усилитель, все же есть те, кому требуется еще больше. В схеме на Рисунке 4 используется усилитель LM383 IC, который обеспечивает выходную мощность до 7 Вт для тех, кто хочет по-настоящему ощутить звук. LM383 поставляется в корпусе типа TO220 с 5 контактами, как показано на рисунке 4. Мой опыт работы с этой ИС показал, что от не должно постоянно отводиться тепло из-за высокого тока в режиме ожидания.



Если вы планируете использовать эту ИС, держите все компоненты как можно ближе к ИС и убедитесь, что ваш источник питания может обеспечивать ток до 1,3 ампер. Основным преимуществом этой интегральной схемы является ее выходная мощность 7 Вт, поэтому она используется во многих недорогих автомобильных радиоприемниках. Эта схема предлагает низкий уровень искажений и является реальной выгодой по сравнению с дискретными транзисторами.
Теперь должно быть очевидно, что микросхемы усилителей звука могут многое предложить нам в плане недорогих схем аудио-усилителей. Нам доступно множество других интегральных схем, и их спецификации можно легко получить, выполнив поиск во всемирной паутине.
Предыдущая запись NE555 схема: универсальные практические проекты
Следующая запись Что такое ресивер в составе домашнего кинотеатра
LM386 Часть 2
Ещё раз о покупке электронных комплектующих на Aliexpress. На этот раз LM386 в корпусе DIP8. Список сокращений: Кг (THD) — коэффициент гармоник ООС — отрицательная обратная связь ЗК — звуковая карта PC — персональный компьютер (англоязычное сокращение) 1. Покупка. После положительных результатов с модулями LM386 захотелось продолжить эксперименты. Были куплены 10 шт. LM386 в корпусе DIP8.

Микросхемы приехали. Вскоре состоялась проверка. Схема стенда — проще простого: всего-то надо подключить питание к выводам микросхемы и померить напряжение на выходе (вывод 5).

Если микросхема исправна, на 5-м выводе присутствует напряжение около половины питающего. Т.к. проверка выполнялась от 4В источника, на выходе ожидалось около 2В.
И тут сюрпрайз: +0,6В. Естественно, в стенде побывали все 10 штук микросхем. У всех — одинаковые симптомы. Сделал фото, открыл спор, через время получил обратно свой доллар.
Отзыв на али:
Дополнительная информация

2. Некоторые замечания о бракованных LM386.
Упрощённая схема LM386:

2.1. Резистор ООС между выводами 1 и 5 легко проверяется омметром: вместо 15 кОм было значение около 20 кОм.
2.2. Обозначение на корпусе: 18CXY LM386 M-82
— это БРАК!
Бракованные микросхемы отправились в мусорное ведро. На их замену с местном инет-магазине были куплены LM386 от производителя UTC. Фото не приводится, т.к. отсутствие полноценного макро объектива не позволяет отснять надписи на корпусе.
3. Продолжение экспериментов. Вновь прибывшие микросхемы также были проверены на стенде: +1,9В на выводе 5, т.е. всё ОК. Сопротивление резистора ООС — около 15 кОм, что вполне соответствует документации.
Спектр выходного сигнала. Условия замера: — питание 4В от LiIon аккумулятора через защитный диод Шоттки 1N5819
— экранированный корпус — оба входа закорочены на землю через 1 кОм

Если очень внимательно читать документацию на LM386, можно заметить, что входной сигнал подаётся на вывод 3 (неинвертирующий). Вывод 2 (инвертирующий вход), как правило, не используется.
Была собрана модель LM386 в симуляторе Multisim10. И проверены две схемы: — входной сигнал подаётся на вход 2 (инвертирующий)

— входной сигнал подаётся на вход 3 (неинвертирующий)

Можно заметить: Кг получился разный (0,28% и 0,44%). Было логично повторить замеры вживую.
Входной сигнал (10 мВ 1 кГц) — на вход 2 (инвертирующий):

Входной сигнал (10 мВ 1 кГц) — на вход 3 (неинвертирующий):

Выводы: — Кг по входам 2 и 3 примерно одинаковый, но при использовании входа 3 немного ниже — не всегда симуляторы дают адекватную оценку таких деликатных параметров, как Кг (THD)
4. Особенности питания LM386 от других источников.
Все замеры выше выполнены при использовании 4В источника (свежезаряженная LiIon аккумулятор, который при малых разрядных токах обеспечивает «чистое» питание 4,0..4,1В под нагрузкой). В цепи питания всегда присутствует защитный диод Шоттки 1N5819.
Падение напряжения на диоде около 0,2В никаким образом не влияет на работоспособность микросхемы.
Некоторые критики внимательные читатели могут заметить, что работоспособность LM386 гарантируется от 4В и выше. С этим никто не спорит.
Как обычно, хочется где-то съэкономить и\или упростить себе жизнь.
4.1. Питание от USB. Условия замера: — +5В подано через RC-фильтр (51 Ом и 47 мкФ) — использован только плюсовой провод от USB — входы закорочены на землю через резисторы 1 кОм

 На спектре появилась «расчёска». (
4.2. Питание от повербанка Условия замера: — +5В подано через RC-фильтр (51 Ом и 47 мкФ) — входы закорочены на землю через резисторы 1 кОм

 «Расчёска» также присутствует.
ВЫВОДЫ
: — покупать микросхемы необходимо у проверенных продавцов — использование LM386 предпочтительно от LiIon аккумулятора — в зависимости от задачи возможно использование входов 2 и 3 — Кг (THD) в пределах 0,1% при выходном напряжении 200 мВ (типичное значение чувствительности линейных входов звуковой аппаратуры и линейного входа ЗК)
Всем удачных разработок!
PS По незнанию в обзор были добавлены файлы .ovl По сути это текстовые файлы, которые создаёт и использует программа SpectraLab.
Объём этих файлов оказался настолько большим, что при попытке опубликовать обзор сайт выдал ошибку «Более 15000 символов». Поэтому пришлось удалить лишние строки кода из отчёта.
Для желающих скачать все исходные материалы данного обзора, ссылка на гуглодиск.
Более высокие частоты и больше возможностей
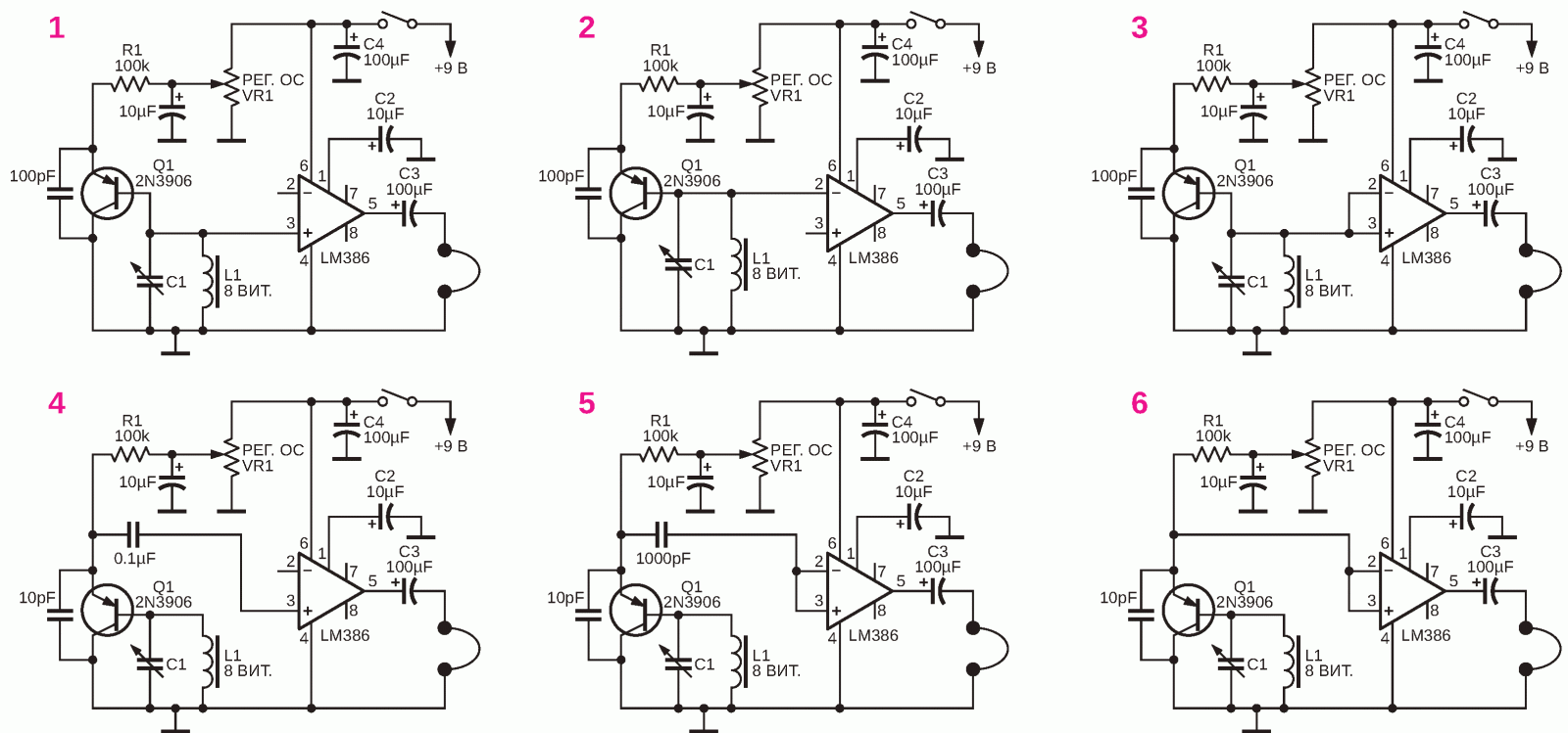
Использовать большое усиление LM386 и его способность выполнять функцию детектора огибающей на высоких частотах можно с помощью того, что, по сути, является однотранзисторным умножителем добротности. В последней группе схем, показанных на Рисунке 6, к схеме генератора Колпитца добавлен один транзистор, который в совокупности с высоким усилением LM386 и способностью к детектированию превращает микросхему в высококачественный регенеративный приемник. В схеме с катушкой на ферритовом стержне он способен генерировать на частотах, превышающих 14 МГц, и обеспечивать громкий звук при приеме мощных коммерческих коротковолновых станций. На схеме показан PNP транзистор общего назначения типа 2N3906, но с таким же успехом в ней можно использовать 2N2907 и 2N4403.
![]()  | 
|
| Рисунок 6. | Коротковолновые регенеративные приемники на основе LM386, использующие большое усиление микросхемы и способность детектирования огибающей радиочастотного сигнала.  | 
На схемах 1, 2 и 3 входы LM386 подключены непосредственно к контуру, а сам LM386 используется как радиочастотный детектор огибающей. В схеме 4 с относительно большой емкостью конденсатора связи LM386 используется одновременно как аудиоусилитель и детектор огибающей, где оба сигнала оказываются на эмиттере входного транзистора. В схеме 5 емкость входного конденсатора связи меньше, а LM386 работает детектором огибающей, который только детектирует радиочастотный сигнал, поступающий с эмиттера входного транзистора. Схема 6 работает как детектор огибающей и не имеет входного конденсатора связи; оба дифференциальных входа LM386 соединены с эмиттером. Это защищает LM386 от насыщения входным постоянным напряжением (порядка 0.6 В) с эмиттера транзистора.
При использовании контура с катушкой из 8 витков провода, намотанного на 3-дюймовый ферритовый стержень, и стандартного конденсатора переменной емкости для средневолнового диапазона схема 6 обеспечивает интервал перестройки приблизительно от 3.5 до 10.5 МГц, и таким образом, покрывает оба любительских диапазона 80 и 40 метров. При регулировке глубины положительной обратной связи происходит небольшой сдвиг частоты, что весьма полезно при приеме сигналов SSB, поскольку управление обратной связью может использоваться для тонкой настройки.
Схемы включения усилителя LM386
На рисунке ниже показано типовое включение микросхемы LM386 из datasheet. В данном случае коэффициент усиления схемы ограничено до 20, поскольку к выводам 1 и 8 не подключены внешние элементы.
Данный коэффициент усиления (20) обеспечивается внутренними резисторами обратной связи на 1,35 кОм (к выводам 8 и 1) и 15 кОм (к выводам 1 и 5). Параллельное подключение внешних резисторов к данным резисторам приводит к изменению коэффициента усиления.
Формула расчета коэффициента усиления
Без каких-либо внешних компонентов усиление составляет 20:
А = 2 × 15000 / (150 + 1350) = 20
Конденсатор, подключенный между контактами 1-8 микросхемы, позволяет игнорировать резистор на 1,35 кОм, и следовательно коэффициент усиления будет:
А = 2 × 15000/150 = 200
Выход микросхемы подключен к громкоговорителю с помощью конденсаторного фильтра, который обычно используется в линейных усилителях. Переменный резистор на входе используется для настройки желаемого уровня громкости.
Вторая схема показывает, как можно повысить коэффициент усиления выше базовой установки (20) вплоть до 200 путем добавления конденсатора к контактам 1 и 8 микросхемы. Емкость конденсатора не должна превышать 10 мкФ.
Подбор коэффициента усиления в диапазоне от 20 до 200 может быть осуществлен, в том числе и с применением переменного резистора на 4,7 кОм, подключенного последовательно с конденсатором.
Избыток смещения может быть уменьшен путем соединения неиспользуемого вывода резистора с землей. Однако все вопросы смещения отпадают если активный вход соединен через конденсатор.
В варианте с коэффициентом усиления 200, необходимо соединить вывод 7 с помощью конденсатора емкостью 0,1мкФ с минусом питания для поддержания стабильной работы и предотвращения нелинейных искажений.
Простой, но интересный усилитель басов может быть получен путем подключения цепи из резистора и конденсатора к выводам 1 и 5
Скачать datasheet LM386 (211,2 Kb, скачано: 3 639)
Статистика
Собираем усилитель 1W на LM386.
 Собираем усилитель 1W на LM386
В статье рассмотрен проект простого компактного и легкого для повторения усилителя на микросхеме LM386. Питание схемы осуществляется от однополярного источника питания, напряжение которого может лежать в пределах от 4 до 12 Вольт. Низкое потребление дает возможность применения данной схемы для конструирования аудио-устройств с питанием от батареек или малогабаритных аккумуляторов. Ток режима покоя составляет всего 4 мА.
При выборе LM386 внимательно смотрите с каким она индексом, микросхемы LM386N-1, -3, LM386M-1, LM386MM-1 имеют диапазон питающего напряжения 4. 12 Вольт, а у LM386N-4 питание может быть чуть выше: от 5 до 18 Вольт. Соответственно и мощность на выходе у них будет различна. Для справки смотрите таблицу электрических характеристик ниже:
Принципиальная схема усилителя 1W на микросхеме LM386 показана ниже:
Исходник печатной платы нам достался вот такой:
По этому рисунку была нарисована печатная плата в программе Sprint Layout. Расположение элементов на плате осталось неизменным, единственное отличие заключается в том, что мы не стали располагать на плате выключатель. При необходимости его всегда можно поставить в разрыв питающего провода, а место на плате немного экономится. Размер печатки получился 35 х 38 мм, фольгированный текстолит односторонний. Вид LAY формата платы следующий:
Фото-вид LAY формата:
Вторая версия печатной платы усилителя на LM386 LAY6 формата (размер 23 х 45 мм):
 Amp_LM386 ver2_LAY
 Amp_LM386 ver2_LAY_foto
Разговор пойдёт об очень распространённой интегральной схеме (ИС) звукового усилителя мощности LM386, производимой компанией National Semiconductor (сейчас полностью входит в состав Texas Instruments) .
Действительно, напряжение питания микросхемы может быть в пределах 4…12 В, а потребляемый ток покоя составляет всего 4 мА, что является идеальным для большинства аудиопроектов, получающих питание от батарей. Усилитель развивает выходную мощность 0,5 Вт при напряжении питания 9 В и сопротивлении нагрузки 8 Ом. Если добавить, что Кус. этой интегральной МС может быть легко выбран от 20 до 200 с помощью двух внешних элементов, а её выходное напряжение автоматически устанавливается равным половине напряжения питания, то станет ясно, почему в течение многих лет эта микросхема сохраняет популярность.
Заголовок проекта отражает сказанное – как микросхема, так и наборы на её основе чрезвычайно востребованы радиолюбителями, в этом смысле аудиоусилитель LM386 действительно чемпион. См., например,
Предлагаю ознакомиться с возможностями массовой микросхемы LM386 и предложить мои варианты её применения.
↑ Список источников
1. LM386 — Low Voltage Audio Power Amplifier . 2. Дайджест КВ+УКВ // Радиоаматор, 2009, №2, с. 56 (Как получить усиление 74 дБ от микросхемы LM386). 3. Мосягин В. Узконаправленный микрофон // Радио, 2002, №5, с. 54, 55. 4. Merryfield T. Super-Ear Audio Telescope // Everyday Practical Electronics, 2005, №6, p. 388 – 392. 5. Stewart J. The Big Ear // Nuts & Volts, 2008, №10, p. 34 – 39. 6. Фолкенберри Л. Применения операционных усилителей и линейных ИС. – М.: Мир, 1985. 572 с. (с. 250 — 254). 7. Дайджест (Тест микрофонного эффекта конденсаторов) // Радиохобби, 2000, №5, с. 25. 8. Большая статья о маленьком усилителе на микросхеме TDA2822M. Датагорская статья. 9. Справочник. Микросхема УМЗЧ LA4525. Микросхема УМЗЧ LA4534M // Радиоконструктор, 2008, №9, с. 20 — 22. 10. Мосягин В.В. Юному радиолюбителю для прочтения с паяльником. (Серия «СОЛОН – радиолюбителям», выпуск 17). – М.: СОЛОН – Пресс, 2003. – 208 с. 11. Мосягин В.В. Секреты радиолюбительского мастерства. (Серия «СОЛОН – радиолюбителям) – М.: СОЛОН – Пресс, 2005. – 216 с.
Усилитель звука на микросхеме LM386-1 с усилением 74 dB
В приведена схема интегрального усилителя в несколько необычном включении, позволяющем получить от микросхемы LM386-1 усиление до 74 dB. Схема – несложная, видимо, поэтому к ней отдельно не разрабатывается печатная плата, тем более что конструкторы встраивают такой усилитель в свои конструкции, где монтаж производится с другими деталями на общей плате.

Схема усилителя приведена на рис. 1. Его усиление меняется дискретно путём установки на место Rx резистора сопротивлением из таблицы 1, напротив значения сопротивления резистора приведено значение, получаемого, при этом, усиления.
Все резисторы усилителя мощностью рассеяния 0,125 Вт, неполярный конденсатор С3 – типа К10-17 или аналогичный импортный, полярные конденсаторы К50-16, К50-35 или аналогичные импортные 100 мкФ х 16 В. Динамическая головка ВА1 – с сопротивлением обмотки 8 Ом.
Монтажная плата, на которой собран усилитель, имеет размеры 32,5×22,5 мм и выполнена из фольгированного стеклотекстолита толщиной 1,0…1,5 мм (рис. 2). Если УЗЧ будет эксплуатироваться в условиях сильных РЧ наводок (обычная ситуация у радиолюбителя – коротковолновика), целесообразнее выполнить усилитель на плате из материала, фольгированного с двух сторон.

 При этом фольга со стороны расположения деталей является экраном и соединяется с общим проводом усилителя. Для исключения замыкания выводов деталей, не соединённых с общим проводом, отверстия со стороны расположения деталей на плате зенкуются. Диаметр отверстий под выводы деталей – 0,6…0,7 мм, зенковка производится сверлом большего диаметра (2…7 мм).
По углам платы имеются отверстия для крепления платы к корпусу, например, приёмника, причём, совсем не обязательно крепить её винтами, можно просто припаять плату с помощью отрезков жёсткого лужёного провода, в этом случае, целесообразно диаметр отверстий для крепления делать не более 1 мм. Отрезки провода для крепления платы припаиваются к её общему проводу.
Поскольку микросхема включена по схеме с повышенным коэффициентом усиления, целесообразно (если входной сигнал подаётся через провод длиной более 5…10 см), экранировать провод, припаяв его оплётку с двух сторон к фольге общего провода платы, как показано на рис. 3.
Несмотря на то, что микросхема LM386-1 обладает повышенным уровнем собственных шумов, её очень часто используют конструкторы в своих разработках из-за малого количества сопутствующих деталей для получения полноценного усилителя, но коэффициент усиления такого усилителя в предлагаемых стандартных схемах включения составляет от 20 до 200 раз (26…46 dB) – возможно, такой, заложенный в ИМС коэффициент усиления и призван маскировать её собственный шум, но конструкторы, в частности JF10ZL, решили, всё-таки, “разогнать” усиление ИМС до 70.. .74 dB (3000…5000 раз).

При максимальном усилении (74 dB) отмечается склонность усилителя к самовозбуждению и, хоть это зависит от экземпляра микросхемы, УЗЧ становится капризным к изменениям напряжения питания, повышенному внутреннему сопротивлению источника питания. При использовании ИМС в предельном по усилению режиме, желательно либо стабилизировать напряжение питания УЗЧ (при сетевом питании), либо использовать свежие гальванические батареи (при автономном использовании усилителя).
Полезным будет и увеличение ёмкости блокировочных конденсаторов по напряжению питания (С5, С6). Часто встаёт вопрос: чем отличаются микросхемы с маркировками (LM)386N, (LM)386N-1, (LM)386N-3, (LM)386N-4? Первая – более старая версия второй, которая работает при низких напряжениях питания (4…12 В) – данные на неё приводятся при напряжении питания 6 В, номинальное напряжение питания для третьей – 9 В, четвёртая работает при более высоких напряжениях (5…18 В), номинальное напряжение питания 16 В и номинальное сопротивление нагрузки для неё составляет 32 Ом, для предыдущих – 8 Ом.
↑ Универсальный усилитель на ИС LM386
Показанная на рис. 11 схема универсального УМЗЧ на ИС LM386 открывает простор для творчества, поскольку предоставляет готовый функциональный узел для широкого спектра применений (см. табл. 3). Исключён фрагмент. Полный вариант статьи доступен меценатам и полноправным членам сообщества. Читай условия доступа.
Рис. 11. Универсальный усилитель на ИС LM386

↑ Детали универсального усилителя и монтажная плата
Применены резисторы типа МЛТ, МОН, С2-33Н мощностью 0,25 или 0,125 Вт. Конденсаторы керамические КМ-5, КМ-6, К10-17, К10-47, а также плёночные К73-9, К73-17 или К73-24; оксидные конденсаторы К50-35. Динамическая головка – широкополосная, с сопротивлением 8 Ом, мощностью 0,5…3 Вт, например 1ГДШ-6-8. Все детали могут быть заменены импортными аналогами. Детали
DA1 – Микросхема LM386N (L), корпус DIP8-300 – 1 шт., SCS-8 Розетка dip узкая – 1 шт., R1 – Рез.-0,25W-4,7 кОм (Жёлтый, фиолетовый, красный, золотистый) – 1 шт., R2 – Рез.-0,25W-10 кОм (Коричневый, чёрный, оранжевый, золотистый) – 1 шт., R3 – Рез.-0,25W-680 Ом (Голубой, серый, коричневый, золотистый) – 1 шт., R4 – Рез.-0,25W-300 Ом (Оранжевый, чёрный, коричневый, золотистый) – 1 шт., R5 – Рез.-0,25W-160 Ом (Коричневый, голубой, коричневый, золотистый) – 1 шт., R6 – Рез.-0,25W-51 Ом (Зелёный, коричневый, чёрный, золотистый) – 1 шт., R7 – Рез.-0,25W-47 Ом (Жёлтый, фиолетовый, чёрный, золотистый) – 1 шт., R8 – Рез.-0,25W-15 Ом (Коричневый, зелёный, чёрный, золотистый) – 1 шт., R9 – Рез.-0,25W-4,7 Ом (Жёлтый, фиолетовый, золотистый, золотистый) – 1 шт., R10 – Рез.-0,25W-10 Ом (Коричневый, чёрный, чёрный, золотистый) – 1 шт., R – Переменный резистор 10 кОм под гайку СП3-4ам – 1 шт., C1 – Конд.X7R 0,22 мкФ керам.имп (EIA Code 224); К10-17 б-Н90-10% 0,22 мкФ – 1 шт., C2 – Конд.X7R 1000пФ керам.имп (102); КМ-6 б- 1000 пФ – 1 шт., C3, C4 – Конд.10/16V 0511 +105С – 1 шт., C5, C9 – Конд.X7R 0,047 мкФ керам.имп (473); К10-17-1а-Н90 0,047 мкФ – 2 шт., C7 – Конд.X7R 0,033 мкФ керам.имп (333); К10-47-100В 0,033 мкФ – 1 шт., C6, C8, C10 – Конд.220/16V 0611 +85°C – 3 шт., J1…J9 – Вилка на плату PLS-2 – 9 шт., Печатная плата 75Ч25 мм – 1 шт.
На рис. 12 показана монтажная плата усилителя.

Рис. 12. Монтажная плата универсального УМЗЧ на LM386
Для экспериментов с усилителем подходит лабораторный источник питания на основе аккумуляторной батареи .
Корпус / Упаковка / Маркировка
| LM386M-1 | LM386M-1/NOPB | LM386MMX-1/NOPB | LM386MX-1/NOPB | LM386N-1/NOPB | LM386N-3/NOPB | LM386N-4/NOPB | |
|---|---|---|---|---|---|---|---|
| Pin | 8 | 8 | 8 | 8 | 8 | 8 | 8 | 
| Package Type | D | D | DGK | D | P | P | P | 
| Industry STD Term | SOIC | SOIC | VSSOP | SOIC | PDIP | PDIP | PDIP | 
| JEDEC Code | R-PDSO-G | R-PDSO-G | R-PDSO-G | R-PDSO-G | R-PDIP-T | R-PDIP-T | R-PDIP-T | 
| Package QTY | 95 | 95 | 3500 | 2500 | 40 | 40 | 40 | 
| Carrier | TUBE | TUBE | LARGE T&R | LARGE T&R | TUBE | TUBE | TUBE | 
| Маркировка | M-1 | LM386 | Z86 | LM386 | 386N-1 | LM | LM | 
| Width (мм) | 3.91 | 3.91 | 3 | 3.91 | 6.35 | 6.35 | 6.35 | 
| Length (мм) | 4.9 | 4.9 | 3 | 4.9 | 9.81 | 9.81 | 9.81 | 
| Thickness (мм) | 1.58 | 1.58 | .97 | 1.58 | 3.9 | 3.9 | 3.9 | 
| Pitch (мм) | 1.27 | 1.27 | .65 | 1.27 | 2.54 | 2.54 | 2.54 | 
| Max Height (мм) | 1.75 | 1.75 | 1.07 | 1.75 | 5.08 | 5.08 | 5.08 | 
| Mechanical Data | 
Усилитель звука LM386: схема и функционирование
Принципиальная схема аудиоусилителя на базе LM386 показана на рис. 2. Он построен на основе популярного усилителя LM386 (IC1), 8-омного динамика, одного ватта (LS1), четырех конденсаторов и нескольких других компонентов. Батарея 6 В используется для питания этого проекта.

 Рис. 1: Авторский прототип аудиоусилителя на базе LM386
В этой схеме используются четыре электролитических конденсатора . C1 подключен к средней клемме 10k потметра VR1. C2 подключен к контактам 1 и 8 IC1. Вывод 5 IC1 является его выходной клеммой, которая подключена к громкоговорителям LS1-C3.
Посмотрите товары для изобретателей. Ссылка на магазин.
C4 подключен к положительной клемме батареи 6 В и заземлению. Положительная сторона 6 В соединена с контактом 6 микросхемы IC1, а другая сторона с клеммой заземления – с контактом 4.

 Рис. 2: Принципиальная схема аудиоусилителя на базе LM386
Инвертирующий вывод 2 IC1 подключен к земле, а неинвертирующий вывод 3 подключен к входной клемме через VR1. Аудио вход подается на CON1. VR1 используется для управления громкостью.
Datasheets
OrderNow ProductFolder Support &Community Tools &Software TechnicalDocuments LM386SNAS545C – MAY 2004 – REVISED MAY 2017 LM386 Low Voltage Audio Power Amplifier1 Features 3 Description The LM386M-1 and LM386MX-1 are power amplifiersdesigned for use in low voltage consumerapplications. The gain is internally set to 20 to keepexternal part count low, but the addition of an externalresistor and capacitor between pins 1 and 8 willincrease the gain to any value from 20 to 200. 1 Battery OperationMinimum External PartsWide Supply Voltage Range: 4 V–12 V or5 V–18 VLow Quiescent Current Drain: 4 mAVoltage Gains from 20 to 200Ground-Referenced InputSelf-Centering Output Quiescent VoltageLow Distortion: 0.2% (AV = 20, VS = 6 V, RL = 8 О,PO = 125 mW, f = 1 kHz)Available in 8-Pin MSOP Package The inputs are ground referenced while the output …
Простой приемник прямого усиления
Потенциал LM386 как радиоприемника был обнаружен несколько лет назад при исследовании аномального поведения в приемнике, который содержал одно из этих устройств. В процессе поиска неисправности было установлено, что LM386 действует как детектор огибающей высокочастотного сигнала с большим коэффициентом усиления, который можно использовать в качестве АМ-приемника, просто подключив к его входу резонансный контур. Оказалось, что, реализовав упомянутые ранее две особенности LM386, можно создать простой настраиваемый радиочастотный приемник, используя на входе стандартную средневолновую антенну, намотанную на ферритовом стержне. Несмотря на то, что чувствительность приемника не очень высока, он способен в городских условиях без внешней антенны принимать несколько местных станций. Схема этого приемника изображена на Рисунке 2.
![]()  | 
|
| Рисунок 2. | Микросхема LM386 может использоваться как настраиваемый радиочастотный приемник.  | 
Чего хорошего в этом усилителе
Существуют микросхемы аудио усилителей, работающие не хуже, чем этот проект. Однако в предлагаемой схеме использованы детали, которые всегда есть под рукой у большинства радиолюбителей. Усилитель работает в широком диапазоне напряжений питания, а его ток покоя легко изменить в соответствии с требованиями конкретного приложения.
Питание напряжением 9 В делает эту схему прекрасным усилителем для небольших проектов. При замене транзисторов на 2N4401 и 2N4403 получается усилитель, похожий на популярный LM386, однако с регулируемым током покоя и несоизмеримо меньшими искажениями на полной мощности.
Подключив электрогитару, я получил отличный репетиционный усилитель! При питании 18 В и с хорошими динамиками он звучит удивительно громко и чисто. Гитаре его усиления более чем достаточно. Для регулировки громкости параллельно входу я добавил резистор, подключив его движок через конденсатор 1 мкФ. Сопротивление этого потенциометра изменяет входной импеданс усилителя. Хорошо подойдет потенциометр 10 кОм с обратной логарифмической зависимостью характеристики.
Сердцевиной проекта является выходной каскад, а предварительный усилитель может быть и другим. Только не забывайте, что для получения максимальной мощности размах напряжения должен быть близок к шинам питания, так как выходной каскад не имеет усиления по напряжению.
LM386 схема усилителя — сведения о рабочих характеристик
Схема усилителя IC LM386 идеально подходит для применения в небольших аудио устройствах с низким энергопотреблением, таких как FM-радио, дверные звонки, телефоны и т.д.
Давайте начнем разговор об усилителя IC LM 386 с изучения его абсолютных максимальных номиналов, то есть параметров, которые не должны быть превышены при использовании этой IC в любой схеме:
LM386 — технические характеристики микросхемы
- Напряжение питания: от 4 В до макс. 15 В (типичное)
 - Входное напряжение: +/- 0,4 вольт
 - Температура хранения: от -65 градусов до + 150 градусов по Цельсию
 - Рабочая температура: от 0 до 70 градусов Цельсия
 - Выходная мощность: 1,25 Вт при нагрузке 8 Ом
 - Изготовитель ИС: National Semiconductor
 
Как контролировать усиление для микросхемы LM386
Чтобы улучшить отклик ИС, на ее выводах №1 и 8 имеется возможность регулировки усиления, которая может быть установлена снаружи. Когда вышеупомянутые выводы остаются не подключенными ни к чему, то внутренний резистор R6 1,35 кОм автоматически устанавливает усиление микросхемы на 20.
Если конденсатор подключается к вышеуказанным выводам, коэффициент усиления сразу повышается до 200. Коэффициент усиления можно просто настроить, подключив потенциометр последовательно с вышеупомянутым конденсатором через контакты 1 и 8.

↑ Другие варианты применения микросхемы LM386
↑ Усилитель на LM386 с гнездом для подключения наушников
На рис. 7 показан усилитель с возможностью подключения головных телефонов. На схеме входное напряжение от источника аудиосигнала подаётся через конденсатор С1, устраняющий постоянную составляющую на регулятор громкости R1.

Рис. 7. Усилитель с гнездом для подключения наушников
Второй конденсатор (С2), включённый между средним выводом R1 и неинвертирующим входом, в принципе не нужен, но такое схемотехническое решение устраняет шорохи при возможном плохом качестве переменного резистора, а также уменьшает смещение половинного напряжения на выходе усилителя.
Гнездо для подключения наушников включено через развязывающий конденсатор С5 таким образом, что при отсутствии штекера наушников подключён динамик ВА1, а при включении штекера – динамик отключается.
Назначение остальных элементов усилителя было рассмотрено выше. Коэффициент усиления по напряжению минимален (Ku=20).
↑ Переговорное устройство на LM386
Взяв за основу усилитель с максимальным коэффициентом усиления (рис. 2), можно получить простое переговорное устройство. Как видно из схемы, представленной на рис. 8, в неё добавлен выключатель питания и переключатель «Приём – передача», обеспечивающий попеременную работу динамических головок ВА1 и ВА2 в качестве микрофона или громкоговорителя.

Рис. 8. Переговорное устройство
Устройство позволяет организовать проводную связь между двумя абонентами. Дальность связи достигает нескольких сотен метров.
Область применения этой конструкции: связь между двумя абонентами, игры и т. п. Усилитель с динамической головкой ВА1 располагается на основном пункте связи, а другая динамическая головка – на удалённом пункте связи. Соединение основного и удалённого пунктов связи выполняют многожильным телефонным двухпроводным кабелем. Конструкция питается от батареи напряжением 9 В типа «Крона».
↑ Генератор синусоидальных сигналов с малыми искажениями на LM386
Этот же усилитель без больших затрат превращается в генератор синусоидальных сигналов с малым коэффициентом гармоник. Схема генератора с мостом Вина показана на рис. 9.

Рис. 9. Генератор синусоидальных сигналов с малыми искажениями
Напомним, что частота генератора определяется выражением:
fo=½Π√(R1R2C1C2)
Чаще всего выбирают R1=R2 и C1=C2, при этом выражение упрощается:
fo=½ΠR1C1
Вторым требованием является то, что коэффициент отрицательной обратной связи усилителя должен быть равен точно 1/3 . При указанных условиях в схеме возникают незатухающие колебания. Если этот коэффициент меньше 1/3, амплитуда колебаний будет быстро увеличиваться со временем, пока выходное напряжение не превратится в меандр.
Если коэффициент отрицательной обратной связи более 1/3, амплитуда колебаний через некоторое время будет стремиться к нулю. Ясно, что установить идеальное значение коэффициента можно, если применить систему автоматической регулировки амплитуды.
Для этого предусмотрена цепь отрицательной обратной связи R3, HL1, которая так воздействует на коэффициент усиления, чтобы амплитуда колебаний стабилизировалась при весьма малых нелинейных искажениях (порядка 0,05%).
Если выходное напряжение генератора по каким-либо причинам увеличивается, увеличится и ток через R3, а также напряжение на нелинейном элементе – лампе накаливания HL1. Нить лампы накаливания разогреется, и её сопротивление увеличится, что приведёт к уменьшению глубины отрицательной обратной связи и уменьшению напряжения на выходе генератора. При уменьшении выходного напряжения генератора процессы происходят в обратном направлении, в результате обеспечивается автоматическая стабилизация коэффициента усиления.
При указанных на принципиальной схеме значениях элементов частота генерируемых колебаний составляет 1 кГц, а амплитуда – около 2 В эфф.
↑ Генератор прямоугольных импульсов на LM386
Схема, показанная на рис. 10, представляет собой генератор сигналов прямоугольной формы.

Рис. 10. Генератор прямоугольных импульсов
Усилитель DA1 играет роль компаратора. Положительная обратная связь реализуется с помощью делителя R1, R2, подключённого к неинвертирующему входу усилителя. Коэффициент обратной связи Kос=R2/(R1+R2). В состав отрицательной обратной связи включена интегрирующая цепь R3, C1.
Период колебаний генератора для симметричных сигналов прямоугольной формы составляет:
T=2R3C1ln[(1+Kос)/(1-Kос)]
При Кос=0,462 формула упрощается:
Т=2R3C1, и частота f=½R3С1
Максимальная частота генерируемых схемой колебаний ограничена скоростью нарастания выходного напряжения усилителя DA1.
С какими проблемами я столкнулся
В этой схеме много усиления собрано в небольшом объеме и, что еще хуже, есть много тока, идущего через выходной каскад. Операционные усилители довольно хорошо подавляют обратную связь, создаваемую помехами по шинам питания и земли, но, тем не менее, эта обратная связь может создавать проблемы устойчивости. Провода от источника питания подключайте к схеме вблизи выходных транзисторов. Провод «земли» припаяйте возле точки соединения трех конденсаторов 10 мкФ и резистора 330 кОм
Обратите также внимание на входной фильтр 1 кОм/10 мкФ. Мощности, потребляемой усилителем, достаточно для небольшого проседания Vcc, и небольшая часть возникающей в связи с этим помехи, проникая на вход, приводит к генерации или, в моем случае, к загадочному падению входного импеданса
Небольшой RC фильтр эту обратную связь устраняет. Снизить усиление схемы вы можете, уменьшив сопротивления резисторов 33 кОм, или ограничившись только одним входным каскадом. Дополнительное усиление можно будет получить с помощью внешней схемы.
Помимо этого, вы можете столкнуться с проблемами устойчивости, связанными с выбором ОУ и транзисторов, о которых говорилось выше, поэтому было бы неплохо воспользоваться осциллографом и убедиться, что усилитель работает правильно.
Стабилизированный источник питания не является абсолютно необходимым для этой схемы, но, как минимум, нужно использовать конденсатор очень большой емкости, такой, как показанный на схеме конденсатор 2200 мкФ. Трехвыводной стабилизатор обеспечит некоторую дополнительную степень защиты транзисторов в случае короткого замыкания выхода на землю.
 






