Содержание
Технические характеристики
TDA2822M не требует для работы больших напряжений и обладает высоким коэффициентом усиления (до 41 дБ). Выходная мощность (PO) зависит он конфигурации системы и её электронной обвязки. Чаще всего для включения схемы используют номинальные для неё 9 В (иногда обычную крону). При таком питании можно получить заявленные производителем 1,0-1,4 Вт на стандартные 8-ми омные колонки, но с достаточно большими уровнями гармонических искажений в 10 % (TDA), не приемлемыми для прослушивания музыки.
При питании от 6 В на 8-ми омных динамиках можно получить до 300-380 мВт, но тоже с высокими TDA до 10 %. Некоторые радиолюбители заявляют о получении выходной мощностью в 2 Вт при питания в 12 В, но не учитывают работу устройства на предельных своих возможностей. В техническом описании (datasheet) данные о таких экстремальных режимах эксплуатации (с напряжением более 9 В), производителями не представлены. Приведем максимально возможные значения параметров.
Максимальные параметры
Абсолютные (предельно допустимые) значения параметров для TDA2822M:
- напряжение питания (VS) до 15 В;
- выходной ток (IO) до 1 А;
- рассеиваемая мощность (Ptot) до 1.4 Вт (при TCASE до 50 °C);
- диапазон рабочих температур (TA) от -20 до 70 °C;
- температура хранения (Tstg) от -40 до +150 °C.
Не стоит превышать предельно допустимые значения параметров. Это приведёт к появлению высоких искажений, сильному нагреву микросхемы и вероятности скорого выхода её строя. Для охлаждения можно использовать небольшой радиатор, хотя в большинстве случаев он не нужен.
Слушать музыку с искажениями — не самое приятное занятие. Для получения приемлемого качества звучания и уменьшение уровня TDA чаще всего уменьшают выходную мощность (PO). Например при работе усилителя в мостовом режиме, для уменьшения TDA до 0,2% в 8-ми омной нагрузке, необходимо снизить PO до 0,5 Вт.
Cхемы включения
Многие параметры зависят не только от напряжения питания но и от того, какая схема включения у TDA2822M. На рисунке представлены её два основных варианта применения. Слева для работы двух каналов (стерео), а справа в одноканальном (режим моста). Последний можно использовать, например, для подключения сабвуфера.

Электрические характеристики
Рассмотрим электрические характеристики TDA2822M из datasheet (на русском языке). Производители приводя их в отдельных таблицах для разных схем включения. Номинальное напряжение питания (VS) 6 В, если не указано иного. Температура устройства не должна превышать +25°C. Дополнительные режимы измерений указаны в отдельном столбце. Вот параметры при работе в режиме стерео.

Ниже представлены электрические параметры при работе устройства в мостовой схеме. Рабочая температура и номинальное напряжение такие же, как и при включении в стерео режиме.

Аналоги
У TDA2822M есть современный аналог от южнокорейской компании Samsung — микросхема КА2209. Чаще всего именно её предлагают как альтернативу. Из импортных устройств также можно рекомендовать NJM2073. Из отечественных, идентичной по параметрам считается 174УН22, и более старые 174УН34 и 174УН31, но они уже давно не выпускаются.
Datasheet Download — ST Microelectronics
| Номер произв | TDA2822M | ||
| Описание | DUAL LOW-VOLTAGE POWER AMPLIFIER | ||
| Производители | ST Microelectronics | ||
| логотип | |||
|
1Page
TDA2822M DUAL LOW-VOLTAGE POWER AMPLIFIER . SUPPLY VOLTAGE DOWN TO 1.8V . LOW CROSSOVER DISTORSION . LOW QUIESCENT CURRENT . BRIDGE OR STEREO CONFIGURATION bsolete Product(s)DESCRIPTION — OThe TDA2822M is a monolithic integrated circuit in )8 lead Minidip package. It is intended for use as t(sdual audio power amplifier in portable cassette players and radios. Obsolete ProducPIN CONNECTION (Top view) MINIDIP ORDERING NUMBER : TDA2822M September 2003
TDA2822M ) — Obsolete Product(s)ABSOLUTE MAXIMUM RATINGS t(sSymbol cVs uIo rodPtot PTstg, Tj Parameter Total Power Dissipation at Tamb = 50 °C at Tcase = 50 °C Storage and Junction Temperature leteTHERMAL DATA soSymbol ObRth j-amb Parameter °C Unit °C/W Rth j-case Thermal Resistance Junction-pin (4) Max. 70 °C/W 2/11
TDA2822M ELECTRICAL CHARACTERISTICS (VS = 6V, Tamb = 25oC, unless otherwise specified) Symbol STEREO (test circuit of Figure 1) Vs Supply Voltage 1.8 15 V Vo Quiescent Output Voltage Vs = 3V 2.7 V Id Quiescent Drain Current 6 9 mA Ib Input Bias Current 100 nA Po Output Power (each channel) mW RL = 32Ω VS = 9V 300 VS = 6V 90 120 roduct(s)d Distortion (f = 1kHz) te PGv Closed Loop Voltage Gain le∆Gv Channel Balance soRi Input Resistance beN Total Input Noise — OSVR Supply Voltage Rejection )Cs Channel Separation t(sBRIDGE (test circuit of Figure 2) cVs Supply Voltage uId Quiescent Drain Current rodVos Output Offset Voltage (between the outputs) PIb Input Bias Current ObsoletePo Output Power (f = 1kHz, d = 10%) RL = 16Ω RL = 8Ω RL = 4Ω RL = 32Ω RL = 16Ω RL = 8Ω f = 1kHz VS = 4.5V VS = 3V VS = 2V VS = 6V VS = 9V VS = 6V VS = 6V VS = 4.5V VS = 3V Po = 40mW Po = 75mW Po = 150mW f = 1kHz Rs = 10kΩ B = Curve A B = 22Hz to 22kHz f = 100Hz, C1 = C2 = 100µF f = 1kHz RL = ∞ RL = 8Ω RL = 32Ω RL = 16Ω VS = 9V VS = 6V VS = 4.5V VS = 3V VS = 2V VS = 9V VS = 6V 60 ±1 100 kΩ µV µV dB ± 50 mV 100 VS = 3V 120 RL = 8Ω RL = 4Ω VS = 6V VS = 4.5V VS = 3V VS = 4.5V VS = 3V VS = 2V 900 1350 Po = 0.5W, RL = 8Ω, f = 1kHz 0.2 % Gv Closed Loop Voltage Gain f = 1kHz Ri Input Resistance f = 1kHz 100 kΩ eN Total Input Noise Rs = 10kΩ B = Curve A B = 22Hz to 22kHz 2.5 µV 3 µV SVR Supply Voltage Rejection |
|||
| Всего страниц | 11 Pages | ||
| Скачать PDF |
УСИЛИТЕЛЬ ЗВУКА ИЗ ТЕЛЕВИЗОРА
Выражение «Сизифов труд» познан ста процентами радиолюбителей. Для успеха нужен положительный исход десятка (даже больше) выполненных работ, для того чтобы весь труд пошёл на смарку хватит одной единственной незначительной оплошности. А так иногда хочется, чтобы что-то получилось, особенно начинающему любителю электроники, освоившему ещё не весь арсенал навыков и умений. Однако безвыходных положений не бывает. На платах ранее принадлежавшим каким-то электронным устройствам всегда можно найти нечто, что после некоторой незначительной доработки станет отдельным, исправно функционирующим устройством. Так на плате, некогда входившей в состав телевизионного приёмника можно найти звуковой усилитель.
Его и искать-то особо не нужно, сам «лезет в глаза». Микросхема TDA c, торчащим «гребешком» — радиатором охлаждения и соответствующей «обвязкой» из электронных компонентов. Перед тем как выпилить ножовкой по металлу нужный фрагмент текстолита с деталями необходимо в обязательном порядке добыть принципиальную схему.
Схема УНЧ на микросхеме TDA1013

Тщательно изучив интересующий объект, выпаять по периметру детали сопредельных узлов. Мало того, что они не нужны, они мешают.
И вот, наконец, нужное добыто. Осталось припаять несколько проводов. Чтобы понять каких и куда, находим паспорт той микросхемы TDA1013. Нужна схема подключения.

Смотрим и читаем даташит: Vp – плюс питания, от 10 до 40 вольт, оптимально надо 14; минус питания на общий провод (к нему подрисован значок «земля»); на место Vctr (напоминает схематичное изображение подстроечного конденсатора) нужно подобрать переменный резистор (100k, для регулировки громкости); Vi – вход усиливаемого звука (его значение от 44 до 69 mV); на выходе нарисован динамик. Добытые знания переносим на «бумагу» — дорисовываем первую схему. Это то, что должны будем иметь фактически. Пора включать паяльник.

Припаиваем всё необходимое, но перед этим не забываем подработать платку по периметру напильником.

Подсоединяем штатный (от разобранного телевизора) динамик, подключаем источник звука (любой, но помним про 44-69 mV), блок питания подойдёт на 12V и 100 mA (лучше конечно 14V).
Несколько УНЧ на ИМС серии TDA
| Юрий Баранов https://yooree.narod.ru Адрес Email — yooree (at) inbox.ru (замените (at) на @) |
Стереоусилитель 2х1 Вт
На рис. 1 приведена принципиальная схема стереофонического усилителя с выходной мощностью до 1 Вт на канал, собранного на одной интегральной микросхеме TDA7053 производства фирмы Philips в корпусе DIP-16, а также двух переменных резисторов, двух керамических и одного оксидного конденсаторов. Особенностью усилителя является наличие в каждом канале не одной, а двух динамических головок сопротивлением по 8 Ом. Здесь возможно использование самых распространенных головок 1ГД-40 старого производства или подобных по конструкции головок с эллиптическим диффузором, например 2ГДШ-2-8. Другой особенностью усилителя является то, что его выходы нигде не соединены с общим проводом питания. Это характерно для мостовых усилителей мощности с бесконденсаторным выходом.
Рис. 1. Принципиальная схема стереофонического УМЗЧ на ИМС TDA7053 с регуляторами громкости
Интегральная микросхема рассчитана на работу при напряжении питания 3-15 В и токе покоя около 5 мА. Минимальное сопротивление нагрузки — 8 Ом.
Такой усилитель удобно и экономично подключить к карманному плейеру и использовать для музыкального сопровождения. В этом случае целесообразно упростить конструкцию усилителя, убрав регуляторы громкости, поскольку они уже имеются в плейере. Измененная принципиальная схема усилителя приведена на рис. 2. Здесь на входе каждого канала установлен делитель напряжения из двух резисторов во избежание перегрузки усилителя. Сигналы снимаются с гнезда для внешнего телефона плейера с помощью двойного кабеля от стереофонического телефона, вышедшего из строя.
Рис. 2. Принципиальная схема стереофонического УМЗЧ на ИМС TDA7053 с нерегулируемыми входами
При повторении конструкций данных усилителей можно воспользоваться монтажными схемами и чертежами печатных плат, приведенными на рис. 3 и 4, а также рис. 5 и 6 соответственно.
Рис. 3. Монтажная схема УМЗЧ на ИМС TDA7053
Рис. 4. Печатная плата УМЗЧ на ИМС TDA7053
Рис. 5. Монтажная схема УМЗЧ на ИМС TDA7053 с нерегулируемыми входами
Рис. 6. Печатная плата УМЗЧ на ИМС TDA7053 с нерегулируемыми входами
Усилитель на выходную мощность до 5 Вт
На рис. 7 дана принципиальная схема самого простого, надежного, экономичного и широко распространенного в промышленной аппаратуре усилителя мощности звуковой частоты на отечественной интегральной микросхеме К174УН14, имеющей десятки аналогов за рубежом, среди которых самым популярным является ТДА2003. Микросхема предназначена для работы при напряжении источника питания 8-18 В и сопротивлении нагрузки не менее 2 Ом. При этом достигается равномерное усиление сигнала в полосе частот 30 Гц — 20 кГц, а ток покоя составляет 40-60 мА. Чувствительность усилителя — около 50 мВ. Микросхема снабжена собственным теплоотводом, допускающим работу с выходной мощностью не более 2 Вт. Для получения большей мощности обязательно требуется установка дополнительного пластинчатого либо ребристого или игольчатого теплоотвода.
Рис. 7. Принципиальная схема УМЗЧ на ИМС TDA2003
Большое усиление микросхемы требует принятия определенных мер по повышению стабильности и устойчивости ее работы. Это достигается двумя способами. Во-первых, для предотвращения самовозбуждения на высоких и ультравысоких частотах громкоговоритель шунтируется последовательно соединенными низкоомным постоянным резистором R4 типа С1-4 и керамическим конденсатором С6. Во-вторых, коэффициент усиления во всей полосе воспроизводимых частот стабилизирован за счет наличия на выходе усилителя делителя напряжения сигнала 1:100 и подачей с него напряжения отрицательной обратной связи на инвертирующий вход усилителя. Через оксидный конденсатор большой емкости С4 громкоговоритель подключен к выходу усилителя через стандартный акустический разъем и своим одним выводом соединен с общим проводом питания, то есть заземлен.
Калибровка и настройка
Для калибровки возьмите батарею 3В; Вы можете использовать два 1,5 В карандаша и положить их в батарейный отсек. Теперь подключите динамики к выходным разъемам LS1 и LS2, отмеченным на печатной плате. Установите ы VR1 и VR2 в их среднее положение. Возьмите металлическую отвертку и аккуратно коснитесь входного штырька 6 или 7 IC1. Вы должны услышать жужжащий звук из левой и правой колонок, когда отвертка коснется левого и правого входов соответственно. Медленно настраивайте VR1 по часовой стрелке, пока не услышите громкий гудящий звук из левого динамика. Аналогичным образом настройте VR2 для правого динамика. Теперь ваш стереоусилитель работает и готов к использованию!
Загрузите PDF-файлы для печатных плат и компонентов: нажмите здесьelectronicsforu.com
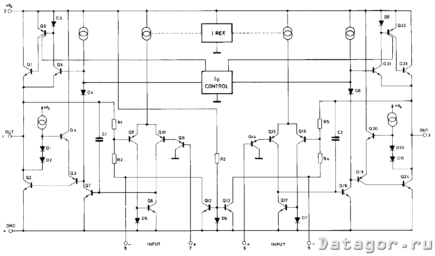
↑ Функциональная схема TDA2822M
приведена в документации . Как видно из рис. 1, каждый канал усилителя по структуре близок к типовой схеме Лина. Усилители имеют общие функциональные узлы: цепи задания опорного тока I REF для генераторов стабильного тока (ГСТ) в цепях эмиттеров дифференциальных каскадов, цепь задания смещения R3, D6 на базах ключей Q12, Q13 и цепи поддержания токов покоя I0 CONTROL выходных каскадов усилителя.
Данное решение способствует улучшению стабильности работы усилителя в мостовом режиме. Каждый канал усилителя состоит из дифференциального каскада Q9…Q11 (Q14…Q16), усилителя напряжения Q7 (Q18) и выходного каскада Q1…Q6 (Q18…Q24).

Рис. 1. Функциональная схема TDA2822M из Datasheet
Дифференциальный каскад имеет динамическую нагрузку в виде токового зеркала на элементах Q8, D5 (Q17, D6).
Исключён фрагмент. Полный вариант статьи доступен меценатам и полноправным членам сообщества. Читай условия доступа.
Обратите внимание, что другие цепи встроенной защиты выходного каскада отсутствуют, что сделано из соображений лучшего использования источника питания, к сожалению, в ущерб надежности. Выводы 5 и 8 микросхемы соединяются с общим проводом по переменному току
В этом случае коэффициент передачи усилителя с отрицательной обратной связью составит:
Выводы 5 и 8 микросхемы соединяются с общим проводом по переменному току. В этом случае коэффициент передачи усилителя с отрицательной обратной связью составит:
Ku=20lg(1+R1/R2)= 20lg(1+R5/R4)=39 дБ.
Структурная схема ИС представлена на рис. 2.

Рис. 2. Структурная схема TDA2822M
Экспериментально определено, что сумма сопротивлений резисторов R1+R2 и R5+R4 равна 51,575 кОм. Зная коэффициент усиления, несложно вычислить, что R1=R5=51 кОм, а R2=R4=0,575 кОм.
Чтобы уменьшить коэффициент усиления микросхемы с ООС, обычно последовательно с R2 (R4) включают дополнительный резистор. В данном случае такому схемотехническому приему «мешают» открытые транзисторные ключи на транзисторах Q12 (Q13).
Но даже, если предположить, что ключи не оказывают влияния на коэффициент передачи с обратной связью, маневр по уменьшению коэффициента усиления незначителен – не более 3 дБ; в противном случае не гарантируется устойчивость усилителя, охваченного ООС.
Поэтому можно поэкспериментировать с изменением коэффициента передачи усилителя, учтя, что сопротивление дополнительного резистора лежит в пределах 100…240 Ом.
TDA8567q 4х25 Вт
Мостовой усилитель класса Hi – Fi на четыре канала. Открыть в полном размере
Есть защита от короткого замыкания выходного каскада и термозащита с уменьшением выходной мощности при перегреве. А еще микросхема обладает защитой от колебаний напряжения и режимом отключения. Еще данная микросхема обладает режимом вкл/выкл входного сигнала(режим Mute), и защитой при подаче напряжения на схему от «щелчка».
Характеристики микросхемы
| Параметр | Значение |
| Uпит | 6-18 В |
| Iвых | 7,5 А |
| Iпокоя | 230 мА |
| Pвых | 4х25 Вт |
| Rвх | 30 кОм |
| Коэффициент усиления | 26 дБ |
| Полоса частот | 20-20000 Гц |
| Коэффициент гармоник | 0,05 % |
| Rнагр | 4 Ом |
Назначение выводов
| Номер вывода | Назначение |
| 1 | Напряжение питания |
| 2 | Выход 1+ |
| 3 | Общий |
| 4 | Выход 1- |
| 5 | Выход 2- |
| 6 | Общий |
| 7 | Выход 2+ |
| 8 | Напряжение питания |
| 9 | Диагностика |
| 10 | Вход 1 |
| 11 | Вход 2 |
| 12 | Общий сигнальный |
| 13 | Вход 3 |
| 14 | Вход 4 |
| 15 | Выбор режима |
| 16 | Напряжение питания |
| 17 | Выход 3+ |
| 18 | Общий |
| 19 | Выход 3- |
| 20 | Выход 4- |
| 21 | Общий |
| 22 | Выход 4+ |
| 23 | Напряжение питания |
Схема стереоусилителя: двухканальный усилитель мощности НЧ TDA2822
Схема стереоусилителя на популярной ИС TDA2822. Данный чип считается одним из самых распространенных категорий двухканальных стерео усилителейhttps://usilitelstabo.ru/hi-fi-stereo-usilitel-dlya-naushnikov.html, которые отлично подходит для установки в устройствах с незначительным значением звукового сигнала в выходном тракте, например в стереоусилителе.
Эта ИС обладает определенными свойствами, таких как доступность выбора 16-ти выводного DIP-корпуса с малым уровнем пересекающихся искажений и с достаточно небольшим током покоя. TDA2822 предназначена для работы с питающим напряжением в пределах от 3v до 15v.
Распространенные сферы использования этой микросхемы достаточно широки, например: компактные аудио устройства, предварительные усилители, портативные радио системы, приборы для усиления слухового звука, прибор для головных устройств и так далее. Схема стереоусилителя собранного с применением TDA2822 гарантирует отдачу в нагрузку общую выходную мощность в пределах 1,3 Вт.
Такой аппарат способен обеспечить мощность на выходе 0,65 Вт, каждого из двух каналов при сопротивлении нагрузки 4 Ом и питающем напряжении 6v в стерео-режиме и 1,35 Вт на нагрузку соединенной по мостовой схеме с сопротивлением 4 Ом.
Двухканальный стереоусилитель мощности НЧ TDA2822 в роли предварительного усилителя, это пожалуй наилучший выбор для создания качественного звука в каскадах предварительного стерео усиления. Структура данного чипа выполнена с двумя входными трактами и соответственно двумя выходными.
Интегральная схема прекрасно обеспечивает абсолютно тихую работу устройства. Динамические излучатели способны эффективно работать непосредственно с выходов микросхемы, подключенных через разделительные конденсаторы. Здесь показана структурная схема TDA2822 с обозначением выводов.

Принципиальная схема стереоусилителя собранного на TDA2822
ИС TDA2822 — спаренный низкочастотный усилитель, представлен ниже. Входной сигнал с левого канала УНЧ подается на вывод 1 микросхемы, который представляет собой неинвертирующий вход 1 фазы интегрированного усилителя, а сигнал с входа правого канала поступает на неинвертирующим вывод 16, являющейся входом 2-го канала интегрированного усилителя.

Первый и 16 выводы микросхемы соединены с корпусом (GND) через резистор R3 10k и R4 10k соответственно. В цепи выводов 3 и 14 установлены электролитические конденсаторы фильтров С5 100uF и C6 100uF соответственно. Выходные цепи обоих каналов 6 и 11, также обеспечены емкостными фильтрами C1 1000uF и C2 1000uF и развязывающими цепочками C3 0.1uF — C4 0.1uF.
Принципиальная схема стерео усилителя на TDA2822 включенного в мостовой режим
Для удвоения мощности на выходе усилителя используют схему мостового подключения нагрузки, то есть как изображено на представленном ниже рисунке.

Технические характеристики усилителя:
Предыдущая запись Ионистор вместо аккумулятора: наглядная сборка накопителя энергии
Следующая запись Светодиодный дисплей для информационного цифрового табло
УНЧ НА TDA7384
Интегральная специализированная микросхема TDA7384 является квадрофоническим усилителем мощности низкой частоты. Выходная мощность, по словам производителя, доходит до 40 ватт на канал. К сожалению это не совсем правильные данные, если конечно микросхема питается от 12 вольт, по закону Ома в реальности она дает 18-20 ватт на нагрузку 4Ом и до 36 ватт на нагрузку 2Ом.
Цоколёвка микросхемы

Микросхема TDA7384 активно используется в автомагнитолах, обеспечивает весьма неплохое звучание. Внутри микросхемы стандартный транзисторный усилитель, выходные каскады которых работают в режиме АВ, поэтому качество звука достаточно качественное до тех пор, пока превышается номинальное напряжение входного сигнала. Это напряжение не должно превышать 3 вольта, берется от предварительного усилителя автомагнитолы. Кстати, микросхемы TDA7384, TDA7386, TDA7385, TDA7383, TDA7381 имеют одинаковую схему подключения и отличаются лишь выходной мощностью.
Типовая принципиальная схема усилителя на TDA7384

На некоторых форумах можно прочесть негативные отзывы о микросхеме, в частности то, что микросхема имеет плохие показатели, греется сильно, звук обрывистый, много хрипов и шумов. Лично делал много усилителей на этой микросхеме и ничего подобного не замечал, просто нужно уметь правильно обращаться с микросхемами такого рода.

Во время пайки установите микросхему на теплоотвод, это не даст ее перегреваться, также спасает от статического воздействия. Важным моментом является, фильтрационная часть именно от правильного фильтра по питанию зависит дальнейшая работа усилителя.

Дроссель — предназначен для частичного подавления высокочастотных сетевых помех. Полностью гасить ВЧ шумы, по крайней мере, одним дросселем, к сожалению, нам не удастся, поэтому иногда используют два дросселя. Электролитические конденсаторы берите с большой емкостью, они играют важную роль для стабилизации напряжения и подавления низкочастотных помех.

Микросхема TDA7384 имеет режимы Standby и Mute (режим сна и отключения звука соответственно). Усилитель также имеет функцию Rem.

Входные провода следует использовать экранированные, это не даст звуковому сигналу портиться до входа в микросхему. В данном случае монтаж выполнен на монтажной плате сделанной по технологии ЛУТ.
Originally posted 2019-01-06 04:18:19. Republished by Blog Post Promoter
УСИЛИТЕЛЬ ЗВУКА ИЗ ТЕЛЕВИЗОРА
Выражение «Сизифов труд» познан ста процентами радиолюбителей. Для успеха нужен положительный исход десятка (даже больше) выполненных работ, для того чтобы весь труд пошёл на смарку хватит одной единственной незначительной оплошности. А так иногда хочется, чтобы что-то получилось, особенно начинающему любителю электроники, освоившему ещё не весь арсенал навыков и умений. Однако безвыходных положений не бывает. На платах ранее принадлежавшим каким-то электронным устройствам всегда можно найти нечто, что после некоторой незначительной доработки станет отдельным, исправно функционирующим устройством. Так на плате, некогда входившей в состав телевизионного приёмника можно найти звуковой усилитель.
Его и искать-то особо не нужно, сам «лезет в глаза». Микросхема TDA c, торчащим «гребешком» — радиатором охлаждения и соответствующей «обвязкой» из электронных компонентов. Перед тем как выпилить ножовкой по металлу нужный фрагмент текстолита с деталями необходимо в обязательном порядке добыть принципиальную схему.
Технические характеристики
TDA2822M не требует для работы больших напряжений и обладает высоким коэффициентом усиления (до 41 дБ). Выходная мощность (PO) зависит он конфигурации системы и её электронной обвязки. Чаще всего для включения схемы используют номинальные для неё 9 В (иногда обычную крону). При таком питании можно получить заявленные производителем 1,0-1,4 Вт на стандартные 8-ми омные колонки, но с достаточно большими уровнями гармонических искажений в 10 % (TDA), не приемлемыми для прослушивания музыки.
При питании от 6 В на 8-ми омных динамиках можно получить до 300-380 мВт, но тоже с высокими TDA до 10 %. Некоторые радиолюбители заявляют о получении выходной мощностью в 2 Вт при питания в 12 В, но не учитывают работу устройства на предельных своих возможностей. В техническом описании (datasheet) данные о таких экстремальных режимах эксплуатации (с напряжением более 9 В), производителями не представлены. Приведем максимально возможные значения параметров.
Максимальные параметры
Абсолютные (предельно допустимые) значения параметров для TDA2822M:
- напряжение питания (VS) до 15 В;
- выходной ток (IO) до 1 А;
- рассеиваемая мощность (Ptot) до 1.4 Вт (при TCASE до 50 °C);
- диапазон рабочих температур (TA) от -20 до 70 °C;
- температура хранения (Tstg) от -40 до +150 °C.
Не стоит превышать предельно допустимые значения параметров. Это приведёт к появлению высоких искажений, сильному нагреву микросхемы и вероятности скорого выхода её строя. Для охлаждения можно использовать небольшой радиатор, хотя в большинстве случаев он не нужен.
Слушать музыку с искажениями — не самое приятное занятие. Для получения приемлемого качества звучания и уменьшение уровня TDA чаще всего уменьшают выходную мощность (PO). Например при работе усилителя в мостовом режиме, для уменьшения TDA до 0,2% в 8-ми омной нагрузке, необходимо снизить PO до 0,5 Вт.
Cхемы включения
Многие параметры зависят не только от напряжения питания но и от того, какая схема включения у TDA2822M. На рисунке представлены её два основных варианта применения. Слева для работы двух каналов (стерео), а справа в одноканальном (режим моста). Последний можно использовать, например, для подключения сабвуфера.

Электрические характеристики
Рассмотрим электрические характеристики TDA2822M из datasheet (на русском языке). Производители приводя их в отдельных таблицах для разных схем включения. Номинальное напряжение питания (VS) 6 В, если не указано иного. Температура устройства не должна превышать +25°C. Дополнительные режимы измерений указаны в отдельном столбце. Вот параметры при работе в режиме стерео.

Ниже представлены электрические параметры при работе устройства в мостовой схеме. Рабочая температура и номинальное напряжение такие же, как и при включении в стерео режиме.

Аналоги
У TDA2822M есть современный аналог от южнокорейской компании Samsung — микросхема КА2209. Чаще всего именно её предлагают как альтернативу. Из импортных устройств также можно рекомендовать NJM2073. Из отечественных, идентичной по параметрам считается 174УН22, и более старые 174УН34 и 174УН31, но они уже давно не выпускаются.
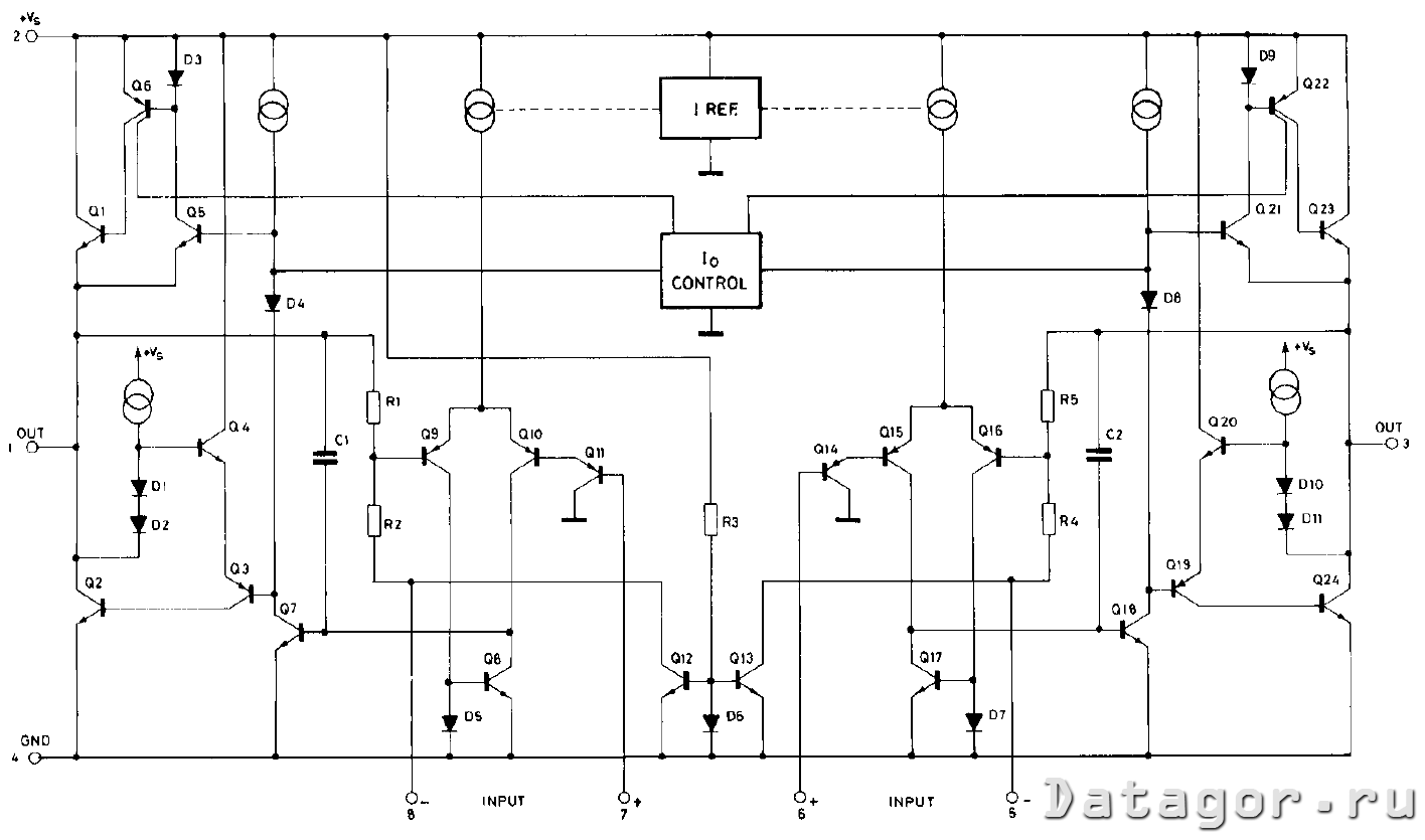
↑ Функциональная схема TDA2822M
приведена в документации . Как видно из рис. 1, каждый канал усилителя по структуре близок к типовой схеме Лина. Усилители имеют общие функциональные узлы: цепи задания опорного тока I REF для генераторов стабильного тока (ГСТ) в цепях эмиттеров дифференциальных каскадов, цепь задания смещения R3, D6 на базах ключей Q12, Q13 и цепи поддержания токов покоя I0 CONTROL выходных каскадов усилителя.
Данное решение способствует улучшению стабильности работы усилителя в мостовом режиме. Каждый канал усилителя состоит из дифференциального каскада Q9…Q11 (Q14…Q16), усилителя напряжения Q7 (Q18) и выходного каскада Q1…Q6 (Q18…Q24).

Рис. 1. Функциональная схема TDA2822M из Datasheet
Дифференциальный каскад имеет динамическую нагрузку в виде токового зеркала на элементах Q8, D5 (Q17, D6).
Исключён фрагмент. Полный вариант статьи доступен меценатам и полноправным членам сообщества. Читай условия доступа.
Обратите внимание, что другие цепи встроенной защиты выходного каскада отсутствуют, что сделано из соображений лучшего использования источника питания, к сожалению, в ущерб надежности. Выводы 5 и 8 микросхемы соединяются с общим проводом по переменному току
В этом случае коэффициент передачи усилителя с отрицательной обратной связью составит:
Выводы 5 и 8 микросхемы соединяются с общим проводом по переменному току. В этом случае коэффициент передачи усилителя с отрицательной обратной связью составит:
Ku=20lg(1+R1/R2)= 20lg(1+R5/R4)=39 дБ.
Структурная схема ИС представлена на рис. 2.

Рис. 2. Структурная схема TDA2822M
Экспериментально определено, что сумма сопротивлений резисторов R1+R2 и R5+R4 равна 51,575 кОм. Зная коэффициент усиления, несложно вычислить, что R1=R5=51 кОм, а R2=R4=0,575 кОм.
Чтобы уменьшить коэффициент усиления микросхемы с ООС, обычно последовательно с R2 (R4) включают дополнительный резистор. В данном случае такому схемотехническому приему «мешают» открытые транзисторные ключи на транзисторах Q12 (Q13).
Но даже, если предположить, что ключи не оказывают влияния на коэффициент передачи с обратной связью, маневр по уменьшению коэффициента усиления незначителен – не более 3 дБ; в противном случае не гарантируется устойчивость усилителя, охваченного ООС.
Поэтому можно поэкспериментировать с изменением коэффициента передачи усилителя, учтя, что сопротивление дополнительного резистора лежит в пределах 100…240 Ом.
Опыты с мостовым усилителем
проводились по схемам, показанным на рис. 10 и 12. На рис. 10 приведена схема экспериментального мостового усилителя.
Исключён фрагмент. Полный вариант статьи доступен только полноправным членам сообщества и подписчикам.Пожалуйста, ознакомьтесь с условиями доступа.
Рис. 10. Принципиальная схема экспериментального мостового усилителя
В отличие от схемы стереофонического усилителя (рис. 3), в которой предполагается, что разделительные конденсаторы имеются на выходе предыдущего устройства, на входе мостового усилителя включен разделительный конденсатор, определяющий нижнюю частоту, воспроизводимую усилителем.
В зависимости от конкретного применения емкость конденсатора С1 может быть от 0,1 мкФ (fн = 180 Гц) до 0,68 мкФ (fн = 25 Гц) и более. При емкости С1, указанной на принципиальной схеме нижняя частота воспроизводимых частот составляет 80 Гц.
Внутренние резисторы, подключенные к инвертирующим входам усилителя через разделительный конденсатор С2 соединены между собой, что обеспечивает на выходах равные по величине, но противоположные по фазе сигналы.
Конденсатор С3 осуществляет коррекцию частотной характеристики усилителя на высоких частотах.
Поскольку потенциалы выходов усилителя по постоянному току равны, стало возможным непосредственное подключение нагрузки, без разделительных конденсаторов.
Назначение остальных элементов описывалось ранее.
Для стереофонического варианта потребуется два мостовых усилителя на микросхеме TDA2822M. Схему включения несложно получить, взяв за основу рис. 4.
Надежная работа усилителя в мостовом режиме обеспечивается выбором соответствующего напряжения питания в зависимости от сопротивления нагрузки (см. таблицу).
Все детали мостового усилителя размещены на печатной плате размерами 32 х 38 мм из односторонне фольгированного стеклотекстолита толщиной 2 мм. Чертеж возможного варианта платы изображен на рис. 11.
Рис. 11. Размещение элементов на плате мостового усилителя
DA1 — TDA2822M ST Корпус: DIP8-300 — 1 шт. SCS-8 Розетка dip узкая — 1 шт.,R1 — Рез.-0,25-10к (Коричневый, черный, оранжевый, золотистый) — 1 шт.,R2, R3 — Рез.-0,25-4,7 Ом (Желтый, фиолетовый, золотистый, золотистый) — 2 шт.,С1 — Конд.0,22/63V К73-17 — 1 шт.,С2 — Конд.10/16V 0511 +105°C — 1 шт.,С3 — Конд.0,01/630V К73-17 — 1 шт.,С4 – С6 — Конд.0,1/63V К73-17 — 3 шт.,С7 — Конд.1000/16V 1021+105°C — 1 шт.
Принципиальная схема типового мостового УМЗЧ и размещение элементов на печатной плате показаны соответственно на рис. 12 и 13.
Исключён фрагмент. Полный вариант статьи доступен только полноправным членам сообщества и подписчикам.Пожалуйста, ознакомьтесь с условиями доступа.
Рис. 12. Типовая схема включения микросхемы в мостовом режиме
Рис. 13. Размещение элементов типового мостового УМЗЧ
DA1 — TDA2822M ST Корпус: DIP8-300 — 1 шт. SCS-8 Розетка dip узкая — 1 шт.,R1 — Рез.-0,25-10к (Коричневый, черный, оранжевый, золотистый) — 1 шт.,R2, R3 — Рез.-0,25-4,7 Ом (Желтый, фиолетовый, золотистый, золотистый) — 2 шт.,С1, С3 — Конд.10/16V 0511 +105°C (Емкость С3 может быть увеличена до 470 мкФ) — 2 шт.,С2 — Конд.0,01/630V К73-17 — 1 шт.,С4 – С6 — Конд.0,1/63V К73-17 — 3 шт.









