Содержание
Модуль измерения электролитических конденсаторов (+C и ESR)
Модуль представляет собой микрофарадометр, в котором определение емкости производится косвенным образом путем измерения величины напряжения пульсаций на резисторе R3, которое будет меняться обратно пропорционально емкости периодически перезаряжаемого конденсатора. Можно измерять емкости оксидных (электролитических) конденсаторов в диапазонах 10–100, 100–1000 и 1000–10000 мкФ.
Измерительный узел для электролитических конденсаторов собран на транзисторе Т1 (Рисунок 3). На вход (R1) подается сигнал непосредственно с выхода генератора-делителя (схема на Рисунке 1), включать который можно параллельно предыдущему модулю. Резистор R1 подбираем в зависимости от типа использованного транзистора Т1 и чувствительности используемой измерительной головки. Резистор R2 ограничивает ток коллектора транзистора в случае короткого замыкания в проверяемом конденсаторе. В отличие от других модулей, здесь требуется пониженное стабильное питание 1.2 – 1.8 В; схема стабилизатора на такое напряжение будет приведена ниже на Рисунке 6. Следует отметить, что при измерениях полярность подключения конденсатора к клеммам «+Сх» и «Общий» не имеет значения, а измерения можно выполнять, не выпаивая конденсаторы из схемы. Перед началом измерений резистором R4 стрелка устанавливается на нулевую отметку (конец шкалы).
![]() |
|
| Рисунок 3. | Модуль измерения ESR и емкости электролитических конденсаторов. |
Перед началом измерений (при отсутствии измеряемого конденсатора «+Сх») резистором R4 стрелка устанавливается на нулевую отметку (конечное деление шкалы). Калибровка шкалы «+Сх» может производиться на любом диапазоне. Например, переводим переключатель SA1 в положение, соответствующее частоте 1 кГц. С помощью R4 устанавливаем стрелку прибора на «0» (конец шкалы) и, подключая к клеммам «+Сх» и «Общий» образцовые конденсаторы емкостью 10, 22, 33, 47, 68 и 100 мкФ, делаем соответствующие отметки на шкале. После этого на других диапазонах (10 Гц и 100 Гц) эти же отметки будут соответствовать емкостям с номиналами в 10 и 100 раз бóльшими, то есть, от 100 до 1000 мкФ (100, 220, 330, 470, 680 мкФ) и от 1000 до 10000 мкФ, соответственно. В качестве образцовых здесь можно использовать танталовые оксидно-полупроводниковые конденсаторы, имеющие наиболее стабильные во времени параметры, например, типов К53-1 или К53-6А.
Узел измерения ESR содержит отдельный генератор 100 кГц, собранный на микросхеме 561ЛА7 (ЛЕ5) по такой же схеме, как и основной генератор на Рисунке 1. Здесь особой стабильности не требуется, и частота может быть любой от 80 до 120 кГц. От величины последовательного эквивалентного сопротивления подключенного к клеммам конденсатора зависит ток, протекающий через обмотку I трансформатора (намотан на ферритовом кольце диаметром 15 – 20 мм). Марка феррита роли не играет, но, возможно, число витков первичной обмотки нужно будет подкорректировать. Поэтому лучше сначала намотать обмотку II, а первичную – поверх нее. Выпрямленное постоянное напряжение после диода VD5 подается на измерительную головку (модуль индикации на Рисунке 4). Диоды VD3, VD4 ограничивают возможные броски напряжений для защиты стрелочной головки от перегрузки. Здесь полярность подключения конденсатора также не важна, и измерения можно проводить непосредственно в схеме.
Пределы измерения можно менять в широких пределах подстроечным резистором R5 – от десятых долей Ома до нескольких Ом. Но при этом следует учитывать влияние сопротивления проводов от клемм «ESR» и «Общий». Они должны быть как можно короче и большого сечения. Если этот модуль будет расположен вблизи с другим источником импульсных сигналов (например, рядом с генератором Рисунок 1), возможен срыв генерации узла на микросхеме. Поэтому узел измерения «ESR» лучше собрать на отдельной небольшой плате и поместить в экран (например, из жести), соединенный с общим проводом.
![]() |
|
| Рисунок 4. | Структурная схема измерителя. |
Для калибровки шкалы «ESR» подключаем к клеммам «ESR» и «Общий» резисторы сопротивлением 0.1, 0.2, 0.5, 1, 2. 3 Ом и делаем соответствующие отметки на шкале. Чувствительность прибора можно регулировать изменением сопротивления подстроечного резистора R5.
Питание измеритель ESR, так же, как и остальные схемы модуля, напряжением 9 В.
Инструкция проверки тестером
Тестеры различаются по видам моделей:
- Существуют приборы, в которых конструкцией предусмотрены устройства, позволяющие измерить коэффициент усиления микротранзисторов малой мощности.
- Обычные тестеры позволяют осуществить проверку в режиме омметра.
- Цифровой тестер измеряет транзистор в режиме проверки диодов.
В любом из случаев существует стандартная инструкция:
- Прежде, чем начать проверку, необходимо снять заряд с затвора. Это делается так – буквально на несколько секунд заряд необходимо замкнуть с истоком.
- В случае, когда проверяется маломощный полевой транзистор, то перед тем, как взять его в руки, обязательно нужно снять статический заряд со своих рук. Это можно сделать, взявшись рукой за что-нибудь металлическое, имеющее заземление.
- При проверке стандартным тестером, необходимо в первую очередь определить сопротивление между стоком и истоком. В обоих направлениях оно не должно иметь особого различия. Величина сопротивления при исправном транзисторе будет небольшой.
- Следующий шаг – измерение сопротивления перехода, сначала прямое, затем обратное. Для этого необходимо подключить щупы тестера к затвору и стоку, а затем к затвору и истоку. Если сопротивление в обоих направлениях имеет разную величину, триодное устройство исправно.
Сборка GM328
Схема пайки нашего тестера радиодеталей мне не пригодилась, взял на обзор. На доске места для всех партий подписаны, ошибок нет. Кроме того, отверстия залуживаются и доска не требует дополнительной подготовки. Приступаем непосредственно к сборке. Первым делом припаял резисторы. Все они имеют маркировку, поэтому вы можете использовать любую онлайн-ссылку для расшифровки маркировки резистора. Но все равно проверял мультиметром каждую, потому что китайцы их пометили, мало ли что…

Сварочные резисторы
Затем транзистор, варистор и стабилитрон
Здесь важно не ошибиться, все сделано в корпусе ТО-92. Если вместо стабилитрона припаять что-нибудь еще, подача на плату нерегулируемого напряжения будет фатальной

Паяем транзисторы
На следующем этапе припаивались конденсаторы и кварц. Все по маркировке, так как она прозрачная, а перепаяв кварцевый резонатор, можно ошибиться только нарочно).

Конденсаторы GM328
DIP: панель для микроконтроллера можно приварить с двух сторон, на полет это не повлияет.

Паяем DIP панель в GM328
Паяем крупные элементы, такие как панель ЗИФ для подключения измеряемой радиодетали, контакты для подключения дисплея, винтовые клеммы для генератора частоты, частотомер, вольтметр и розетку.

Панель ЗИФ и так далее…
Что ж, по окончании работы с паяльником привариваем энкодер, ведь придется как-то управлять всем хозяйством. Да и ножки к дисплею надо припаять, фото этого результата выкладывать не вижу смысла.
Кстати на всякий случай распиновка дисплея:
Распиновка дисплея ST7735
Что такое транзистор
Транзисторы вытеснили электролампы, позволили уменьшить количество реле, переключателей в устройствах. Это полупроводниковые триоды — радиоэлектронные компоненты из полупроводников, стандартно имеют 3 вывода.

Транзисторы, предназначенные для управления током, то есть основным силовым фактором электросхем, именно его удар (не напряжения) несет опасность для человека.

Элемент способен контролировать чрезвычайно высокие величины в выходных цепях при подаче слабого входного сигнала. Транзисторы повышают, генерируют, коммутируют, преобразовывают электросигналы, это основа микроэлектроники, электроустройств.

Разновидности по принципу действия:
- биполярный транзистор из 2 типов проводников, в основе функционирования – взаимодействие на кристалле соседних p-n участков. Состоят из эмиттера/коллектора/базы (далее, эти термины будем сокращать): на последнюю идет слабый ток, вызывающий модификацию сопротивления (дальше по тексту «сопр.») в линии, состоящей из первых 2 элементов. Таким образом, протекающая величина меняется, сторона ее однонаправленности (n-p-n или p-n-p) определяется характеристиками переходов (участков) в соответствии с полярностью подключения (обратно, прямо). Управление осуществляется модулированием тока на сегменте база/эмит., вывод последнего всегда общий для сигналов управления и выхода;
- полевой. Тип проводника один — узкий канал, подпадающий под электрополе обособленного затворного прохода. Контроль основывается на модуляции количества Вольт между ним и истоком. А между последним и стоком течет электроток (2 рабочие контакты). Величина имеет силу, зависящую от сигналов, формируемых между затвором (контакт контроля) и одной из указанных частей. Есть изделия с p-n участком управления (рабочие контакты подключаются к p- или n-полупроводнику) или с обособленными затворами.

У полевиков есть варианты полярности, для управления требуется низкий вольтаж, из-за экономичности их ставят в радиосхемы с маломощными БП. Биполярные варианты активируются токами. В аналоговых сборках превалируют вторые (БТ, BJT), в цифровых (процессоры, компьютеры) — первые. Есть также гибриды — IGBT, применяются в силовых схемах.

Всё гениальное просто!
Я задался целью сделать что-то попроще и понадёжнее. Идея с источником тока мне понравилась, проводя измерения на фиксированном (заранее известном) токе эмиттера, мы можем сократить необходимое количество измерительных приборов (амперметров). Тут я вспомнил про свою любимую микросхему TL431. Генератор тока на ней строится всего из 4-х деталей: Учитывая не очень большую нагрузочную способность этой микросхемы (а на радиатор её крепить крайне неудобно), для испытания мощных транзисторов при больших токах воспользуемся идеей господина Дарлингтона: Теперь загвоздка – ни в одном справочнике нет схемы источника тока на TL431 и транзисторе «p-n-p» структуры. Решить эту проблему помогла идея не менее уважаемого мною господина Шиклаи:
Да, пытливый глаз заметит, что через токозадающий резистор здесь протекают токи обоих транзисторов, что вносит некоторую погрешность в измерения. Но, во-первых, при значениях коэффициента передачи тока базы транзистора Т2 выше 20, погрешность составит менее 5%, что для радиолюбительских целей вполне допустимо (мы не Шаттл к Венере запускаем).
Во-вторых, если мы всё же запускаем Шаттл, и нам требуется высокая точность, эту погрешность легко учесть в расчётах. Ток эмиттера транзистора Т1 практически равен току базы транзистора Т2, а его-то мы и будем измерять. В результате, при расчёте h21э (а это очень удобно выполнять в программе Excel) вместо формулы: h21э=Iэ/Iб нужно использовать формулу: h21э=Iэ/Iб-1
Для минимизации данной погрешности, а так же для обеспечения нормальной работы микросхемы TL431 в широком диапазоне токов в качестве транзистора Т1 следует отобрать транзистор с максимальным h21э. Так как это маломощный биполярный транзистор, пока не готов наш прибор, можно воспользоваться китайским мультиметром. Мне удалось всего из 5 штук транзисторов КТ3102 найти экземпляр со значением 250.
Так как сегодня в хозяйстве любого радиолюбителя найдётся китайский мультиметр (а то и не один), его-то мы и будем использовать в качестве измерителя базового тока, что позволит нам не городить коммутацию для разных диапазонов базовых токов (у меня мультиметр с автоматическим выбором предела измерений), а заодно исключить из схемы выпрямительный мост – цифровому мультиметру без разницы направление протекающего тока.
Простой способ проверки полевых транзисторов

В радиолюбительских конструкциях все чаще встречаются полевые транзисторы, в частности в схемах КВ-УКВ аппаратуры, но многие радиолюбители отказываются от их применения, так как к ним предъявляются особые требования в описании схем. В журналах и Интернете описано много приборов и испытателей полевых транзисторов. Например, в , но они сложны, а приобретать заводские приборы ради подбора двух-трех «полевиков» нет смысла. Всё же многие полевые транзисторы несложно проверить в домашней мастерской радиолюбителя. О том, как это сделать, рассказано в этой статье.
В домашних условиях можно приблизительно измерить основные параметры полевых транзисторов и подобрать их. Для проверки полевого транзистора с р-каналом необходимо собрать схему, показанную на рисунке.
Перед проверкой следует установить движок в нижнее по схеме положение (0 В на затворе VT), а резистором R2 установить рабочее напряжение на участке сток-исток проверяемого транзистора (Uси), взяв его из справочника (обычно 10…12 В). Затем надо, медленно перемещая движок Р1, следить за показаниями амперметра Р2. Как только ток уменьшится практически до нуля (10…20 мкА), следует проверить напряжение между затвором и истоком. Оно будет равно напряжению отсечки Uотс.

Чтобы измерить крутизну характеристики S (мА/В) полевого транзистора, нужно снова установить нулевое значение Uзи резистором R1. При этом Р2 покажет значение Іс.нач. Затем резистором R1 так же медленно увеличивают напряжение Uзи до напряжения 1 В на Р1 (для упрощения расчета). Показание Р2 будет изменяться до значения, которое мы обозначим как Іс.измер. Если теперь разность двух показаний (токов) Р2 разделить на напряжение Uзи, то получившийся результат будет соответствовать крутизне характеристики в соответствии с формулой:
S (мА/В) = (Iс.нач-Iс.измер)/Uзи.
Так проверяются полевые транзисторы с управляющим с р-n-переходом и каналом р-типа. Для транзисторов n-типа нужно поменять полярность включения источников питания на обратную.
Точно так же можно проверить и подобрать МДП-транзисторы (МОП-транзисторы) с встроенным каналом.
В МДП-транзисторах (МОП-транзисторах) с индуцированным каналом проводящий канал между сильнолегированными областями истока и стока (а следовательно, заметный ток стока) появляется только при наличии отпирающего (порогового) напряжения на затворе относительно истока (отрицательного при p-канале и положительного при n-канале). Поэтому для проверки этих транзисторов полярность источника питания Uпит1 должна быть противоположной.
В заключение хочу заметить, что для проверки и подбора полевых транзисторов можно использовать не три прибора, как показано на схеме, а два — вольтметр и амперметр, переключая вольтметр при измерении из положения Р1 в Р3. Вполне допустимо применять комбинированные приборы (мультиметры).
Литература
- Календо В. Приставка для проверки транзисторов // Радио. — 2004. — №1. — С.58-59.
- Кашкаров А.П., Бутов А.Л. Испытатель полевых транзисторов // Радиолюбителям схемы для дома — МРБ. — Вып. 1275. — 2008. — С.242-246.
Состав конструктора GM328

Схема тестера радиодеталей GM328 + TFT
Собственно для сборки данного девайса минимум что нам понадобится — это простой паяльник на 25 ватт с тонким жалом и припой, при условии что китайцы прислали вам полный комплект). Разумеется участие в процессе сборки третей руки, зажима для плат или единомышленника корефана всегда приветствуется. Для сборки тестера радиодеталей GM328 не нужны даже прямые руки, процесс настолько прост что с ним справится даже начинающий радиолюбитель, что не может не радовать последних. Если вы стали обладателем полного комплекта для сборки нашего девайса то у вас на столе должны лежать следующие элементы:
Состав комплекта для сборки тестера радиодеталей GM328

GM328 транзистор тестер — состав комплекта
- 1 шт. — плата с дорожками, отверстиями для деталей и несколькими SMD
- 1 шт. — цветной графический дисплей
- 1 шт. — DIP панель для микроконтроллера
- 1 шт. — микроконтроллер Atmega328p 16-PU с базовой прошивкой
- 1 шт. — пин конектор на 8 ног для подключения дисплея
- 1 шт. — пин игнездо на 8 ног для подключения дисплея
- 3 шт. — двойные клемники под винт
- 25 шт. — резисторов разного номинала
- 1 шт. — кварц
- 1 шт. — стабилитрон
- 3 шт. — транзисторы
- 1 шт. — варистор
- 1 шт. — светодиод
- 1 шт. — ZIF панель для подключения измеряемой радиодетали
- 2 шт. — электролиты
- 9 шт. — керамические конденсаторы
- 1 шт. — гнездо питания
- 1 шт. — коннектор для кроны (не всегда)
- 1 шт. — энкодер
К моему сожалению мне попался комплект с оторванной микросхемой VO5

Иногда так бывает)
Так что мне все же пришлось прибегнуть к помощи паяльной станции для пайки этой мелкой SMD-шки. А вот и результат трудов:

Немного «прямых» рук)
Если ноги плохо пахнут, вспомните, откуда они растут.
Немного погуглив, я нашёл схему прибора для проверки транзисторов, которая растиражирована на довольно приличном количестве сайтов. Простая, портативная… но кроме самого автора её никто не хвалит. Это должно было смутить сразу, но увы.
Итак, исходная схема (с немного упрощенной индикацией и коммутацией):

Увеличение по клику
По замыслу автора здесь операционный усилитель совместно с испытуемым транзистором образуют источник стабильного тока. Ток эмиттера в этой схеме постоянный и определяется величиной эмиттерного резистора. Зная этот ток, нам остаётся только измерить ток базы, а затем путём деления одного на другое получить значение h21э. (в авторском варианте шкала измерительной головки сразу градуировалась в значениях h21э).
Два биполярных транзистора на выходе ОУ служат для увеличения нагрузочной способности микросхемы при измерении на больших токах. Диодный мост включён для того, чтобы исключить необходимость перекоммутации амперметра при переключении с «p-n-p» на «n-p-n» транзисторы. Для повышения точности подбора комплементарных пар биполярных транзисторов требуется отобрать стабилитроны (задающие опорное напряжение) с максимально близкими напряжениями стабилизации.
Меня как-то сразу смутило «не совсем корректное» включение операционного усилителя при однополярном питании. Но макетная плата всё стерпит, поэтому схема была собрана и опробована.
Сразу выявились недостатки. Ток через транзистор сильно зависел от напряжения питания, что ни разу не напоминает генератор стабильного тока. Что там умудрился подбирать автор схемы, питая при этом прибор от аккумулятора, остаётся большой загадкой. По мере разряда аккумулятора «образцовый» ток будет уплывать и довольно заметно. Потом пришлось повозиться в «умощнителем» на выходе ОУ иначе схема неустойчиво работала при измерении транзисторов разной мощности. Потребовалось подобрать значение резистора, а потом я перешёл на более «классический» вариант умощнителя. А двухполярное (правильное) питание ОУ решило проблему с плавающим током.
В итоге схема приобрела вид:

Увеличение по клику
Но тут выявился ещё один недостаток – если вы перепутаете проводимость биполярного транзистора (включите на приборе «p-n-p», а подключите транзистор «n-p-n»), а при подборе из большого количества транзисторов вы точно рано или поздно забудете переключить прибор, то выходит из строя один из транзисторов «умощнителя» и придётся заниматься ремонтом прибора. Да и к чему нам сложности с двухполярным питанием, операционник, умощнитель и прочее?
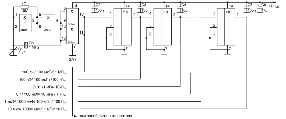
Генератор образцовых частот
Использована широко распространенная схема генератора на цифровых элементах, которая при всей своей простоте обеспечивает набор необходимых рабочих частот с хорошей точностью и стабильностью, не требуя при этом никаких настроек.
|
|
|
| Рисунок 1. | Генератор 1 МГц с делителями частоты. |
Генератор на микросхеме К561ЛА7 (или ЛЕ5) синхронизирован кварцевым резонатором в цепи обратной связи, определяющим частоту сигнала на его выходе (выводы 10, 11), равную в данном случае 1 МГц (Рисунок 1). Сигнал генератора последовательно проходит через несколько каскадов делителей частоты на 10, собранных на микросхемах К176ИЕ4, СD4026 или любых других. С выхода каждого каскада снимается сигнал с частотой в десять раз меньшей входной частоты. C помощью любого переключателя на шесть положений сигнал с генератора или с любого делителя можно вывести на выход. Правильно собранная из исправных деталей схема работает сразу и не нуждается в настройке.. Конденсатором С1 при желании можно в небольших пределах подстраивать частоту. Схема питается напряжением 9 В.
Как работать с универсальным тестером
Работает прибор от батареек и от сети через адаптер. Питание может быть от 6 В до 12 В. Зависит от конкретной модели.
Как пользоваться тестером транзисторов
Каждый раз при включении прибора проверяется наличие питания и его параметры. Если питание в норме, высвечивается об этом сообщение и работа продолжается — начинается тест установленной детали. Если питание «не ОК», придётся заменить батарейку или включиться через адаптер и включить его снова.
Установка радиоэлемента и его проверка
Проверяемые детали надо устанавливать в разъёмы/пины, которые находятся под экраном. Обычно есть три зоны. В каждой по несколько контактных площадок. С таким устройством можно без проблем ставить и большие, и маленькие детали — разъёмы находятся на разном расстоянии.
Это три пина (три области) для установки ножек тестируемых деталей
Ножки деталей устанавливаем в разъёмы так, чтобы они попали в разные зоны. Нажимаем кнопку «старт». Через пару секунд на экране появятся результаты измерений. Высвечивается условное обозначение проверенной детали и измеренные параметры.
Проверка тиристоров
Рассмотрим также как прозванивать тиристоры, они во многом напоминают рассматриваемые детали. Тут есть 3 p-n сегмента, а режим после сигнала управления не меняется — в этом и заключается разница. Структуры идут поочередно как полосы на зебре. Thyristor открыт, пока значение протекающей величины не спадет «до тока удержания». Такие детали позволяют создавать экономные схемы.

Мультиметр ставят на отметку 2000 Ом. Чтобы открыть проверяемый thyristor, черную жилу — к катоду, красную — к аноду. Деталь открывается как зарядом «+», так и «−». В двух случаях сопр. должно быть меньше «1». Деталь открытая, если величина управляющего импульса превысит рамку удержания, если меньше — ключ закрывается.
Инструкция по прозвонке без выпаивания
Чтобы проверить, исправен ли полевой транзистор, нужно его выпаять и прозвонить с мультиметром. Однако могут возникать ситуации, когда нужно в схеме есть несколько таких деталей и неизвестно, какие из них исправны, а какие — нет. В этом случае полезно знать, как проверить полевой транзистор мультиметром не выпаивая.

Цифровой мультиметр
В этом случае применяют проверку без выпаивания. Она даёт примерный результат.
Важно! После того, как будет определён предположительно неисправный элемент, его отсоединяют и проверяют, получив точную информацию о его работоспособности. Если он функционирует нормально, его устанавливают на прежнее место
Проверка без выпаивания выполняется следующим образом:
- Перед проведением прозвонки полевого транзистора цифровым мультиметром устройство отключают от электрической розетки или от аккумуляторов. Последние вынимают из устройства.
- Если красный щуп соединить с истоком, а чёрный — со стоком, то можно рассчитывать, что мультиметр покажет 500 мв. Если на индикаторе можно увидеть эту или превышающую её цифру, то это говорит о том, что транзистор полностью фунукционален. В том случае, если эта величина гораздо меньше — 50 или даже 5 мв, то в этом случае можно с высокой вероятностью предположить неисправность.
Вам это будет интересно Особенности генератора электрической энергии

С управляющим p-n-переходом
- Если красный мультиметровый щуп переставить на затвор, а чёрный оставить на прежнем месте, то на индикаторе можно будет увидеть 1000 мв или больше, что говорит об исправности полевого транзистора. Когда разница составляет 50 мв, то это внушает опасение, что деталь испорчена.
- Если чёрный щуп тестера поставить на исток, а красный поместить на затвор, то для работоспособного транзистора можно ожидать на дисплее 100 мв или больше. В тех случаях, когда цифра будет меньше 50 мв, имеется высокая вероятность того, что проверяемая деталь неработоспособна.
Нужно учитывать, что выводы, получаемые без выпайки, носят вероятностный характер. Эти данные позволяют получить предварительные выводы об используемых в схеме полевых транзисторах.
Для проверки их нужно выпаять, произвести проверку и установить, если работоспособность подтверждена.

Подготовка к работе
Список деталей
- Резистор 330 Ом — 1 шт.
- Резистор 22 кОм — 1 шт.
- Светодиод — 1 шт.
- Крона 9 Вольт — 1 шт.
- Монтажная плата
- Клейма для кроны
Припаяйте все детали на кусочек монтажной платы. Контакты для подключения испытываемого транзистора, можно изготовить из толстой проволоки, или лучше всего, откусить от мощного резистора ножки, поделить их на 3 равные части и припаять к плате.
Ниже представлен готовый тестер с подключённым транзистором. Как вы видите, светодиод горит, значит транзистор открыт, ток протекает, а значит он исправен. Если светодиод не горит, соответственно его использовать уже не получится.
Предельно простое, но удобное устройство для подбора пар кремниевых транзисторов средней и большой мощности с определением коэффициента передачи по току.
Работа с прибором для проверки транзисторов.
1. Подключаем к прибору мультиметр, включенный в режим измерения тока. Если нет режима «авто», то выбираем предел в соответствии с типом проверяемых транзисторов. Для маломощных — микроамперы, для мощных биполярных транзисторов — миллиамперы. Если вы не уверены в выборе режима, поставьте сначала миллиамперы, если показания будут низкие, переключите прибор на меньший предел.
2. Если есть необходимость подобрать транзисторы с одинаковым Uбэ, подключаем к соответствующим гнёздам прибора второй мультиметр в режиме измерения напряжения на предел 2-3В.
3. Подключаем прибор к сети и нажимаем кнопку «Вкл» (S5).
4. Переключателем S3 выбираем структуру испытуемого транзистора «p-n-p» или «n-p-n», а переключателем S2 его тип — маломощный или мощный. Переключателем S1 устанавливаем минимальное значение эмиттерного тока.
5. Подключаем к соответствующим гнездам выводы испытуемого транзистора. При этом, если транзистор мощный, его следует закрепить на радиаторе.
6. Нажимаем на 2-3 секунды кнопку S4 «Измерение». Считываем показания мультиметра, заносим их в таблицу.
7. Переключателем S1 устанавливаем следующее значение эмиттерного тока и повторяем пункт 6.
8. По окончании измерений отключаем транзистор от прибора, прибор — от сети. В принципе, парные транзисторы можно отобрать по близким значениям измеренного базового тока. Если требуется рассчитать коэффициент h21э или построить графики, то следует перенести данные в электронную таблицу Excel или аналогичную.
9. Сравниваем полученные данные в таблице и отбираем транзисторы с близкими значениями.
Настройка
Считаю, что это не кофеварка и человек, которому нужен подбор пар транзисторов, должен представлять себе режимы их работы и возможности изменения. При сопротивлении резистора в цепи эмиттера 15 Ом и изменении тока измерения в 10 раз, параллельный резистор должен иметь номинал в 9 раз больше, т. е. 135 Ом (подобрать из имеющихся 130 Ом, большая точность не нужна). Общее сопротивление резисторов будет 13,5 Ом. (Можно взять резисторы 15 и 150 Ом и подключать их тумблером поочередно, но я люблю безобрывность). Установить в панельку транзистор и переменным резистором выставить напряжение на эмиттере 2,7 В (клеммы для измерения тока базы временно закоротить). Настройка закончена.
Измерить ток базы.
Отношение тока эмиттера к току базы даст коэффициент передачи транзистора по току (правильнее будет из тока эмиттера вычесть ток базы и получить ток коллектора, но погрешность мала). При замене транзисторов отключать питание не надо, при испытаниях я неоднократно ошибался и включал транзисторы «наоборот», тестер показывал, что ток базы равен нулю, больше никаких проблем.
Прибор делался для тока 200 мА и напряжения К-Э равному 2 В, этим вызван выбор номинала 15 Ом. Естественно, если вы захотите установить ток 300 мА, напряжение на эмиттере составит 4 В и для сохранения напряжения К-Э = 2 В напряжение питания должно быть не 5, а 6 В.
Можно делать измерения при токе 1 А, тогда резистор должен быть 3 Ома. При увеличении напряжения питания до 8…10 В, лучше увеличить номинал резистора, ограничивающего ток через TL431 до 200 Ом. Короче, если вы захотите существенно изменить параметры измерения, придется изменить номиналы одного-двух резисторов.
По сравнению с «фирменным» прибором, делающем измерения на коротком импульсе, данный прибор позволяет прогреть испытуемый транзистор — этот режим ближе к рабочему. Вместо М-832 можно включить обычный стрелочный миллиамперметр (или стрелочный авометр), шкалу отградуировать в единицах усиления по току, годится прибор на 1/10 мА, он покажет усиление от 20 до 200…400. Но тогда нельзя будет плавно менять ток измерений.
Проверка деталей универсальным тестером
Ножки деталей вставляем в две разные области. Через несколько мгновений на экране видим результаты измерений. Указывается тип элемента (рисуется графическое изображение), между какими пинами он включён, указывается его номинал с указанием размерности и единиц измерения, дополнительные параметры, если они есть.
Проверка резисторов, ёмкостей
На фото результаты измерений двух резисторов. Их, конечно, можно и мультиметром проверить, но и так быстро и просто. Эту функцию можно использовать, если цветовая маркировка пока даётся плохо.

Примеры измерения универсальным тестером сопротивлений
Для смены детали просто одну вынимаем ставим следующую
Неважно в какие гнёзда. Измерение установленного элемента начинается после кратковременного нажатия на валкодер
Поменяли резистор, нажали, получили новые результаты измерений. Без нажатия на экране остаются старые данные. Если не производить никаких действий достаточно долго (около 30 секунд) прибор выключится.

Установлен в измерительные гнезда электролитический конденсатор и результат его измерений
С конденсаторами всё точно так же. Просто вставляете ножки в измерительную колодку и нажимаете на валкодер.
Обратите внимание! Электролитические конденсаторы перед проверкой надо разряжать. Или вам придётся покупать новый прибор
Как проверить диоды и стабилитроны
Проверить универсальным измерителем можно диоды. Некоторые, диоды Шоттки, например, могут протестировать не все модели. Если вы работаете с такими специальными радиоэлементами, смотрите чтобы в описании был указан нужный вам тип диодов.

Результаты проверки диодов универсальным тестером
При проверке диодов тоже указывается тип (схематическое изображение), в какие пины подключён. Указывает падение напряжения, а на переходе, обратный ток и ёмкость (видимо, паразитную).

Проверка стабилитронов
При измерении стабилитронов показывает также напряжение обратного пробоя. Обычным мультиметром этот параметр проверить сложно. Вернее, не всегда возможно. Многие приборы просто не могут «пробить» барьер.
Как измерить транзисторы
Транзисторы могут быть маленькими, с короткими ножками. Устанавливаются они на две измерительные площадки.

Тестер транзисторов определяет распиновку и все параметры
Показывает распиновку, то есть к какому входу подключён эмиттер, коллектор, база. Указывается тип — NPN или PNP, токи перехода и напряжение. Если транзистор пробит, определяется он как сопротивление с малым номиналом.
Работа в качестве генератора меандра
При выборе режима работы в качестве генератора — f-Generator, автоматически переходите в меню, где перечислены частоты
В сборке GM328 генерируются прямоугольные импульсы со скважностью 2. Амплитуда — 5 вольт, а частота — от 1 Гц до 2 МГц
Но выбрать можно только из списка. Самому задавать частоты нет возможности.

Работа в режиме генератора определенной частоты
Частоты представлены в виде списка и зациклены. Если вы находитесь на последней строчке и нажимаете ещё раз «вниз», то оказываетесь на первой строчке. Аналогично и с верхней строкой. Если курсор стоит на верхней позиции, нажатие «вверх» перекинет вас на самую нижнюю позицию.








