Содержание
Недостатки промышленного амперметра
Подобрать токовый амперметр — дело непростое. Большинство приборов выпускается на Западе, в Китае или в странах СНГ, и в каждой стране к ним предъявляют свои индивидуальные требования. Также в каждой стране свои допустимые величины постоянного и переменного тока, требования к розеткам. В связи с этим при подключении амперметра западного производства к отечественному оборудованию может оказаться, что прибор не может правильно измерить силу тока, напряжение и сопротивление.
С одной стороны, такие устройства очень удобны. Они компактны, снабжаются зарядным устройством и просты в пользовании. Классический стрелочный амперметр не занимает много места и имеет визуально понятный интерфейс, но он часто не рассчитан на существующее напряжение сопротивление. Как говорят бывалые электрики, на шкале «не хватает ампер». Приборы, устроенные таким образом, обязательно нуждаются в шунтировании. Например, бывают ситуации, когда нужно измерить величину до 10а, а на шкале прибора отсутствует цифра 10.
Вот основные недостатки классического фабричного амперметра без шунта:
- Большая погрешность в измерениях;
- Диапазон измеряемых величин не соответствует современным электроприборам;
- Крупная калибровка не позволяет измерять малые величины;
- При попытке измерить большую величину сопротивления прибор «зашкаливает».
Как подобрать шунт для амперметра максимально точно?
Для стенда по подбору сопротивления нам понадобятся:
- блок питания;
- образцовый прибор;
- качественные провода (медные);
- переменное сопротивление;
- собственно шунт и амперметр, для которого он готовится.
Схема нужна для точного подбора сопротивления шунта и калибровки прибора с установленной накладкой.
Установив под нагрузкой (заряд аккумулятора) минимальное и максимальное значение – приступаем к ступенчатому изменению силы тока переменным сопротивлением. Полученные на контрольном приборе значения наносим на шкалу.
Вспоминаем физику. Видео урок по расчету шунта для амперметра.
Детали
Пожалуй, самое труднодоставаемое — это микросхемы СА3162Е. Из аналогов мне известна только NTE2054. Возможно есть и другие аналоги, о которых мне не известно.
С остальным значительно проще. Как уже сказано, выходную схему можно сделать на любом дешифраторе и соответствующих индикаторах. Например, если индикаторы будут с общим катодом, то нужно КР514ИД2 заменить на КР514ИД1 (цоколевка такая же), а транзисторы VТ1-VT3 перетащить вниз, подсоединив их коллектора к минусу питания, а эмиттеры к общим катодам индикаторов. Можно использовать дешифраторы КМОП-логики, подтянув их входы к плюсу питания при помощи резисторов.
Амперметр на светодиодах своими руками (схема)
Наверняка у многих без дела лежат сгоревшие компактные люминисцентные лампы КЛЛ , у которых сгорела нить накала в колбе люминисцентной лампы. Как правило, у таких ламп преобразователь напряжения исправен, и его можно заиспользовать в качестве импульсного блока питания или драйвера светодиода. Типовая схема импульсного преобразователя КЛЛ представлена ниже. Для переделки импульсного преобразователя КЛЛ в драйвер светодиода, достаточно удалить «лишние детали», обведённые красной пунктирной линией. Это цепи запуска лампы.
× — k — jpg all-audio.pro Купить 5A Регулируемый CC CV 85k — jpg ru all-audio.pro Дешёвые Модуль Амперметр и схожие товары на для мощных светодиодов 36V 4A W регулируемый ×
Микросхема СА3162Е
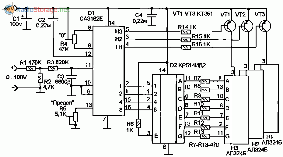
Но существуют и другие микросхемы аналогичного действия. Например, есть микросхема СА3162Е, которая предназначена для создания измерителя аналоговой величины с отображением результата на трехразрядном цифровом индикаторе.
Микросхема СА3162Е представляет собой АЦП с максимальным входным напряжением 999 mV (при этом показания «999») и логической схемой, которая выдает сведения о результате измерения в виде трех поочередно меняющихся двоично-десятичных четырехразрядных кодов на параллельном выходе и трех выходах для опроса разрядов схемы динамической индикации.
Чтобы получить законченный прибор нужно добавить дешифратор для работы на семисегментный индикатор и сборку из трех семисегментных индикаторов, включенных в матрицу для динамической индикации, а так же, трех управляющих ключей.
Тип индикаторов может быть любым, -светодиодные, люминесцентные, газоразрядные, жидкокристаллические, все зависит от схемы выходного узла на дешифраторе и ключах. Здесь используется светодиодная индикация на табло из трех семисегментных индикаторов с общими анодами.
Индикаторые включены по схеме динамической матрицы, то есть, все их сегментные (катодные) выводы включены параллельно. А для опроса, то есть, последовательного переключения, используются общие анодные выводы.
Цифровой амперметр и вольтметр для блока питания
На рисунке 1 представлена схема цифрового амперметра и вольтметра, которая может быть использована, как дополнение к схемам блоков питания, преобразователей, зарядных устройств и т.д. Цифровая часть схемы выполнена на микроконтроллере PIC16F873A. Программа обеспечивает измерение напряжения 0… 50 В, измеряемый ток — 0… 5 А.

Для отображения информации используются светодиодные индикаторы с общим катодом. Один из операционных усилителей микросхемы LM358 используется в качестве повторителя напряжения и служит для защиты контроллера при внештатных ситуациях. Все-таки цена контроллера не так уж и мала. Измерение тока производится косвенным образом, при помощи преобразователя ток-напряжение, выполненного операционном усилителе DA1.2 микросхемы LM358 и транзисторе VT1 – КТ515В. Почитать о таком преобразователе еще можно здесь и здесь. Датчиком тока в этой схеме служит резистор R3. Преимуществом такой схемы измерения тока состоит в том, что здесь отпадает необходимость точной подгонки миллиомного резистора. Скорректировать показания амперметра можно просто триммером R1 и в довольно широких пределах. Сигнал тока нагрузки для дальнейшей оцифровки снимается с нагрузочного резистора преобразователя R2. Напряжение на конденсаторе фильтра стоящем после выпрямителя вашего блока (вход стабилизатора, точка 3 на схеме)питания не должно быть более 32 вольт, это обусловлено максимальным напряжением питания ОУ. Максимальное входное напряжение микросхемного стабилизатора КР142ЕН12А – тридцать семь вольт.
Регулировка вольтамперметра заключается в следующем. После всех процедур — сборки, программирования, проверки на соответствие на собранное вами произведение подают напряжение питания. Резистором R8 выставляют на выходе стабилизатора КР142ЕН12А напряжение 5,12 В. После этого вставляют в панельку запрограммированный микроконтроллер. Измеряют напряжение в точке 2 мультиметром, которому вы доверяете, и резистором R7 добиваются одинаковых показаний. После этого к выходу (точка 2) подключают нагрузку с контрольным амперметром. Равенства показаний обоих приборов в данном случае добиваются при помощи резистора R1.
Резистор-датчик тока можно изготовить самому, используя для этого, например, стальную проволоку. Для расчета параметров этого резистора можно использовать программу «Программа для работы с проволокой» Программу скачали? Открыли? Значит так, нам нужен резистор номиналом в 0,05 Ом. Для его изготовления выберем стальную проволоку диаметром 0,7мм – у меня она такая, да еще и не ржавеющая. С помощью программы вычисляем необходимую длину отрезка, имеющего такое сопротивление. Смотрим скрин окна данной программы.

И так нам нужен отрезок стальной нержавеющей проволоки диаметром 0,7мм и длиной всего 11 сантиметров. Не надо этот отрезок свивать в спираль и концентрировать все тепло в одной точке. Вроде все. Что не понятно, прошу на форум. Успехов. К.В.Ю. Чуть не забыл про файлы.
Полезные советы
Если домашний электрик решил приобрести амперметр промышленного производства, следует выбирать прибор с мелкой калибровкой, потому что он будет более точным. Тогда, возможно, не понадобится и самодельный шунт.
При работе с тестером следует соблюдать элементарную технику безопасности. Это поможет избежать серьезных травм, вызванных поражением электрическим током.
Если тестер систематически «зашкаливает», использовать его не стоит.
Возможно, что прибор или неисправен, или не способен показать правильный результат измерений без дополнительного приспособления. Лучше всего приобретать современные амперметры отечественного производства, потому что они лучше подходят для тестирования электроприборов нового поколения. Перед тем как начинать работу с тестером, следует внимательно прочитать инструкцию по эксплуатации.
Шунт — прекрасный способ оптимизировать работу домашнего электрика по тестированию электрических цепей. Для того чтобы сделать это устройство своими руками, понадобятся только исправный тестер промышленного производства, подручные материалы и элементарные познания в области электрики.
Как подключить вольтамперметр к зарядному устройству — подборка схем
Мы выбрали 4 самых распространенных вольтамперметров, которые используют умельцы в своих устройствах. Диапазоны измерений большинства приборов составляют 0-100 В, а также имеют встроенный шунт на 10 А. Принцип подключения у них очень похож, но есть свои нюансы.

Измеряемое напряжение 0-100 В; ток 0-10 А. Питание прибора должно находиться в рамках 4,5-30 В.

YB27VA схема подключения
Вольтметр амперметр YB27VA имеет аналогичные параметры по диапазону измерений тока и напряжения. Единственным отличием становиться другая компоновка платы и цветовая маркировка проводов.

Примерная цена составляет 3,5-4,5 у.е., на плате также присутствуют подстроечные резисторы.

DSN-VC288 схема подключения
Вольтметр амперметр DSN-VC288 также является одним из самых популярных у радиолюбителей. Цена его колеблется в пределах 4 у.е.

Многие, кто сталкивался с такими приборами жалуются на плохое качество калибровочных резисторов.

Принципиальная схема вольтметра
Теперь ближе к схеме. На рисунке 1 показана схема вольтметра, измеряющего напряжение от 0 до 100V (0…99,9V). Измеряемое напряжение поступает на выводы 11-10 (вход) микросхемы D1 через делитель на резисторах R1-R3.
Конденсатор C3 исключает влияние помех на результат измерения. Резистором R4 устанавливают показания прибора на ноль, при отсутствии входного напряжения А резистором R5 выставляют предел измерения так чтобы результат измерения соответствовал реальному, то есть, можно сказать, им калибруют прибор.

Рис. 1. Принципиальная схема цифрового вольтметра до 100В на микросхемах СА3162, КР514ИД2.
Теперь о выходах микросхемы. Логическая часть СА3162Е построена по логике ТТЛ, а выходы еще и с открытыми коллекторами. На выходах «1-2-4-8» формируется двоичнодесятичный код, который периодически сменяется, обеспечивая последовательную передачу данных о трех разрядах результата измерения.
Если используется дешифратор ТТЛ, как, например, КР514ИД2, то его входы непосредственно подключаются к данным входам D1. Если же будет применен дешифратор логики КМОП или МОП, то его входы будет необходимо подтянуть к плюсу при помощи резисторов. Это нужно будет сделать, например, если вместо КР514ИД2 будет использован дешифратор К176ИД2 или CD4056.
Выходы дешифратора D2 через токоограничивающие резисторы R7-R13 подключены к сегментным выводам светодиодных индикаторов Н1-НЗ. Одноименные сегментные выводы всех трех индикаторов соединены вместе. Для опроса индикаторов используются транзисторные ключи VT1-VT3, на базы которых подаются команды с выходов Н1-НЗ микросхемы D1.
Эти выводы тоже сделаны по схеме с открытым коллектором. Активный ноль, поэтому используются транзисторы структуры р-п-р.
https://youtube.com/watch?v=mPAdpU1g6FA
Рисунок платы цифрового ампервольтметра

В первой и второй строчке отображается усредненное значение напряжения и тока из 300 замеров АЦП. Это сделано для большей точности измерения. В третьей строчке выводится сопротивление нагрузки, рассчитанное по закону Ома. Хотел сперва сделать, чтоб выводилась потребляемая мощность, но сделал сопротивление. Может позже переделаю на мощность. В четвертой строчке выводится температура измеряемая датчиком DS18B20. Он запрограммирован измерять температуру от 0 до 99 градусов Цельсия. Его надо установить на радиатор выходного транзистора, или на какой нибудь другой элемент схемы, где есть сильный нагрев.

К микроконтроллеру можно так же подключить кулер для охлаждения радиатора транзистора. Он будет изменять свои обороты при изменении температуры измеряемой датчиком DS18B20. На ножке PB3 присутствует ШИМ сигнал. Кулер подключается к этому выводу через силовой ключ. В качестве силового ключа лучше всего использовать MOSFET транзистор. При температуре в 90 градусов у вентилятора будут максимальные обороты. Датчик температуры можно и не устанавливать. В этом случае в четвертой строчке просто высветится надпись OFF. Кулер подключаем на прямую. На выходе PB3 будет 0.

В архиве есть два варианта прошивки. Одна на максимально измеряемый ток в 5 ампер, а вторая до 10 ампер. Максимально измеряемое напряжение – 30 вольт. Коэффициент усиления ОУ LM358 по расчетам выбран 10. Для разных прошивок нужно подобрать шунт. Не у всех есть возможность измерять сотые доли ома и прецизионные резисторы. Поэтому в схеме есть два подстроечных резистора. Ними можно подкорректировать показания измерений.

Там-же в архиве есть и печатная плата. Есть небольшие различия на фото — там она немножко подправленная. Удалена одна перемычка и размер меньше по высоте на 5 мм. Стабильность показаний ампервольтметра высокая. Иногда плавает только на сотые доли. Хотя сравнивал всего лишь с моим китайским тестером. Для меня этого вполне хватит.
Всем спасибо за внимание. Все вопросы задаем на форуме
Показометр сделалБухарь. Форум по МК-метрам
Для чего нужен шунт
Шунт необходим для того, чтобы правильно измерить сопротивление в тех случаях, если амперметр не предназначен для измерения таких величин. Если домашний мастер часто имеет дело с такими величинами, есть смысл изготовить шунт для амперметра своими руками. Шунтирование значительно повышает точность и эффективность его работы
Это важное и нужное устройство для тех, кто часто пользуется тестером. Обычно его используют владельцы классического амперметра 91с16
Вот основные преимущества самодельного шунта:
- Позволяет измерить сопротивление там, где у фабричного или самодельного амперметра не хватает делений на шкале;
- Помогает адаптировать зарубежные амперметры к российским электрическим цепям;
- Точность тестера значительно увеличивается;
- Защищает тестер от поломок и продлевает срок его службы. Любая ситуация, когда тестер «зашкаливает» является стрессом для прибора. Если амперметр «зашкаливает» часто (обычно так бывает, если он отсутствует), прибор быстро выходит из строя, а починить его непросто (легче купить новый).
Порядок изготовления
С самостоятельным изготовлением шунта легко справится даже первокурсник профессионально-технического училища или начинающий электрик-любитель. Если подключить это устройство соответствующим образом, оно значительно увеличит точность амперметра и прослужит долго. В первую очередь необходимо произвести расчет шунта для амперметра постоянного тока. Узнать о том, как производить расчеты, можно через интернет или из специализированной литературы, адресованной домашним электрикам. Рассчитать шунт можно с помощью калькулятора.
Для этого нужно просто подставить конкретные значения в готовую формулу. Для того чтобы воспользоваться схемой расчета, необходимо знать реальные напряжение и сопротивление, на которые рассчитан конкретный тестер, а также представлять себе тот диапазон, до которого нужно расширить возможности тестера (это зависит от того, с какими именно приборами чаще всего приходится иметь дело домашнему электрику).
Для изготовления прекрасно подойдут такие материалы:
- Стальная скрепка;
- Моток медной проволоки;
- Манганин;
- Медный провод.
По сути, шунт — это источник дополнительного сопротивления, снабженный четырьмя зажимами и подсоединенный к прибору. Если для его изготовления используется стальная или медная проволока, не стоит скручивать его в виде спирали.
Как рассчитать шунт для амперметра?
- Расчет шунта для незначительного расширения верхнего предела шкалы амперметра.Сопротивление шунта вычисляется по формуле. Rш = (Rа * Iа)/(I — Iа)Rш – сопротивление, которым должен обладать шунт.Rа – внутреннее сопротивление амперметра без нагрузки. I – предполагаемый ток, при котором стрелка прибора займет максимальное положение в конце шкалы.Iа – ток, при котором стрелка прибора занимает крайнее положение в конце шкалы без применения шунта.Величина сопротивления рассчитывается по формуле в Омах, сила тока в Амперах.
- Расчет шунта для амперметра при существенном превышении предела измерений.Сопротивление шунта вычисляется по формуле. Rш = (Rа * Iа)/I
Последовательность размещения и монтажа амперметра
Входной сигнал по току (не более 1 А) подаётся от стабилизированного блока питания через шунтирующий резистор, допустимое напряжение на котором не должно быть более 40…50 В. Далее, проходя через операционный усилитель, сигнал поступает на светодиоды. Поскольку значение тока во время прохождения сигнала изменяется, то соответственно будет изменяться и высота столбика. Управляя током нагрузки, можно регулировать высоту диаграммы, получая результат с различной степенью точности.
Монтаж платы с SMD-компонентами, по желанию пользователя, можно размещать либо горизонтально, либо вертикально. Смотровое окошко перед началом тарировки необходимо перекрывать тёмным стеклом (подойдёт фильтр с кратностью 6…10х от обычной сварочной маски).
Тарировка цифрового амперметра состоит в подборе минимального значения нагрузки по току, при которой светодиод будет светиться. Варьирование настройки производится экспериментально, для чего в схеме предусматривается резистор с небольшим (до 100 мОм) сопротивлением. Погрешность показаний такого амперметра обычно не превышает нескольких процентов.
Вы знали, что можно переделать старый вольтметр в амперметр? Как это сделать — смотрите видео:
Схемы самодельных цифровых вольтметра и амперметра (СА3162, КР514ИД2)
Как-то раз в руки к автору этих строк попало весьма интересное устройство, рожденное в СССР, в далеком году — его просто отдали за ненадобностью. А дело здесь было в том, что обе его панели являлись… передними! Испытания прибора подтвердили его полную боеспособность даже сварка работала! Понятно, что следить за зарядом аккумулятора а ток зарядки — всего лишь А! Для вывода результатов измерения в данном амперметре решено было использовать пару 7-сегментых LED- индикаторов. Ну а последним доводом в пользу светодиодной матрицы — в контексте данной разработки — стал тот факт, что длинный просто-напросто не вписывался по размерам в штатное отверстие для амперметра круглое и очень небольшое! Определившись с типом индикатора, встал другой вопрос — какой же микроконтроллер использовать в качестве основы для данного устройства. А это уже не самое лучшее решение с точки зрения классического подхода к проектированию! Поэтому, в соответствии с этим принципом — простому прибору — простой микроконтроллер, и никак иначе!
Почему одним прибором нельзя измерять широкий диапазон величин?
Принцип работы любого амперметра (стрелочного или катушечного) основан на переводе измеряемой величины в визуальное ее отображение. Стрелочные системы работают по механическому принципу.
Через обмотку протекает ток определенной величины, заставляя ее отклоняться в поле постоянного магнита. На катушке закреплена стрелка. Остальное – дело техники. Шкала, разметка и прочее.
Зависимость угла отклонения от силы тока на катушке не всегда линейная, это часто компенсируется пружиной особой формы.
Для обеспечения точности измерения, шкала делается по возможности с большим количеством промежуточных делений. В таком случае, для обеспечения широкого предела измерений шкала должна быть огромного размера.
Или же надо иметь в арсенале несколько прибором: амперметр на десятки и сотни ампер, обычный амперметр, миллиамперметр.
В цифровых мультиметрах картина схожая. Чем точнее шкала – тем ниже предел измерения. И наоборот – завышенная величина предела, дает большую погрешность.
Слишком загруженной шкалой пользоваться неудобно. Большое количество положений усложняют конструкцию прибора, и увеличивают вероятность потери контакта.
Применив закон Ома для участка цепи, можно изменить чувствительность прибора, установив шунт для амперметра.
Справка: Шунтом называется обходное сопротивление, проводник, подключенный параллельно измеряемому участку цепи. Часть тока устремляется в обход основного участка, и на подключенный прибор приходится меньшая нагрузка.
Изучение начнем с теории:
↑ Детали и конструкция
Все детали установлены на печатной плате. Дисплей вставляется в разъемы платы и крепится винтами к стойкам длиной 12 мм. В связи небольшим расстоянием между платами конденсаторы применены небольшой высоты C4, C5 на 16 Вольт, остальные на 6,3 или 10 Вольт. Измерительный резистор R7 должен быть высоковольтным. Я установил резистор типа МЛТ1. Шунт взят от неисправного мультиметра. В связи с тем, что различные типы дисплеев могут иметь различное подключение питания (ножки 1 и 2), то на печатной плате питание на ножки дисплея 1 и 2 поступает через перемычки. Их надо коммутировать правильно, в соответствии с применяемым дисплеем. Наличие русского алфавита в дисплее необязательно, так как он формируется программно. Микроконтроллер устанавливается в цанговую панельку.

Исключён фрагмент. Полный вариант статьи доступен меценатам и полноправным членам сообщества. Читай условия доступа.
Я запитал прибор от телефонного адаптера. В связи с тем, что на плате есть свой мост Br1, полярность подключения не имеет значения
Важно, чтобы на конденсаторе C4 было напряжение в пределах 10 – 15 Вольт

Шунт для амперметра – как сделать самому, откалибровать и расширить возможности тестера

Измерение силы тока – достаточно важная процедура для расчета и проверки электрических схем. Если вы создаете прибор с потребляемой мощностью на уровне зарядки для мобильного телефона – для измерения достаточно обычного мультиметра.
Типичный недорогой бытовой тестер имеет предел измерения силы тока 10 А.
На большинстве подобных приборов имеется дополнительный разъем для измерения больших величин. Переставляя измерительный кабель, вы, наверное не задумывались, по какой причине надо организовывать дополнительную цепь, и почему нельзя просто воспользоваться переключателем режимов?
Однополупериодный синхронный выпрямитель для амперметра
На рис 1 приведена схема однополупериодного синхронного выпрямителя для амперметра с линеаризованной шкалой. В положительный полупериод переменного напряжения (плюс на верхних концах обмоток II и III) открываются диоды VD1 и VD2 подключая микроамперметр к шунту Rш. В отрицательный полупериод диоды закрыты.
В открытом состоянии диоды имеют малое дифференциальное сопротивление, и нелинейность этого сопротивления невелика, поэтому шкала получается практически линейной.

Рис. 1. Схема амперметра с трасформатором.
При использовании микроампер метров со шкалой 50 .200 мкА с максимальным падением напряжения на рамке не более 150 мВ минимальное напряжение на обмотке III может составлять 1,5…2 В для германиевых и 2…2,5 В для кремниевых диодов (при меньшем напряжении его нестабильность заметно сказывается на показаниях амперметра).
Максимальное напряжение ограничивается максимально допустимым обратным напряжением используемых диодов Минимальный ток диодов должен в 10.. 20 раз превышать максимальный ток микроамперметра. Дополнительную обмотку можно изготовить самостоятельно, намотав несколько витков тонкого изолированного про вода на катушку трансформатора, если его конструкция позволяет это сделать.
Резисторы R3 и R4 служат для подстройки нуля амперметра, сдвиг которого возникает за счет тока диода VD2, протекающего через шунт, и разброса параметров диодов.
Синфазность подключения обмоток II и III важна при сравнительно низком напряжении обмотки III (менее 2 В), так как при противофазном включении этих обмоток (в этом случае полярность подключения микроамперметра нужно изменить) в приборе появляется нелинейность шкалы (цена деления в конце шкалы плавно увеличивается), что, кстати, иногда может оказаться полезным. Однако при напряжении на обмотке III выше 4 ..5 В эта нелинейность практически не заметна и на фазу включения обмоток можно не обращать внимания
Для защиты микроамперметра от случайных перегрузок параллельно его выводам полезно включить кремниевый диод Д220 КД522 или КД521 в прямом направлении, предварительно убедившись, что он не влияет на показания микроамперметра в конце шкалы.





