Содержание
Принцип работы
Как же работает микросхема TL494CN? Описание порядка ее работы дадим по материалам Motorola, Inc. Выход импульсов с широтной модуляцией достигается путем сравнения положительного пилообразного сигнала с конденсатора Ct с любым из двух управляющих сигналов. Логические схемы ИЛИ-НЕ управления выходными транзисторами Q1 и Q2, открывают их только тогда, когда сигнал на тактовом входе (С1) триггера (см. функциональную схему TL494CN) переходит в низкий уровень.
Таким образом, если на входе С1 триггера уровень логической единицы, то выходные транзисторы закрыты в обоих режимах работы: однотактном и двухтактном. Если на этом входе присутствует сигнал тактовой частоты, то в двухтактном режиме транзисторные ключи открываются поочердно по приходу среза тактового импульса на триггер. В однотактном режиме триггер не используется, и оба выходных ключа открываются синхронно.
Это открытое состояние (в обоих режимах) возможно только в той части периода ГПН, когда пилообразное напряжение больше, чем управляющие сигналы. Таким образом, увеличение или уменьшение величины управляющего сигнала вызывает соответственно линейное увеличение или уменьшение ширины импульсов напряжения на выходах микросхемы.
В качестве управляющих сигналов может быть использовано напряжение с вывода 4 (управление «мертвым временем»), входы усилителей ошибки или вход сигнала обратной связи с вывода 3.
А как поднять напряжение на выходе?
Теперь давайте получим некоторое напряжение повыше при помощи TL494CN. Схема включения и разводки используется та же самая – на макетной плате. Конечно, достаточно высокого напряжения на ней не получить, тем более что нет какого-либо радиатора на силовых МОП-транзисторах. И все же, подключите небольшой трансформатор к выходному каскаду, согласно этой схеме.

Первичная обмотка трансформатора содержит 10 витков. Вторичная обмотка содержит около 100 витков. Таким образом, коэффициент трансформации равен 10. Если подать 10В в первичную обмотку, вы должны получить около 100 В на выходе. Сердечник выполнен из феррита. Можно использовать некоторый среднего размера сердечник от трансформатора блока питания ПК.
Будьте осторожны, выход трансформатора под высоким напряжением. Ток очень низкий и не убьет вас. Но можно получить хороший удар. Еще одна опасность — если вы установите большой конденсатор на выходе, он будет накапливать большой заряд. Поэтому после выключения схемы, его следует разрядить.
На выходе схемы можно включить любой индикатор вроде лампочки, как на фото ниже.

Она работает от напряжения постоянного тока, и ей необходимо около 160 В, чтобы засветиться. (Питание всего устройства составляет около 15 В – на порядок ниже.)
Схема с трансформаторным выходом широко применяется в любых ИБП, включая и блоки питания ПК. В этих устройствах, первый трансформатор, подключенный через транзисторные ключи к выходам ШИМ-контроллера, служит для гальванической развязки низковольтной части схемы, включающей TL494CN, от ее высоковольтной части, содержащей трансформатор сетевого напряжения.
Настройка
Запускаем. Офигиваем от количества шума!
300мВ! Пачки, похоже на возбуждение обратной связи. Тормозим ОС до предела, пачки не исчезают. Значит, дело не в ОС
Долго тыкавшись, я нашел, что причина такого шума – провод! О_о Простой двужильный двухметровый провод! Если подключить осциллограф до него, или включить конденсатор прямо на щуп осциллографа, пульсации уменьшаются до 20мВ ! Это явление я толком не могу объяснить. Может, кто-то из вас, поделится? Теперь, понятно что делать – в питающейся схеме должен быть конденсатор, и конденсатор нужно повесить непосредственно на клеммы БП.
Кстати, насчет Y – конденсаторов. Китайцы сэкономили на них и не поставили. Итак, выходное напряжение без Y-конденсаторов
А теперь – с Y конденсатором:
Лучше? Несомненно! Более того, после установки Y – конденсаторов сразу-же перестал глючить измеритель тока!
Еще я поставил X2 – конденсатор, чтобы хоть как-то поменьше хлама в сети было. К сожалению, похожего синфазного дросселя у меня нет, но как только найду – сразу поставлю.

Обратная связь.
Про нее я написал отдельную статейку, читайте
Охлаждение
Вот тут пришлось повозиться! После нескольких секунд под полной нагрузкой вопрос о необходимости активного охлаждения был снят. Больше всех грелась выходная диодная сборка.
В сборке стоят обычные диоды, я думал заменить их диодами Шоттки. Но обратное напряжение на этих диодах оказалось порядка 100 вольт, а как известно, высоковольтные диоды шоттки не намного лучше обычных диодов.
Поэтому, пришлось прикрутить кучу дополнительных радиаторов (сколько влезло) и организовать активное охлаждение.
Откуда брать питание для вентилятора? Вот и я долго думал, но таки придумал. tl494 питается от источника напряжением 25В. Берем его (с перемычки J3 на схеме) и понижаем стабилизатором 7812.

Для продуваемости пришлось вырезать крышку под 120мм вентилятор, и прицепить соответствующую решетку, а сам вентилятор поставить на 80мм. Единственное место, где это можно было сделать – это верхняя крышка, а поэтому конструкция получилась очень плохая – с верху может упасть какая-то металлическая хрень и замкнуть внутренние цепи блока питания. Ставлю себе 2 балла. Не стоило уходить от корпуса блока питания! Не повторяйте моих ошибок!
Вентилятор никак не крепится. Его просто прижимает верхняя крышка. Так вот хорошо с размерами я попал.
Результаты
Итог. Итак, этот блок питания работает уже неделю, и можно сказать, что он довольно надежен. К моему удивлению, он очень слабо излучает, и это хорошо!

Я попытался описать подводные камни, на которые сам нарвался. Надеюсь, вы не повторите их! Удачи!
Добрый день. Хотелось бы уточнить номиналы резисторов R3, R8, R14 и R18, параметры L1 в управляющей электронике, номиналы резисторов R22 и R25 в фальшпанеле, а также возможно ли выложить печатные платы. Спасибо.
Автору конечно респект за разработку! Но для повторения нужно сначала расколдовать схему управления БП, котораые в ПДФе. Блин! Что заставляет вас сначала зашифровывать схему? А тот, для кого это здесь выложено, потом расшифровывает эту схему. Какой же дебил так так придумал. Неужели нельзя было нормально нарисовать обе схемы управления (pdf) на одном листе и без всяких ссылок типа: Vref, AGND… Что за бездарность такая. BSVi — тебе большой минус по черчению схем! Ты бездарность. Никогда больше этого не делай. Попроси специалистов сделать это
Импульсный блок питания TL494
Обнаружена недоработка, прошу прощения, но поищите пока себе что то другое!
Один товарищ попросил сделать для него импульсный блок питания для какой то штуки у него в гараже. Как бы питание у этого приборчика не стандартное и нужно 17-18В током до 5 А. Что бы собрать этот блок питания, решил использовать запчасти от старых разобранных ATX, трансформаторов таких у меня просто куча и есть с чего выбрать. Схему питальника использовал ту же, что и в прошлый раз собирал, вот ссылка на ИИП из ATX, только немного ее переделал. Первым делом что я сделал, это немного переделал схему. Пересчитал делители на ОУ под нужные выходные напряжения, убрал фильтр на входе, ну а все остальные компоненты остались такие же.
Вот схема силовой части и драйвера

Вот схема управляющей части на TL494

Разберусь с используемыми компонентами, большинство были заказаны с Китая. Цены на товар с Китая в десятки раз дешевле чем заказывать в интернет магазинах России
Диодный мост KBU1010 заказан был с Китая Две емкости 330мкФ 200В и шунтирующие конденсаторы 0.1мкФ 1000В из блока питания ATX, они еще нормально себя чувствуют Силовые ключи использовал 13007 вот ссылка, мелкие 2SC945 вот ссылка Силовой XZYEI-28C и развязывающий трансформаторWYEE-16C из ATX Выходной сдвоенный диод S10C40 на 10А 40В из того же ATX Дроссель для стабилизации размотал и намотал 24 витка проводом 1мм Все резисторы из Китая, 0,25Вт ссылка, 2Вт ссылка, подстроечный резистор 1кОм ссылка, токоизмерительный резистор 0,1Ом ссылка Конденсаторы электролитические разной емкости ссылка, а так же пленочные ссылка Ну и диоды 1N4148 тоже Китай ссылка, остальные диоды были выбраны из всякого хлама Управляющая TL494 заказана с Китая
Когда все детали определены, пора перейти к разводке печатной платы. Снял все размеры компонентов и принялся за разводку печатки, все заняло часа 3-4.
Печатная плата силовой части и драйвера

Вот печатная плата управляющей части

Силовая часть схемы и развязывающий драйвер буду собирать на печатной плате размером 80*101мм, управляющая часть собрана на отдельном куске текстолита размерами 45*50мм.Скачать печатную плату Прочитайте Получить пароль от архива Ну и пора переходить к сборке, печатных плат. На это было потрачено еще пару часов. Первый пуск источника питания как всегда через лампу, я тут описывал для чего это нужно. Далее испытания проводил уже без лампы, но через предохранитель 1,5А. Вот что у меня получилось

С помощью подстроечного резистора установил напряжение 17,5В, в качестве нагрузки пока выступает вентилятор 12В через балластный резистор 33Ом. Забыл на плате разместить этот балластный резистор, поэтому придется навесом его оставить

Расположение всех компонентов на плате выглядит так, для разрядки высоковольтных конденсаторов балластные резисторы по 120кОм установлены с другой стороны на вывод конденсаторов

Управляющая плата установлена на коротких проводниках из медной проволоки, на плате есть переменный резистор для точной настройки выходного напряжения

Диод и силовые ключи установлены на общий радиатор через прокладки для гальванической развязки, одного радиатора при принудительном охлаждения будет достаточно

Вот перемотанный дроссель для стабилизации напряжения
Две платы собранны максимально плотным монтажем, проверенны в условиях мастерской и готовы отправится в гараж знакомого
Схема для лабораторного БП
Для переделки ненужного блока питания компьютера в лабораторный источник с регулируемым выходным напряжением хорошо подходят БП стандарта ATX (но можно и AT), выполненные по схеме с ШИМ на микросхеме TL494 или ее аналогах.

Структурная схема блока питания стандарта ATX.
Хотя они все построены по одной структурной схеме и работают по схожему принципу, физически реализованы источники питания могут быть по-разному. Потому первое, с чего надо начать – попытаться найти принципиальную схему от фактически имеющегося блока.
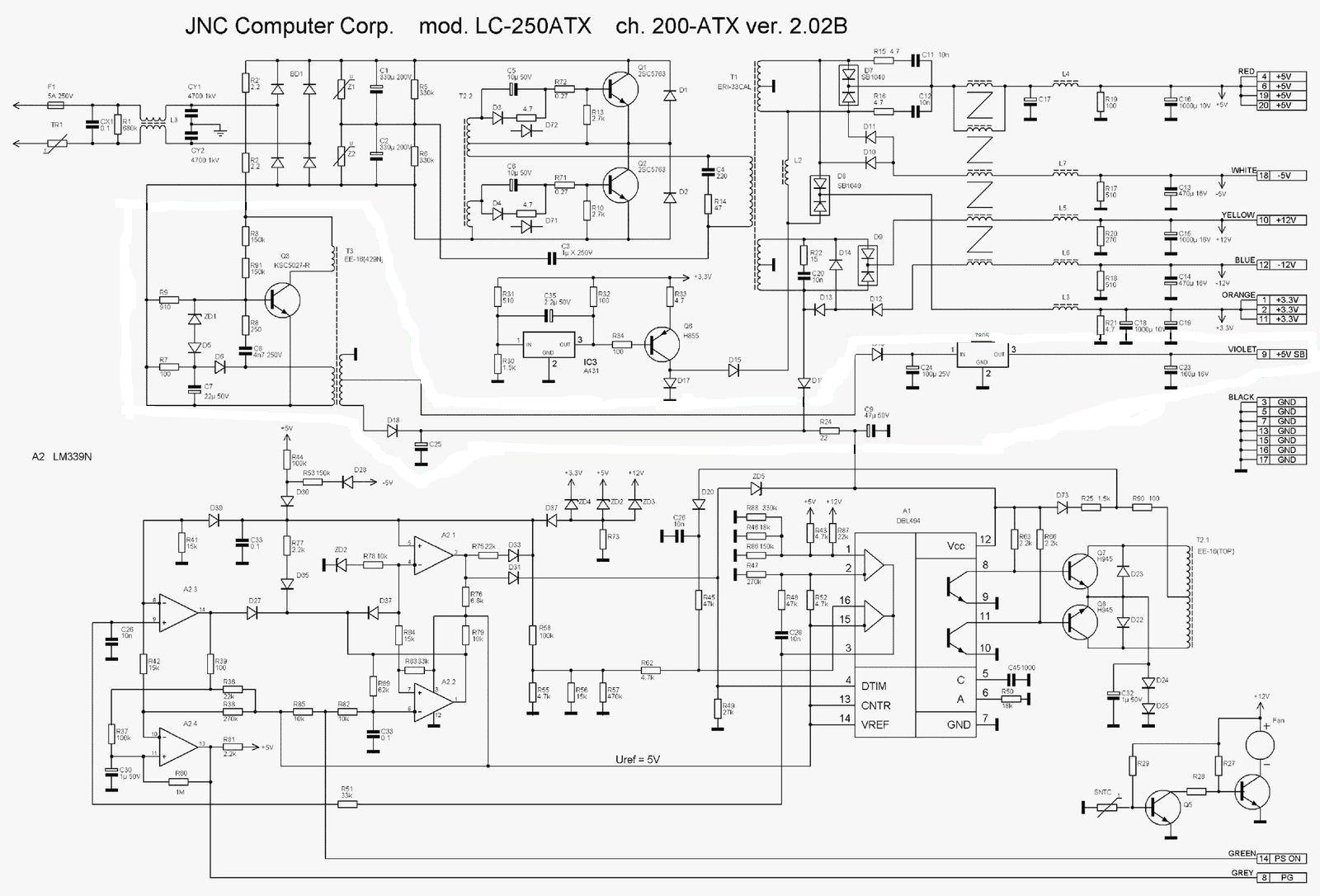
Процедуру переделки можно рассмотреть на примере модели LC-250ATX. Поняв принцип, можно будет работать и с другими подобными блоками.
Изначальная схема блока LC-250ATX.
В основу работы LC-250ATX положен принцип ШИМ, реализованный на стандартной для таких схем микросхеме TL494. Она формирует импульсы, которые усиливаются ключами на транзисторах Q6,Q7, далее через трансформатор T2 ключами на транзисторах Q1, Q2 создаются импульсы на первичной обмотке трансформатора T1. Эти импульсы трансформируются через вторичные обмотки и подаются на выпрямители различных напряжений, из которых для переделки интересен лишь канал +12 вольт.
Схема дежурного напряжения собрана на транзисторе Q3, трансформаторе T3 и интегральном стабилизаторе 7805. Этот участок также понадобится для будущей конструкции. На операционном усилителе LM339 собрана схема формирования сигнала PWR_OK и запуска БП сигналом от материнской платы.
четверг, 29 сентября 2021 г.
Ограничение TL494 по току

ПРИМЕР 3
Тут в этой схеме, к косичке трансформатора подается через полярный конденсатор положительное напряжение это очень важно чтобы на 16 ноге было +V от источника тока или съемной катушке трансформатора. https://radiokot.ru/circuit/power/charger/40/

как это работает в конкретных цифрах:
- При отсутствии тока в нагрузке, падение напряжения на R4 равно нулю. Значит, на делителе будет 5V*R7/(R7+R5), т.е. около 50мВ, на 16-й ноге естественно 0В
- Что же будет при токе, ну допустим, 2А? На R4 возникнет падение напряжения в R4*2A=12mV. Это напряжение на вывод делителя из R5 и R7 приложится в отрицательной полярности, т.е на 15-й ножке ШИМ теперь будет уже не 50мВ, а 50-12=38мВ
- При дальнейшем росте тока нагрузки, будет расти и падение напряжения на R4, а следовательно, и на верхнем по схеме выводе делителя на R5 и R7 отрицательное напряжение будет увеличиваться. При определённом токе, оно достигнет -50мВ, и полностью скомпенсирует изначальные 50мВ холостого хода. Т.е. напряжение на 15-й ноге ШИМ станет равно 0В и сравняется с напряжением на 16-й ноге, которая «сидит» на земле. Компаратор начнёт работать и дальнейшего роста тока нагрузки не произойдёт.
Еще ни много расчета:
1. 15-14 (om) = 10000 om (сопротивление между 14(+5) и 15 ногой) 2. 15-GND (om) = 3 om (сопротивление между 15 ногой и минусом) 3. 16-GND (om) = 0,2 om (сопротивление между 16 ногой и минусом) ————— 4. 15-GND (V) = +5(V) * 15-GND (om) / 15-14 (om) + 15-GND (om) = + 0,00149955 (V) это напряжение падение на 15 ноге. 6. 16 = 15 (A) условие срабатывания инвертирующего компоратора = 15-GND (V) / 16-GND (om) = 0,007497751 (A) это амперы которые необходимо пропустить чтобы 15V = 16V и прерывания сработали.
ПРИМЕР 4
Измеряя операционным усилителем напряжение на резисторе R10, можно ограничить выходной ток. На второй вход подается опорное напряжение делителем R5; R6. Ну понимаете R10 будет греться.
Источник
Как усилить выходной сигнал?
Выход TL494CN является довольно слаботочным, а вы, конечно же, хотите большей мощности. Таким образом, мы должны добавить несколько мощных транзисторов. Наиболее просто использовать (и очень легко получить — из старой материнской платы компьютера) n-канальные силовые МОП-транзисторы. Мы должны при этом проинвертировать выход TL494CN, т. к. если мы подключим n-канальный МОП-транзистор к нему, то при отсутствии импульса на выходе микросхемы он будет открытым для протекания постоянного тока. При этом МОП-транзистор может попросту сгореть… Так что достаем универсальный npn-транзистор и подключаем согласно нижеприведенной схеме.

Мощный МОП-транзистор в этой схеме управляется в пассивном режиме. Это не очень хорошо, но для целей тестирования и малой мощности вполне подходит. R1 в схеме является нагрузкой npn-транзистора. Выберите его в соответствии с максимально допустимым током его коллектора. R2 представляет собой нагрузку нашего силового каскада. В следующих экспериментах он будет заменен трансформатором.
Если мы теперь посмотрим осциллографом сигнал на выводе 6 микросхемы, то увидите «пилу». На № 8 (К1) можно по-прежнему видеть прямоугольные импульсы, а на стоке МОП-транзистора такие же по форме импульсы, но большей величины.
Зарядка из блока АТХ на TL494 и TPS3510 – ISO-450PP
При переделке в зарядное устройство АТХ блока на основе ШИМ TL494, можно столкнуться со схемами, у которых для контроля выходных напряжений используется отдельный супервизор TPS3510; WT7510 или др. Сегодня мы покажем пример того, как отключать подобный супервизор, что бы он никак не влиял на работу ШИМ. И так, зарядка из блока АТХ CWT ATX-300 (ISO-450PP), поехали!
Зарядка из блока АТХ на TL494 и TPS3510
Микросхемы на подобии TPS3510; WT7510 отслеживают напряжение сразу на нескольких шинах блока, в случае отклонения напряжения хоть на одной из них этот супервизор останавливает работу блока.
При изготовлении самодельного зарядного устройства на основе такого компьютерного блока питания основная переделка заключается в поднятии напряжения по шине +12 до 14В.
Если не отключать супервизор – блок будет работать крайне нестабильно, будут наблюдаться сбои в работе при нагрузке или проблемы со стартом.
Типовые схемы блоков на основе TL494 и TPS3510; WT7510. На схемах уже обозначены некоторые важные элементы, о них речь пойдет ниже.
Отключение супервизора и организация автостарта блока
В зарядное устройство будем переделывать блок CWT ATX-300.
На плате находятся TL494 и TPS3510.
Удаляем диод D15, он выделенный на схеме красной рамкой. Если в блоке используется другая нумерация деталей или другая схема, ищем диод, который соединяет 4-ю ножку Tl494 (DTC) и 3-ю ножку TPS3510 (FPO).
После удаления диода, блок будет запускаться автоматически при включении в сеть, а TPS3510 уже не будет влиять на работу БП.
Как поднять напряжение в блоке питания компьютера?
Оптимальным для зарядки автомобильного АКБ считается напряжение 14-14,5В. Для поднятия напряжения нужно установить подстроечный резистор вместо резистора, соединяющего 1-ю ножку TL494 с шиной +12В.
На схеме он выделенный зеленой рамкой. Подстроечный резистор можно брать на 100-200кОм (желательно многооборотный).
Перед установкой его на плату его нужно настроить на такое же сопротивление, какое было у резистора, вместо которого его ставим.
После удачного старта корректируем выходное напряжение с помощью подстроечника.
При желании можно дополнительно изготовить защиту от переполюсовки и зарядка из блока АТХ готова!
Первые шаги по работе с микросхемой
Прежде чем делать какое-либо полезное устройство, рекомендуется изучить, как работает TL494CN. Как проверить ее работоспособность?
Возьмите свою макетную плату, установите на нее микросхему и подключите провода согласно нижеприведенной схеме.

Если все подключено правильно, то схема будет работать. Оставьте выводы 3 и 4 не свободными. Используйте свой осциллограф, чтобы проверить работу ГПН – на выводе 6 вы должны увидеть пилообразное напряжение. Выходы будут нулевыми. Как же определить их работоспособность в TL494CN. Проверка ее может быть выполнена следующим образом:
- Подключите выход обратной связи ( № 3) и выход управления «мертвым временем» (№ 4) к общему выводу (№ 7).
- Теперь вы должны обнаружить прямоугольные импульсы на выходах микросхемы.
Принципиальная схема ЛБП 0-30В

Более подробно про номиналы радиоэлементов к данной схеме смотрите на форуме.
Технические характеристики блока питания
- Входное напряжение: ……………. переменное 25 В
- Входной ток: ……………. 3 A (Макс.)
- Выходное напряжение: …………. 0 до 30 В регулируемое
- Выходной ток: …………. 2 мА — 3 A регулируемый
- Пульсации выходного напряжения: …. не более 0.01 %
Начнем с сетевого трансформатора со вторичной обмоткой мощностью 24 В/3 A, который подключен через входные контакты 1 и 2. Переменное напряжение вторичной обмотки трансформаторов выпрямляется мостом, образованным четырьмя диодами D1-D4. Напряжение постоянного тока, на выходе моста сглаживается фильтром из конденсатор C1 и резистора R1.

Далее схема работает следующим образом: диод D8 — стабилитрон 5,6 В, здесь работает с нулевым током. Напряжение на выходе U1 постепенно увеличивается до его включения. Когда это происходит, схема стабилизируется и опорное напряжение (5,6 В) проходит через резистор R5. Ток, который течет через инвертирующий вход ОУ является незначительным, поэтому один и тот же ток проходит через R5 и R6, и, как два резисторы имеют то же самое значение напряжения между двумя из них в серии будет ровно в два раза больше напряжения по каждой из них. Таким образом, напряжение на выходе ОУ (выв. 6 U1) 11,2 В, в два раза больше опорного напряжения стабилитрона. ОУ U2 имеет постоянный коэффициент усиления примерно 3 по формуле A=(R11+R12)/R11, и поднимает контрольное напряжение 11.2 В до 33 В. Переменник RV1 и резистор R10 используются для регулировки выходного напряжения таким образом, что оно может быть снижено до 0 вольт.

Другой важной особенностью схемы является возможность задать максимальный выходной ток, который можно преобразовать от источника постоянного напряжения на постоянном токе. Чтобы сделать это возможным схема отслеживает падение напряжения на резисторе R25, который соединен последовательно с нагрузкой
Ответственным за эту функцию есть элемент U3. Инвертирующий вход U3 получает стабильное напряжение.

Конденсатор C4 увеличивают устойчивость схемы. Транзистор Q3 используется для обеспечения визуальной индикации ограничителя тока.

Теперь давайте рассмотрим основы построения электронной схемы на печатной плате. Она изготавливается из тонкого изоляционного материала, покрытого тонким слоем проводящей меди таким образом, чтобы сформировать необходимые проводники между различными компонентами схемы
Использование правильно спроектированной печатной платы — это очень важно, так как это ускоряет монтаж и значительно снижает вероятность допущения ошибок. Для защиты от окисления медь желательно лудить и покрыть специальным лаком

В этом приборе лучше использовать цифровой измеритель, в целях повышения чувствительности и точности контроля напряжения выхода, так как стрелочные индикаторы не могут чётко зафиксировать небольшое (на десятки милливольт) изменение напряжения.
Application Notes
-
Isolated Multiple Output Flyback Converter Design Using TL494
PDF, 741 Кб, Файл опубликован: 18 июн 2014
-
Off-Line SMPS Failure Modes PWM Switchers and DC-DC Converters
PDF, 71 Кб, Файл опубликован: 22 мар 2000Today’s voltage regulator modules (VRMs) employ off-line SMPS techniques. Traditionally, they are usually discarded when they fail because they are so challenging to debug and so inexpensive to replace. Investigation of these failed modules reveals some common failure modes. Some failures are caused by other systems’ passive components that fail after repeated electrical stress. Recognizing these
-
Designing Switching Voltage Regulators With the TL494 (Rev. E)
PDF, 329 Кб, Версия: E, Файл опубликован: 26 июл 2005Designing Switching Voltage Regulators With the TL494
-
Understanding Buck Power Stages In Switchmode Power Supplies
PDF, 173 Кб, Файл опубликован: 4 мар 1999A switching power supply consists of the power stage and the control circuit. The power stage performs the basic power conversion from the input voltage to the output voltage and includes switches and the output filter. This report addresses the buck power stage only and does not cover control circuits. Detailed steady-state and small-signal analysis of the buck power stage operating in continuous
-
Understanding Boost Power Stages In Switchmode Power Supplies
PDF, 149 Кб, Файл опубликован: 4 мар 1999A switching power supply consists of the power stage and the control circuit. The power stage performs the basic power conversion from the input voltage to the output voltage and includes switches and the output filter. This report addresses the boost power stage only and does not cover control circuits. The report includes detailed steady-stage and small-signal analysis of the boost power stage o
-
Understanding Buck-Boost Power Stages in Switchmode Power Supplies (Rev. A)
PDF, 363 Кб, Версия: A, Файл опубликован: 28 май 2002
Ремонт блока АТХ/АТ (методика)
Ремонт блока АТХ/АТ (методика)Ремонт блока АТХ/АТ (методика)

Типовую схему можно взять тут: AT и ATX Все работы с импульсным блоком питания проводить отключив его от сети ~220V !!! Схема управления. Проверку блока начинают со схемы управления. (ШИМ-контроллер TL494CN) Описание микросхемы можно взять тут Для этого понадобится стабилизированный блок питания 12В. Подключаем к схеме испытуемого ИБП как показано на схеме рис.1 и смотрим наличае осциллограмм на соответсвующих выводах. Показания осциллографа снимать относительно общего провода. Рис.1 Проверка работоспособности TL494CN После проверки не забудь вывод 4 вернуть в схему !!!Высоковольтная цепь. Для этого последовательно проверяем: предохранитель, защитный терморезистор, катушки, диодный мост, электролиты высокого напряжения, силовые транзисторы (2SC4242), первичную обмотку трансформатора, элементы управления в базовой цепи силовых транзисторов.

(смотри рис.2 и рис.3) Первыми обычно сгорают силовые транзисторы. Лучше заменить на аналогичные: 2SC4242, 2SC3039, КТ8127(А1-В1), КТ8108(А1-В1) и т.п. Элементы в базовой цепи силовых транзисторов.(проверить резисторы на обрыв) Как правило, если сгорает диодный мост (диоды звонятся накоротко), то соответственно от поступившего в схему переменного тока вылетают электролиты высокого напряжения. Обычно мост — это RS205 (2А 500В) или хуже. Рекомендуемый — RS507 (5А 700В) или аналог. Ну и последним всегда горит предохранитель.

.52В. Рис.2 Проверка входной цепи. Если всё в порядке, то можно переходить к следующему пункту.Проверка работы силовых транзисторов. Проверку режимов работы в принципе можно и не делать. Если первые два пункта пройдены, то на 99% можно считать БП исправным. Однако, если силовые транзисторы были заменены на другие аналоги или если вы решили заменить биполярные транзисторы на полевые (напрмер КП948А, цоколёвка совпадает), то необходимо проверить как транзистор держит переходные процессы. Для этого необходимо подключить испытуемый блок как показано на рис.1 и рис.2. Осциллограф отключить от общего провода! Осциллограммы на коллекторе силового транзистора измерять относительно его эмиттера. (как показано на рис.3, напряжение будет меняться от 0 до 51В) При этом процесс перехода от низкого уровня к высокому должен быть мгновенным. (ну или почти мгновенным).

Это во многом зависит от частотных харрактеристик транзистора и демпферных диодов (на рис.3 FR155. аналог 2Д253, 2Д254). Если переходной процесс происходит плавно (присутствует небольшой наклон), то скорее всего уже через несколько минут радиатор силовых транзисторов очень сильно нагреется. (при нормальной работе — радиатор длжен быть холодный) Рис.3 Проверка работы силовых транзисторов.Проверка выходных параметров блока питания. После всех вышеперечисленных работ необходимо проверить выходные напряжения блока. Нестабильность напряжения при динамической нагрузке, собственные пульсации и т.п. Можно на свой страх и риск воткнуть испытуемый блок в рабочую системную плату или собрать схему рис. 4 Рис.4 Упрощенная схема нагрузки БП. Данная схема собирается из резисторов ПЭВ-10. Резисторы монтировать на алюминиевый радиатор.

(для этих целей очень хорошо подходит швеллер 20х25х20) Блок питания без вентилятора не включать ! Также желательно обдувать резисторы. Пульсации смотреть осциллографом непосредственно на нагрузке. (от пика до пика должно быть не более 100 мВ, в худшем случае 300 мВ) Вообще не рекомендуется нагружать БП более 1/2 заявленной мощности. (например: если указано, что БП 200 Ватт, то нагружать не более 100 Ватт) При желании схему нагрузки можно усложнить: Рис.4.1 Экстремальная нагрузка блока питания.Автогенераторный вспомогательный источник. Используется для питания TL494CN и стабилизатора +5Vsb (смотри схему АТХ блока) Варианты вспомогательных источников в недорогих блоках: Рис.5 Вариант 1 Рис.6 Вариант 2 В более дорогих БП дополнительные источники реализуют на микросхемах серии TOPSwitch.

KA1H0165R KA1H0165RN …или второй вариант: .
| Part | Value | Part | Value |
| R101 | 100 kOm | D101 | UF4007 |
| R102 | 500 kOm | D102 | 1N4937 |
| R103 | 120 Om | D103 | 1N4948 |
| R104 | 1,2 kOm | D201 | Shottoky |
| C101 | 222/630V | C202 | 470mF / 10V |
| C103 | 222 uF | R201 | 500 Om |
| ZD101 | 12V / 0.
|
D201 | 20mH |
Описание на русском языке смотрите на сайте www.compitech.ru вот тут или воспользоваться поисковиком www.av.com Назад
Tl494 как стабилизатор тока
- Усилители мощности
- Светодиоды
- Блоки питания
- Начинающим
- Радиопередатчики
- Разное
- Ремонт
- Шокеры
- Компьютер
- Микроконтроллеры
- Разработки
- Обзоры и тесты
- Обратная связь
- Форум Усилители мощности
- Шокеры
- Качеры, катушки Тэсла
- Блоки питания
- Светодиоды
- Начинающим
- Жучки
- Микроконтроллеры
- Устройства на ARDUINO
- Программирование
- Радиоприемники
- Датчики и ИМ
- Вопросы и ответы
Online расчёты
Умный дом
Видео
RSS
Приём статей
- Усилители мощности
- Светодиоды
- Блоки питания
- Начинающим
- Радиопередатчики
- Разное
- Ремонт
- Шокеры
- Компьютер
- Микроконтроллеры
- Разработки
- Обзоры и тесты
- Обратная связь
Форум
- Усилители мощности
Шокеры
Качеры, катушки Тэсла
Блоки питания
Светодиоды
Начинающим
Жучки
Микроконтроллеры
Устройства на ARDUINO
Программирование
Радиоприемники
Датчики и ИМ
Вопросы и ответы
Online расчёты
Умный дом
Видео
RSS
Приём статей
Функции выводов входных сигналов
Как и любое другое электронное устройство. рассматриваемая микросхема имеет свои входы и выходы. Мы начнем с первых. Выше уже было дан перечень этих выводов TL494CN. Описание на русском языке их функционального назначения будет далее приведено с подробными пояснениями.
Вывод 1
Это положительный (неинвертирующий) вход усилителя сигнала ошибки 1. Если напряжение на нем ниже, чем напряжение на выводе 2, выход усилителя ошибки 1 будет иметь низкий уровень. Если же оно будет выше, чем на контакте 2, сигнал усилителя ошибки 1 станет высоким. Выход усилителя по существу, повторяет положительный вход с использованием вывода 2 в качестве эталона. Функции усилителей ошибки будут более подробно описаны ниже.
Вывод 2
Это отрицательное (инвертирующий) вход усилителя сигнала ошибки 1. Если этот вывод выше, чем на выводе 1, выход усилителя ошибки 1 будет низким. Если же напряжение на этом выводе ниже, чем напряжение на выводе 1, выход усилителя будет высоким.
Вывод 15
Он работает точно так же, как и № 2. Зачастую второй усилитель ошибки не используется в TL494CN. Схема включения ее в этом случае содержит вывод 15 просто подключенный к 14-му (опорное напряжение +5 В).
Вывод 16
Он работает так же, как и № 1. Его обычно присоединяют к общему № 7, когда второй усилитель ошибки не используется. С выводом 15, подключенным к +5 В и № 16, подключенным к общему, выход второго усилителя низкий и поэтому не имеет никакого влияния на работу микросхемы.
Вывод 3
Этот контакт и каждый внутренний усилитель TL494CN связаны между собой через диоды. Если сигнал на выходе какого-либо из них меняется с низкого на высокий уровень, то на № 3 он также переходит в высокий
Когда сигнал на этом выводе превышает 3,3 В, выходные импульсы выключаются (нулевая скважность). Когда напряжение на нем близко к 0 В, длительность импульса максимальна
В промежутке между 0 и 3,3 В, длительность импульса составляет от 50% до 0% (для каждого из выходов ШИМ-контроллера — на выводах 9 и 10 в большинстве устройств).
Если необходимо, контакт 3 может быть использован в качестве входного сигнала или может быть использован для обеспечения демпфирования скорости изменения ширины импульсов. Если напряжение на нем высокое (> ~ 3,5 В), нет никакого способа для запуска ИБП на ШИМ-контроллере (импульсы от него будут отсутствовать).
Вывод 4
Он управляет диапазоном скважности выходных импульсов (англ. Dead-Time Control)
Если напряжение на нем близко к 0 В, микросхема будет в состоянии выдавать как минимально возможную, так и максимальную ширину импульса (что задается другими входными сигналами). Если на этот вывод подается напряжение около 1,5 В, ширина выходного импульса будет ограничена до 50% от его максимальной ширины (или ~ 25% рабочего цикла для двухтактного режима ШИМ-контроллера). Если напряжение на нем высокое (> ~ 3,5 В), нет никакого способа для запуска ИБП на TL494CN. Схема включения ее зачастую содержит № 4, подключенный напрямую к земле.
Важно запомнить! Сигнал на выводах 3 и 4 должен быть ниже ~ 3,3 В. А что будет, если он близок, например, к + 5 В? Как тогда поведет себя TL494CN? Схема преобразователя напряжения на ней не будет вырабатывать импульсы, т.е
не будет выходного напряжения от ИБП.
Вывод 5
Служит для присоединения времязадающего конденсатора Ct, причем второй его контакт присоединяется к земле. Значения емкости обычно от 0,01 μF до 0,1 μF. Изменения величины этого компонента ведут к изменению частоты ГПН и выходных импульсов ШИМ-контроллера. Как правило здесь используются конденсаторы высокого качества с очень низким температурным коэффициентом (с очень небольшим изменением емкости с изменением температуры).
Вывод 6
Для подключения врямязадающего резистора Rt, причем второй его контакт присоединяется к земле. Величины Rt и Ct определяют частоту ГПН.
f = 1,1 : (Rt х Ct).
Вывод 7
Он присоединяется к общему проводу схемы устройства на ШИМ-контроллере.
Вывод 12
Он замаркирован литерами VCC. К нему присоединяется «плюс» источника питания TL494CN. Схема включения ее обычно содержит № 12, соединенный с коммутатором источника питания. Многие ИБП используют этот вывод, чтобы включать питание (и сам ИБП) и выключать его. Если на нем имеется +12 В и № 7 заземлен, ГПН и ИОН микросхемы будут работать.
Вывод 13
Это вход режима работы. Его функционирование было описано выше.






